奋发图强的小rui
码龄4年
关注
提问 私信
  • 博客:87,271
    87,271
    总访问量
  • 10
    原创
  • 1,489,597
    排名
  • 88
    粉丝
  • 0
    铁粉

个人简介:好好学习,天天向上 如果有不会的有问必答(前提是我会) 求文件的请绕道

IP属地以运营商信息为准,境内显示到省(区、市),境外显示到国家(地区)
IP 属地:上海市
  • 加入CSDN时间: 2021-03-17
博客简介:

zxiaorui1的博客

查看详细资料
个人成就
  • 获得83次点赞
  • 内容获得36次评论
  • 获得674次收藏
  • 代码片获得3,527次分享
创作历程
  • 10篇
    2022年
成就勋章
TA的专栏
  • 物联网
    1篇
  • 嵌入式
    7篇
  • Python
    3篇
兴趣领域 设置
  • 嵌入式
    stm32物联网嵌入式硬件
创作活动更多

HarmonyOS开发者社区有奖征文来啦!

用文字记录下您与HarmonyOS的故事。参与活动,还有机会赢奖,快来加入我们吧!

0人参与 去创作
  • 最近
  • 文章
  • 代码仓
  • 资源
  • 问答
  • 帖子
  • 视频
  • 课程
  • 关注/订阅/互动
  • 收藏
搜TA的内容
搜索 取消

基于STM32的红绿灯设计

设计电路原理图
原创
发布博客 2022.05.10 ·
15565 阅读 ·
38 点赞 ·
18 评论 ·
341 收藏

STM3中的GPIO配置 “GPIOLIKE51.h”

51单片机的I/O口功能相对较少,配置也相对简单,而STM32的I/O口功能则非常强大,配置也稍微复杂一些。STM32的I/O口简称GPIO(即General Purpose Input Output,通用输入/输出端口)这是个头文件,定义完直接拿来用就好了,用的程序在头文件里声明就好了#ifndef __GPIOLIKE51_H#define __GPIOLIKE51_H ///#include <stm32f10x_lib.h>//位带操作,实现51类似的GPIO控
原创
发布博客 2022.04.01 ·
1131 阅读 ·
0 点赞 ·
0 评论 ·
4 收藏

STM32 数码管显示

一 认识二级管常用的二级管分为两种1,(b)图共阴极结构:是把所有 LED 的阴极作为公共端(COM) 连起来,接低电平,通常接地。通过控制每一个 LED 的阳极电平使其发光或熄灭,阳极为高电平时LED 发光,为低电平时 LED熄灭。如显示数字0时,a、b、ad.e、t端为高电平,其他各端为低电平。2,(c)图共阳极结构:是把所有 LED 的阳极作为公共端(COM) 连起来,接高电平,通常接电源(如+5V )。通过控制每一 个LED 的阴极电平使其发光或熄灭,阴极为低电平时LED 发光,为高电平
原创
发布博客 2022.03.31 ·
15442 阅读 ·
18 点赞 ·
11 评论 ·
142 收藏

Python 运费问题计算

主要是利用函数的方法去处理小于50kg时每千克0.2元,超过50kg时超过的部分每千克0.2元def money(weigth): if 0 <=weigth<=50: weigth = weigth*0.2 print('当重量小于50kg时运费为{:.2f}'.format(weigth)) else: weigth = 50*0.2+(weigth-50)*0.5 print("当重量大于50k
原创
发布博客 2022.03.30 ·
9119 阅读 ·
7 点赞 ·
0 评论 ·
22 收藏

Python输入一个多位数,输出各个位之和

输入一个多为数字,输出他们的各个位相乘的积number1=list(input('请输入一个三位数字:'))number2=[int(i) for i in number1]print(sum(number2))
原创
发布博客 2022.03.30 ·
5597 阅读 ·
2 点赞 ·
1 评论 ·
10 收藏

Python三个数字排列大小

三l = []for i in range(3): x = int (input('输入整数:')) l.append(x)l.sort()print(l)
原创
发布博客 2022.03.30 ·
3957 阅读 ·
2 点赞 ·
0 评论 ·
3 收藏

STM32 跑马灯程序设计

跑马灯程序的设计思路与我前面发的LED循环点亮程序总体思路很像,就是跑马灯第一个灯亮完,接着是第一个和第二个灯一起亮,而循环点亮时每次是只能亮一个灯,明白了这些代码的设计也就手到拿来了。程序也有两种编程方法下面展示第一种#include "stm32f10x.h"uint16_t temp,i,j;void Delay(unsigned int count) //延时函数{ unsigned int i; for(;count!=0;count
原创
发布博客 2022.03.29 ·
9315 阅读 ·
1 点赞 ·
4 评论 ·
35 收藏

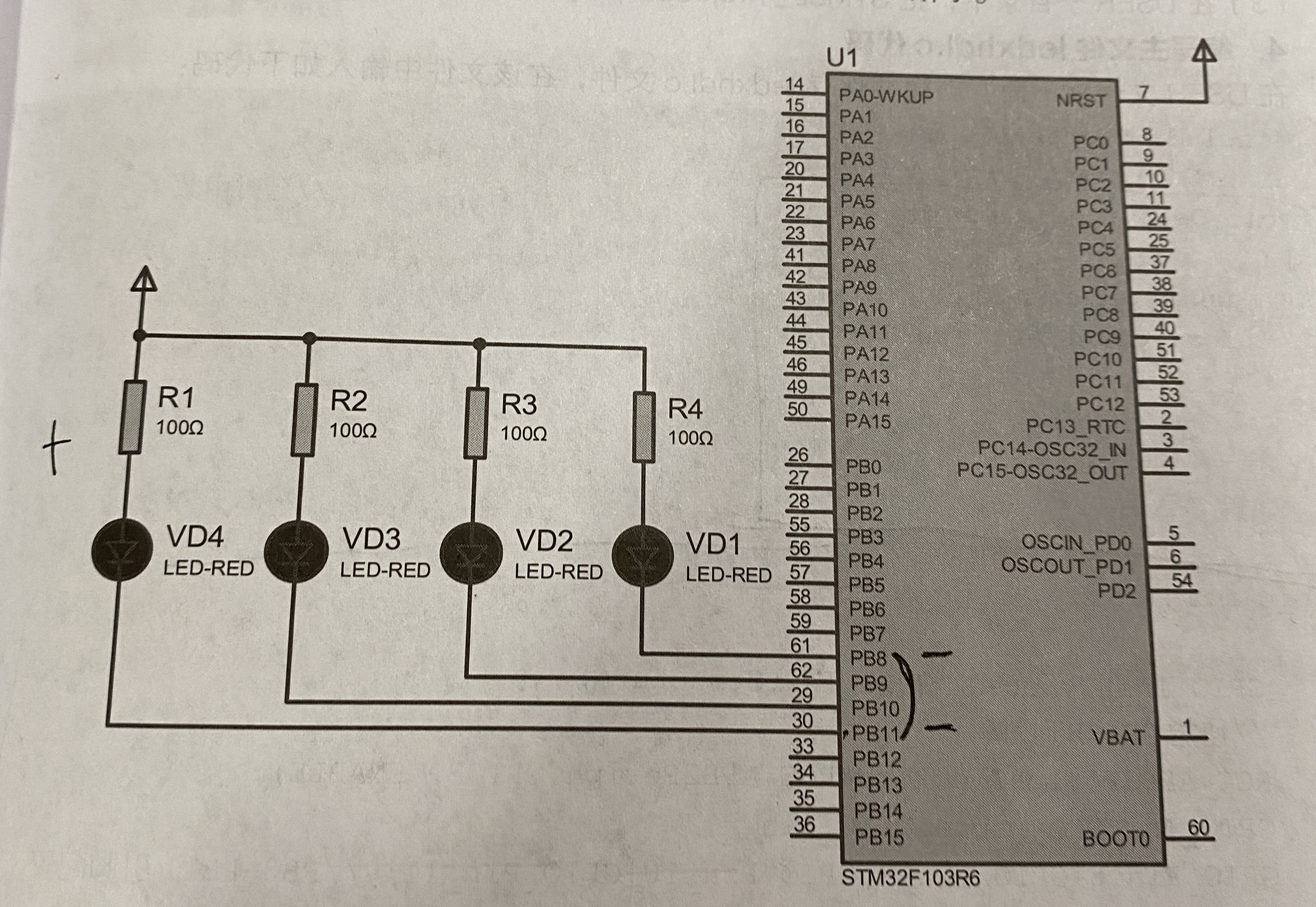
STM32 LED循环点亮

4个LED采用共阳极接法,其阴极接在STM32F103芯片的PB8,PB9,PB10和PB11引脚上如图所示下面是代码的实现,和数学一样实现一个目的代码可以有很多种编程方法,下面列举3个第一种方法#include "stm32f10x.h"unit16_t temp,i;void Delay(unsigned int count) //延时函数{ unsigned int i; for(;count!=0;count--) { .
原创
发布博客 2022.03.28 ·
17746 阅读 ·
9 点赞 ·
1 评论 ·
60 收藏

STM32 LED闪烁控制设计与实现

STM32的LED控制图在上一篇博客里,需要的话可以参考LED闪烁控制的步骤1.PB8引脚输出低电平,LED点亮2.延时3.PB8引脚输出高电平,LED熄灭4.延时5.重复第一步(循环)#include "stm32f10x.h" void Delay(unsigned int count) //延时函数{ unsigned int i; for(;count!=0;count--) { i=5000; .
原创
发布博客 2022.03.26 ·
4732 阅读 ·
2 点赞 ·
1 评论 ·
32 收藏

STM32 点亮LED灯

STM32的LED控制图 led灯电路如上,PB0=8,小灯点亮点亮小灯分为3个步骤1.使能GPIOB的时钟2.将PB8引脚配置为输出引脚3.电平置零,点亮led小灯代码如下(详细的注释在里面)前面的代码不用特意去背,初学者会认即可,随着以后的学习就会有更深刻的理解#include "stm3...
原创
发布博客 2022.03.26 ·
4291 阅读 ·
4 点赞 ·
0 评论 ·
31 收藏