【毕设】51单片机教室智能照明控制系统(含Keil程序和Proteus文件)

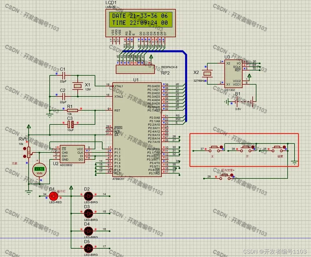
基于AT89C51的光控系统设计与仿真
文章介绍了使用AT89C51单片机控制的光控系统,包括LCD1602显示时间、光强感应、手动/自动模式切换、红外对管检测与按键控制。程序设计使用Keil51并在Proteus中实现,强调了版权声明。

—.系统概述

系统使用的模块有AT89C51单片机+LCD1602显示+光敏电阻模块+DS1302时钟+按键+小灯+红外对管。
本次设计的系统使用AT89C51单片机作为主控,LCD1602显示屏上显示实时时间,系统的照明模式有两种,分别是手动和自动。在自动模式下会根据光敏电阻模块采集的光强和设置阈值,以及红外对管是否能检测到人,开进行灯光的开启和关闭;在手动模式下可以使用按键直接控制灯光的开启和关闭。
 

二.仿真概述

1.使用LCD1602显示屏显示时间。
2.使用按键来红外对管是否检测到人。
3.通过设置按键可以切换手动和自动模式,开关按键则会直接控制灯光的开启和关闭。
4.通过DS1302获取日期、时间、星期等时钟数据。
5.通过指示灯来表示切换的模式,其他小灯则代表教室的灯光。
6.通过电位器来模拟光敏电阻模块。          

三.程序设计

使用Keil 51进行程序设计,打开Proteus时程序是默认烧录的状态,如果没有烧录点击AT89C51单片机并将程序导入就能运行系统(程序文件是后缀为hex的文件)。
————————————————
版权声明:本文为CSDN博主「开发者编号1103」的原创文章,遵循CC 4.0 BY-SA版权协议,转载请附上原文出处链接及本声明。
原文链接:https://blog.csdn.net/XCHardware/article/details/132206851

评论
添加红包

请填写红包祝福语或标题

红包个数最小为10个

红包金额最低5元

当前余额3.43前往充值 >
需支付:10.00
成就一亿技术人!
领取后你会自动成为博主和红包主的粉丝 规则
hope_wisdom
发出的红包
实付
使用余额支付
点击重新获取
扫码支付
钱包余额 0

抵扣说明:

1.余额是钱包充值的虚拟货币,按照1:1的比例进行支付金额的抵扣。
2.余额无法直接购买下载,可以购买VIP、付费专栏及课程。

余额充值