【蓝桥杯—单片机学习笔记(一)】LED指示灯的基本控制

本文介绍了蓝桥杯竞赛中单片机CT107D对LED指示灯的控制方法,涉及74HC573锁存器和74HC138译码器的原理及应用。通过控制74HC138的CBA端口实现Y4信号的低电平,进而控制LED的亮灭状态,实现闪烁、依次点亮和熄灭的循环效果。

一、要求

在CT107D单片机(蓝桥杯指定单片机)竞赛实训平台上实现LED的基本控制,首先让8路LED指示灯闪烁3遍然后熄灭,接着依次点亮LED指示灯,最后依次熄灭LED指示灯,不断循环。(重点掌握74HC573锁存器和74HC138译码器对LED的控制)

二、74HC573锁存器和74HC138译码器

1.74HC573锁存器

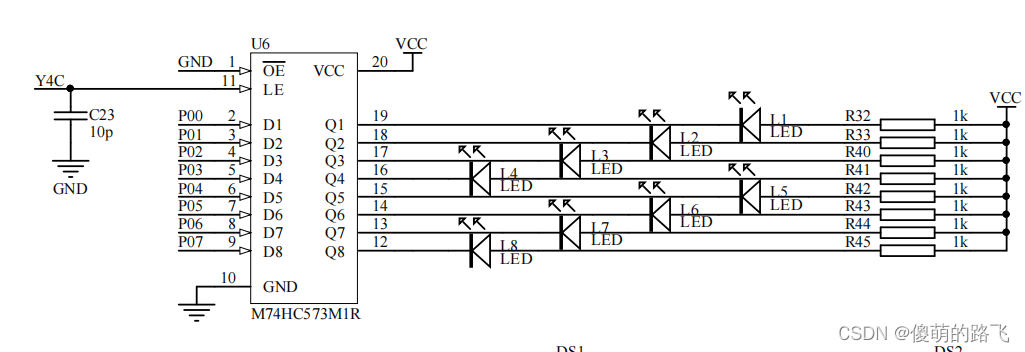
74HC573八路输出锁存器就是能将输出的数据锁存住,使其不会受到输入变化的影响。74HC573锁存器有20个引脚,D1~D8是数据输入端,Q1~Q8是数据输出端,LE是锁存控制端。当锁存控制端LE为高电平时,输入和输出同步,74HC573没有锁存功能;当锁存控制器LE变为低电平时,符合建立时间和保持时间的数据会被锁存。

2.74HC138译码器

74HC138译码器这个芯片所实现的功能就是使用3个输入引脚实现控制8个输出引脚的输出情况。其中,在输出时,这8个引脚中只有其中某一个引脚输出低电平,其余的保持高电平输出。如下为其真值表:

三、硬件电路分析

CT107D单片机综合训练平台对LED的控制与其他单片机开发平台不太一样。在CT107D单片机综合训练平台上,LED并没有直接和单片机的IO口相连接,而是LED经过了一个74HC573八路输出的透明锁存器与单片机发P0口连接,如图所示。

74HC573八路输出锁存器的输出锁存使能LE的控制信号来自Y4。本系统单片机开发采用的是IO扩展模式,即WR端接地。所以Y4C的输出状态(Y4C输出信号就是LE的使能信号)完全取决于Y4的状态。当Y4是低电平,Y4C输出高电平,此时才能控制LED灯。

    

而Y4的信号是74HC138的输出信号,控制74HC138输出信号的使能端是CBA,分别连接在单片机的P2.7、P2.6、P2.5口上。 所以,要想控制LED,就要使得Y4是低电平,其主要就是对P2.7~P2.5口输出状态进行设置。

 四、程序

#include <reg52.h>
#include <intrins.h>

#define uchar unsigned char

sbit HC138_A = P2^5;
sbit HC138_B = P2^6;
sbit HC138_C = P2^7;

void delay_ms(uchar xms)		//@11.0592MHz
{
	uchar i,j;
    while(xms)
    {    
        _nop_();
        _nop_();
        _nop_();
        i = 11;
        j = 190;
        do
        {
            while (--j);
        } while (--i);
        xms--;
    }
}



void led_control()
{
    uchar i;
    HC138_A = 0;
    HC138_B = 0;
    HC138_C = 1;
    
    for(i = 0; i < 3; i++)    //连续亮灭三次
    {
        P0 = 0x00;
        delay_ms(1000);
        P0 = 0xff;
        delay_ms(1000);
    }
    
    for(i = 0;i < 8;i++)    //逐个点亮
    {
        P0 = 0xff << i; 
        delay_ms(1000);
    }
    
    for(i = 0;i < 8;i++)    //逐个熄灭
    {
        P0 = ~(0xff << i); 
        delay_ms(1000);
    }
}
    
void main()
{
    while(1)
    {
        led_control();
    }
}
    


评论 4
添加红包

请填写红包祝福语或标题

红包个数最小为10个

红包金额最低5元

当前余额3.43前往充值 >
需支付:10.00
成就一亿技术人!
领取后你会自动成为博主和红包主的粉丝 规则
hope_wisdom
发出的红包

打赏作者

单片机学习之路

你的鼓励将是我创作的最大动力

¥1 ¥2 ¥4 ¥6 ¥10 ¥20
扫码支付:¥1
获取中
扫码支付

您的余额不足,请更换扫码支付或充值

打赏作者

实付
使用余额支付
点击重新获取
扫码支付
钱包余额 0

抵扣说明:

1.余额是钱包充值的虚拟货币,按照1:1的比例进行支付金额的抵扣。
2.余额无法直接购买下载,可以购买VIP、付费专栏及课程。

余额充值