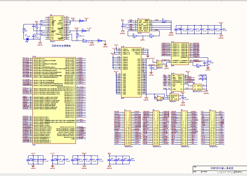
基于TMS320F28335 DSP最小系统核心板开发板ad09设计(原理图+PCB+封装库)工程文件,AD09设计的工程文件,仅供学习及设计参考。








基于TMS320F28335DSP最小系统核心板开发板ad09设计(原理图+PCB+封装库)工程文件.zip资源-CSDN文库
基于TMS320F28335DSP最小系统核心板开发板ad09设计(原理图+PCB+封装库)工程文件.zip资源-CSDN文库
基于TMS320F28335 DSP最小系统核心板开发板ad09设计(原理图+PCB+封装库)工程文件,AD09设计的工程文件,仅供学习及设计参考。








基于TMS320F28335DSP最小系统核心板开发板ad09设计(原理图+PCB+封装库)工程文件.zip资源-CSDN文库
基于TMS320F28335DSP最小系统核心板开发板ad09设计(原理图+PCB+封装库)工程文件.zip资源-CSDN文库

被折叠的 条评论
为什么被折叠?