ECG - ADS1298 使用笔记(1)- 芯片简介

http://www.ti.com.cn/product/cn/ads1298

 

ADS1294/6/8/4R/6R/8R是多通道,同步采样,24位,三角积分(ΔΣ)模数转换器(ADC)系列产品,此产品具有内置的可编程增益放大器(PGA),内部基准,和一个板载振荡器。 ADS1294/6/8/4R/6R/8R包含了所有医疗心电图(ECG)和脑电图(EEG)应用所通常要求的所有特性。

借助于其高水平的集成和出色的性能,ADS1294/6/8/4R/6R/8R系列产品可以用大大减小的尺寸,功率,和总体成本来开发可扩展的医疗仪器。

ADS1294/6/8/4R/6R/8R在每通道上有一个灵活输入复用器,此复用器可独立连接至用于测试,温度,和持续断线检测的内部生成信号。 此外,可选择输入通道的各种配置生成右腿驱动器 (RLD) 输出信号。 ADS1294/6/8/4R/6R/8R运行数据速率最高可达32KSPS,因此可实现软件PACE检测。 可通过上拉/下拉电阻器或激磁电流源极/汲极为该器件内部实施持续断线检测。 3个集成的放大器生成标准12引线ECG所需的威尔逊(Wilson)中心终端(WCT)和高德伯格(Goldberger)中心终端(GCT)。 ADS1294R/6R/8R版本包括一个完全集成的,呼吸阻抗测量功能。

多个ADS1294/6/8/4R/6R/8R器件可使用菊花链配置级联在高通道数量系统中。

特性

  • 8个低噪音PGA和8个高分辨率ADC(ADS1298, ADS1298R)
  • 低功耗:每通道 0.75 mW
  • 输入参考噪声:4μVPP(150Hz BW, G = 6)
  • 输入偏置电流:200pA
  • 数据速率:250SPS至32kSPS
  • CMRR:–115dB
  • 可编程增益:1,2,3,4,6,8或者12
  • 支持AAMI EC11,EC13,IEC60601-1,IEC60601-2-27,和IEC60601-2-51标准
  • 单极或双极电源:
    AVDD = 2.7V至5.25V,DVDD = 1.65V至3.6V
  • 内置右腿驱动放大器,检测,WCT,PACE检测,测试信号
  • 集成的呼吸阻抗测量(只适用于ADS1294R/6R/8R)
  • 数字PACE检测功能
  • 内置振荡器与参考
  • 灵活的断电,待机模式
  •                      串行外设接口(SPI)- 兼容串口
  • 运行温度范围:
    –40°C至+85°C

下图是ti公司提供的解决方案:

TI常见的模数转换器芯片详解(一):ADS1298

ads1298 的数据手册

http://www.ti.com/general/docs/lit/getliterature.tsp?genericPartNumber=ads1298&fileType=pdf

 

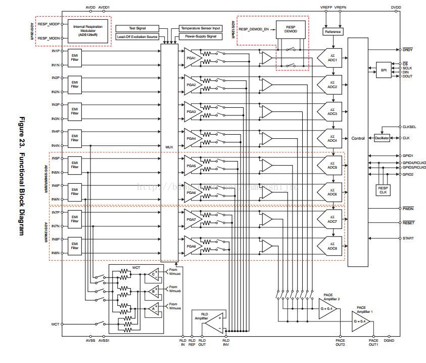
下图是芯片内部结构图:

  ADS1298芯片是TI公司设计的专门用于生物电位测量的低功耗、8通道、24位模拟前端。与普通的模/数转换芯片相比,ADS1298更多的优势在于其便携性、紧凑性、低功耗性。该芯片的集成特性包括8路独立的PGA和24 b ADC,右腿驱动电路以及电极检测等,这些功能极大地方便了脑电信号和心电信号等生理信号采集系统的设计,使其所占用的组件数量与电路板尺寸比分立器件相比要降低95%,功耗也比分立器件降低95%左有,3 V供电时其最大功耗仅为9.5 mW。
    ADS1298主要特性为:
    (1)8个低噪音PGA和8个高分辨率ADC;
    (2)采样频率为250 SPS~32 KSPS;
    (3)可编程增益:1,2,3,4,6,8或者12;
    (4)低功耗:每通道0.75 mW;
    (5)串行外设接口(SPI)-兼容串口;
    (6)内置右腿驱动放大器,检测,WCT,PACE检测,测试信号。
    ADS1298的主要功能是通过控制其内部寄存器来实现的,如信号输入模式、采样速率、放大倍数等。在本系统中,ADS1298通过SPI与外部处理器进行通信,实现数据的同步收发。ADS1298的参考电压可设置为2.4 V或4 V,因为它的分辨率为24 b,所以最低可分辨的电压分别为0.286μF、0.477μF。而脑电信号的幅度一般为0.001~0.1 mV,所以在信号进入ADS1298之前不需要再经过放大处理,其自带的放大模块就能满足要求,这样就大大简化了信号调理电路,极大地缩小了整体信号采集电路的面积和体积。

可以看出芯片内部集成了数选开关,pga,adc 等,采用spi协议,实现了心电图前端的单芯片化,减小了体积,降低了功耗,同时也降低了开发难度。

 

关于心电图的基础知识,请看

http://www.baike.com/wiki/%E5%BF%83%E7%94%B5%E5%9B%BE

 

 

评论 8
添加红包

请填写红包祝福语或标题

红包个数最小为10个

红包金额最低5元

当前余额3.43前往充值 >
需支付:10.00
成就一亿技术人!
领取后你会自动成为博主和红包主的粉丝 规则
hope_wisdom
发出的红包
实付
使用余额支付
点击重新获取
扫码支付
钱包余额 0

抵扣说明:

1.余额是钱包充值的虚拟货币,按照1:1的比例进行支付金额的抵扣。
2.余额无法直接购买下载,可以购买VIP、付费专栏及课程。

余额充值