目录:
一、常用电气图形符号
二、电子电路符号
三、国标新版符号说明
四、电气图基本表示方法
1、电路的多线与单线表示法
2、电气元件集中与分开表示法
3、电气元件的表示方法
4、元件接线端子的表示方法
5、连接线
6、连接线的连续与中断表示法
7、导线的识别标记及标注方法
8、系统图和框图的基本特征与用途
9、系统图和框图绘制的基本原则和方法
10、电路图基本特征和主要用途
一、常用电气图形符号















二、电子电路符号

三、国标新版符号说明











四、电气图基本表示方法
1、电路的多线与单线表示法
1)多线表示法:每根连接线或导线各用一条图线表示的方法。
特点:能详细地表达各相或各线的内容,尤其在各相或各线内容不对称的情况下采用此法。
2)单线表示法:两根或两根以上的连接线或导线,只用一条线的方法。
特点:适用于三相或多线基本对称的情况。
3)混合表示法:一部分用单线,一部分用多线。
特点:兼有单线表示法简洁精炼的特点,又兼有多线表示法对描述对象精确、充分的优点,并且由于两种表示法并存,变化、灵活。
2、电气元件集中与分开表示法
1)集中表示法:将设备或成套装置中一个项目各组成部分的图形符号在简图上绘制在一起的方法。
适用范围和特点:简单的图。各组成部分用机械连接线(虚线)互相连接起来。连接线必须为直线。
2)半集中表示法:为了使设备和装置的电路布局清晰,易于识别,将一个项目中某些部分的图形符号,在简图上分开布置,并用机械连接符号表示他们之间关系的方法。机械连接线可以弯折、分支和交叉。
3)分开表示法:为了使设备和装置的电路布局清晰,易于识别,把一个项目中某些部分的图形符号,在简图上分开布置,并仅用项目代号表示他们之间关系的方法。分开表示法与采用集中表示法或半集中表示法的图给出的信息量要等量。
4)三种方法的比较见图

5)项目代号的标注方法
(1)采用集中和半集中表示法绘制的元件,其项目代号只在符号旁标注一次并与机械连接线对齐。
(2)采用分开表示法绘制的元件,其项目代号应在项目的每一部分的符号旁标注。
(3)项目代号的标注位置应尽量靠近图形符号的上方,尤其是项目代号的第3段(种类代号)就靠近符号的中心。
(4)当电路水平布置时,项目代号标在符号的上方,当电路垂直布置时,项目代号标注在符号的左方。项目代号就水平书写,从上到下或从左到右。
(5)项目代号中的端子代号就标在端子或端子位置的旁边。
(6)对于画有围框的功能单元和结构单元,其项目代号就标注在围框的上方或左方。
(7)大多数情况,项目代号中的高层代号可以标注在标题栏内或图纸的上方简化符号旁项目代号的标注。
3、电气元件的表示方法
包括触点位置、工作状态和技术数据。
1)触点的分类
一类靠电磁力或人工操作的触点(接触器、电继电器、开关、按钮等);另一类为非电和非人工操作的触点(非电继电器、行程开关等的触点)。
2)触点表示
(1)接触器、电继电器、开关、按钮等项目的触点符号,在同一电路中,在加电和受力后,各触点符号的动作方向应取向一致,当触点具有保持、闭锁和延时功能的情况下更因如此。
(2)对非电和非人工操作的触点,必须在其触点符号附近表明运行方式。用图形、操作器件符号及注释、标记和表格表示。
3)工作状态的表示方法
元件、器件和设备的可动部分通常应表示在非激励或不工作的状态或位置。
(1)继电器和接触器在非激励的状态;
(2)断路器、负荷开关和隔离开关在断开位置;
(3)带零位的手动控制开关在零位位置,不带零位的手动控制开关在图中规定的位置;
(4)机械操作开关的工作状态与工作位置的对应关系,一般应表示在其触点符号的附近,或另附说明。
事故、备用、报警等开关应表示在设备正常使用的位置,多重开闭器件的各组成部分必须表示在相互一致的位置上,而不管电路的工作状态。
4)元件技术数据的标注方法
电气元器件的技术数据一般标在图形符号近旁。当连接线水平布置时,尽可能标在图形符号的下方,垂直布置时,则标在项目代号的下方;还可以标在方框符号或简化外形符号内。
5)注释和标志的表示方法
(1)注释的两种方法:直接放在所要说明的对象附近和将注释放在图中的其他位置。
(2)如设备面板上有信息标志时,则应在有关元件的图形符号旁加上同样的标志。
4、元件接线端子的表示方法
1)端子
在电气元件中,用以连接外部导线的导电元件。
端子分类:固定端子和可拆卸端子。
固定端子图形符号:0或·; 可拆卸端子图形符号:Φ
2)标志接线端子的原则和方法
(1)单个元件的两个端点用连续的两个数字表示。单个元件的中间各端子用自然递增数序的数字表示。
(2)相同元件组
在数字前冠以字母,如标志三相交流系统的字母U1、V1、W1等。若不需要区别相别时,可用数字1.1、2.1、3.1标志。
(3)同类的元件组
(4)与特定导线相连的电器接线端子的标志。
3)端子代号的标注方法
(1)电阻器、继电器、模拟和数字硬件的端子代号应标在其图形符号的轮廓外面。零件的功能和注解标注在符号轮廓线内。
(2)对用于现场连接、试验和故障查找的连接器件的每一连接点都应标注端子代号。
(3)在画有围框的功能单元或结构单元中,端子代号必须标注在围框内,以免被误解。
5、连接线
在电气图上,各种图形符号间的相互连线。
1)导线的表示方法

2)图线的粗细:电源主电路、一次电路、主信号通路等采用粗线,与之相关的其余部分用细线。
3)连接线的分组:母线、总线、配电线束、多芯电线电缆等可视为平行连接线。对多条平行连接线,应按功能分组,不能按功能分组的,可任意分组,每组不多于三条,组间距大于线间距离。
连接线标记:标记一般置于连接线上方,也可置于连接线的中断处,必要时,还可在连接线上标出信号特性的信息。
4)导线连接点的表示方法
(1)T形连接点可加实心圆点(·);
(2)对+形连接点可加实心圆点(·);
(3)对交叉而是不连接的两条连接线,在交叉处不能加实心加圆点,并应避免在交叉处改变方向,也应避免穿过其他连接线的连接点。
6、连接线的连续与中断表示法
1)用单线表示的连接线的连续表示法
2)连接线的中断表示方法
(1)穿越图面的连接线较长或穿越稠密区域时,允许将连接线中断,在中断处加相应的标记。
(2)去向相同的线组可用中断线表示,并在中断处的两端分别加注适当的标记。
(3)一条图线需要连接到另外的图上去,则必须用中断线表示
(4)用符号标记表示连接线的中断。
7、导线的识别标记及标注方法
1)导线的识别标记
标在导线或线束两端,必要时标在其全长的可见部位(或标在图线上),以识别导线或线束的标记。
2)主标记
只标记导线或线束的特征,而不考虑其电气功能的标记系统。主标记分从属标记、独立标记和组合标记三种。
3)从属标记
以导线所连接的端子的标记或线束所连接的设备的标记为依据的导线或线束的标记系统。从属标记分从属本端标记、从属远端标记、从属两端标记三种。
(1)从属本端标记:导线或线束终端的标记与其所连接的端子或设备部件的标记系统。
(2)从属远端标记:导线或线束终端的标记与远端所连接的端子或设备的部件相同的标记系统。
(3)从属两端标记:导线或线束每一端都标出与本端连接的端子标记与远端连接的疯子的标记或两端设备部件的标记系统。
4)独立标记
与导线所连接的端子的标记或线束所连接的设备的标记无关的导线或线束的标记系统。两导线分别标记1和2,与两端的端子标记无关,此种标记方式只用于连续线方式表示的电气接线图中。
5)组合标记
从属标记和独立标记一起使用的标记系统。从属本端标记和独立标记一起使用的组合标记,两根导线分别标记为A1-1-BaA3-2-Bd。
6)补充标记
它一般用作主标记的补充,并且以每一导线或线束的电气功能为依据。补充标记通常用字母或特定符号表示,为避免混淆,补充标记和主标记用符号将其分开。
8、系统图和框图的基本特征与用途
1)系统图和框图
用符号或带注释的框,概略表示系统或分系统的基本组成、相互关系及主要特征的一种简图。
2)系统图与框图的共同点
都是用符号或带注释的框来表示。
区别:系统图通常用于表示系统或成套装置,而框图通常用于表示分系统或设备;系统图若标注项目代号,一般为高层代号,框图若标注项目代号,一般为种类代号。
3)电气系统图和框图的作用
(1)作为进一步编制详细技术文件的依据。
(2)供操作和维修时参考。
(3)供有关部门了解设计对象的整体方案、简要工作原理和主要组成的概况。
9、系统图和框图绘制的基本原则和方法
1)图形符号的运用
(1)采用方框符号:方框符号表示元件、设备等的组合及其功能,既不给出元件、设备细节,也不考虑所有连接的一种简单的图形符号。
(2)采用带注释的框:系统图和框图中的框可能为一系统、分系统、成套装置或功能单元,用带注释的框来表示对象。框的的形式有实线框和点划线框,点划线框包含的容量大,见图。
2)层次划分
较高层次的系统图和框图,可反映对象的概况;较低层次的系统图和框图,可将对象表达得较为详细。
3)项目代号的标注方法
(1)在系统图和框图上,各个框就标注项目代号。
(2)较高层次的系统图上标注高层代号;较低层次的框图上,标注种类代号。
(3)由于系统图和框图不具体表示项目的实际连接线和安装位置,所以一般不标注端子代号和位置代号。
(4)项目代号标注在各框的上方或左上方。
4)连接线的表示方法
(1)连接方法:当采用带点划线框绘制时,其连接线接到该框内图形符号上,当采用方框符号或带注释的实线框时,则连接线接到框的轮廓线上。
(2)连接线型式:电线连接线——细实线
电源电路和主信号电路——粗实线
机械连接线——虚线
(3)信号流向:系统图和框图的布局,就清晰并利于识别过程和信息的流向。控制信号流向与过程流向垂直绘制,在连线上用开口箭头表示电信号流向,实心箭头表示非电过程和信息的流向。
(4)连接线上有关内容的标注:在系统图和框图上,根据需要加注各种形式的注释和说明。
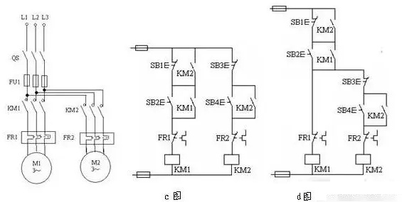
10、电路图基本特征和主要用途
1)电路图
用图形符号并按工作顺序排列,详细表示电路、设备或成套装置的全部基本组成的连接关系,而不考虑其实际位置的简图。
2)图例

此电路图说明压缩机、M1和风机电动机M2供电、控制及互相联锁的电路构成和工作原理。此图有如下特点:
(1)按供电电源和功能划分两部分:主电路按能量流(即电流)流向绘制,表示了电能经熔断器、接触器至电动机的供电关系;辅助电路按动作顺序,即功能关系绘制。
(2)主电路采用垂直布置,辅助电路采用水平布置。
(3)附表给出了各元件及有关的技术参数。
3)此图用途
(1)供详细表达和理解设计对象(电路、设备或装置)的作用原理、分析和计算电路特性之用。
(2)作为编制接线图的依据。
(3)为测试和寻找故障提供信息。
首先要有一个具体目标,那些所有你认为必须前置的知识,都可以在完成目标的过程中学到。觉得不错,动动发财的小手点个赞哦!
电气与电子电路符号详解:GB/T标准与表示方法全解析
本文详细介绍了电气图形符号、电子电路符号,遵循GB/T4728-98/2000版标准,涵盖多线单线表示、集中分开表示法、触点位置标注等,帮助理解电气图的基本表示和系统框图应用。
1万+

被折叠的 条评论
为什么被折叠?



