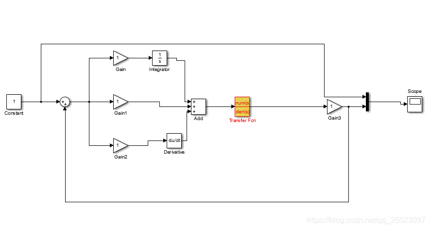
小弟刚入门simulink,在家自己在学控制PId方面的内容,仿真总是遇到这个问题,希望matlab的大佬能点播一下,谢谢啦~
Derivative of state '1' in block 'untitled/Transfer Fcn' at time 0.026281780121792737 is not finite. The simulation will be stopped. There may be a singularity in the solution. If not, try reducing the step size (either by reducing the fixed step size or by tightening the error tole
块'untitled/Transfer Fcn'中的状态'1'在0.026281780121792737时的导数不是有限的。模拟将会停止。解中可能有一个奇异点。如果没有,尝试减少步长(通过减少固定步长或通过收紧误差公差)rances)

Simulink PID控制仿真问题
初学者在使用Simulink进行PID控制仿真时遇到状态导数非有限的问题,求解于MATLAB高手,探讨可能的奇异点或步长设置不当导致的模拟停止。
1518

被折叠的 条评论
为什么被折叠?



