动态数码管
1.1数码管动态显示原理
动态显示的特点是将所有数码管的断选线并联在一起,由位选线控制是哪一位数码管有效。选亮数码管采用动态扫描显示。
所谓动态扫描显示即轮流向各位数码管送出字形码和相应的位选,利用发光管的余晖和人眼视觉暂留作用,使人感觉好像各位数码管同时都在显示。动态显示的亮度比静态显示要差一些,所以在选择限流电阻时应略小于静态显示电路中的。
1.1.1 动态数码管原理图

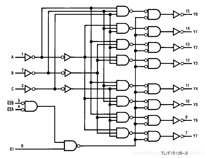
1.1.2 74HC138 译码器
该电路位选控制使用 74HC138 译码器控制,通过译码器可实现3位输入,8位输出。


1.1.3 74HC573 八进制3态非反转透明锁存器
