典型工程应用

本章从工程应用角度介绍时间同步系统,同时按照电力系统主要授时方式进行典型工程应用的分类,根据其特点分为脉冲/编码同步方式、PTP网络同步方式、广域时间同步方式三类。其中,脉冲/编码同步方式主要应用于传统变电站、发电厂、特高压输电工程等;PTP网络同步方式主要应用于智能变电站试点工程;广域时间同步方式主要应用于调度端—站端广域时间同步工程。

5.1 脉冲/编码同步方式工程应用

5.1.1 上海徐行500kV变电站时间同步系统

上海徐行500kV变电站作为上海西部地区重要的供电枢纽工程,于2004年投入正式运行,担负着当时上海西部经济与社会发展的供电保障任务。但随着社会和经济的发展,为满足供电需求,提高供电可靠性,徐行变电站于2013年进行了升级改造工作。

改造前,现场设备为一体式时钟单元,由2台GPS主时钟、9台扩展时钟组成。2013年,为提高同步系统稳定性,避免对变电站的运行安全产生影响,采用了北斗信号形成双卫星时间源备份,改造后的时间同步系统为主备式GPS/北斗时钟系统。

(1)总体方案。

徐行变电站时间同步系统由山东科汇电力自动化股份有限公司提供,该站在国内较早采用站内统一时间同步系统,且实现了主时钟的冗余化配置,为国内电力系统时间同步装置的技术进步和标准化配置提供了丰富的运行经验和数据。工程总体方案如图5-1所示,该时间同步系统由1面主时钟屏和3面扩展时钟屏组成,其中主时钟屏安装于主控楼,屏内由两台T-GPS-BIA型主时钟和1台T-GPS-FSA型扩展时钟组成,两台主时钟各自接收GPS信号和北斗信号;而3面扩展时钟屏分别安装于500kV继电小室、1号220kV继电小室和2号220kV继电小室,每面扩展时钟屏包含两台T-GPS-FSA型扩展时钟。

 (2)技术特点。

在本系统中两台主时钟一主一备,当主用主时钟出现故障时自动退出,备用主时钟自动投入运行;两台主时钟进行运行切换时,时间同步系统所有输出信号保持平滑,避免跳变;同时,时钟各路信号输出在电气上均相互隔离,提高了系统的整体可靠性。

考虑到外部信源消失时时间同步系统需继续正常工作,主时钟和扩展时钟内部设计了时间保持单元,当丢失外部时间基准信号时,保持高精度自守时,当外部时间基准信号恢复时,时钟自动切换到正常状态工作,实现无缝切换。

(3)应用效果。

徐行变电站时间同步系统改造完成后,经过一段时间试运行,对时间同步系统的输出精度进行测试,以验证时间同步系统的可靠性和准确性。从测试结果来看,其授时精度达到了设计要求,相关指标满足变电站运行要求,图5-2图5-5为测试数据。

RIG-B(DC)码信号输出;信号输出精度达到117.3ns,达到设计要求。脉冲信号输出;输出信号精度为318.4ns,达到设计要求。

5.1.2 延安洛川750kV智能变电站时间同步系统

(1)总体方案。

延安洛川750kV智能变电站是世界最高电压等级的智能变电站,它的投产标志着国家电网公司智能变电站试点工程取得突破性进展,对我国智能电网的建设具有标杆引领作用。

变电站内配置1套公用的时间同步授时装置,采用了国电南瑞科技股份有限公司的TSS-3型电力统一授时装置。装置接入北斗导航系统和GPS,实现无缝切换。

钟源双重化配置。站控层采用SNTP网络对时方式,精度优于1ms,主要被授时设备包括监控系统、远动终端、信息一体化平台等。间隔层和过程层采用IRIG-B(DC)码对时方式,精度优于1μs,主要被授时设备包括合并单元、智能终端、测控装置、保护装置、PMU等。

如图5-6所示,主控室内配有一面主时钟单元屏,含有两台TSS-3PB主时钟单元和一台TSS-3E扩展时钟单元。每台TSS-3PB主时钟单元均接入北斗和GPS,使得主时钟单元在输入上形成双源冗余。在信号选择方面,为了防止GPS关闭或发送干扰性信号,洛川750kV智能变电站优先使用北斗导航信号,GPS信号仅作为备用信号,使得洛川变电站在运行层面上具备更高的可靠性。每台主时钟单元均提供一路IRIG-B(DC)码信号发送至各台扩展单元,IRIG-B(DC)码信号基于多模光纤介质,具有传输距离长、抗干扰性高、延迟衰减存在线性关系的特点,方便扩展时钟单元进行延迟补偿及获得稳定的授时信号。主屏屏内的TSS-3E扩展时钟单元提供站控层A、B双网SNTP网络对时服务,两个网络之间完全隔离。750kV小室、330kV小室、66kV小室各有一面扩展时钟单元屏,分别有4台、3台、2台TSS-3E扩展时钟单元。每台扩展时钟单元根据与主时钟单元之间的光纤长度配置各自的延迟补偿参数。由于被授时装置对时间精度和抖动要求存在不同,TSS-3E扩展时钟单元对合并单元及PMU使用多模光纤IRIG-B(DC)码对时,提高其可靠度。其余装置则采用基于RS-485的差分IRIG-B(DC)码对时。

(2)技术特点。

国电南瑞科技股份有限公司的TSS-3型电力统一授时装置相关技术为电力系统时间同步行业标准的制定起到了参考和推动作用。

1)多时钟源信号选择技术。在智能变电站中,主时钟装置能够接入的有效独立外部时钟源往往有多种、多路,所以实时动态地选择最准确和最稳定的时钟源,是装置输出精准时钟信号的基础。当时钟源切换的时候,TSS-3PB主时钟单元切换步长小于100ms,总步长小于500ms,保证了输出的稳定性。

2)从时钟延迟补偿。主从时钟之间的对时采用光纤等有线介质传输,具有一定的传输延时。TSS-3E扩展时钟单元具有高精度、宽范围的延时补偿功能,从时钟延时补偿范围为011ms,补偿精度优于0.1μs;完全满足高精度对时应用设备(线路行波故障测距装置、同步相量测量装置、合并单元等)等优于1μs的精度要求。

3)基于高阶自拟合算法和动态差值算法的高精度授时。TSS-3型电力统一授时装置采用高阶自拟和算法和动态差值算法,具有稳定的授时能力和超强的守时性能,守时精度优于1μs/h,12h不超过12μs。对智能变电站的稳定运行提供了保障。

(3)应用效果。

延安洛川750kV智能变电站的主时钟及扩展时钟主要输出信号为IRIG-B码、串口报文、SNTP等。通过时钟测试仅对时钟装置的上述信号进行测试分析,其中,主备时钟的IRIG-B(DC)码时间准确度均优于1μs,扩展时钟根据现场光纤传输路径长度进行延时补偿后,其实际时间准确度也优于1μs,满足电力行业时间同步系统标准的要求。当进行北斗源与GPS源切换时,切换步长小于100ms,总步长小于500ms。主时钟和扩展时钟在运行12h守时测试后,12h守时精度优于10μs,每小时守时精度在0.8μs/h左右,对智能变电站的稳定运行提供了保障。

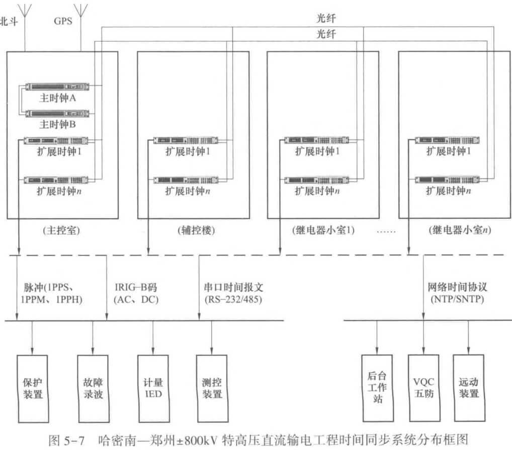
5.1.3 哈密南—郑州±800kV特高压直流输电工程时间同步系统

(1)总体方案。

哈密南—郑州±800kV特高压直流输电工程(简称哈郑工程)是目前在建的世界上电压等级最高,输送容量最大,输送距离最长的直流输电工程,起点在新疆哈密南部能源基地,落点河南郑州,线路全长2210km,建成后每年可向华中地区输送电量约480亿kWh。

工程采用武汉中元华电科技股份有限公司提供的ZH-502时间同步系统,哈密南—郑州各换流站均采用主备式授时方式,主控室、极1辅控楼、极2辅控楼、各继电器小室均配置有时钟屏柜。以哈密南换流站为例,主控室配置ZH-502主时钟,采用主备冗余方案,其他楼室就地配置ZH-502扩展时钟,提供TTL/空接点接口脉冲信号、RS-485接口IRIG-B时间码、RS-232/485接口串口时间报文、NTP/SNTP网络时间报文,后台监控、VOC五防、远动主机采用NTP/SNTP网络对时方式,保护装置、录波装置、计量装置、测控装置等则采用授时精度较高的IRIG-B码或脉冲信号/串口报文结合的对时方式。主时钟内部配置北斗和GPS模块且外接互备IRIG-B码源,各扩展时钟均为外接双冗余IRIG-B码源输入,告警信号采用双重化配置,同时具备多时间源选择及无缝切换功能,在某时间源故障时保证时间同步系统运行的稳定性和可靠性,该站系统分布框图如图5-7所示。

 (2)技术特点。

1)基于多重误差补偿算法的高稳PPS产生电路。
作为外部输入信号,如GPS信号、北斗信号及IRIG-B码信号,自身发出的同步信息(通常为PPS)可能因为故障或者本身的误差等原因,存在一定的波动,使其准确度受到影响;时间同步系统采用多重误差补偿算法,对输入的有效同步源的同步信号进行数据的筛査和量化误差补偿,剔除错误信息,减小和消除同步源本身的粒度误差,提高同步信号的准确度,利用此同步信号产生高稳定度的本地PPS,提高了装置的准确度和可靠性。

2)采用冗余结构,支持多时间源选择及无缝切换。

全站时间同步系统支持GPS与北斗冗余配置以及IRIG-B热备用,且配置有高精度守时时钟。主时钟同时接入GPS+北斗以及两路IRIG-B码外同步信号互为热备用。扩展装置可同时接入两路IRIG-B码外同步信号互为热备用。主时钟和扩展装置都采用了多时钟源的冗余设计,保证了时间同步系统的可靠性和稳定性。

对于GPS、北斗及B码信号等时间基准源输入时信号存在的波动性,在系统进行多重误差补偿算法时,也进行着对各时钟源的时间信号质量的实时监测与分析;系统按照特定的优先级算法进行动态选取和解析,即实现了自适应选择最优化的时钟源。

在本地优先级算法中,为各类时钟源分配了固定的和动态的两种优先级,按照如下规则执行:

①根据不同时钟源的精度特性,设置与其精度特性匹配的固定优先级。

②在对各类时钟源的时间信号质量进行实时监测与分析的过程中,加入与其时间信号质量相关的动态优先级。

③通过设置各类时钟源的优先级,监控其时间质量,在多种时钟源均有有效时动态分析计算出最佳时钟源;在某一时刻源失效时,自适应切换至最佳时钟源上。

时间同步系统优先选择北斗或GPS为时间参考源,其他时间源动态切换作为备用。如北斗时间源无效时,根据有效性策略及优先级策略选择当前的参考时间源,且时间源的优先级可手动配置。同时,系统实时对比所有接入时间源,过滤存在时间偏差过大或时间输出跳变较大等问题的无效时间源,取消无效时间源的锁定状态。当发生时间源切换时,如果切换的两个时间源之间存在一定的时间偏差,则系统按一定步长,逐步对偏差进行校正,实现时间源的无缝切换,保证切换过程中的稳定性。

3)采用告警双重化配置。

根据高压直流站工程建设注意事项的要求,全站时间同步系统应采取告警双重化配置,即时间同步系统的电源丢失告警、卫星源丢失告警、IRIG-B码源通道1丢失告警、IRIG-B码源通道2丢失告警、备用告警均以双路硬节点方式输出至监控设备,供后台监控进行冗余判断并实时处理。

4)多端口超前延时补偿技术。

当时间同步系统根据外部基准源同步本地PPS时,必然产生内部延时,超前延时补偿技术能使装置内部的PPS超前外部时钟源的秒沿,在PPS经过装置处理后达到与外部时钟源同步。

系统对每个输出通道都能单独配置延时补偿。通常一台时间同步系统装置可同时通过不同的端口进行对时,如RS-485、光纤接口、电口、以太网接口等,每个不同的端口都有不同的延时。因此,对于每种端口进行不同的超前延时补偿可以使不同端口输出的信号都能与外部时钟源同步。

系统所采用的多端口超前延时补偿技术,根据装置内部标准的PPS和各种不同通道输出的信号配置进行不同的超前延时补偿,从而使装置全面与外部时钟源同步,增强了装置的实时性和稳定性。

(3)应用效果。

哈郑工程配置的主时钟及扩展时钟主要输出信号为脉冲信号、IRIG-B码、串口报文、SNTP同步报文,通过时钟测试仪的TTL、RS-485测试接口接入时钟装置的PPS、IRIG-B码信号,并进行统计分析,同时解析串口报文信号码元信息,比较SNTP同步报文的准确性,验证各时钟装置时间信号的同步功能及性能。

其中,主备时钟的PPS、IRIG-B(DC)码时间准确度约为50ms,标准差19ns,扩展时钟初始时间准确度约为1.9μs,根据现场光纤传输路径长度进行延时补偿后,其实际时间准确度为-140ms,标准差20ns,满足电力行业时间同步系统标准中PPS、IRIG-B(DC)码时间准确度<1μs、抖动时间<200ns的要求。同时,对串口报文信号解析可知其时间信息与卫星时间一致,且SNTP报文与后台监控正常互联,各装置信号符合标准及联调验收要求。

5.1.4 晋东南—南阳—荆门1000kV特高压交流试验示范工程时间同步系统

晋东南—南阳—荆门1000kV特高压交流试验示范工程起于山西晋东南(长治)变电站,经河南南阳开关站(2011年改为变电站),止于湖北荆门变电站。全线单回路架设,全长654km,跨越黄河和汉江。变电容量600万kVA。系统标称电压1000kV,最高运行电压1100kV,静态投资约57亿元。工程于2006年底开工建设,2008年12月全面竣工,2009年1月6日投入商业运行,为我国第一条交流1000kV输电线路。

时间同步系统为现场保护、测控、录波、后台等设备对时,对时方式有IRIG-B码、空接点和RS-232串口等。系统投运后,经现场测试,其中IRIG-B码对时精度优于1μs,空接点对时精度优于3μs。

(1)总体方案。

本工程时间同步系统皆由山东科汇电力自动化股份有限公司提供,各站内时间同步系统独立运行,完成各变电站内系统/设备对时。其中晋东南变电站时间同步系统如图5-8所示,一期工程包括1面主时钟屏和4面扩展时钟屏,其中主时钟屏安装于主控楼,由2台T-GPS-BIA型主时钟(2台主机可同时接收GPS和北斗信号)和1台T-GPS-FSA型扩展时钟组成;4面扩展时钟屏分别安装于1000kV继电小室、1号500kV继电小室、2号500kV继电小室、主变室,每面扩展屏包括2台T-GPS-FSA型扩展时钟。2011年,对站内时间同步系统进行了升级改造,主时钟屏上加装了1台T-GPS-FSA型扩展时钟以及3面扩展时钟屏,其中2面扩展时钟屏内分别包括3台T-GPS-FSA型扩展时钟,另外一面扩展时钟屏内包括2台T-GPS-FSA型扩展时钟。主时钟为双模主机(能同时接收GPS和北斗卫星信号),该配置可保证主时钟能正常和GPS卫星同步,又能满足国内对北斗卫星对时的需求。

主控室主时钟屏和各个小室扩展时钟屏之间通过光缆连接,光信号传输受到的干扰比较小,保证了主分屏连接的稳定性;而扩展屏到被授时设备之间通过电缆连接,授时信号类型根据被授时设备要求确定。

(2)技术特点。

在本系统中,两台主时钟互为热备用,且自动跟踪监测两路卫星信号,并在主信号出现间断时自动切换到备用信号,同时输出信号保持平滑,避免跳变;当一台主时钟由于故障而退出时,另一台能独立运行,即整个时间同步系统运行在单主时钟+扩展时钟模式下。

由于各扩展时钟屏位于不同的小室内,对于其中距离主时钟屏较远的扩展时钟,采用时间补偿,以保证对时精度及时间信号的一致性;在硬件上,主时钟、扩展时钟均采用模块化和插卡式设计,输出信号类型和数量可灵活搭配并方便扩展;同时,时钟各路输出信号在电气上均相互隔离,提高了系统的整体可靠性。

考虑到外部信源消失时时间同步系统能够正常工作,主时钟和扩展时钟内部设计了时间保持单元,当接收不到外部时间基准信号时,保持高精度自守时;当外部时间基准信号从消失到恢复时,时钟自动切换到正常状态工作,实现无缝切换。

(3)应用效果。

晋东南变电站时间同步系统投运以来,经过长期运行和现场的时间输出精度测试,验证了时间同步系统具有高可靠性,授时精度达到了设计要求,图5-9图5-12为测试结果。

IRIG-B(DC)码信号输出;时间信号输出精度达226.8ns,满足设计要求。脉冲信号输出;时间信号输出精度达191.4ns,满足设计要求。

 

评论
添加红包

请填写红包祝福语或标题

红包个数最小为10个

红包金额最低5元

当前余额3.43前往充值 >
需支付:10.00
成就一亿技术人!
领取后你会自动成为博主和红包主的粉丝 规则
hope_wisdom
发出的红包
实付
使用余额支付
点击重新获取
扫码支付
钱包余额 0

抵扣说明:

1.余额是钱包充值的虚拟货币,按照1:1的比例进行支付金额的抵扣。
2.余额无法直接购买下载,可以购买VIP、付费专栏及课程。

余额充值