功能介绍
使用菜单栏「View」-「Background...」命令,可以在同一窗口中显示两个相同视图类型的单元
先来看一下最终的效果图:

(?效果图)
图中,带有「template」字样较暗淡的区域,就是通过此命令添加的单元。为便于理解,我们可将其称为背景单元。带有「current」字样的区域,是其视图本身的图形,可称之为前景单元
下面就来介绍此功能
选择命令后,将弹出 Background CellView 对话框:

(对话框-Background CellView)
在弹出的对话框中,设置以下信息:
1)点击「Browse」按钮,通过库导航器选择作为背景的单元
2)输入(x,y)坐标,指定放置背景单元的坐标位置
3)指定背景单元的旋转角度:旋转90°、270°等等
4)选择是否显示背景单元,或者调低亮度显示
上述设置完成后,点击「Apply」或「OK」
若要取消显示背景单元,点击下方的「Unset」按钮即可
操作演示


限制情况说明
1)
每个单元具有多种视图类型(View),例如:
Layout(版图)
Schmatic(原理图)
Symbol(符号)
以上这些都是常用的视图类型
当你使用此命令时,只能添加具有相同视图类型的单元。例如,你不能将 “Schmatic” 类型的视图添加到当前为 “Layout” 的视图窗口中
此外,当前正在编辑的单元视图也无法用作背景单元
2)
无法选中,编辑,查询或移动背景单元中的对象。同时,在使用「View-Zoom to fit」命令时,也是不包括背景单元的

3)
只能为每个窗口添加一个背景单元
4)
编辑当前视图时,背景单元可见。在被调用时,背景单元它是不可见的
5)
当前窗口关闭再打开,背景单元的设定随之消失

运用场景
在了解了背景单元的添加步骤之后,来谈谈它的使用场景
比如,我们可以用它来建立指导设计的模板。你可以新建一个「template」库,以放置作为背景单元引用的参考示例
可能有人要问:
“为什么不直接调用参考单元呢?”
“直接打开一个参考单元就好啦!”
假如你从 “不影响当前单元自身的设计” 的角度来考虑,那么在后续的操作中使用这种方式是可以避免很多问题的。同时,不使用另开窗口的方式,只是想减少一些屏幕占用的空间
02 创建单元副本窗口功能介绍
通过菜单栏「Window」-「Copy Window」命令,可以创建一个单元视图的副本。当你使用编辑放大之类的操作时,可以用它来查看整个布局,这通常称为参考窗口
简单地说,这个命令等同于打开同一个单元视图两次
效果图如下:

如图中所示,左边是原始窗口可以用来进行主要编辑,右边是生成的参考窗口。参考窗口可缩至适当大小
在其中一个窗口中执行缩放操作时,另一个窗口视图显示是保持不变的:

除了查看布局外,你还可以在原始窗口中启动命令,如“编辑”、“创建”等命令,但是在参考窗口中完成命令
操作演示
下面就来操作一个例子:
?【步骤1】
启动「Copy Window」命令后,先在原始窗口中选择“Create”-“Path”命令
?【步骤2】
左击创建起始点
?【步骤3】
将指针移动到参考窗口中,并双击以完成命令

以上,你在原始视图中执行的编辑命令,参考视图会进行响应操作。它们的编辑是等效的
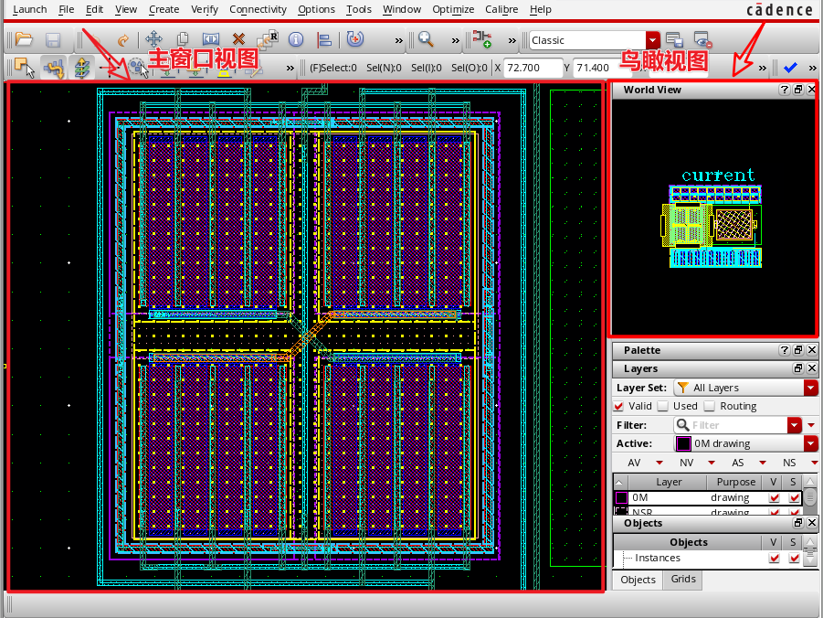
03 使用鸟瞰视图窗口功能介绍
鸟瞰视图是指软件中的 “World View” 功能,它可以用来显示当前视图相对于单元整体的位置关系
点击菜单栏的「 Window」-「Assistants」-「World View」,打开此窗口

World View 将以面板的形式呈现,你可以将它移动到合适的窗口位置:

World View 窗口中显示了整个单元的视图内容,并用一个视图框标记主视图窗口中显示的图形区域。图中,黄色的矩形即为视图框
视图框会随着主视图所显示的内容产生动态改变:

<>反之,通过改变 World View 中视图框的位置和大小,也可实现动态更改主视图中显示的区域
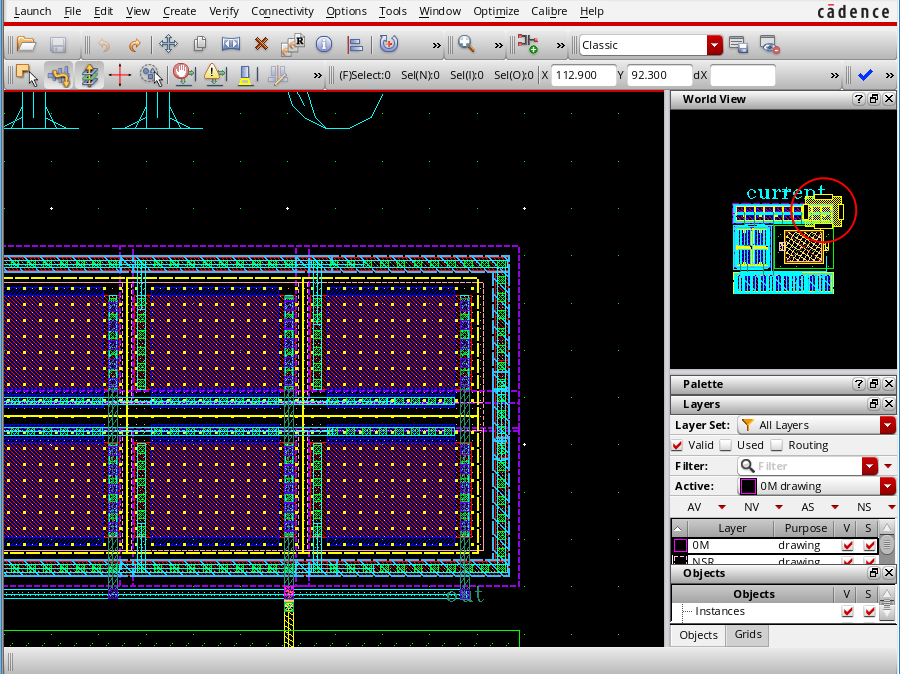
操作演示
接下来,介绍视图框的操作
1)移动视图框
鼠标指针移动到视图框上,按住左键并拖动视图框。也可以使用鼠标左键直接单击设计区域

通过移动视图框的方式,便于我们快速定位到特定的设计区域
2)调整视图框大小
鼠标指针移动到视图框的边缘处,触发“⇔”图示后,按住左键向内向外拖动。或者,使用鼠标中键进行框选区域

通过更改视图框的大小,实现的是缩放特定区域

在 World View 窗口内单击鼠标右键,会出现一个快捷菜单:

该菜单包含以下选项:
1)Redraw —— 刷新视图
2)Zoom In/Out —— 更改视图的缩放比例
3)Fit All—— 在视图范围内居中显示所有对象
4)Pattern —— 修改视图框的样式
其中,视图框样式提供修改填充模式:实心(Solid)、空心(Hollow)和一定的比例。
04 写在最后以上,这一节介绍了如何使用“背景单元”,“副本窗口”,“鸟瞰视图”。
它们各有其特点,背景单元适合引用不同的单元视图进行参照,而副本窗口和鸟瞰视图则应用于同一单元的查看。不同的是,副本窗口还支持同步编辑操作。
- End -
Virtuoso Layout 系列文章
01 :软件安装
02 :入门知识
03 :基础命令
04 :快捷键 ¹
05 :快捷键 ²
06 :视图操作 ¹
07 :视图操作 ²
08 :视图操作 ³
本文介绍了Virtuoso Layout中添加背景单元、创建视图副本及使用鸟瞰视图的功能。背景单元允许在同一窗口显示相同视图类型的单元,方便设计参考;复制窗口创建参考视图,支持同步编辑;鸟瞰视图提供全局视角,辅助快速定位设计区域。
6692

被折叠的 条评论
为什么被折叠?



