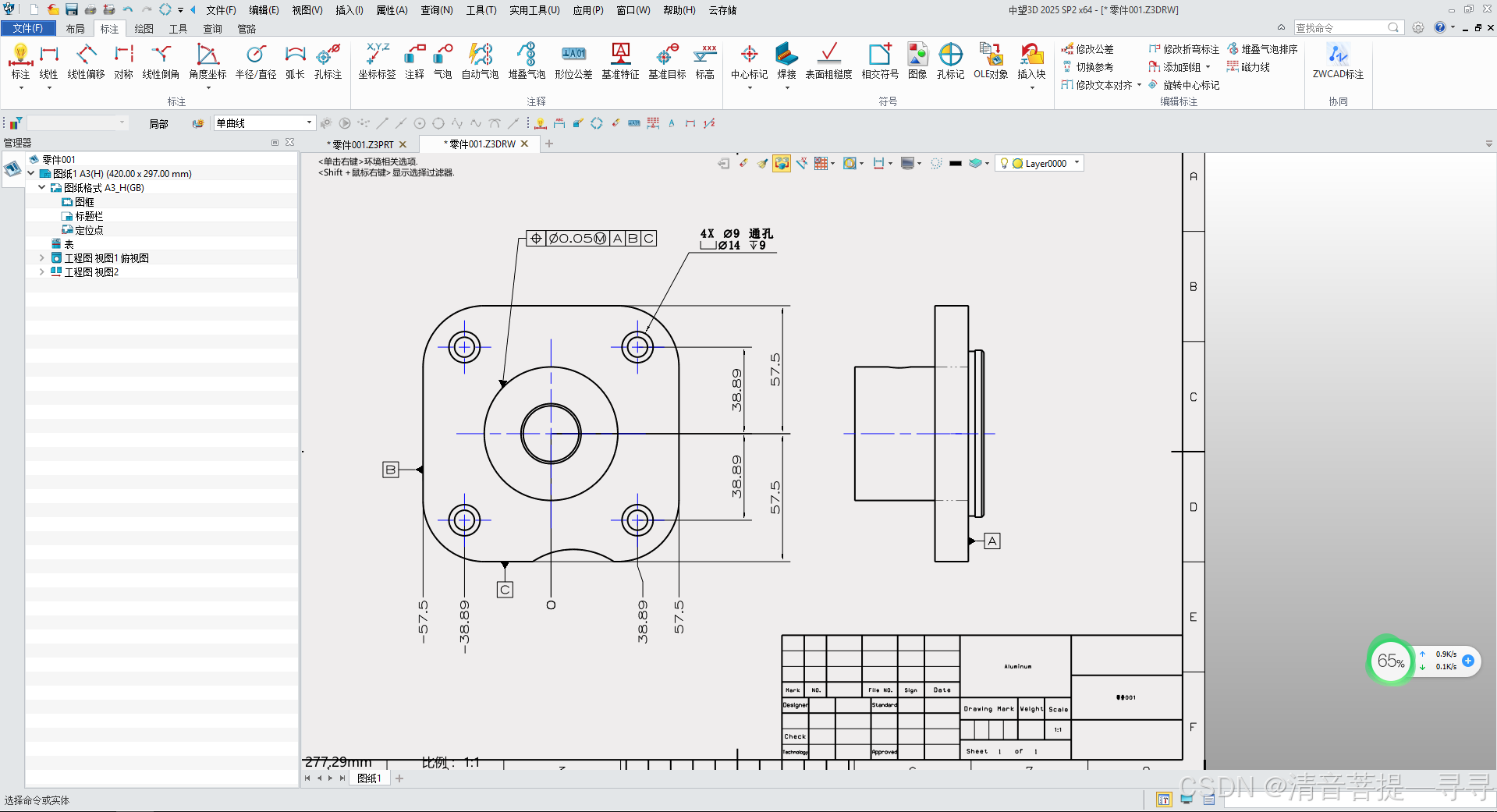
中望3D2025SP2工程图:形位公差标注

形位公差标注快速添加箭头

默认样式是没有箭头的,如何快速添加箭头。。。
在这里插入图片描述
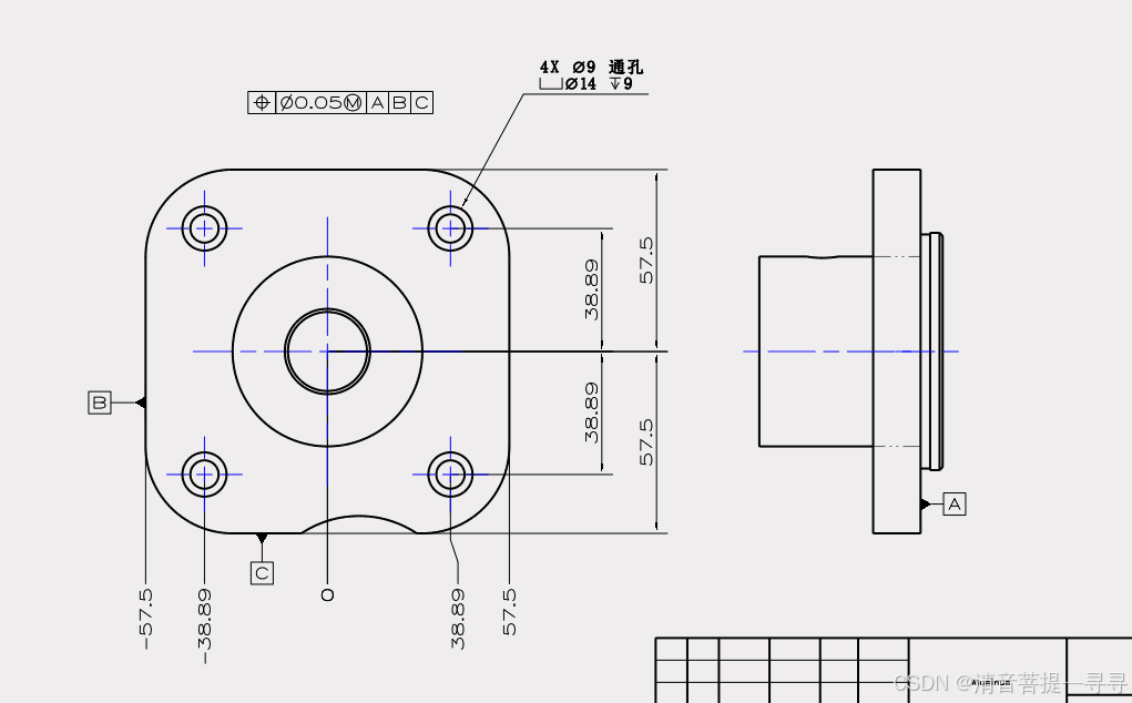
1.长按键盘【SHIFT】键,然后鼠标左键点击并拖动形位公差,即可拖出箭头,然后点击需要放置的位置即可完成。

在这里插入图片描述
在这里插入图片描述
2.如果需要添加多箭头分支,在箭头区域按住键盘【CTRL】键,通过鼠标左键点击拖拽到指定位置即可。

在这里插入图片描述
在这里插入图片描述

【路径规划】(螺旋)基于A星全覆盖路径规划研究(Matlab代码实现)内容概要:本文围绕“基于A星算法的全覆盖路径规划”展开研究,重点介绍了一种结合螺旋搜索策略的A星算法在栅格地图中的路径规划实现方法,并提供了完整的Matlab代码实现。该方法旨在解决移动机器人或无人机在未知或部分已知环境中实现高效、无遗漏的区域全覆盖路径规划问题。文中详细阐述了A星算法的基本原理、启发式函数设计、开放集与关闭集管理机制,并融合螺旋遍历策略以提升初始探索效率,确保覆盖完整性。同时,文档提及该研究属于一系列路径规划技术的一部分,涵盖多种智能优化算法与其他路径规划方法的融合应用。; 适合人群:具备一定Matlab编程基础,从事机器人、自动化、智能控制及相关领域研究的研究生、科研人员及工程技术人员。; 使用场景及目标:①应用于服务机器人、农业无人机、扫地机器人等需要完成区域全覆盖任务的设备路径设计;②用于学习和理解A星算法在实际路径规划中的扩展应用,特别是如何结合特定搜索策略(如螺旋)提升算法性能;③作为科研复现与算法对比实验的基础代码参考。; 阅读建议:建议结合Matlab代码逐段理解算法实现细节,重点关注A星算法与螺旋策略的切换逻辑与条件判断,并可通过修改地图环境、障碍物分布等方式进行仿真实验,进一步掌握算法适应性与优化方向。
评论
添加红包

请填写红包祝福语或标题

红包个数最小为10个

红包金额最低5元

当前余额3.43前往充值 >
需支付:10.00
成就一亿技术人!
领取后你会自动成为博主和红包主的粉丝 规则
hope_wisdom
发出的红包

打赏作者

心诚的文字

你的鼓励将是我创作的最大动力

¥1 ¥2 ¥4 ¥6 ¥10 ¥20
扫码支付:¥1
获取中
扫码支付

您的余额不足,请更换扫码支付或充值

打赏作者

实付
使用余额支付
点击重新获取
扫码支付
钱包余额 0

抵扣说明:

1.余额是钱包充值的虚拟货币,按照1:1的比例进行支付金额的抵扣。
2.余额无法直接购买下载,可以购买VIP、付费专栏及课程。

余额充值