“电气仔推送”获得资料(专享优惠)
模型简介
此模型是经典的永磁同步风机并网模型,采用背靠背式变流器,中间直流母线1800V;采用随机风速模型模拟风速,更有利于波形分析。模型各部分完整,适合课程设计参考,赠送建模说明文件(与模型保持一致)。
注:随机风速模型如果加载不出来,可能是因为MATLAB版本过高的问题导致。(此文采用2023a版本进行测试)
系统建模
永磁直驱风电机组带储能系统的基本结构如图所示。系统主电路采用背靠背式全功率变流器,发电机首先将风能转换为频率和幅值变化的交流电,经过机侧变流器整流之后变为直流, 然后通过控制网侧变流器输出电流的频率和相位来跟踪并网电压的频率与相位,从而将交流电传递到并网。其中,iga、igb、igc 分别为三相并网输入电流,Uga、Ugb、Ugc分别为三相并网电压。

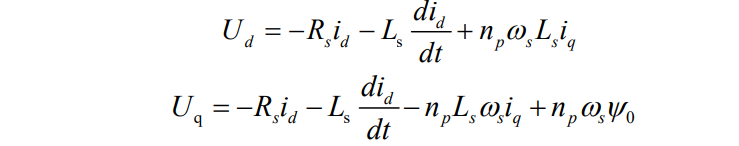
永磁同步发电机具有功率密度大、体积小、转矩/惯量比大、动态响应快等一系列优点。它属于强耦合的非线性系统,其数学模型是设计电机、分析电机性能及控制电机的基础,同时也为改善控制系统的性能提供了理论依据,在转子磁场定向方式下,永磁同步电机在dq同步旋转轴下的数学模型可表示为:

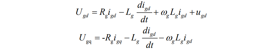
选取两相同步旋转 dq 坐标系中的 d 轴作为电网侧电压空间矢量方向,q 轴超前d轴90度,网侧变换器的数学模型为:

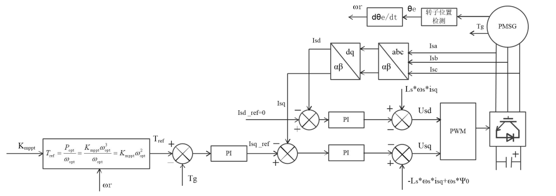
机侧变流器控制策略如图所示:

永磁同步发电机电磁转矩的表达式为:

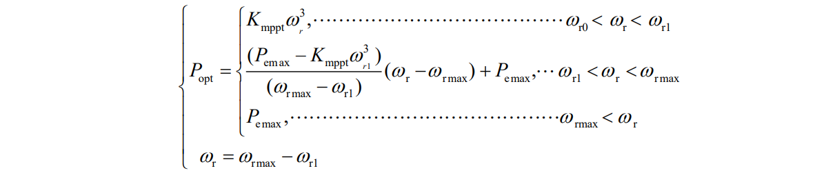
从上式可看出,发电机的电磁转矩与定子 q 轴电流成正比,因此通过调节iq 即可调节永磁同步发电机的电磁转矩,进而调节发电机和风力机的转速,使之跟随风速变化。最佳转矩法只需测量出发电机转速,控制发电机从轴上吸收的转矩与转速符合最佳转矩曲线的关系,但由于旋转部件惯性能量的存在,始终存在一定的转速差△ωr,因此需要根据计算发电机电磁功率最优值 Popt 从而推算最佳转矩,从而产生发电机最佳转矩,通过对发电机转矩的有效控制实现最大风能捕获。Popt 公式与转速差△ωr 分别表示如下:

网侧变流器控制常采用双闭环控制,可实现发电机单位功率因数运行以及直流母线电压稳定。 电压外环为电压环,可以实时动态跟踪网侧功率变化,间接决定了直流母线电压稳定。内外环为电流环,可以实现对交流侧无功功率的调节功能,且能够实现网侧逆变器按照单位功率因数工作的目标。
电网侧变流器输出的有功功率和无功功率表达式如下:

当电网电压综合矢量定向在 d 轴上时,使得电网电压在q 轴上投影为0,即ugq=0,则变流器输出功率变化如下:

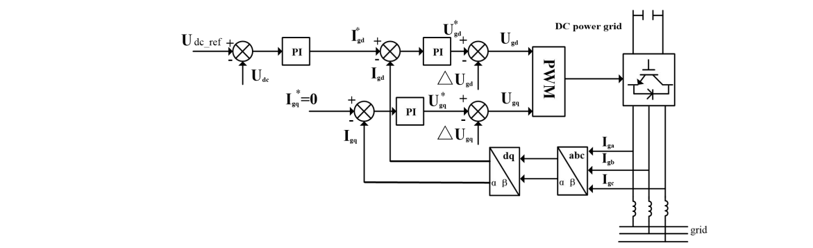
由上式可知,通过调节 d、q 轴上的电流分量 igd 与igq,便可以控制变流器的有功和无功功率变化,从而实现了有功和无功的解耦。并网侧变流器控制框图如图所示。

通过外环 Udc_ref 与 Pdc_ref 分别与 Udc、Pdc 产生偏差经 PI 控制得到d、q 控制电流Igd*、Igq*, 再经电流内环 PI 控制得到得到相应的控制电压Ugd*、Ugq*,并加上交叉耦合电压补偿项 ΔUgd 和 ΔUgq , 便可得到最终的 d、q 轴控制电压分量Ugd 和Ugq,然后通过PWM 控制技术可得到电网侧变流器所需的驱动信号,实现功率的传输。
模型主体

仿真波形

上图为永磁同步风机的相关输出波形,在风速为8m/s时,风机的输出功率大约为80kW,风能利用系数一致保持在0.48。

上图为直流母线电压的输出波形,随着风机风速变化,直流母线电压也会随之波动,因为背靠背式变流器的调节作用,电压仍能维持在1800V。

上图为并网逆变器的相关输出波形,可见,逆变器的有功输出与风机的功率输出保持一致,电流波形随风速波动而变化。
参考文献
风电背靠背PWM变流器直流能量平衡新方法_王冕
35

被折叠的 条评论
为什么被折叠?



