图解多种磁芯优缺点

关注+星标公众,不错过精彩内容

e810fdd6012fdf39683de097be7ff048.png

来源 | 电源研发精英圈

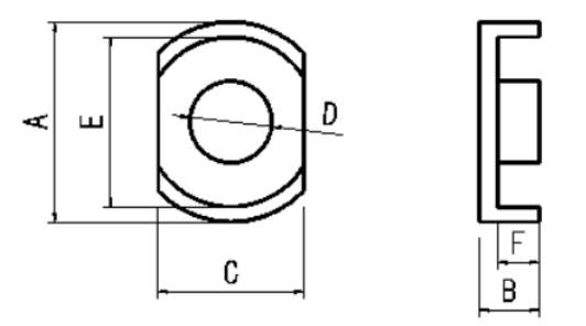
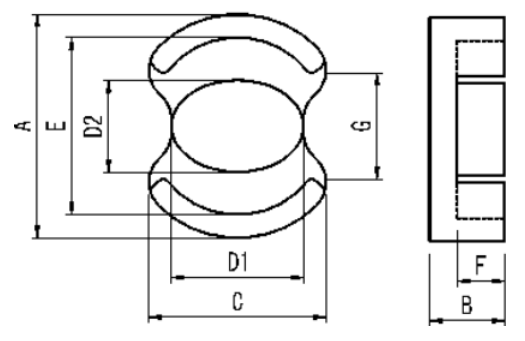
功率型EE、EEL、EF型功率磁芯

2e1869d1c521f2fc69a054f000475e21.png

特点:引线空间大,绕制接线方便。适用范围广、工作频率高、工作电压范围宽、输出功率大、热稳定性能好。

用途:广泛应用于程控交换机电源、液晶显示屏电源、大功率UPS逆变器电源、计算机电源、节能灯等领域。

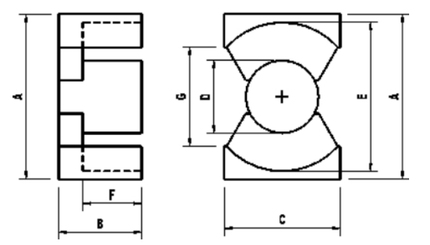
EI型功率磁芯

38631c34fa12ced2ff4117f5d426fc41.png

特点:结构紧凑、体积小、工作频率高、工作电压范围广、气隙在线圈顶端耦合紧、损耗低。损耗与温度成负相关,可防止温度的持续上升。

用途:电源转换变压器及扼流圈、DVD电源、照相机闪光灯、通讯设备及其它电子设备。

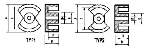
PEE、PEI功率磁芯

d39c845012bb0ee4072e23bc9fc10592.png

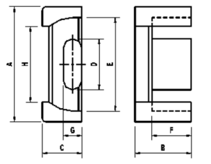
ER功率磁芯

a54f39bb6f48ca240b67aa8b23b8e9b5.png

特点:耦合位置好,中柱为圆形,便于绕线且绕线面积增大,可设计功率大而漏感小的变压器。

用途:开关电源变压器,脉冲变压器,电子镇流器等。

ETD型功率磁芯

3c1a695aca1eee3fb9ffb8f0a446a5e8.png

特点:中柱为圆形,绕制接线方便且绕线面积增大,可设计出功率大且漏感小的变压器。其他如组装成本,安规成本,电磁屏蔽,标准化难易等各方面都很出色。

用途:开关电源,传输变压器,电子镇流器。广泛应用于家电、通讯、照明、医疗设备、办公自动化、军品、OA设备、电子仪器、航空航天等领域。

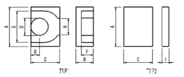
EQ/EQI型功率磁芯

28c88feed9e66a439e57b83dadc26ff9.png

EP型功率磁芯

7fcf5e2a9a5c09cdf638ab90a6b07380.png

特点:具有磁屏蔽效果好、分布电容小、传输衰耗低、电感量高、漏感小、磁场分布均匀等优点,且骨架配有多路接头,易设计多路输出变压器。

用途:宽带变压器、电感器、隔离变压器、匹配变压器,广泛应用于程控交换机终端和精密电子设备等领域。

EFD型功率磁芯

ec7e0dbe811ab9088d4a09bd2849462e.png

特点:具有热阻小、衰耗小、功率大、工作频率宽凳使用优点。成品重量轻、结构合理、易表面贴装。

用途:广泛应用于体积小而功率大的变压器,如精密仪器、模块电源、计算机终端输出等。

EPC功率磁芯

2b814a9ac38f553bd3c66f919b89d420.png

特点:具有热阻小、衰耗小、功率大、工作频率宽、重量轻、结构合理、易表面贴装、屏蔽效果好等优点,但散热性能稍差。

用途:广泛应用于体积小而功率大且有屏蔽和电磁兼容要求的变压器,如精密仪器、程控交换机模块电源、导航设备等。

POT功率磁芯

07eef3a4d37d7ce7de957a424c9046a1.png

特点:体积小、感抗高、绕线方便、磁屏蔽及散热效果均衡。

用途:载波滤波器、高灵敏度感应器、高效率传感器、电源转换变压器等。

PQ功率磁芯

621fc6c0d920f4c1cefe829c01f15d5f.png

特点:损耗小,温升低,抗干扰性能好,形状合理,功率范围大(50W-1000W),能有效减少安装体积,备有多个引脚,绕制接线方便。组装成本低,易满足安规要求,但标准化较难。

用途:主功率变压器、驱动变压器、平滑扼流圈、辅助功率变压器。主要应用于网络、通讯、电源、电器设备、医疗等领域。

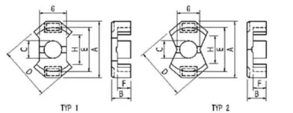
RM型功率磁芯

24c25341e2ebf01aa63d43d675fbd9d7.png特点:磁屏蔽效果好,抗干扰能力强,漏磁小,分布电容低,骨架备有多路引脚,可设计多路输出变 压器,可高密度安装。但散热较差,安规成本较高。

用途:辅助功率变压器、驱动变压器、宽带变压器、载波滤波器、高稳定性滤波器。主要应用于载波通讯、网络、数字、电视、电子仪器等领域。

PM功率磁芯

930f16abd2cb25976aff9151c8e68ab4.png

特点:漏磁小,损耗低,功率大,分布电容小。

用途:主变压器,推动变压器。主要应用于超声波清洗,激光设备等领域。

LM型功率磁芯

379900902d5504a229eb7bac7397c0b3.png

LP、LPI功率磁芯

79243d839a5b375e0e2775f90ad01812.png

SEP、EPI型功率磁芯

dbc96fd288892b7c7ba6b38a3bd3fa91.png

U型功率磁芯

eb1ea39e69fb11782373fc4c19c97f0f.png

高导型U型高导磁芯

eb0433b6c0aa7a437a07dc6675ba0f16.png特点:具有阻抗偏差小,输出电流大,感量高,可抑制高次谐波等特点。

用途:滤波共模变压器。广泛应用于彩电,计算机,显示器等电子设备。

ET、FT型高导磁芯

dbe29fb87ae08531680576339325257b.png

特点:杂散电容小、纹波系数低、漏磁少、电感高。

用途:彩电、显示器、计算机、可视电话、对讲等。

EE、EEL、EF型高导磁芯

9f18953da863506945e20603bb9a2dd2.png

特点:引线空间大,绕制接线方便。适用范围广、工作频率高、工作电压范围宽、热稳定性能好。

用途:广泛应用于电源滤波器、EMI滤波器、小型脉冲变压器等领域。

EI型高导磁芯

e7b86793d025cf8c5cd7e4fa11b3deac.png

特点:结构合理,制作工艺简单,窗口较大,散热条件好,漏磁小。

用途:音频变压器,电源滤波器、EMI滤波器、小型脉冲变压器等领域。

EP型高导磁芯

ab1ddde1473b2cba9af8f6f38d0614ce.png

特点:具有磁屏蔽效果好、分布电容小、传输衰耗低、电感量高、漏感小、磁场分布均匀等优点,且骨架配有多路接头,易设计多路输出变压器。

用途:宽带变压器、电感器、隔离变压器、匹配变压器,广泛应用于程控交换机终端和精密电子设备等领域。

RM型高导磁芯

79de74b60bce23cd5809648617946aca.png

特点:磁屏蔽效果好,抗干扰能力强,感量系数高,漏磁小,骨架备有多路引脚,可设计多路输出变压器,可高密度安装。但散热较差,安规成本较高。

用途:主要应用于载波通讯、网络、数字、计算机等领域。

T型高导磁芯

3f0a36bf8d747755bfa74aa4a6457e9e.png

特点:输出电流大,损耗小,耐电压,电感高,价格低。但绕线成本高,很难大批量生产。

用途:扼流线圈,EMI/RFI滤波,音频变压器,广泛应用于各类节能灯,音响,控制电路及其它电子设备。

声明:本文部分素材来源网络,版权归原作者所有。如涉及作品版权问题,请与我联系删除。

------------ END ------------

后台回复『电子基础』『电源』阅读更多相关文章。

欢迎关注我的公众号回复“加群”按规则加入技术交流群,回复“1024”查看更多内容。

欢迎关注我的视频号:

eafc33d4e9ccbf797d12af65dec11fdb.png

点击“阅读原文”查看更多分享,欢迎点分享、收藏、点赞、在看。

评论
添加红包

请填写红包祝福语或标题

红包个数最小为10个

红包金额最低5元

当前余额3.43前往充值 >
需支付:10.00
成就一亿技术人!
领取后你会自动成为博主和红包主的粉丝 规则
hope_wisdom
发出的红包
实付
使用余额支付
点击重新获取
扫码支付
钱包余额 0

抵扣说明:

1.余额是钱包充值的虚拟货币,按照1:1的比例进行支付金额的抵扣。
2.余额无法直接购买下载,可以购买VIP、付费专栏及课程。

余额充值