目录:
一、PLC的简介与起源
1、PLC简介
2、PLC起源
二、PLC的基本结构
1、基本单元组成
2、扩展模块
三、PLC的外部接线
1、PNP与NPN接线
2、PLC的NPN与PNP设置
四、编程语言
1、图形化编程
2、文本化编程
一、PLC的简介与起源
1、PLC简介
PLC 的全称为可编程逻辑控制器(Programmable Logic Controller),实质上是经过一次开发的工业控制用计算机,它不仅具有计算机的内核,还配置了许多使其适用于工业控制的器件。但是它只是一种通用机,不经过二次开发,不能在任何具体的工业设备上使用。
不过 PLC 二次开发十分容易且具有体积小、工作可靠性高、抗干扰能力强、控制功能完善、适应性强、安装接线简单等众多优点。
一般电气工程师需要掌握:PLC编程、触摸屏编程(三菱PLC-信捷人机通信)、定位控制(三菱PLC定位控制理论)、模拟量(温度、压力、PID 调节等)。
高级电气工程师另外还需掌握:网络通信、视觉识别,甚至于上位机C#、WinCC、Labview 等。
2、PLC起源
最初的目的是替代机械开关装置(继电模块),想象一下,在一个庞大复杂的设备中使用数量巨大的电气元件(中间继电器、时间继电器等),接线有多复杂啊,日后维护也是大问题。
自从 1968年以来,PLC 的功能逐渐代替了继电器控制板。现代 PLC 具有更多的功能,其用途从单一过程控制延伸到整个制造系统的控制和监测。
二、PLC的基本组成
1、基本单元组成
PLC 主要由MCU、输入/输出接口、电源和编程设备共同组成,如下图2.1.1 所示。

图2.1.1 PLC的组成
1)MCU模块
MCU模块由微处理器和存储器组成,由它读取各种开关量输入信号(下称开入量);并且读取程序指令,编译、执行指令;最后把运算结果送到输出端,控制外部负载。
MCU 是整个 PLC 的核心,相当于人的大脑。PLC 与单片机的异同请移步:PLC与单片机异同,实际项目参考:以实例详述PLC编程思路。
2)输入与输出模块
(1)输入模块接受和采集输入信号,将按钮、行程开关等产生的开入量输入至 MCU;将电位器、各类变送器提供的模拟量输入至 MCU。
(2)输出模块用来控制外部负载,包括接触器、电磁阀等执行器和显示、报警装置。

图2.1.2 输入与输出模块(三菱规格书节选)
3)电源模块
PLC 的电源一般使用 220V交流电源,通过开关电源模块把外部供应的电源变换成系统内部各单元所需的直流电源。有的电源单元还向外提供 24 隔离直流电源,可供输入模块连接的现场无源开关等使用。

图2.1.3 图片引自:PLC维修-禾川HCA8-32X32YT
4)编程设备
一般为计算机+编程线组合,计算机连接编程线,由编程线连接 PLC。

图2.1.4 PLC编程线
2、扩张模块
PLC 除基本单元外,还有扩展模块(比如输入输出模块、通信模块、模拟量模块等)、特殊功能模块等与其连接以实现更多的功能。

图2.2.1 图片引自:盐雾实验设备维修-欧姆龙PLC
三、PLC的外部接线
1、NPN与PNP接线
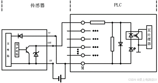
源型与漏型是对输入模块的公共点 COM端而言。
漏型指从 COM端漏出去,即 COM端接负,电流从外面经 IO.x点流入内部,再从公共点COM 漏出去构成回路,如图3.1.1 所示,属于 NPN型。
源型指 COM端接正,电流从 COM端为源头开始,经内部回路,一组信号点流出去的,如图3.1.2 所示,属于 PNP型。
1)NPN与PNP型PLC
对于输入以 +24V 作为公共点:有高电平(+24V)输入至 PLC 时,对应的常开点闭合,对应的常闭点断开。
对于输入以 0V 作为公共点:有低电平 0V 输入至 PLC 时,对应的常开点闭合,对应的常闭点断开。

图3.1.1 NPN集电极开路输出和PLC的连接(公共点负极)

图3.1.2 PNP集电极开路输出和PLC的连接(公共点正级)
2)NPN与PNP型传感器
NPN 与 PNP 型传感器其实就是利用三极管的饱和和截止,输出两种状态,属于开关型传感器。但输出信号是截然相反的,即高电平和低电平。PNP 输出为高电平1,NPN 输出为低电平0。

图3.1.3 NPN与PNP
①PNP 导通压降小但反向耐压低,NPN 导通压降大但反向耐压高
②传感器 PNP 与 NPN 接口原理图
输入传感器为接近开关时,只要接近开关的输出驱动力足够,漏型输入的 PLC 输入端就可以直接与 NPN 集电极开路型接近开关的输出进行连接。

图3.1.4 漏型输入与接近开关连接
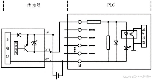
但是,当采用 PNP 集电极开路型接近开关时,由于接近开关内部输出端与 0V 间的电阻很大,无法提供光电耦合器件所需要的驱动电流,因此需要增加“下拉电阻”。
增加下拉电阻后应注意,此时的 PLC 内部输入信号与接近开关发信状态相反,即接近开关发信时,“下拉电阻” 上端为 24V,光电耦合器件无电流,内部信号为 “0”;未发信时,PLC 内部 DC24V 与 0V 之间,通过光电耦合器件、限流电阻、“下拉电阻”经公共端COM 构成电流回路,输入为 “1”。
下拉电阻的阻值主要决定于 PLC 输入光电耦合器件的驱动电流、PLC 内部输入电路的限流电阻阻值。通常情况下,其值为 1.5kΩ~2kΩ,计算公式1:R ≤ (Ve-0.7)/Ii-Ri。
式中:R——下拉电阻(kΩ)
Ve——输入电源电压(V)
Ii——最小输入驱动电流(mA)
Ri——PLC内部输入限流电阻(kΩ)
公式1 中取发光二极管的导通电压为 0.7V。
或公式2:R ≤ 输入限流电阻/(最小 ON 电压/24V)]-输入限流电阻。
输入传感器为接近开关时,只要接近开关的输出驱动力足够,源型输入的 PLC 输入端就可以直接与 PNP 集电极开路型接近开关的输出进行连接。

图3.1.5 源型 输入与接近开关连接
相反,当采用 NPN 集电极开路型接近开关时,由于接近开关内部输出端与 24V间的电阻很大,无法提供电耦合器件所需要的驱动电流,因此需要增加“上拉电阻”。
增加上拉电阻后应注意,此时的 PLC 内部输入信号与接近开关发信状态相反,即接近开关发信时,“上拉电阻”上端为 0V,光电耦合器件无电流,内部信号为 “0”;未发信时,PLC 内部 DC24V 与 0V 之间,通过光电耦合器件、限流电阻、“上拉电阻” 经公共端COM 构成电流回路,输入为“1”。
上拉电阻的阻值主要决定于 PLC 输入光电耦合器件的驱动电流、PLC 内部输入电路的限流电阻阻值。通常情况下,其值为 1.5~2kΩ,其计算公式与下拉电阻计算公式相同。
----------------
对于光栅保护装置(工业环境传感器汇总之四、光电传感器):一般常用 PNP 高电平有效状态,PLC 输入端低电平挡电状态,退去光栅保护装置一直保护。
2、PLC的NPN与PNP设置
下图为三菱 PLC 的 S/S 设置,分别可设置为为漏型或源型,图片来源于 “FX3G 系列-用户手册-定位控制篇” 第58页。

图3.2.1 PLC漏型、源型输入接线
其内部电路的仿真如下图3.2.2 所示,仿真原文件请移步:PLC输入电路Multisim仿真。

图3.2.2 PLC输入Multisim仿真
ACPL-214-500E(电子元件-光电耦合器)规格书截图:

图3.2.3 ACPL-214-500E光耦规格书节选
四、编程语言
1、图形化编程
电气工程师风格的梯形图,门电路风格的 FBD(Function Block Diagram),流程图风格的 SFC(Sequence Function Chart)。

图4.1.1 梯形图

图4.1.2 西门子FBD

图4.1.3 三菱SFC
2、文本化编程
程序员风格的 ST(Structured Text)语言(基于GX Works2的ST语言介绍),汇编语言式的指令表 IL(nstruction List)。
SET(X0,Y0);
RST(NOT X0,Y0);
IEC1131-3 的编程语言是 IEC 工作组 对世界范围的 PLC厂家的编程语言合理地吸收、借鉴的基础上形成的一套针对工业控制系统的国际编程语言标准。
它不但适用于 PLC系统,而且还适用于更广泛的工业控制领域,为 PLC编程语言的全球规范化做出了重要的贡献。
不努力,爱情和美丽,都不会拥有。觉得不错,动动发财的小手点个赞哦!
4426

被折叠的 条评论
为什么被折叠?



