1、按键电路的常用设计参考

2、外接信号输入设计参考(和按键有点类似)

3、输出电路继电器设计参考

4、达林顿晶体管设计参考应用

5、MOS管设计参考应用(控制电源输出通断)

6、输入电源设计参考应用

7、ACC检测电路

8、BUS协议电路
1)LIN BUS电路 (最大波特率20Kbits/s)

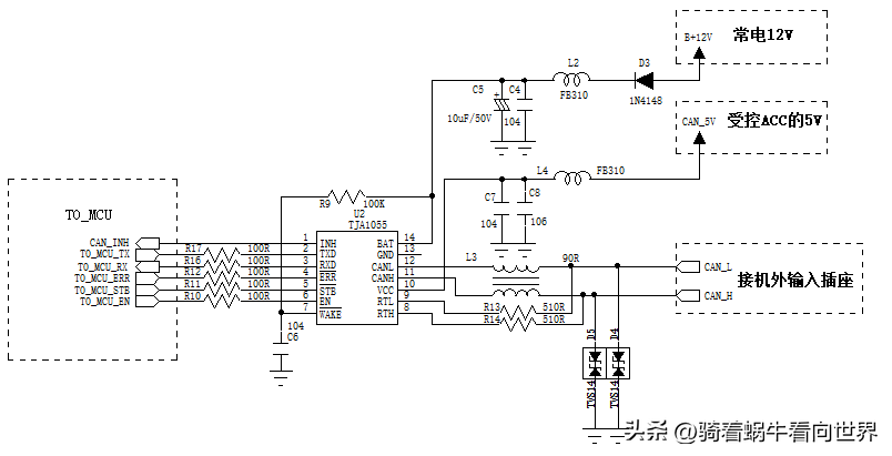
2).低速CAN电路(最大波特率125Kbits/s)

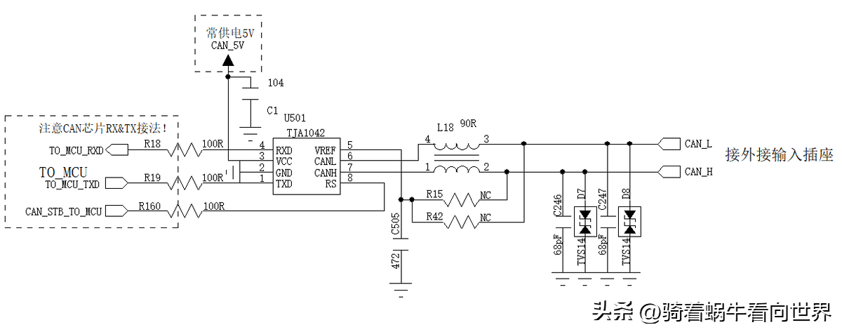
3)高速CAN BUS电路(波特率40K~1Mbits/s)

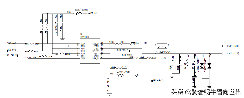
4)TJA1043T

9、SD卡接口

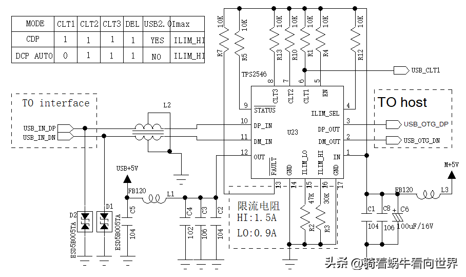
10、USB保护充电接口

11、VCOM电路
1)电阻分压式

2)基准源式

12、大灯检测电路

13、倒车检测电路

14、方控电路
1)方控电路1

2)方控电路2

15、功放电路

16、静音控制

17、刹车检测电路

18、视频差动放大

19、收音机天线供电

20、显示屏正负压电路

21、MCU_3V3供电

22、MCU_5V供电

23、按键背光灯供电部分
1)12V供电电路

2)5V供电电路

24、音频供电

25、中控主电源输入电路

26、GPS_泰斗N303-3电路

27、USB充电电路

28、功率开关电路
1)电流6A(DMP3056LSD)

2)电流9A (P2003EVG)

29、显示屏背光驱动
1)30V/4A (ACP2738)

2) 30V/2A (ACP2727)

3) 40V/1.3A(MP3302)

4)、40V/0.7A(MP3301GJ-LF-Z)

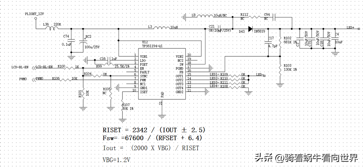
5)12V输入背光驱动电路

33、BATT电瓶检测电路

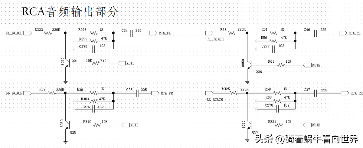
34、RCA音频输出电路

35、前置运放电路

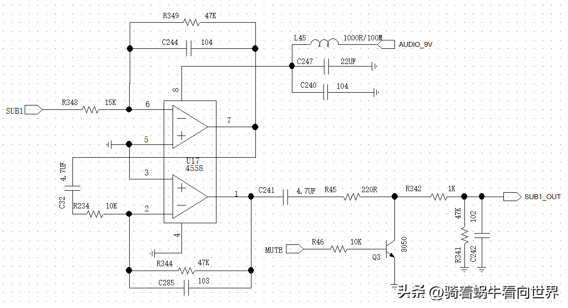
36、重低音音频电路

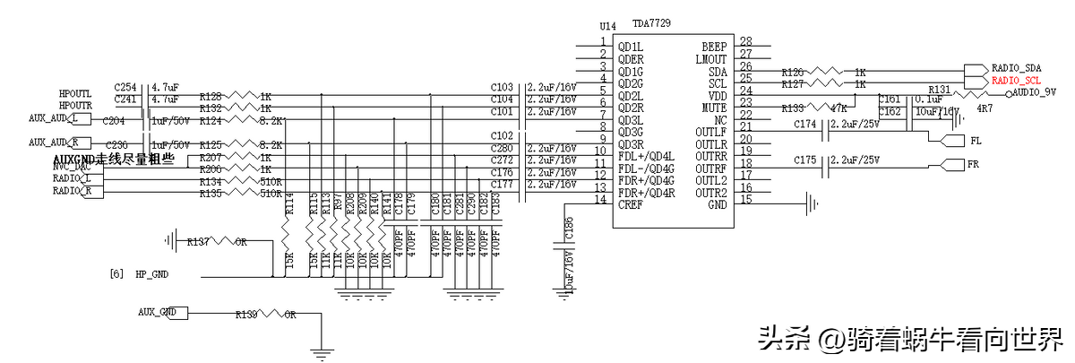
37、EQ音效电路
1)CSC37534

2)TDA7729

38、MCU复位电路

38、多组通道控制开机电路
GSR_SW和ACC_ON及VBUS另一组或多组高电平时,电源使能PWR_EN为高电平,开机后通后POWER_HOLD至高来保持PWR_EN为高电平。关机通过POWER_check电平来执行关机流程。

39、电源供电与电池供电切换电路

1593

被折叠的 条评论
为什么被折叠?



