摘要
本项目结合软件和硬件于一体,使用STM32F103系列单片机作为控制系统,对环境要素中的空气温湿度,光照强度,以及水温度进行采集与控制而设计的一款智能鱼缸检测控制系统,该系统能够精准采集当前鱼缸环境信息并将环境信息显示到LCD屏幕上以供实时查看,使用户能够实时了解到当前鱼缸的情况,并且用户还可以通过GSM短信实时查看和控制鱼缸的水泵循环系统以及LED照明系统。本项目设计成本较低,但是能够实时采集鱼缸环境信息,做到根据环境信息智能控制鱼缸生态环境,不需要花费用户太多时间,却能够做到养殖与观景两不误,非常适合家用观赏鱼养殖,实现实用与观赏价值的统一。
效果
1:所选鱼缸

2:改造,做线路。由于注重于模拟功能,没有过多注重外观设计,故显得略微杂乱。
效果


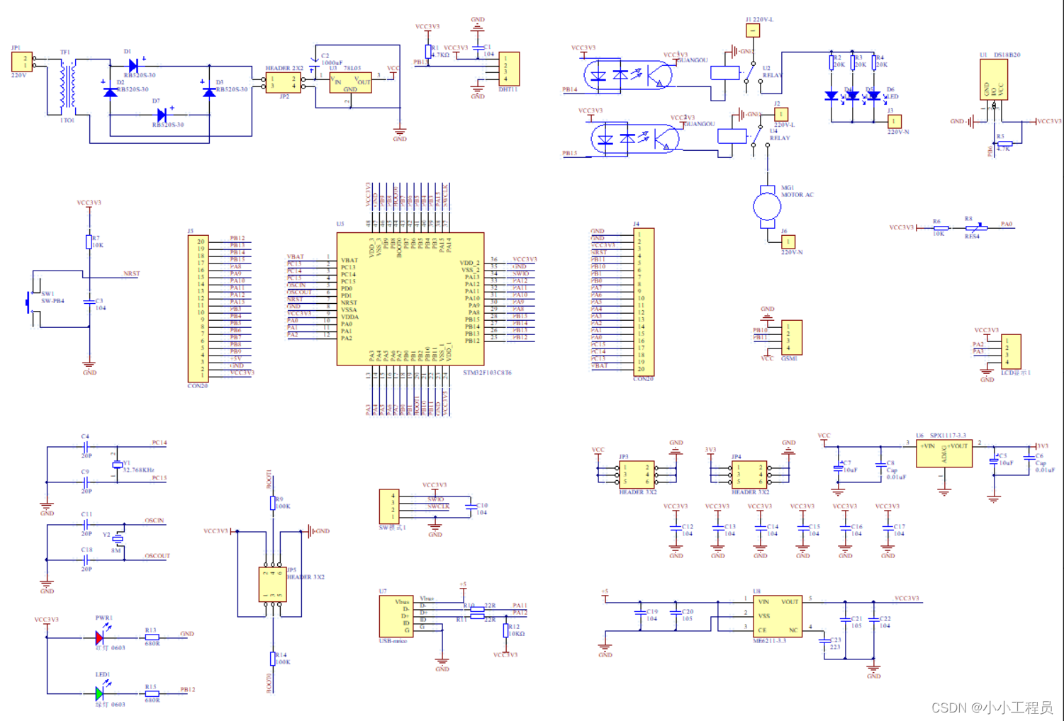
原理图

流程图

完成功能

- 光照强度检测
- 环境温湿度检测
- 鱼缸水温检测
- GSM与手机通信
- LCD显示参数信息
- LED做补光照明
- 三合一水泵控制
资料涵盖:

- 源程序
- 参考论文
- 原理图
- 多项参考资料
- 可加讲解
代码片段
/*******************************************************************************
* 文件名称:基于STM32的智能生态鱼缸
* 实验目的:1.
* 2.
* 程序说明:完整程序Q:2772272579;@: itworkstation@hotmail.com
* 日期版本:
*******************************************************************************/
/* Includes ------------------------------------------------------------------*/
#include "main.h"
/* Private typedef -----------------------------------------------------------*/
/* Private define ------------------------------------------------------------*/
/* Private macro -------------------------------------------------------------*/
/* Private variables ---------------------------------------------------------*/
/* Private function prototypes -----------------------------------------------*/
/* Private functions ---------------------------------------------------------*/
/**
* @说明 主函数
* @参数 None
* @返回值 None
*/
int main(void)
{
u8 i=0;
int ret=0;
Relay_Init();
LED_Init();
LED_Control(ON);
Delay_ms(1000);
LED_Control(OFF);
Proc_Init();
USART2_Init();
Delay_ms(1000);//上电等待 1 秒是串口屏模块正常工作的前提,如果没有足够的等待时间模块有可能无法正常的接收指令而导致系统出错。
printf("CLR(LCD_ColorStructure.LCD_BackColor);DIR(3);SBC(LCD_ColorStructure.LCD_SBCColor);\r\n");
USART2_CheckBusy();
printf("DCV32(124,8,'初始化界面 ',%d);\r\n",LCD_ColorStructure.LCD_TextColor);
USART2_CheckBusy();
printf("DCV32(12,40,'制作人:*** ',%d);\r\n",LCD_ColorStructure.LCD_TextColor);
USART2_CheckBusy();
printf("DCV32(12,72,'正在检测DHT11接口:',%d);\r\n",LCD_ColorStructure.LCD_TextColor);
USART2_CheckBusy();
if(DHT11_Init() == 1)
{
printf("DCV32(300,72,'失败',%d);\r\n",1);
USART2_CheckBusy();
}
else
{
printf("DCV32(300,72,'成功',%d);\r\n",2);
USART2_CheckBusy();
}
USART3_Init();
Delay_ms(1000);//上电等待 1 秒是串口屏模块正常工作的前提,如果没有足够的等待时间模块有可能无法正常的接收指令而导致系统出错。
printf("DCV32(12,200,'GSM配置:',%d);\r\n",LCD_ColorStructure.LCD_TextColor);
USART2_CheckBusy();
for(i = 0;i < STABLE_TIMES;i++)//等待GSM网络稳定
{
delay_20ms(100);
ret = check_status(); //初始化配置
if(ret==1)
{
break;
}
}
if(ret == 1)
{
printf("DCV32(140,200,'通信成功 ',%d);\r\n",2);
USART2_CheckBusy();
Delay_ms(200);
ret = config_format();//配置
if(ret == 1)
{
printf("DCV32(140,200,'配置成功 ',%d);\r\n",2);
USART2_CheckBusy();
LCD_DefShow.state_gsm=0;
Delay_ms(500);
}
else
{
printf("DCV32(140,200,'配置失败 ',%d);\r\n",1);
USART2_CheckBusy();
LCD_DefShow.state_gsm=1;
Delay_ms(500);
}
}
else
{
printf("DCV32(140,200,'通信失败 ',%d);\r\n",1);
USART2_CheckBusy();
LCD_DefShow.state_gsm=1;
Delay_ms(500);
}
CLR_Buf();//清空串口数组,准备接收 GSM信息
printf("CLR(LCD_ColorStructure.LCD_BackColor);DIR(3);SBC(LCD_ColorStructure.LCD_SBCColor);\r\n");
USART2_CheckBusy();
ADC1_Init();
TIM4_Init();
ds18b20_init_x();
ds18b20_startchange();
while(1){
if(TIM4_FlagStatus.Flag_200MS == SET){
TIM4_FlagStatus.Flag_200MS = RESET;
if(LCD_DefShow.state_MD == 0)
LED_Control(REVERSE);
else
LED_Control(OFF);
Proc_200Ms();
}
if(find_string_flag == 1)
{
Delay_ms(1000);//延时一点,让串口把数据接收完成
if(Find((u8 *)"+CMTI"))//说明接收到了短信
{
ret = read_message();
if(ret == 1)
{
SIM800_CmdHandle();
}
CLR_Buf();
}
CLR_Buf();
}
LCD_Display();
}
}
1万+

被折叠的 条评论
为什么被折叠?



