大功率紫外线消毒灯杀菌灯半桥逆变电路的工作原理
大功率紫外线消毒灯杀菌灯半桥逆变电路的工作原理
逆变器电路将整流后的直流电压转变成高频电压,用来驱动灯管使之发光•逆变器 的类型很多,其中在220V交流输入电子镇流器中应用最广泛是半桥逆变电路。电子镇 流器中常用的半桥逆变电路的基本形式时】【45-5。】如图3.1所示。

图3.1半桥逆变电路的基本形式
Fig. 3.1 The basic circuit diagram of half-bridge inverter
功率开关晶体管VTi、VT2为半桥功率变换级的两只开关管,电容。3、C4组成无源 支路,灯负载接在无源支路的中点和半桥开关组成的有源支路的中点之间,灯负载电流 由G、G提供,电阻Ri、电容C2和双向触发二极管VD2组成半桥自激振荡电路的启动 电路。
当电路加电后,流经电阻R1的电流对电容C2充电,当电容C2两端的电压达到双向 触发二极管VD2的触发电压(大约为35V左右)时,VD2雪崩击穿,这时电容G通过 开关管VT2的基极一发射极放电,VT2因发射结正偏而导通,在"2导通期间,电流路 径为:+VDc^C3-灯管灯丝FL!-*C2-灯丝FLr*镇流电感Li-Ti初级线圈Tla-VT2 的集电极一叮2的发射极…地,开关管叮2集电极电流的瞬时变化为di/dt,通过振荡线 圈%的两个次级绕组%和产生相应的感应电动势,其感应电动势的极性如图3.1 所示,其结果是叩的基极电位升高,基极电流和集电极电流进一步增大,由于正反馈 的原因,使开关管VT2跃变到了饱和导通工作状态,在VT2饱和导通期间,启动电容 C2通过双向二极管VD2和开关管VT2的发射结放电。
启动电路Ri、C2和VD2为电路的起振提供了起振的工作条件,一旦电路振荡起来 后,电路维持振荡是通过振荡线圈T®Tib和Ke所提供的正反馈来实现。当开关管VT2
达到饱和后,振荡线圈Tia、Tib和Tic中的感应电动势为零,VT2的基极电位开始下降, Tb2下降,致使%下降,而这时VTi的基极电位开始上升,这种变化由于正反馈的作用, 使VT2截止,VTi饱和导通,在VTi饱和导通期间,灯负载的电流电路为:VTi的集电 极f VTi的发射极fTiaf L[f灯丝FL2-C2-灯丝FL2-C4-地。当VT\饱和导通后, 导致振荡正反愦变压器Tj又进入磁饱和状态,同样由于的正反馈又重新使VT2饱和, VTi截止,如此周而复始,VTi和VT2交替饱和、截止,使电路进入振荡工作状态,通 过L和C2组成的谐振电路发生串联谐振,在谐振电容C2的两端产生一个髙电压脉冲加 到灯管两端,使灯管启动进入工作状态。
由于电路工作于高频振荡状态,所以镇流电感Li的值可以取得很小,例如对40W 的荧关灯如果釆用电感镇流则需要大约800rnH的电感量,体积和重量都较大,而对高频 振荡的电子镇流电路,镇流电感Li的电感量仅需2mH,所以不管体积和重量都要小很多°

(b)
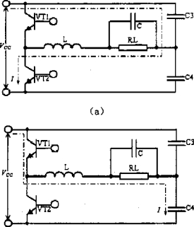
图3. 2电流的流向图
Fig. 3.2 The direction of current
图3.2(a)和(b)分别表示VTi截止、VT2导通和VT1导通、VT2截止时的灯电流流 向图,Rl表示荧关灯稳态工作时的等效电阻。由图可知,在VTi截止、VT2导通和VTi
导通、VT2截止两种开关工作状态下,通过灯负载的电流方向是相反的,开关管VTi和 VT2轮流导通、截止,使通过荧光灯管的电流为高频交流电。
在LC电路谐振时的谐振频率可利用下式计算得到:
f = 2^/LC
式中,L为镇流电嚥的电感值,C为电容弓的值,
对图所示的电路,由于上沏虹,C2^.C3-C4,所以灯电路的谐振频率主要由4 和C2的参数决定。
如果在LC串联电路中的等效直流电阻为R,则等电路的总阻抗Z可利用下式表示:
当灯电路发生谐振时,Zli=Zc2,有2=1<,这时灯电路的工作电流最大,为二=邕。 R 而谐振电路的Q值(品质因数)可利用下式计算:
由于R虹或&厂),所以灯负载谐振电路的
2jt fCj
将'=2C代入Q的表达式后,有
(3.4)
这时由于八旳=冬,在灯负载并联的谐振电容C2上的产生的电压为 R
由以上的讨论可知,在灯电路发生谐振时,在谐振电感或谐振电容上的电压要比电 源电压Vin高Q倍,利用在谐振电容Cz上的这个谐振电压足以使灯负载完成点火工作。 一旦灯完成点火工作后,灯负载的等效电阻急剧变小,致使谐振电容上的电压下降(Q 值下降),转而进入灯负载的正常工作状态。
用于紫外线杀菌灯的电子镇流电路分享
在这篇文章中,我们将讨论直流紫外线杀菌灯镇流器电路的结构,该电路可用于通过12V直流电源驱动任何标准的20瓦紫外线灯。
虽然,拟议的镇流器设计最初用于照亮常规的20瓦荧光灯管,但这也可以用于操作20瓦紫外线灯,以获得预期的杀菌效果。
灯具特点
峰值波长为253.7nm(UVC)的短波紫外线辐射,可有效消毒所有类型的细菌和病毒。
特制的灯管玻璃材料可过滤掉有害的185纳米臭氧建筑射线
内部保护层可确保在紫外线灯的整个使用寿命期间几乎恒定的紫外线输出。
灯管上印有警告标志表示灯设计用于产生UVC。
主要用途
灭活细菌、病毒以及其他形式的微生物
生活饮用水净化装置。
用于净化鱼族箱水单元。
管道内空气处理设备的消毒。
作为独立的空气净化器系统。
电路的工作原理
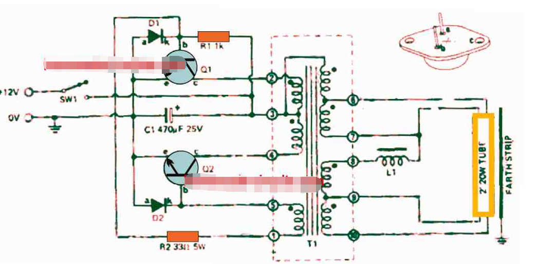
变压器T1以及晶体管Q1和Q2像自振荡逆变器级一样工作。电路的工作频率由磁芯材料、初级绕组的数量和电源电压决定。
如上所述,当输入电源由12.5V电源供电时,逆变器以约2kHz的频率振荡。

零件清单

变压器的次级侧绕组包括几个用于预热管丝的4V绕组,以及一个80V绕组,用于在管子上提供放电电流供应,以及一个240V绕组,用于产生初始静态电压以启动管传导。
可以看到扼流圈L1与变压器的80V绕组串联,以控制通过管的电流。
除了为电子管提供电流限制外,扼流圈L1还为电源电压波动提供电子管电流的稳定。
当输入电源电压上升时,逆变器频率也会成比例增加,迫使扼流圈阻抗上升,反之亦然。
这种自动调节L1阻抗有助于保持灯电流稳定,以响应10V和15V之间的电源电压变化。
施工提示
全紫外灯驱动器镇流器电路的电路原理图如上所示。变压器T1和扼流圈L1的绕组信息如表1和表2所示。
变压器T1的绕组通过12mmx12mm成型器或线轴实现。精确的绕组很容易理解,但有些费力。整个绕组必须非常均匀地完成;否则,整个绕组可能无法很好地容纳前者。
两个初级绕组必须以双线方式缠绕,如下图所示。

这意味着您必须将两个绕组的导线固定在一起,然后同时开始缠绕主1和主2,以确保它们以组合方式铺设在一起。这也意味着这两个绕组在整个绕组长度上彼此完全相邻。
T1的其他绕组可以常规方式实现,但必须确保每个绕组的绕组方向相同,并且它们的起点和终点都焊接到适当的端子上,如下表1所示。

完成绕组过程后,您可以将一对“E”芯插入线轴槽中,并使用粘性胶带或适当的金属夹将整个结构牢固地固定在一起,注意金属夹不会导致任何匝道短路。
如何缠绕扼流圈
扼流圈L1绕组细节列于下表#2中:
表#2
磁芯:如下图所示或任何类似的当代电位器磁芯:

线圈成型器:如图所示(黄色):

注意:磁芯应通过3/16“黄铜螺栓和螺母相互夹紧-可以习惯使用3/16”黄铜垫圈来形成气隙。
绕组:250圈0.4mm粗线。
完成上述步骤后,绕组被夹在一对MullardFX2242内核之间,如表#2图像所示。重要的是在两个磁芯之间引入一个薄的黄铜垫圈,以产生气隙。
布线布局
下图演示了UV镇流器电路的零件和其他方面的接线细节。但是,这种确切的组件布局实际上并不重要。

晶体管Q1和02需要安装在适当的散热器上,散热器的最小尺寸必须约为4“x6”。
应使用绝缘垫圈,以保持两个晶体管与散热器的良好隔离。现在,所有部件都可以随意连接,并将整个系统连接到12V电源。
小心不要触摸晶体管或变压器输出侧端子,因为所有这些元件都将处于相当大的电压下,这可能会给您带来痛苦的电击。
2776

被折叠的 条评论
为什么被折叠?



