基本定义
二极管的内部其实就是一个PN结。
把PN结封装起来,两边加上两个电极,就组成了半导体二极管。简称二极管(Diode)
二极管和PN结一样,具有单向导通性:
外观和正负极
常见芯片封装如下:
一般来说,普通二极管有横杆或者色端标识的极是负极
发光二极管判断的话,长脚是正极,短脚是负极。内部大的是负极,小的是正极。
更多外观。。。。。。
贴片式稳压二极管
直插式整流二极管
肖特基二极管
等等,就不一一赘述了。
伏安特性曲线
基本和PN结一致:
二极管的管压降一般在0.6—0.7V。
大体分为三个区域,正向导通区、截止区、反向击穿区。
和PN结一样,二极管在使用时,必须要接一个限流电阻,防止电流激增。
反向恢复时间
一般将二极管从正向导通变为反向截止的过程成为反向恢复过程,这个过程是需要一些时间的。二极管从正向导通切换到反向截止,实际中并不会马上就截止,反而会先出现瞬间的大电流,然后再慢慢趋于截止状态。

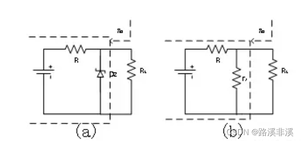
文章详细介绍了二极管的基本概念、内部结构、外观识别、伏安特性、稳压二极管(包括齐纳二极管和TVS二极管)的工作原理、肖特基二极管的优势以及发光二极管和光电二极管的应用。强调了二极管的单向导通性和限流电阻的重要性。










最低0.47元/天 解锁文章
5522





