基于 SPI 的运动与姿态检测传感器加速度计与陀螺仪数据采集详解(附源码)

概要

在运动与姿态检测领域,SPI 接口凭借其高速率、全双工通信特性,成为加速度计(如 ADXL345)和陀螺仪(如 MPU6050)实现实时数据传输的理想选择。这类传感器广泛应用于无人机姿态控制、智能手环运动追踪、机器人导航等场景,需要高频采集三维运动数据(加速度、角速度)以实现精准的姿态解算。

一、SPI 运动传感器系统架构

1. 硬件连接设计

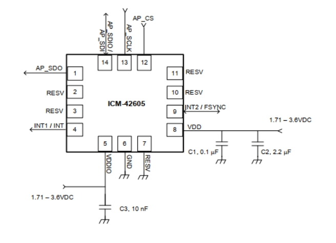
加速度计和陀螺仪与主控设备(如 STM32、ESP32)的 SPI 连接具有共性,但需注意传感器特有的引脚定义:
在这里插入图片描述
关键连接要点:

运动传感器对电源噪声敏感,需在 VCC 与 GND 间并联 100nF 陶瓷电容和 10μF 电解电容
高速 SPI 通信 (>5MHz) 时,信号线长度应控制在 5cm 以内,并采用等长布线
多传感器系统中,每个传感器应使用独立的 CS 线,避免数据冲突
MPU6050 的 SPI 模式需要特殊配置:将 FSYNC 引脚作为 SPI 的 CS, 并将 ADO 引脚接地

二、典型传感器 SPI 通信协议

1. ADXL345 加速度计

ADXL345 是一款低功耗、三轴加速度计,支持 ±16g 测量范围,SPI 通信特性如下:

通信速率: 最高 5MHz
数据格式: 16 位二进制补码,每轴 2 字节,共 6 字节 (xyz 顺序)
工作模式: 支持待机、测量、低功耗模式,可配置采样率 (10Hz~3200Hz)
中断功能: 可配置自由落体、运动检测等中断,通过 INT 引脚输出

// ADXL345寄存器地址
#define ADXL345_DEVID      0x00  // 设备ID
#define ADXL345_BW_RATE    0x2C  // 带宽/速率控制
#define ADXL345_POWER_CTL  0x2D  // 电源控制
#define ADXL345_DATA_FORMAT 0x31 // 数据格式
#define ADXL345_DATAX0     0x32  // X轴数据低8位

// 初始化ADXL345
void adxl345_init(void) {
    // 片选拉低
    ADXL345_CS_LOW();
    
    // 读取设备ID(应为0xE5)
    spi_send_byte(ADXL345_DEVID | 0x80);  // 读命令(最高位为1)
    uint8_t dev_id = spi_receive_byte();
    if (dev_id != 0xE5) {
        // 设备连接错误处理
    }
    
    // 配置电源模式: 测量模式
    spi_send_byte(ADXL345_POWER_CTL);
    spi_send_byte(0x08);  // 使能测量模式
    
    // 配置数据格式: 全分辨率,±16g范围
    spi_send_byte(ADXL345_DATA_FORMAT);
    spi_send_byte(0x0B);
    
    // 配置采样率: 100Hz
    spi_send_byte(ADXL345_BW_RATE);
    spi_send_byte(0x0A);
    
    // 片选拉高
    ADXL345_CS_HIGH();
}

// 读取加速度数据(单位: g)
void adxl345_read_accel(float *x, float *y, float *z) {
    uint8_t data[6];
    int16_t x_raw, y_raw, z_raw;
    
    ADXL345_CS_LOW();
    
    // 发送读取数据命令,从DATAX0开始连续读取6字节
    spi_send_byte(ADXL345_DATAX0 | 0x80 | 0x40);  // 读+多字节标志
    
    // 读取6字节数据
    for (int i = 0; i < 6; i++) {
        data[i] = spi_receive_byte();
    }
    
    ADXL345_CS_HIGH();
    
    // 组合16位数据(低字节在前)
    x_raw = (int16_t)((data[1] << 8) | data[0]);
    y_raw = (int16_t)((data[3] << 8) | data[2]);
    z_raw = (int16_t)((data[5] << 8) | data[4]);
    
    // 转换为g值(全分辨率模式下: 1LSB = 0.00390625g)
    *x = x_raw * 0.00390625f;
    *y = y_raw * 0.00390625f;
    *z = z_raw * 0.00390625f;
}

2. MPU6050 六轴运动传感器

MPU6050 集成三轴加速度计和三轴陀螺仪,支持 SPI 模式高速数据传输:

通信速率: 最高 1MHz (SPI 模式)
数据格式: 16 位 / 轴,加速度和陀螺仪各 6 字节,共 12 字节
测量范围: 加速度 ±2/±4/±8/±16g, 陀螺仪 ±250/±500/±1000/±2000°/s
硬件特性: 内置 16 位 ADC、温度传感器和 DMP (数字运动处理器)

// MPU6050寄存器地址
#define MPU6050_WHO_AM_I   0x75  // 设备ID
#define MPU6050_PWR_MGMT_1 0x6B  // 电源管理
#define MPU6050_CONFIG     0x1A  // 配置寄存器
#define MPU6050_GYRO_CONFIG 0x1B // 陀螺仪配置
#define MPU6050_ACCEL_CONFIG 0x1C // 加速度计配置
#define MPU6050_ACCEL_XOUT_H 0x3B // 加速度X轴高8位

// 初始化MPU6050为SPI模式
void mpu6050_init(void) {
    // 片选拉低
    MPU6050_CS_LOW();
    
    // 读取设备ID(应为0x68)
    spi_send_byte(MPU6050_WHO_AM_I | 0x80);  // 读命令
    uint8_t dev_id = spi_receive_byte();
    if (dev_id != 0x68) {
        // 设备连接错误处理
    }
    
    // 唤醒传感器(解除睡眠模式)
    spi_send_byte(MPU6050_PWR_MGMT_1);
    spi_send_byte(0x00);
    
    // 配置陀螺仪范围: ±2000°/s
    spi_send_byte(MPU6050_GYRO_CONFIG);
    spi_send_byte(0x18);
    
    // 配置加速度计范围: ±16g
    spi_send_byte(MPU6050_ACCEL_CONFIG);
    spi_send_byte(0x18);
    
    // 配置SPI模式: 4线SPI
    spi_send_byte(0x12);  // USER_CTRL寄存器
    spi_send_byte(0x00);  // 禁用I2C,启用SPI
    
    MPU6050_CS_HIGH();
}

// 读取加速度和陀螺仪数据
void mpu6050_read_data(float *ax, float *ay, float *az, 
                      float *gx, float *gy, float *gz) {
    uint8_t data[14];  // 14字节数据(加速度6+陀螺仪6+温度2)
    int16_t ax_raw, ay_raw, az_raw;
    int16_t gx_raw, gy_raw, gz_raw;
    
    MPU6050_CS_LOW();
    
    // 发送读取命令,从ACCEL_XOUT_H开始连续读取
    spi_send_byte(MPU6050_ACCEL_XOUT_H | 0x80 | 0x40);  // 读+多字节
    
    // 读取14字节数据
    for (int i = 0; i < 14; i++) {
        data[i] = spi_receive_byte();
    }
    
    MPU6050_CS_HIGH();
    
    // 解析加速度数据(高字节在前)
    ax_raw = (int16_t)((data[0] << 8) | data[1]);
    ay_raw = (int16_t)((data[2] << 8) | data[3]);
    az_raw = (int16_t)((data[4] << 8) | data[5]);
    
    // 解析陀螺仪数据
    gx_raw = (int16_t)((data[8] << 8) | data[9]);
    gy_raw = (int16_t)((data[10] << 8) | data[11]);
    gz_raw = (int16_t)((data[12] << 8) | data[13]);
    
    // 转换为物理单位
    // 加速度: ±16g范围下,1LSB = 16*2/65536 = 0.00048828125g
    *ax = ax_raw * 0.00048828125f;
    *ay = ay_raw * 0.00048828125f;
    *az = az_raw * 0.00048828125f;
    
    // 陀螺仪: ±2000°/s范围下,1LSB = 2000*2/65536 ≈ 0.06103515625°/s
    *gx = gx_raw * 0.06103515625f;
    *gy = gy_raw * 0.06103515625f;
    *gz = gz_raw * 0.06103515625f;
}

三、高速数据采集与姿态解算

1. 高频数据采集策略

运动传感器需要高频采集数据以准确捕捉快速运动,常用优化策略:

// 传感器数据缓冲区(循环缓冲区)
#define BUFFER_SIZE 1024
typedef struct {
    float ax, ay, az;  // 加速度
    float gx, gy, gz;  // 角速度
    uint32_t timestamp; // 时间戳
} MotionData;

MotionData data_buffer[BUFFER_SIZE];
volatile uint16_t buffer_head = 0;
volatile uint16_t buffer_tail = 0;

// SPI DMA接收完成中断处理函数
void SPI_DMA_IRQHandler(void) {
    if (SPI_GetITStatus(SPI1, SPI_IT_TXE) == SET) {
        // 数据接收完成,更新缓冲区
        data_buffer[buffer_head].timestamp = get_system_ticks();
        buffer_head = (buffer_head + 1) % BUFFER_SIZE;
        
        // 重新启动DMA传输
        spi_dma_start_receive();
    }
}

// 初始化高速采集系统
void motion_capture_init(void) {
    // 初始化传感器
    mpu6050_init();
    
    // 配置SPI为DMA模式,提高传输效率
    spi_dma_config(14);  // MPU6050一次传输14字节
    
    // 配置定时器触发采样,1kHz采样率
    timer_config(1000);  // 1ms触发一次
    
    // 使能中断
    NVIC_EnableIRQ(SPI_DMA_IRQn);
}

// 处理采集的数据
void process_motion_data(void) {
    while (buffer_tail != buffer_head) {
        MotionData *data = &data_buffer[buffer_tail];
        // 姿态解算
        update_orientation(data);
        buffer_tail = (buffer_tail + 1) % BUFFER_SIZE;
    }
}

  1. 姿态解算基础算法
    通过 SPI 采集的加速度和角速度数据,可通过以下算法计算设备姿态:
// 姿态角(欧拉角)
typedef struct {
    float roll;  // 横滚角(度)
    float pitch; // 俯仰角(度)
    float yaw;   // 偏航角(度)
} EulerAngles;

EulerAngles angles = {0};
float gyro_offset[3] = {0};  // 陀螺仪零漂校准值

// 互补滤波更新姿态
void update_orientation(MotionData *data) {
    static uint32_t last_time = 0;
    float dt;  // 时间间隔(秒)
    
    // 计算采样时间间隔
    dt = (data->timestamp - last_time) / 1000.0f;
    last_time = data->timestamp;
    
    // 去除陀螺仪零漂
    float gx = data->gx - gyro_offset[0];
    float gy = data->gy - gyro_offset[1];
    float gz = data->gz - gyro_offset[2];
    
    // 从加速度计计算角度(静态时可靠)
    float accel_roll = atan2(data->ay, data->az) * 180.0f / M_PI;
    float accel_pitch = atan2(-data->ax, sqrt(data->ay*data->ay + data->az*data->az)) * 180.0f / M_PI;
    
    // 从陀螺仪积分计算角度(动态时可靠)
    angles.roll += gx * dt;
    angles.pitch += gy * dt;
    angles.yaw += gz * dt;
    
    // 互补滤波融合两种数据(权重根据采样率调整)
    angles.roll = 0.96f * angles.roll + 0.04f * accel_roll;
    angles.pitch = 0.96f * angles.pitch + 0.04f * accel_pitch;
}

// 陀螺仪零漂校准
void calibrate_gyro(void) {
    const int samples = 1000;
    float gx_sum = 0, gy_sum = 0, gz_sum = 0;
    
    // 采集静止状态下的陀螺仪数据
    for (int i = 0; i < samples; i++) {
        float ax, ay, az, gx, gy, gz;
        mpu6050_read_data(&ax, &ay, &az, &gx, &gy, &gz);
        gx_sum += gx;
        gy_sum += gy;
        gz_sum += gz;
        delay_ms(1);
    }
    
    // 计算零漂平均值
    gyro_offset[0] = gx_sum / samples;
    gyro_offset[1] = gy_sum / samples;
    gyro_offset[2] = gz_sum / samples;
}

四、多传感器同步与应用场景

1. 多传感器时间同步

在无人机等高端应用中,常需多个传感器同步采集:

// 多传感器同步采集控制
void sync_sensors(void) {
    // 1. 配置主传感器(MPU6050)产生同步脉冲
    mpu6050_enable_sync_pulse(1000);  // 1kHz同步脉冲
    
    // 2. 将同步脉冲连接到其他传感器的外部触发引脚
    // 3. 配置所有传感器在收到同步脉冲时同时采样
    
    // 4. 主控在收到同步中断时,通过SPI读取所有传感器数据
}

2. 典型应用场景

(1) 无人机姿态控制
采用 MPU6050 以 1kHz 频率采集数据
通过 SPI DMA 传输到 STM32 主控
结合互补滤波或卡尔曼滤波计算姿态
实时调整电机输出,实现稳定悬停和飞行控制
(2) 智能手环运动追踪
采用低功耗加速度计 ADXL345, 配置为 50Hz 采样率
检测步数:通过 Z 轴加速度变化识别步伐
活动识别:分析三轴加速度特征区分走、跑、爬楼梯
SPI 通信采用中断方式,平时传感器处于低功耗模式
(3) 机器人导航
组合加速度计、陀螺仪和磁力计构成 AHRS 系统
SPI 高速传输数据用于航迹推算
融合里程计数据实现室内定位
采用 100Hz 采样率满足导航精度要求

五、性能优化与可靠性设计

1. 传输速率优化

SPI 时钟调整: 根据传感器特性设置最高支持速率 (ADXL345:5MHz,MPU6050:1MHz)
DMA 传输: 对于连续多字节读取,使用 DMA 减少 CPU 占用
批量读取: 一次 SPI 通信读取所有轴数据,减少命令开销

2. 噪声抑制

运动传感器对机械振动和电磁干扰敏感,需采取:

硬件措施:
传感器与主板间使用软胶减震
SPI 信号线添加 RC 滤波 (100Ω 电阻 + 100pF 电容)
电源端使用 LDO 稳压,减少电源噪声
软件措施:
数据平滑滤波 (滑动平均、中值滤波)
传感器校准 (零漂校准、轴对准校准)
异常值检测与剔除

3. 低功耗设计

对于电池供电设备 (如智能手环):

传感器配置为低功耗模式,采样率动态调整 (静止时降低至 10Hz)
SPI 通信完成后立即关闭 SPI 外设时钟
利用传感器的中断功能,仅在检测到运动时唤醒主控
采用自动休眠机制,无活动时进入深度睡眠

六、常见问题与解决方案

在这里插入图片描述

总结

SPI 接口为运动与姿态传感器提供了高速、可靠的数据传输通道,是实现实时姿态检测的关键技术。在实际应用中,需根据具体场景 (如无人机、智能手环) 优化 SPI 通信参数和数据处理策略:

硬件设计注重信号完整性和电源稳定性,减少噪声干扰
软件实现采用高效的数据采集机制 (DMA、中断) 满足实时性要求
通过传感器校准和数据融合算法提高姿态检测精度
针对功耗敏感应用,优化采样率和工作模式

评论
添加红包

请填写红包祝福语或标题

红包个数最小为10个

红包金额最低5元

当前余额3.43前往充值 >
需支付:10.00
成就一亿技术人!
领取后你会自动成为博主和红包主的粉丝 规则
hope_wisdom
发出的红包

打赏作者

逻辑森林

你的鼓励将是我创作的最大动力

¥1 ¥2 ¥4 ¥6 ¥10 ¥20
扫码支付:¥1
获取中
扫码支付

您的余额不足,请更换扫码支付或充值

打赏作者

实付
使用余额支付
点击重新获取
扫码支付
钱包余额 0

抵扣说明:

1.余额是钱包充值的虚拟货币,按照1:1的比例进行支付金额的抵扣。
2.余额无法直接购买下载,可以购买VIP、付费专栏及课程。

余额充值