大家好,我是写代码的篮球球痴
可能大家还不知道,我是一个写固件的工程师,今天和一个微信朋友聊天,他问我工作几年了,我说我工作10年了,而且这10年我都一直在从事嵌入式固件相关的工作。
他猛的觉得很不可思议,因为他想不到工作10年的工程师为什么还需要写代码,为什么还干不上管理的工作,要知道,他的一些同学刚毕业没几年已经年薪百万了。
(⊙o⊙)… 对的,我是一个写固件的嵌入式软件开发。
工作这么多年,我并没有懊恼自己没有当上主管如何如何,而懊恼的事情是,我还是没有自己一个做开发的小工作台,如果回家能有自己一个开发的小地方,那是很惬意的事情的。
好了,下面的文章大家看看,看看一个固件工程师都是在干什么的。
硬件工程师:我们下周硬件回来,准备加班点屏,固件的来个兄弟一起搞下。
应用软件工程师师:我的应用在其他系统上没有问题,这个问题让固件的分析下。
硬件工程师:我今天不在公司,找个固件的兄弟去帮忙抬下东西,顺便把板子的电源焊接了。
测试工程师:这个问题是系统问题,固件的先分析下。
结构工程师:派个固件工程师配合我分析下这个结构问题啊。
项目经理:固件的兄弟们挺辛苦的,年会的时候给他们安排个节目,给他们发个什么奖。
财务总监:我们公司怎么有一些兄弟又搞硬件又搞软件,工资也不是很高,这些岗位可以多招。
CEO:产线的问题不要总是让硬件去跟啊,固件派个跟进量产、试产。
老板:写固件那几个喝酒行不行啊?上次就那个硬件的还能喝点。

=====
现如今,软件和硬件之间的界限已经越来越模糊了,那么处于这个灰色地带的,就是固件。于是,这就分成了三类工作者:
一是,软件工程师一般指做图形界面的程序员,工作内容就是写C++、JAVA、Web等。
二是,硬件工程师当然是指玩电路板的,工作内容就是画原理图、PCB等。
三是,固件工程师也叫单片机工程师,既写代码(主要是C语言、汇编)又要画电路图。
玩单片机的人,可能会有个疑问,为什么我写的C语言能操作到底层的硬件?其实在《计算机组成原理》已经有很详细的介绍了。
我这里粗略地介绍一下,这个原理。
首先,你可以搜索一下“从零开始造电脑”,这位叫Steve的大神,就告诉你,用晶体管可以做出CPU(单片机也是CPU)。
当然,我们现在可不会落后到需要到晶体管来制造电脑。
接下来,你可以看一部叫《乔布斯》的电影,剧中就给你展示苹果公司的第一台计算机。
嘿嘿,看到那些黑色的芯片没有?还有两个大大的变压器。这说明了在大学玩单片机的时代,就相当于回到苹果公司的初始时期!是不是很激动人心?
其实你可以用74系列的逻辑IC、单片机等,来搭建一个属于自己的计算机。这就是说人们把若干个晶体管集成为一块74系列的IC,如果集成度更高呢?那就是手机或者台式机用的多核CPU了。
好,介绍了这些古董之后,就让你有个认识,计算机本质上是N个晶体管的组合,也是数字逻辑芯片的组合,更高级的,就是一块数模混合的芯片,具体形式是由你的工艺决定的。现在回到正题,介绍一下数电的基础知识。
因为CPU主要功能是计算,也就是可以直接运用数学知识来解决问题,这里就举个例子介绍一下,CPU如何计算加法,也就是用数电里的门电路搭一个加法器。

怎样用晶体管搭这些与、或、非门就不说了,不懂的,可以翻书。上图就告诉你,可以用这些门电路搭一个加法器。
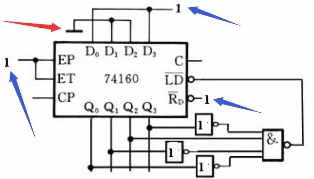
怎样输入Ai=0,Bi=1,Ci=0?用74系列的IC的话,可以直接把Ai,Ci接GND,Bi接VCC,就实现加法了。而在CPU内部也是一样可以这样做的,但是CPU可没那么死板,只算常数的加法。

上图中,蓝色箭头指向的1,就是接VCC的,而红色箭头,就是接GND。
在CPU内部,还有ROM,它可以把你要计算的加数和被加数存进去(ROM输出的高低电平,跟你接GND和VCC是一样的效果),而结果则存在寄存器(先暂存,以备后面使用)。
现在有个问题,如果加完之后还要计算乘法(在信号处理领域的卷积运算的核心单元就是乘加器),怎么办?谁来自动完成这个动作?幸好,CPU里面有个叫ALU(算术逻辑单元)来处理这件事情。

这里的控制单元,就把ROM里面的数据取出来,再用选择器,来调用加法器和乘法器,最终把结果存到寄存器中。
如果ROM里面只存数据,那是无法让控制单元知道,你要执行加法还是乘法,要解决这个问题,就需要在ROM里面再划分一个区域,存放指令码。
这个指令码,跟数据是一样,都是0、1的二进制数,只是用途不同,所以起了不同的名字。
其实这个指令码,对应在单片机里面的汇编语言,就是操作码(如:MOV);而操作数就是数据(如:01H)。具体的,可以看看单片机的教材。
根据指令码的设计方法来分,有四种,分别是CISC、RISC、VLIW、TTA,具体区别可以看计算机组成原理。
而PC(程序计数器)就是控制ROM的地址,现在你要知道PC是不能出错的,一旦出错,就意味着单片机不按照你的代码来工作。
现在,我在8位的CPU的ROM里面,第一个地址存了0x03这个指令码来代表加法,而在第二、三个地址存了加数和被加数,然后在第四个地址存了0x05代表乘法,在第五、六个地址存了乘数和被乘数。
那么,按照一定的规则来设计控制单元(这个规则可以自己定义的),它就知道0x03是要执行加法。
那么这个规则如何设计?最简单的,就是用与门了,然后输出一个使能信号,让加法器工作,就跟上面的74LS160差不多。
但是CPU可没那么简陋,它可以使用状态机、流水线等,来控制这些基本单元(如:加法器、乘法器),如下图所示:

说到这里,你至少应该知道,我们只要改变ROM的内容,就可以操作CPU内部的ALU,从而操作CPU的各个硬件单元了。
下面给出相对完整一点的ALU内部结构图:

ROM的内容本质上是一些电荷量(电容上有、无电荷,代表二进制的1和0),也就是固件、软件工程师写的代码。而硬件,就是由晶体管搭建的数字、模拟电路(如:单片机内部的比较器、ADC等)。
所以硬件是物理器件,不容易更改;而ROM的内容完全可以用烧录器就轻松改变它,修改成本非常低,而且很灵活。
在这里,你很难表述,这些电荷量是软件还是硬件,但是CPU的这种结构,导致了两种不同类型的工作者,我们称他们为软件工程师和硬件工程师。而单片机程序员写的代码,跟硬件密切相关,而且一旦完成之后,很少需要修改的(不像软件工程师修改的那么频繁),我们称之为固件。
来源:网络
版权归原作者所有,如有侵权,请联系删除。
‧‧‧‧‧‧‧‧‧‧‧‧‧‧‧‧ END ‧‧‧‧‧‧‧‧‧‧‧‧‧‧‧‧
1154

被折叠的 条评论
为什么被折叠?



