说道到这个电平转换,写程序的时候居然还要示波器来观察现象,表示我们交的是211的学费,上的却不是211大学,创新实验室的仪器设备真的是少的可怜啊,我级不吐槽了说说这个电平转换的一些知识还有看法吧。。

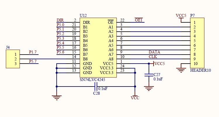
看到原理图首先得说说接线帽的问题,这个很重要,接线帽 的使用会连接到不同的引脚上,大家看原理图的时候就会知道啦,只是要小心要细心。
虽没有示波器,但是用软件的方式把led灯当作指示灯,根据指示灯的闪动也是可以的,通过74LVC4245在连接器P2的引脚上产生一定占空比的方波。
P3DIR |= BIT4; //设置P3.4为输出
P3OUT ^= BIT4; //P3.4连接的LED闪烁
用这几条语句就OK了,再就是要结合中断的使用,

这个就是电平之间相互转换的方式了,看输出使能端是高电平还是低电平,那么OPERATION的转换也是相反的,觉得也没什么好说的啦。。。
4051

被折叠的 条评论
为什么被折叠?



