问题:AIC8800 USB 接口WIFI模块无法识别
现象:
上层:WIFI打不开

驱动层:usb无法识别到AIC8800模块
A133P:/ $ lsusb
Bus 001 Device 001: ID 1d6b:0002
Bus 001 Device 002: ID 1a40:0101
Bus 002 Device 001: ID 1d6b:0001
Bus 001 Device 004: ID 2c7c:0125
调试思路:
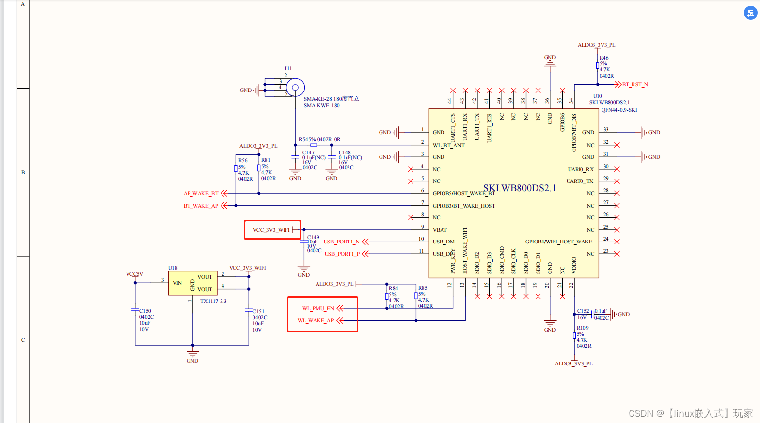
先看AIC8800硬件模块是否正常,用万用表测芯片供电是否正常


测量WL_PMU_EN发现没有3.3V,是mV,表示没有供电,找的这个引脚接到哪里去了

可以发现这个引脚接到主控CPU的PL5/S_JTAG_CK/S_PL_EINT5,即GPIO为PL5.
去对应设备树拉高电压即可。
wifi_bt_pwr:wifi_bt_pwr {
status = "okay";
gpios = <&r_pio PL 5 1 1 1 1>;
operation = <0>;
};
修改完设备树后,重新编译烧录,可以发现,驱动已经识别到AIC8800了

上层wifi也能正常使用了
文章描述了AIC8800WIFI模块在USB接口下无法被识别的问题,通过检查硬件发现WL_PMU_EN引脚没有3.3V供电。问题定位到GPIOPL5,通过修改设备树增加电压供应,重新编译并烧录后,驱动成功识别模块且上层WIFI功能恢复正常。
1958

被折叠的 条评论
为什么被折叠?



