一、简介
本篇介绍CC2541的仿真器CC Debugger的调试下载接口、用CC Debugger实现SnIFfer Packet抓包的步骤、CC Debugger 固件下载简易步骤。
CC-Debugger是ti新一代的CC系列芯片的仿真器,除了对芯片的仿真器调试外,还可作为Sniffer Packet协议分析仪。
二、CC Debugger调试下载接口



综上,下载模式时,开发板CC254x端与CC Debugger连线:DC、DD、RESET、GND、VCC(开发板CC254x独立供电时,可不需CC Debugger的VCC供电)。
注:CC Debugger的2和9引脚需要短接,方可识别CC254x。
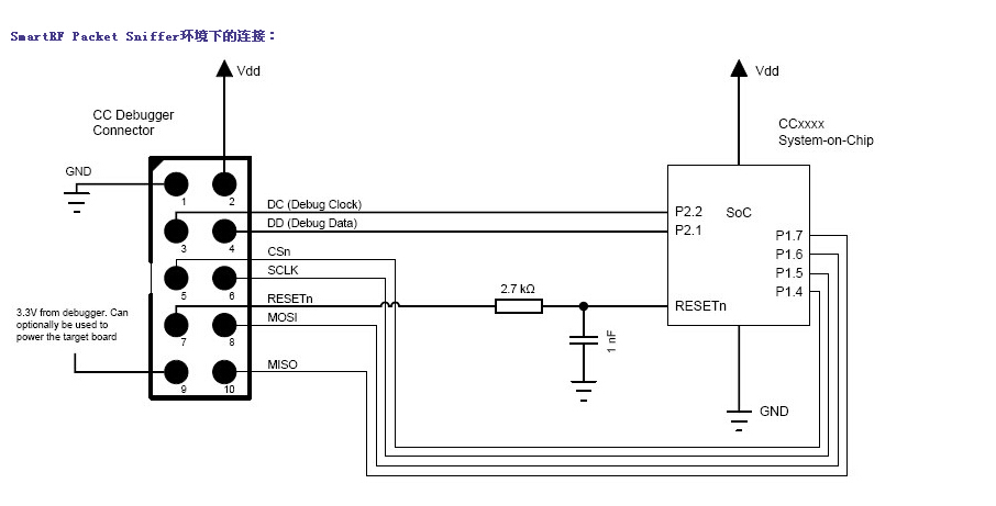
三、CC Debugger实现Packet sniffer
注:CC Debugger不能像USB Dongle一样独立地实现抓包。
它需要这样实现:CC Debugger+CCXXXX(烧写了Sniffer Packet固件)。
其中CCXXX是指:

下面步骤以CC Debugger+CC2540(smart RF开发板)为例:
1)给开发板烧写Sniffer Packet固件
固件地址:C:\Program Files\Texas Instruments\SmartRF Tools\Packet Sniffer\bin\general\firmware\sniffer_fw_cc2540.hex
下载软件:flash programmer

2)用Sniffer Packet软件抓包

四、CC Debugger 固件下载简易步骤
别人写的,直接上截图,附上作者名字~




本文详细介绍了TI的CC2541芯片配套仿真器CCDebugger的功能及使用方法,包括调试下载接口配置、SnifferPacket固件烧录步骤及如何配合SnifferPacket软件进行无线数据包捕获。
5313

被折叠的 条评论
为什么被折叠?



