📝个人主页
💥💥💞💞欢迎来到本博客❤️❤️💥💥
🏆博主优势:🌞🌞🌞博客内容尽量做到思维缜密,逻辑清晰,为了方便读者。
⛳️座右铭:行百里者,半于九十。
目录
💥1 概述
文献来源:

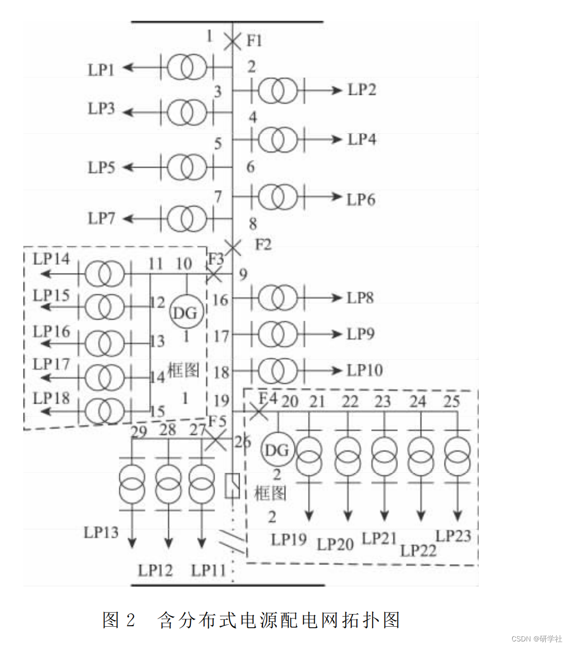
随着智能配电网的建设,各种信息和通信技术、电力电子技术和各种控制设备和分布式电源( distributed gencration,DG)广泛的应用和接入配电系统,对配电网可靠性产生了很大的影响其故障自愈控制和可靠性评估也越来越得到电力部门的重视,最优孤岛划分就是故障自愈控制中的关键环节。

一、研究背景与意义
随着智能电网的建设和新能源技术的发展,分布式电源(Distributed Generation,DG)在配电网中的应用越来越广泛。分布式电源的接入提高了配电网的供电冗余度,有助于改善电压质量和减少电压波动,但同时也增加了配电网的复杂性和不确定性,对供电可靠性提出了新的挑战。最优孤岛划分作为故障自愈控制的关键环节,对于提高含分布式电源配电网的可靠性具有重要意义。
二、研究内容与方法
1. 最优孤岛划分模型构建
最优孤岛划分旨在将配电网划分为若干个孤岛,使得每个孤岛内的负荷能够由分布式电源持续供电,同时保证孤岛间的电气隔离,以减少故障影响范围。模型构建时需考虑以下因素:
- 分布式电源的出力特性:包括光伏、风电等可再生能源的间歇性和不确定性。
- 负荷的时空分布:不同区域、不同时段的负荷需求差异。
- 网络拓扑结构:配电网的线路连接方式和开关设备配置。
- 孤岛划分的约束条件:如功率平衡、电压质量、保护协调等。
2. 可靠性评估方法
在最优孤岛划分的基础上,采用以下方法评估配电网的可靠性:
- 蒙特卡洛模拟法:通过大量随机抽样模拟系统运行状态,考虑分布式电源出力的随机性和负荷波动,计算可靠性指标如系统平均停电频率(SAIFI)、系统平均停电持续时间(SAIDI)等。
- 时序分析法:基于分布式电源和负荷的时序数据,分析不同时间段内的供电可靠性,评估分布式电源对负荷缺电概率的影响。
- 解析法:对于结构简单的配电网,可采用解析法通过数学公式直接计算可靠性指标,但难以处理分布式电源的随机性。
3. 关键技术
- 分布式电源建模:建立准确的分布式电源出力模型,考虑其随机性和间歇性,如采用概率模型或时序模型描述光伏、风电的出力特性。
- 孤岛划分算法:采用图论、优化算法(如遗传算法、粒子群算法)或启发式算法(如Kruskal算法)实现最优孤岛划分。
- 可靠性指标计算:根据孤岛划分结果和分布式电源出力情况,计算配电网的可靠性指标,评估不同场景下的供电可靠性。
三、研究结果与分析
1. 最优孤岛划分结果
通过构建最优孤岛划分模型,采用合适的算法进行求解,得到配电网的孤岛划分方案。该方案应满足功率平衡、电压质量、保护协调等约束条件,同时最大化利用分布式电源的供电能力。
2. 可靠性评估结果
基于最优孤岛划分结果,采用蒙特卡洛模拟法或时序分析法计算配电网的可靠性指标。结果表明:
- 分布式电源的接入显著提高了配电网的供电可靠性:在故障发生时,分布式电源能够形成孤岛为负荷供电,减少停电时间和范围。
- 最优孤岛划分进一步优化了供电可靠性:通过合理划分孤岛,使得每个孤岛内的负荷能够由分布式电源持续供电,同时避免了孤岛间的相互影响。
- 不同场景下的可靠性评估结果存在差异:如天气条件、负荷水平等因素对分布式电源的出力和配电网的可靠性产生影响。
3. 敏感性分析
对影响配电网可靠性的关键因素进行敏感性分析,如分布式电源的容量、接入位置、出力特性以及负荷水平等。结果表明:
- 分布式电源的容量和接入位置对可靠性影响显著:增加分布式电源的容量或优化其接入位置能够显著提高配电网的供电可靠性。
- 分布式电源的出力特性对可靠性评估结果产生影响:如光伏发电在白天出力较大,夜间出力为零,因此其对夜间负荷的供电可靠性提升有限。
- 负荷水平对可靠性评估结果产生负面影响:随着负荷水平的增加,配电网的供电可靠性逐渐降低。
四、研究结论与建议
1. 研究结论
- 最优孤岛划分能够显著提高含分布式电源配电网的供电可靠性。
- 分布式电源的接入和最优孤岛划分需要综合考虑多种因素,如分布式电源的出力特性、负荷的时空分布、网络拓扑结构等。
- 蒙特卡洛模拟法和时序分析法是评估含分布式电源配电网可靠性的有效方法。
2. 建议
- 加强分布式电源的规划和建设:根据负荷需求和电网结构合理规划分布式电源的容量和接入位置,提高其供电能力和可靠性。
- 完善配电网的保护和控制策略:针对分布式电源的接入优化保护配置和控制策略,确保孤岛划分时的保护协调和系统安全稳定运行。
- 推广智能计量和通信技术:通过智能计量设备实时监测负荷和分布式电源出力情况,利用通信技术实现信息交互和协同控制,提高配电网的自动化水平和供电可靠性。
📚2 运行结果
系统平均停电频率
SAIFI =
1.2304
系统平均停电持续时间
SAIDI =
2.9227
用户平均停电持续时间
CAIDI =
2.3754
平均供电可靠率
ASAI =
99.9666
用电可靠率(%)
1 至 12 列
99.9991 99.9930 99.9873 99.9820 99.9771 99.9726 99.9685 99.9637 99.9608 99.9584 99.9532 99.9992
13 至 23 列
99.9509 99.9638 99.9627 99.9615 99.9603 99.9592 99.9535 99.9523 99.9517 99.9511 99.9507
用户平均停电次数(次/年)
1 至 12 列
0.0213 0.2296 0.4251 0.6078 0.7778 0.9349 1.0792 1.2641 1.3701 1.4632 1.6578 1.3608
13 至 23 列
1.7417 1.2331 1.2928 1.3525 1.4122 1.4719 1.6233 1.6830 1.7252 1.7674 1.8047
用户平均停电时间(h/年)
1 至 12 列
0.0782 0.6144 1.1148 1.5794 2.0081 2.4011 2.7582 3.1817 3.4314 3.6452 4.0959 0.0662
13 至 23 列
4.3033 3.1687 3.2709 3.3731 3.4753 3.5775 4.0731 4.1753 4.2285 4.2817 4.3213
重复停电概率
1 至 21 列
0 0 0 0 0 0 0 0 0 0 0 0 0 0 0 0 0 0 0 0 0
22 至 23 列
0 0
中低压用户可靠率差(%)
1 至 12 列
-0.0325 -0.0264 -0.0206 -0.0153 -0.0104 -0.0060 -0.0019 0.0030 0.0058 0.0082 0.0134 -0.0326
13 至 23 列
0.0158 0.0028 0.0040 0.0051 0.0063 0.0075 0.0131 0.0143 0.0149 0.0155 0.0160
用户平均停电时长(h/次)
1 至 12 列
3.6714 2.6760 2.6224 2.5984 2.5819 2.5683 2.5557 2.5170 2.5045 2.4912 2.4707 0.0486
13 至 23 列
2.4708 2.5697 2.5301 2.4940 2.4610 2.4306 2.5092 2.4809 2.4511 2.4227 2.3945
时间已过 0.097821 秒。
>>

部分代码:
%% 求年平均停电持续时间U
U = zeros(3,lp);
j = 1;
for i = 1:row
if branchzuixiaolu(i,3) == 7
U(1,j) = branchzuixiaolu(i,19);%把branch_up_down矩阵中的λ存储到U中
U(2,j) = branchzuixiaolu(i,20);%把branch_up_down矩阵中的r存储到U中
U(3,j) = U(1,j)*U(2,j);%平均停电持续时间U为上述二者相乘
j = j+1;
end
end
U = U';
%% 求系统平均停电频率SAIFI(次/户年)、系统平均停电持续时间SAIDI(小时/用户?年)、用户平均停电持续时间CAIDI(小时/停电用户?年)、平均供电可靠率ASAI(%)
[rowU,columnU] = size(U);
SAIFI = 0;
SAIDI = 0;
ASAI = 0;
sum = 0;
for i = 1:rowU
SAIFI = SAIFI+U(i,1)*n;
SAIDI = SAIDI+U(i,3)*n;
sum = sum+8760*n;
ASAI = ASAI+U(i,3)*n;
if U(i,1) < 3
U(i,4) = 0;
else
U(i,4) = 1;
end
end
%% 系统可靠性指标
% 第七个指标
disp('系统平均停电频率')
SAIFI = SAIFI/(rowU*n)
% 第八个指标
disp('系统平均停电持续时间')
SAIDI = SAIDI/(rowU*n)
% 第九个指标
disp('用户平均停电持续时间')
CAIDI = SAIDI/SAIFI
% 第十个指标
disp('平均供电可靠率')
ASAI = 100*(sum-ASAI)/sum
%% 用户可靠性数据
% 第一个指标
disp('用电可靠率(%)')
U_ASAI = (1-U(:,3)./8760).*100;
disp(U_ASAI')
% 第二个指标
disp('用户平均停电次数(次/年)')
disp(U(:,1)')
% 第三个指标
disp('用户平均停电时间(h/年)')
disp(U(:,3)')
% 第四个指标
disp('重复停电概率')
P_IU = U(:,4)./rowU;
disp(P_IU')
% 第五个指标
disp('中低压用户可靠率差(%)')
Delta_U_ASAI = ASAI-(1-U(:,3)./8760).*100;
disp(Delta_U_ASAI')
% 第六个指标
disp('用户平均停电时长(h/次)')
disp(U(:,2)')
🎉3 参考文献
部分理论来源于网络,如有侵权请联系删除。
[1]吴杰康,颜少伟,叶练方,吴志山.最优孤岛划分下含分布式电源配电网可靠性评估[J].现代电力,2015,32(05):66-72.DOI:10.19725/j.cnki.1007-2322.2015.05.010.
744

被折叠的 条评论
为什么被折叠?



