一种用于提升Ka波段CMOS功率放大器带宽和效率的新设计策略
摘要
本文旨在提出一种新的设计策略,以提高功率放大器的带宽和效率。为了实现所提出的设计策略,采用台积电0.18微米CMOS技术设计了一款工作在Ka波段(即26.5‐40 GHz频率范围)的功率放大器。在设计该功率放大器时,首先设计了一个具有超宽带(即1‐40 GHz)的功分器(PD),以覆盖整个Ka波段。所设计的Doherty功率放大器包含两条不同的放大路径,称为主路和辅路。为了放大这两条路径中的信号,采用了级联分布式功率放大器。将分布式结构与级联结构结合的主要目的是提高功率放大器的增益和线性度。所设计的功率分配器的测量结果与仿真结果吻合良好。所提出功率放大器结构的仿真结果显示,该功率放大器在26‐35 GHz频率范围内的增益超过30 dB。在整个Ka波段,功率放大器输入和输出端的回波损耗均小于 -8dB。所设计功率放大器的最大附加功率效率(PAE)为80%。所提出结构的输出P1dB为36 dB,功率放大器的输出功率为36分贝毫瓦。最后,该功率放大器的IP3值约为17分贝。本文提出的策略基于利用Doherty结构和分布式结构以及新型宽带功率分配器,以同时受益于它们的优势。
关键词
CMOS功率放大器, 分布式结构, Doherty功率放大器, Ka波段, 功率分配器
论文类型
研究论文
引言
高速通信系统在生活各个领域的应用数量正在迅速增加。具有宽频率范围的毫米波频谱因适用于高速数据传输而受到广泛关注。高频波段被用于卫星通信、汽车雷达、点对点通信以及成像和雷达应用(Komijani 和 Hajimiri,2006年)。
然而,复杂通信系统采用多种调制设计,这提高了峰值与平均功率比,并导致高数据传输速率和高谱效率(Kay maksut等,2015年)。功率放大器(PAs)是高数据传输速率系统的关键组成部分,为发射机中的发射信号提供必要功率。近年来,由于对高速率高速通信的不断增长的需求,已引入了新的创新标准用于数据传输,其中一个关键初步满足要求的关键在于具有低功耗、小体积和高性能的发射机。
现代无线通信系统面临的主要挑战之一是电池寿命。与此同时,由于功率放大器功耗较高,需要更加精细的设计方法。大多数功率放大器的共同特点是仅在放大器达到最大输出功率时才能实现最高功率效率。随着输出功率的降低,功率效率显著下降。在正常情况下,功率放大器的发射功率低于最大输出功率,因此有效效率远低于其最大值。提高放大器的效率可直接降低功耗。
在用于提高效率的各种方法中,如Doherty、异相和包络跟踪,Doherty功率放大器(DPA)是一种能够提升线性功率放大器在宽范围输出功率下功率效率的技术(ficiency,Doherty power amplifier(DPA) isa technique, which improves the power efficiency fora linear PA overa widerange of output powers(Agah et al., 2013)。由于该结构相比其他方法更易于实现,DPA在设计人员中广为人知。
另一方面,第五代(5G)移动网络场景在频段和硬件基础设施方面与当前的移动标准(例如LTE)有很大不同(fifth-generation (5G) mobile network scenario is very different from the current mobile standards(ex.LTE) in terms of both frequency band and hardware infrastructure(Cripps, 2006)。事实上,为了满足高达100 Gbit/s的最大数据传输速率、低于1 ms的延迟以及超过1 M/km2, a new type of network is required(Nekovee,2015)。这种网络包含更高的小区密度,因此最大功率更低,载波频率位于Ka波段,支持宽带、波束分多址(BDMA)和大规模MIMO等新型接入方式(Gupta and Jha,2015)。此外,在复杂的调制方案中,最大功率与平均功率之比大于12dB(Asbeck,2016)。这一场景无疑将对发射机系统提出更严格的要求,尤其是对功率放大器(PA),因为PA被广泛认为是影响整个无线电系统线性效率的关键部分。因此,PA效率在5G中极为重要,因为它与基站的运营成本和手机电池寿命密切相关。事实上,著名的Doherty架构通过主动负载调制在宽范围的射频输出功率下实现了高平均效率(finitely apply more strict requirements on the transmitter system, especially for the PA, which is widely known as responsible for the linearefficiency of the entire radio. Thus, the PA efficiency is very significant in 5G, as it is closely related to the base station operating costs and phone battery life. Indeed, the renowned Doherty architecture obtains a high average efficiency in a wide range of RF output powers through active load modulation(Camarchia et al., 2015)。
在通信系统中另一个重要问题是带宽。在宽带数据收发系统以及需要宽带线性相位放大的应用中,存在多种设计放大器的方法。最常见的方法是采用分布式放大器(DA)结构。近年来,带宽和性能这两大挑战一直是功率放大器设计人员关注的重点。因此,本文同时采用了分布式和Doherty结构,并利用所提出的宽带功率分配器(PD),成功实现了这两个重要指标的可接受的值。该引入的结构基于台积电CMOS 0.18微米工艺设计,并在26至40吉赫兹的频率范围内进行了仿真。所有仿真均在高级设计系统(ADS)软件中完成。仿真结果表明,该设计的功率放大器在效率和带宽方面优于以往研究中提出的放大器。
本文的结构如下:第2节阐述了所引入的功率分配器的设计过程,然后将设计的功率分配器通过测量获得的工作参数与先前论文中介绍的一些功率分配器的结果进行比较。第3节介绍了提出的功率放大器结构,并描述了该目标结构各个部分的功能。第4节涵盖了为评估设计的放大器性能而进行的仿真结果,并基于这些结果,将本文提出的放大器性能与其他论文中提出的一些放大器性能进行了比较。最后,第5节给出了结论。
2. 功率分配器
2.1 所提出的功率分配器的设计原理
通常,单个固态器件输出端能够实现的功率不足以满足高频应用。因此,为了达到所需的功率值,似乎有必要将多个器件的输出功率结合起来(乔弗雷 等,2018年)。
针对毫米波功率合成,已提出多种方法。其中最熟悉的功率分配器是3dB威尔金森型,属于两路等分型。图1展示了N路功率分配器的基本结构。在此结构中,传输线(TLs)的特性阻抗为Z0HN,其中Z0为输入和输出线路的特性阻抗(科兰托尼奥等,2009)。
图2展示了最常见的威尔金森功率分配器/合成器,即3dB‐威尔金森,这是一种两路等分型。由于其低损耗特性,双向威尔金森合成器不仅在微波频段,而且在毫米波频率下都有应用;该合成器在处理显著高功率时,常被用作fi末级。
S.B. 科恩对双向威尔金森的基本结构进行了改进,以将工作带宽扩展至一个十倍频程(Cho等,2007)。该方法基于用分布元件替代单级四分之一波长变换器。这些包含N对等长传输线的分布元件如图3所示。
单电阻威尔金森功分器最关键的问题是其带宽非常窄。在本文中,我们将展示如何通过结合fi五个威尔金森功分器并采用图3所示的模型来提升所提出功率分配器的带宽。通过对它的各个部分进行优化,我们已能够将带宽扩展到更宽的范围。
在许多文章中,已使用过多级威尔金森功分器技术,但作者未能实现如此宽的带宽。其枝节的形成和组合方式是他们的薄弱环节。在提出的功率分配器中,所有部分均为弯曲的,与先前研究中使用的矩形枝节相比,这提升了带宽。设计弯曲微带线非常困难,因此先前的文章均采用矩形线而非弯曲线。当使用矩形线时,角点处会出现断裂,从而产生谐振并限制带宽。为此,在所提出功率分配器的设计中,所有线路均被设计为弯曲的,以避免出现阶跃或断点。
提出的功率分配器由五个单节威尔金森功率分配器组成。因此,提出的功率分配器中有五个电阻,用于隔离两个输出端口。这些电阻的值基于标准值进行了优化。
由于所提出的功率分配器具有非常宽的带宽,且工作频率高达40吉赫兹,因此采用介电常数为2.2、厚度为0.127毫米的罗杰斯高频基板(RO5880)来设计和制造该功率分配器。该基板主要用于各种微波和毫米波功分器。为了确定介电常数的固定值,首先应明确功率分配器的应用场景以及我们在设计过程中最关键的参数。功率分配器的尺寸通常是设计人员首要考虑的因素。在大尺寸设计中应使用较低的介电常数值,而随着介电常数的不断提升,功率分配器的尺寸会随之减小。我们的工作频率包含大于60吉赫兹的宽带宽。设计结构中采用了二阶切比雪夫型的0度和180度等分功分器。所提出功率分配器中的每个节点代表一个谐振器,谐振器之间的连线表示直接耦合路径。为了获得二阶切比雪夫滤波响应和等功率分配,分别对0度和180度功分器应用了矩阵公式法。
该耦合结构相对于两个输出端口是对称的。由于谐振器是功分器的基本组成单元,因此有必要选择合适的谐振器类型用于功分器设计。为了减小尺寸,网型谐振器被折叠成方形盒状。根据这种谐振器结构,可实现电耦合和磁耦合:当两个折叠网型谐振器的开路端线路部分紧密放置时,产生电耦合;当两个折叠网型谐振器的短路端线路部分紧密放置时,则产生磁耦合。作为示例,设计的0度和180度滤波功分器在60吉赫兹的中心频率处实现了3.5%的相对带宽。基于固有损耗图中的制造商网站;该基板在40吉赫兹频率下的固有损耗约为0.3分贝。与FR4等其他基板相比,该基板在高频下的固有损耗最低。
所提出的PD的另一个优点是其紧凑性;它比大多数类似的PD更小。设计的PD的尺寸为24.3 mm × 10 mm × 0.127 mm。所提出结构的原理图和加工的PD的照片如图4所示。
采用CST 2017软件对这种分路器的结构进行仿真,并评估其工作参数和规格。
2.2 仿真和测量结果
2.2.1 散射参数
设计的功率分配器的主要优势在于其宽带宽。从图5 中可以看出,在整个Ka波段范围内,所提出功率分配器三个端口的S11, S22和S33, 回波损耗值均低于 -15分贝,远低于 -10分贝的基准值。这表明在所提出的功率分配器的三个端口中均实现了良好的阻抗匹配。因此,与整个Ka波段相比,设计的功率分配器的带宽为190%。
提出的功率分配器的传输图如图6所示。从图6中可以看出,在1‐40吉赫频率范围内,各传输图的纹波率均小于0.4 dB。此外,在1吉赫时的固有损耗约为0.1 dB。因此,在1‐40吉赫频率范围内,S12 和S13 传输图的纹波率与固有损耗的总和为0.5 dB。
可以看出,图7 中设计的功率分配器在1‐40吉赫范围内的两个输出端口之间的隔离度小于优于 -12dB,表明提出的功率分配器在整个工作频带内具有良好的隔离度。
2.2.2 相位和幅度差
所提出的功率分配器两个输出端口之间的相位差示意图如图8所示。由图8 可以看出,S13 和S12 的相位图完全重合。因此,在频率为1–40吉赫兹时,两个输出端口之间被认为具有零相位差。
| 参考文献 | 带宽 相比 Ka波段 (%) | 回波损耗 在输出端口 (dB) | 回波损耗在 输入端口 (dB) | 隔离度 (dB) | 固有损耗 (dB) | Size (mm) | 中心 频率 (吉赫兹) |
|---|---|---|---|---|---|---|---|
| 内马蒂等人(2018) | 60 | < 22 | < 10 | < 15 | 0.5 | 25×35 | 3.7 |
| 王等人(2018) | 110 | < 16.1 | < 15.3 | < 15 | 0.46 | 13×9 | 4 |
| 奥乔亚等人(2017) | 42 | < 10 | < 10 | < 8 | 0.8 | 10.95 × 10.2 | 38 |
| 基齐尔贝等人(2017) | 100 | – | < 15 | – | 0.6 | 35×45 | 4 |
| 崇猜瓦查姆南等人 (2006) | 133 | < 15 | < 15 | < 20 | 0.5 | 42×26 | 6 |
| Mishra 等人 (2014) | 90 | < 15 | < 15 | < 15 | 0.4 | 55×31 | 1.1 |
| 徐和唐 (2014) | 109 | < 17 | < 14.7 | < 15 | 0.52 | 21 × 4.6 | 6.8 |
| 本研究 | 190 | < 22 | < 14 | < 12 | 0.45 | 10 × 24.3 | 20.5 |
3. 功率放大器:理论与设计
功率放大器可能是旨在放大信号功率的系统中最关键的部分。通常被视为功率放大器性能指标的参数包括增益、线性度、效率等。在功率放大器中,效率定义为平均输出功率与直流功耗的比值。功率放大器主要工作在平均功率状态下( Zhang 和 Li, 2008年)。因此,其平均功率效率非常重要。
在传统的A类、B类和AB类功率放大器中,高功率下的效率越高,平均功率效率反而越低。当考虑电池寿命时,高平均效率是移动系统的关键参数之一。W. H. 多尔蒂提出了一种提高平均效率的有效方法(Huang 等, 2010年)。Doherty功率放大器基于对放大器件负载的调制,从而使放大器在其最高效率状态下工作(Zhang 等, 2012年)。因此,通过使用另一个有源器件——辅助放大器(或峰值)——根据负载调制思想对主放大器(或载波)的终端进行调制(Camarchia 等, 2015年)。图10展示了 Doherty功率放大器的一种通用结构。
负载调制电路基于以电流合成方式合并来自两个有源器件输出的非对称功率的思想工作。因此,主放大器在低功率条件下和高功率情况下均能实现最大性能。此外,该概念提供了稳定增益,以获得线性行为。通常,功率放大器在特定优化的终端阻抗仅在最大功率时提供峰值效率,因为完整的输出电压和电流波动仅在恒定负载描述的最大输出功率处获得。fluctuations are obtained merely at the maximum of the output power described by the constant load. 动态负载调制的DPA将在由调制负载指定的不同功率电平上实现最大性能。在负载调制过程中,载波放大器在最大输入电压的1 s处达到峰值效率,并且在此过程中在更高功率下保持峰值效率,如 figure 11中所示。辅助放大器仅在最大功率时达到峰值效率。
在低功率区域(0< Vin< Vin, max/2),辅助放大器保持在截止状态,主放大器的负载阻抗是传统结构的两倍。因此,载波放大器在输入电压为(Vin, max/2)时达到饱和状态,因为在电流最高电平的1 s处电压波动达到最大值Vdc 。从而,峰值功率为1 s时主放大器的功率,DPA的效率与主放大器的最大效率相同。在这种低功率工作状态下,仅有整个功率单元的1 s部分的主放大器产生功率,且在预设功率值下的效率是功率单元放大器的两倍(Camarchia等,2015年)。
在高功率区域(Vin, max/2< Vin< Vin, max),辅助放大器处于导通状态,主放大器由于负载调制保持饱和工作,从而以最大效率产生功率。辅助放大器在开启状态下工作于大负载,其效率迅速提升;然而,仍低于最大效率。因此,DPA的整体效率有所下降。然而,当峰值放大器在最大功率时以饱和工作产生最高效率,便获得了下一个效率点。因此,存在两个最高效率点,如图11所示,这改善了回退输出功率值处的效率。结果,Doherty结构在输入电压峰值点的效率与已知放大器的最高效率相同。因此,与普通B类放大器相比,DPA结构在整个功率电平范围内具有更高的效率。因此,DPA结构是提高效率的良好选择。
| Type | 输出 功率 | 平效均率 | RF 带宽 | 调制 带宽 |
|---|---|---|---|---|
| AB类 | High | Low | High | High |
| DPA | High | High | Low | High |
| 包络跟踪 | 中等 | High | High | Low |
| 偏置调制 | Low | High | High | Low |
带宽是最重要的因素之一,因为它决定了系统以高速率传输数据、发送或接收短脉冲以及处理宽带信号的能力。在宽带数据传输和接收系统中,有多种设计放大器的方法。分布式放大器通常被用作电信中的合适宽带放大器。由于其在宽带宽范围内具有稳定增益,因此可防止接收信号的散射。
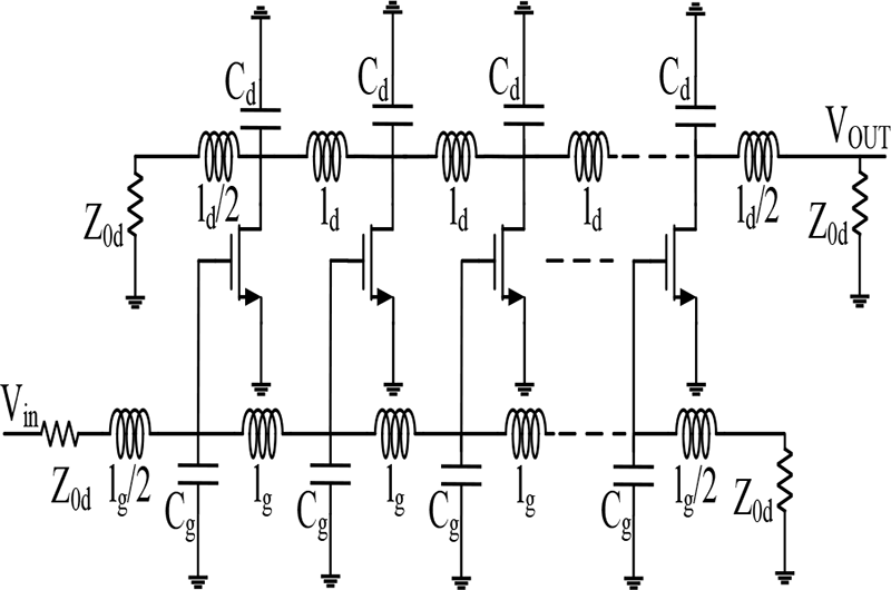
分布式结构的主要思想是使用多级级联晶体管来提高增益,并将寄生电容同时吸收到漏极和栅极传输线中,以获得宽带宽。分布式放大器的基本形式如图12所示,其中使用了一串相同晶体管,它们的栅极连接到特性阻抗为Z0g 、长度为lg 的传输线,而它们的漏极则连接到特性阻抗为Z0d、长度为ld的传输线(Nikandish et al., 2018年)。
DA结构基于同时提升功率放大器的增益和带宽。输入电压波通过栅极线传播,并以相位偏移到达晶体管的栅极。每个晶体管增加其栅极电压,并通过漏极线产生漏极电流。如果栅极和漏极线部分引起的相位偏移相同,即:
$$ bglg ¼ bdld $$
其中,bg和bd分别为栅极线和漏极线的传播常数,漏极电流获得终端阻抗并实现有效合成。这些传输线在另一端以其终端特性阻抗终止,以吸收反向传播的波。假设每个器件的跨导增益为Gm,晶体管呈现出的输出阻抗为1 s
根据传输线的特性阻抗,电压增益可表示为公式(2):
$$ Av ¼ 1/2 nGm Z0d $$
这里,n是级数,Z0d是漏极线的特性阻抗。通过使用更多的级数或更高的Gm,可以增强分布式放大器的增益。Z0d需根据输出阻抗匹配条件进行调节。应当注意的是,公式(2)是在假设传输线无损的情况下得出的。由于传输线存在损耗,电压幅度在沿栅极和漏极线传播时会减弱。这一结果导致在使用更多级数时电压增益下降。因此,存在一个最佳增益级数,可实现电压增益的最大化(Nikandish等,2018年)。
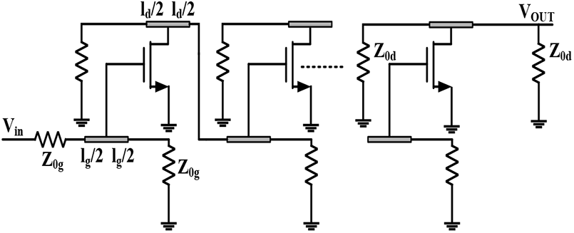
图12 的电路原理图假设晶体管的寄生电容沿传输线均匀分布。图12 所示模型无法对分布式放大器的带宽进行真实评估。此外,分布式放大器可通过集总元件构成的人工传输线实现,如图13所示。
中解释的条件公式(1)被修改为:
$$ lgCg ¼ ldCd $$
这里,Cg和Cd分别是每个晶体管栅极和漏极处的电容,而 Lg和Ld则分别表示栅极线和漏极线的电感。分布式放大器 (DA)的带宽受限于栅极和漏极线的截止频率。该截止频率可按如下方式获得:
$$ vC ¼ 2 \sqrt{LC} $$
这里,L和C是集总元件线路的电感和电容,假设栅极和漏极线具有相等的截止频率。通过集总元件线路的波在超过截止频率后会显著衰减。应使用小尺寸的晶体管以获得更高带宽,但这会降低分布式放大器(DA)的增益。由于线路的特性阻抗由L/C比值决定,为了获得更大的带宽,电感L不能太小。因此,在分布式放大器中存在增益与带宽之间的权衡。晶体管的输入电容是限制分布式放大器带宽的主要寄生电容。通过电容耦合是一种减少栅源电容对栅极线负载效应的方法
电容对栅极线的影响。在晶体管的栅极串联一个电容,可将电容减小至Cgs/(1+ Cgs/Cc)[图14(a)]。值得注意的是,由于晶体管输入端的电压分压,电压增益会下降(1+ Cgs/CC)倍。该方法通常应用于栅源电容较大的晶体管限制带宽、且增益不是设计过程首要注意事项的分布式放大器中。如图14(b) 所示的级联放大器是一种常用结构,可用于提高分布式放大器输入和输出之间的高隔离度。级间电感将与级间寄生电容相关的极点转移到更高频率,从而增强带宽(Nikandish et al., 2018年)。
为了提高分布式放大器的增益,采用了多级放大器。fier。可以应用带宽改进方法来防止级间寄生电容造成的带宽限制。典型的多级放大器如图15所示。
多个分布式放大器可以以级联方式工作以获得更高的增益。级联单级分布式放大器(CSSDA)是一种旨在实现高增益和宽带宽的结构,如图16所示。晶体管的寄生电容被引入传输线中以实现宽带宽,而通过级联增益级来提高增益( Nikandish等,2018年)。
电容耦合,(b) 共源共栅放大器)
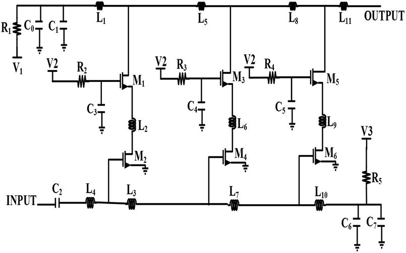
本文提出的结构基于在功率放大器中应用Doherty结构和分布式结构,以利用它们的优势。fit从其优势。前一节中设计的功率分配器也被用于实现更宽的带宽。为了在提出的放大器输出端合并功率,设计的功率分配器也被反向使用。fier,设计的功率分配器也被反向使用。 图17 描绘了提出的功率放大器的框图。
在 图17中,主路和辅路放大器基于分布式结构。根据图 17,每个主路和辅路DA由三个不同的部分组成,分别用1、2和3表示,所有部分以级联方式相互连接。由于传统的PA具有高带宽但低增益的特点,因此在提出的PA中采用了级联多级分布式放大器(CMSDA)方法来提高增益(Gil等, 2008年)。
第1节中的图17(在主路和辅路放大器中)有两个主要任务:1 输入端的匹配;以及 2 改善放大器的饱和状态。换句话说,该部分起到前置放大器的作用。fier。第1节的原理图如图17所示,显示在图18中。Figure 17中的第1节,如 Figure 18所示,是一个由6个晶体管组成的三级分布式放大器。
| 电容器 | 晶体管 | 电感器电压 |
|---|---|---|
| C0= 25.40 pF M1 Lr= 0.18 um L1= 0.08 nH V1= 2.82 伏特 Wr= 1.88 微米 | C1= 9.23 皮法 M2 Lr= 0.18 微米 L2= 0.01 纳亨 V2 = 2.13 伏特 Wr= 1.65 微米 | C2= 4.11 皮法 M3 Lr= 0.18 微米 L3= 0.17 纳亨 V 3 = 0.87 伏特 Wr= 2.00 微米 C3= 1.65 皮法 M4 Lr= 0.18 微米 L 4 = 0.08 纳亨 Wr = 2.00 微米 C4 = 1.65 皮法 M5 Lr = 0.18 微米 L5 = 0.17 纳亨 Wr = 2.09 微米 C5 = 1.65 皮法 M6 Lr = 0.18 微米 L6 = 0.01 纳亨 Wr = 2.01 微米 C 6 = 9.23 皮法 L 7 = 0.17 纳亨 C 7 = 25.42 皮法 L 8 = 0.17 纳亨 L 9 = 0.01 纳亨 L 10 = 0.08 纳亨 L 11 = 0.10 nH |
第2节图17 (主路和辅路放大器中)包含四个晶体管,用于匹配第1节和第3节,并提高增益。第2节的原理图如图 19所示。
| 电容器 | 晶体管 | 电感器电压 |
|---|---|---|
| C8= 25.40 皮法 M7 Lr= 0.18 微米 L12= 1.66 纳亨 V4= 3.09 伏特 Wr= 6.80 微米 | C9= 9.23 皮法 M8 Lr= 0.18 微米 L13= 0.54 纳亨 V5= 2.31 伏特 Wr= 2.03 微米 C10= 1.65 皮法 M9 Lr= 0.18 微米 L14= 0.09 纳亨 V6= 1.05 伏特 Wr= 1.94 微米 C11= 4.11 皮法 M10 Lr= 0.18 微米 L15= 0.42 纳亨 V7 = 2.05 伏特 Wr= 2.03 微米 C12= 4.11 皮法 L16= 0.92 纳亨 V 8 = 0.93 伏特 C13= 1.65 pF |
第3节图17(主路和辅路功放中)由六个晶体管以分布式方式连接,作为主放大器。放大功能主要在第3节完成,小部分在第2节完成。图17中第3节的原理图显示于图20。
| 电容器 | 晶体管 | 电感器电压 |
|---|---|---|
| C 14 = 9.23 pF M11 L r = 0.18 um L 17 = 0.08 nH V 9 = 2.77 伏特 Wr = 2.21 微米 | C 15 = 25.40 皮法 M12 L r = 0.18 微米 L 18 = 0.01 纳亨 V 10 = 2.49 伏特 Wr = 1.95 微米 C 16 = 1.65 皮法 M 13 L r = 0.18 微米 L 19 = 0.08 纳亨 V 11 = 0.97 伏特 W r = 2.20 微米 C 17 = 4.11 皮法 M 14 L r = 0.18 微米 L 20 = 0.17 纳亨 V 12 = 2.88 伏特 W r = 2.05 微米 C 18 = 1.65 皮法 M 15 L r = 0.18 微米 L 21 = 0.17 纳亨 W r = 1.96 微米 C 19 = 4.11 皮法 M 16 L r = 0.18 微米 L 22 = 0.01 纳亨 W r = 1.91 微米 C 20 = 1.65 皮法 L 23 = 0.17 纳亨 C 21 = 4.11 皮法 L 24 = 0.17 纳亨 C 22 = 4.11 皮法 L 25 = 0.01 nH C 23 = 9.23 pF L 26 = 0.08 nH C 24 = 25.40 pF L 27 = 0.08 nH |
4. 所设计功率放大器工作参数的分析
4.1 散射 g p参数
4.1.1 S21功率增益
S21,应为高,主要原因有两个:1 将从天线接收到的非常微弱的信号转换为后续模块可用的信号;以及 2 功率放大器的增益越大,根据弗里斯方程,后续级噪声的影响就越小。
图21 显示了提出的功率放大器的增益。由 图21 可以看出,在Ka波段的较宽范围内,即26‐35GHz,增益大于30分贝。
4.1.2 输入端回波损耗
S11或设计的功率放大器的输入回波损耗图如图22所示。图22 显示,在26‐40GHz的频率范围内,参数S11低于 -8分贝。因此,在该频率范围内的输入端口处实现了可接受的近似匹配。
4.1.3 输出端回波损耗
所提出的功率放大器的S22或输出回波损耗图如图23所示。由 图23 可知,在26‐37GHz的频率范围内,S22参数低于 -10dB;因此,在该频率范围内输出端具有可接受的近似匹配。
4.1.4 隔离度
S12参数表示隔离度,其值越小越好。所设计的PA的S12曲线如 图24 所示。从 图24 可以看出,所提出电路在整个Ka波段的隔离度小于 -120dB,性能非常好。
4.2 功率附加效率
效率指放大器将直流功率转换为射频功率的比例。在高增益条件下,通常使用功率附加效率来分析功率放大器的性能,这是射频功率放大器的一个决定性参数。图25 展示了设计的功率放大器在26、30 和 34GHz时,功率附加效率随输入功率(即PIN)的变化情况。图25 显示在PIN为5 dB时,功率效率达到最大值,在 30GHz的PIN下约为80%,是之前放大器的两倍。
4.3 增益
对于理想线性放大器,输出功率相对于输入功率是一条斜率为1 的直线,其中放大器的增益等于输出功率与输入功率之比。在特定范围内,放大器响应遵循线性响应,然后开始饱和,导致增益下降。为了确定放大器线性性能的范围,定义了1 dB压缩点,在该点处,输出功率的变化相比输入功率减少了1 dB。为了计算 P1dB输入点,应考虑不同输入功率值下的增益。当增益比初始值低1 dB时,即放大器在低功率下的线性增益,该点被指定为输入功率的1 dB压缩点或P1dB输入点。另一方面,P1dB输出点可独立于输入P1dB并根据1 dB压缩增益来计算。为此,应类似地针对不同的输出功率值来考察增益值。当增益比初始值低1 dB时,即放大器在低功率下的线性增益,该点被指定为输出功率的1 dB压缩点或P1dB输出点。设计的功率放大器在26、30 和 34GHz下增益随输入功率变化的曲线如图26 所示。
如图26所示,所提出的放大器在30吉赫频率下的P1dB输入点为4 dBm。此外,该放大器在30 GHz时的增益值为32dB。提出的功率放大器的P1dB输出点示意图如图27所示。图 27。
图27 描绘了设计的功率放大器在约36分贝输出功率下的 P1dB值,远大于先前的文章。
4.4 三阶交调截点
P1dB与IP3之间的关系对于三阶非线性特性具有重要意义,如下所示:
$$ P1dB ¼ IP3 9:6dB $$
对于工作在线性性能区的放大器或接收机,IP3具有恒定值,不随输入功率的增加而变化。提出的功率放大器在30吉赫时的IP3图如图28所示。从图28 可以看出,提出放大器的IP3值约为17分贝。
4.5 输出功率
提出的功率放大器在26、30 和 34GHz下输出功率随输入功率变化的关系图如图29所示。从图29 可以看出,提出的功率放大器在30吉赫时的输出功率约为35分贝毫瓦,对应PIN ,高于先前的文章。
4.6 稳定性
功率放大器的稳定性非常重要。由于存在从输出端反馈到输入端的反馈,放大器可能会变得不稳定。可以通过S参数实现稳定性。最常用的稳定性定义是斯特恩稳定性因子,其表达式如公式(6):
$$ K ¼ 11 jDj jS11j2 jS22j2 / 2jS11jjS22j $$
其中:
$$ D ¼ S11S22 S12S21 $$
如果满足以下条件,则称为无条件的稳定性。换句话说,对于每个输入和输出阻抗,该功率放大器都是稳定的:
K> 1; D< 1
图30 展示了基于斯特恩稳定性因子绘制的K因子图,作为评估提出结构稳定性的依据。可以从 图30 中观察到,在 26‐40GHz 范围内的所有频率上,K(斯特恩稳定性因子)的值均大于 30。此外,使用 D 因子在 公式(7) 中计算了 26、30 和 34GHz 处的值。在上述三个频率处获得的 D值均小于 1。因此,提出的功率放大器是无条件稳定的。
4.7 功耗
图31 显示了设计的功率放大器的功耗图。
| 参考文献 | 频率 (吉赫兹) | Gain (dB) | PAE (%) | 偏置电压 (伏特) | P1dB 瓦(分)贝毫 | 输出功率 (分贝毫瓦) | 技术 |
|---|---|---|---|---|---|---|---|
| 查皮迪等人(2017) | 40 | 29.4 | 28.5 | – | – | 23.7 | SiGe |
| 阮等人(2017) | 28.5 | 15 | 37 | 8 | 28.2 | 28.2 | GaAs |
| 阮等人(2018) | 29.5 | 10.5 | 64 | 4 | 27 | 33 | GaAs |
| 阿加赫等人(2013) | 42 | 7 | 23 | 2.5 | – | 18 | 绝缘体上硅CMOS |
| Indirayanti和Reynaert(2017) | 32 | 22 | 21 | 1 | 16 | 19.8 | 体硅CMOS |
| Kaymaksut等(2015) | 70 | 30 | 14 | 1.5 | 15.2 | 21 | CMOS |
| Shakib等(2016) | 30 | 15.7 | 35.5 | 1 | 13.2 | 14 | CMOS |
| Hu等(2017) | 28/37/39 | 18.2 | 20.3 | 1.5 | 15.5 | 17.1 | SiGe |
| Nguyen等(2019) | 28 | 11.8 | 65 | 4 | 37 | 26.5 | GaAs |
| Xia等(2019) | 1.6 2.6 | 7.6 9.6 | 53 66 | 26 | – | 46 | GaN |
| 本研究 | 30 | 32 | 80 | 3.8 | 36 | 35 | CMOS 0.18微米 |
对先前的文章进行回顾,并将其与当前研究进行比较,表明提出的结构相较于其他结构的优势如表6所示。
与之前的研究相比,提出的结构具有以下优缺点: 设计的功率放大器的增益高于其他类似放大器。提出功率放大器的功耗远低于其他类似放大器。提出功率放大器的效率为80%,高于其他类似放大器。互补金属氧化物半导体 是用于高频集成电路中最受关注的技术之一,因其成本低、功耗低以及与基带电路集成的潜力。此外,互补金属氧化物半导体分布式放大器的主要优势是更宽的带宽,这是通过使用高速晶体管实现的。互补金属氧化物半导体在分布式放大器中应用的主要问题是由于损耗性硅衬底和薄金属层导致的传输线高损耗。这些问题导致与砷化镓分布式放大器相比,增益较低且噪声系数较高。击穿电压较低的互补金属氧化物半导体晶体管也限制了分布式放大器的输出功率和线性度。关于本文所使用技术的一个重要点是,尽管该技术比其他技术更便宜且更易获得,但它直接影响功率放大器的尺寸,并对设计人员施加空间限制,因此使用该技术时必须使用多个电感器。一个有价值的研究课题将是用其他技术对提出的结构进行仿真和实现,以在功率放大器的尺寸紧凑性、输出功率、线性度等方面获得更好的结果。根据其规格,适合该提出结构的技术是基于氮化镓的技术。本文设计的功率分配器覆盖整个Ka波段,因为它具有非常宽的1‐40吉赫带宽。本文介绍的技术需要一个片外的功率分配器,这可能会导致一些其他面积限制。所提结构的性能评估是在ADS仿真环境中完成的,在某些参数(如效率)上获得了可接受的值。一项有价值的进一步研究将是所介绍结构的制造,并将测量结果与已制造的功率放大器进行比较。完成所提出的功率分配器和功率放大器的仿真后,可在某些fluctuations can be observed in some of the graphs. Different reasons can be explained for the observed fluctuations such as the fact that elements in the circuits show different behavior over a frequency range, inappropriate matching at input and output terminals of the circuit, have no access to an appropriate process like GaN, which may bring better results in Ka-band, etc. The focus of this paper is on bandwidth and efficiency enhancement, not wideband matching. Although fluctuations in some graphs are not desired, the systematical expectations were satisfied with the obtained results. For example, 图23 shows the input return losses of the designed PA. While this figure displays fluctuations over the frequency range of 26-40GHz, this parameter is below the -8dB in the mentioned frequency range, which indicates that there is acceptable approximate matching in the input within this frequency range at the input terminal.
5. 结论
本文提出了一种基于Doherty和分布式方法的功率放大器新结构,以充分利用二者的优势。该提出的结构采用台积电 0.18微米CMOS技术设计,工作于Ka波段,即频率范围为 26.5‐40GHz。为了评估设计的功率放大器的工作参数,使用了ADS2016软件。在设计DPA时,首先设计了一个具有极宽带宽(即1‐40吉赫)的功率分配器,以覆盖整个Ka波段。该提出的功率分配器的设计与仿真采用了CST2017软件。本文提出的功率放大器结构基于Doherty方法,包含两条信号放大路径,称为主路和辅路。在每条路径中均采用级联分布式功率放大器来实现信号放大。将分布式结构与级联结构结合的主要目的是提高功率放大器的增益和线性度。提出的功率放大器在26‐35GHz频率范围内的增益超过30分贝。在整个Ka波段内,功率放大器输入和输出端的回波损耗均小于 -8 dB。DPA的最大功率附加效率为80%。提出的功率放大器的 P 1dB 输出点为36dB,设计的功率放大器的输出功率为36分贝毫瓦。最后,提出的功率放大器的IP3值约为17分贝。根据所获得的结果,提出的结构可以应用于不同行业的多种应用。通信系统如5G网络、航空航天系统、雷达、导弹和医疗设备等,都是该设计的功率分配器和功率放大器的一些实时和未来应用。由于在效率和带宽方面获得了提升,所有需要高效率和/或宽带宽的应用都可以采用此配置。特别是,在现代无线通信系统中,电池寿命是一个关键参数,该结构的使用可能非常有益。一个有价值的未来研究课题是将本文提出的结构通过其他技术进行仿真和实现,以在功率放大器的尺寸紧凑性、输出功率、线性度等方面取得更好的结果。
1443

被折叠的 条评论
为什么被折叠?



