国王的生活并不轻松
码龄3年
关注
提问 私信
  • 博客:11,110
    11,110
    总访问量
  • 9
    原创
  • 62,055
    排名
  • 590
    粉丝
  • 79
    铁粉
  • 学习成就
IP属地以运营商信息为准,境内显示到省(区、市),境外显示到国家(地区)
IP 属地:上海市
  • 加入CSDN时间: 2021-12-19
博客简介:

step by step.

查看详细资料
  • 原力等级
    成就
    当前等级
    2
    当前总分
    143
    当月
    17
个人成就
  • 获得140次点赞
  • 内容获得6次评论
  • 获得193次收藏
创作历程
  • 8篇
    2024年
  • 1篇
    2023年
成就勋章
TA的专栏
  • FPGA开发
    4篇
兴趣领域 设置
  • 硬件开发
    fpga开发
创作活动更多

HarmonyOS开发者社区有奖征文来啦!

用文字记录下您与HarmonyOS的故事。参与活动,还有机会赢奖,快来加入我们吧!

0人参与 去创作
  • 最近
  • 文章
  • 代码仓
  • 资源
  • 问答
  • 帖子
  • 视频
  • 课程
  • 关注/订阅/互动
  • 收藏
搜TA的内容
搜索 取消

关于录屏软件 Captura 及 FFmpeg 安装配置教程

Captura是一款免费开源的屏幕录制工具,它能够将屏幕上的任意区域、窗口录制成视频。可以选择是否显示鼠标、记录鼠标点击、键盘按键、计时器、声音,也可以从捕获。但是Captura是依赖于,所以需要事先安装好FFmpeg才能录屏,否则无法运行。
原创
发布博客 2024.11.01 ·
383 阅读 ·
3 点赞 ·
0 评论 ·
5 收藏

PAK5.8 数据分析软件创建项目指南

MKII 数据采集终端与 PAK 测试软件高度集成,组成完整数据采集分析系统;数据分析快捷、高效,具有强大的数据处理功能。
原创
发布博客 2024.08.27 ·
457 阅读 ·
10 点赞 ·
0 评论 ·
3 收藏

基于AD2428的SigmaStudio属性配置

本文档概述了如何在SigmaStudio上绘制A2B原理图。该文档描述了SigmaStudio中用于A2B网络发现、配置、调试和分析的各种特性。使用SigmaStudio可以在主机PC上快速原型和评估A2B系统。系统经过验证后,可以将网络配置信息以各种格式导出,以便于集成到嵌入式平台中。
原创
发布博客 2024.08.08 ·
1315 阅读 ·
14 点赞 ·
0 评论 ·
35 收藏

基于A2B总线的IIC接口

​a2b总线集成i2c,I2S,TDM,PDM以及A2B总线通讯方式,i2c总线主要用于控制通讯
原创
发布博客 2024.08.01 ·
857 阅读 ·
18 点赞 ·
0 评论 ·
16 收藏

国产高云FPGA基于麦克风阵列采集

使用高云GW2A系列开发板,采集64阵列MEMS数字麦克风信号,并通过以太网发送上位机进行验证。
原创
发布博客 2024.06.05 ·
2042 阅读 ·
36 点赞 ·
1 评论 ·
53 收藏

国产高云FPGA基于ov5640的以太网传输

​本实验任务是使用开发板及 OV5640 摄像头实现640*480@30Hz 的图像采集,并通过以太网发送上位机并实时显示图像。
原创
发布博客 2024.05.13 ·
1784 阅读 ·
28 点赞 ·
3 评论 ·
31 收藏

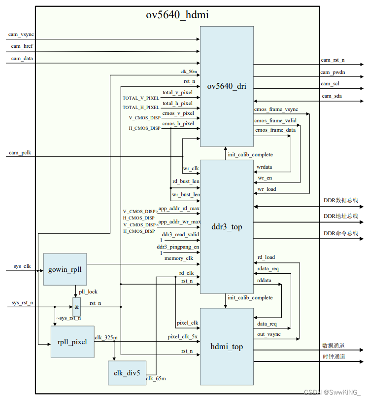
国产高云FPGA基于ov5640的HDMI显示

OV5640 摄像头实现1024*768@60Hz 图像的 HDMI 显示图像采集
原创
发布博客 2024.05.10 ·
1238 阅读 ·
11 点赞 ·
0 评论 ·
22 收藏

关于ov5640摄像头寄存器配置

关于ov5640摄像头的寄存器有250个左右,但是往往在使用时不需要一一更改,以下是笔者在使用中认为需要关注的配置。
原创
发布博客 2024.05.10 ·
1755 阅读 ·
9 点赞 ·
0 评论 ·
25 收藏

FPGA开发——呼吸灯实现

FPGA——呼吸灯实现,通过Verilog代码利用调节占空比来控制LED灯的亮度,使其达到呼吸的效果。
原创
发布博客 2023.05.18 ·
1266 阅读 ·
11 点赞 ·
2 评论 ·
4 收藏