一、负反馈放大电路简介
负反馈放大电路包括前馈通路和反馈通路,其中反馈通路在输出端采集电压或电流信号,乘以反馈系数后与参考输入作差分。负反馈放大电路的结构与负反馈控制系统相似,如下图所示,主要包括前馈网络H(s)、反馈网络G(s)、输出采集和输入差分。负反馈结构以增益为代价,提升放大电路的带宽、线性度、底噪,并调整输入阻抗、输出阻抗等性能指标。

当输入信号是电压信号时,输入差分需要双端口,比如将输入信号接MOS管的栅极,反馈输出信号接MOS管的源极,实现微弱电压的放大;当输入信号是电流信号时,输入差分需要一个网络节点,节点分别连接至输入信号,反馈信号和三极管基极,输入电流与反馈电流差分后进入三极管的基极,实现微弱电流的放大(注意运算放大器有虚短和虚断特点,可以用于电压差分,也可以用于电流差分)
负反馈放大电路的输出与输入的关系:
假设前馈网络和反馈网络与频率无关(例如只考虑低频),前馈增益和反馈增益退化为A和,此时输出与输入的关系:
当时,
。

在负反馈放大电路中也称为环路增益,环路增益是影响性能指标的关键因素,通过将输入信号X置0,断开反馈网络输入端,并施加激励信号X,可得
,但由于反馈网络存在有限的输入阻抗和输出阻抗,实际的开环增益和环路增益会受到影响。
二、负反馈放大电路的种类
根据输入信号和输出信号分别是电压信号或电流信号,可以将放大电路分成电压放大(电压到电压)、跨阻放大(电流到电压)、跨导放大(电压到电流)和电流放大(电流到电流)。四种常见的放大电路如下图所示:

对于负反馈放大电路,前馈网络可以是四种放大电路中的任意一种,反馈网络则与之相反,例如,当前馈网络是跨阻放大时,反馈网络是跨导放大。于是,负反馈放大电路根据输出信号类型和输入信号类型,可以分成电压-电压、电流-电压、电压-电流和电流-电流。
三、二端口网络模型
二端口网络模型是仅包含单输入和单输出两个端口的网络模型,根据输入输出的受控信号源类型,二端口网络模型可以分为Z模型、Y模型、H模型和G模型等。
①Z模型:受控信号源是输入电流和输出电流,最简单的Z模型是电流采样电路,受控信号源是输入电流,需要计算输出电压,由于负载开路时,输出电流为0,实际上受控信号源仅输入电流,即

Z模型的表达式如下:

②Y模型:受控信号源是输入电压和输出电压

Y模型的表达式如下:

③H模型:受控信号源是输入电流和输出电压,常见案例是三极管,输出电流与输入电流和输出电压有关,即

H模型的表达式如下:

④G模型:受控信号源是输入电压和输出电流。常见案例是MOS管,输出电压与输入电压和输出电流有关,即;最简单的G模型是分压电路,由于负载开路时,输出电流为0,实际上受控信号源仅输入电压,即

G模型的表达式如下:

线性放大电路适用于二端口网络模型,在负反馈放大电路中,前馈网络和反馈网络都是放大电路,只是反馈网络一般结构简单,仅有输入端有受控信号源,例如电阻分压电路、电流采样电路等
四、负反馈放大电路分析
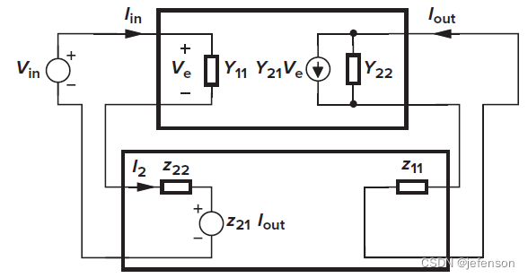
1、电压-电压负反馈
前馈网络的输入信号和输出信号是电压信号,同理反馈网络的输入信号和输出信号也是电压信号,所以前馈网络和反馈网络均使用G模型,忽略放大电路的内部反馈,则

理想反馈网络的输入阻抗是无穷大,即,输出阻抗是0,即
,此时,负反馈放大电路的输入阻抗是原前馈网络输入阻抗的1+Aβ倍,输出阻抗是原前馈网络输出阻抗的1/(1+Aβ),但实际上负反馈网络的输入输出阻抗都是有限值,当输出开路时计算闭环增益:

相比理想反馈网络下的闭环增益,实际反馈网络的闭环增益通过修正开环增益计算可以得到:

其中:

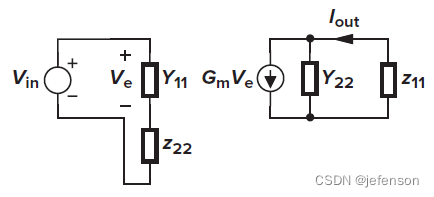
由于修正的开环增益符合输入输出的分压原则,通过修改原闭环电路,可以直接分析修正的开环增益,即将反馈网络同时纳入反馈输入端和反馈输出端,其中反馈输入端的反馈网络另一端需开路(),反馈输出端的反馈网络另一端需接地(
),得到修正后的开环电路


如上,对于非理想反馈网络,电压-电压放大电路的输入阻抗是修正后的开环电路输入阻抗的1+Aβ倍,输出阻抗是修正后的开环电路输出阻抗的1/(1+Aβ),注意A是修正的开环增益
典型案例
左图是典型的电压-电压负反馈放大电路,前馈网络通过两级共源极放大电路实现,反馈网络是简单的电阻分压,利用MOS管的栅极和源极实现差分输入,负反馈逻辑:M1栅极电压上升→M2栅极电压下降→M2漏极电压上升→M1源极电压上升。若不考虑输出负载对直流工作点的影响,可以按右图重构电路计算修正的开环增益,修正后的开环电路输出阻抗是,需确保
避免开环增益和输出阻抗下降

2、电流-电压负反馈
前馈网络的输入信号是电压信号,输出信号是电流信号,而反馈网络则相反,输入信号是电流信号,输出信号是电压信号,所以前馈网络使用Y模型,反馈网络使用Z模型,忽略放大电路的内部反馈,则

理想反馈网络的输入阻抗是0(),输出阻抗是0(
),此时,负反馈放大电路的输入阻抗是原前馈网络输入阻抗的1+Aβ倍,输出阻抗是原前馈网络输出阻抗的1+Aβ倍,但实际反馈网络的输入输出阻抗非0,当输出短路时计算闭环增益:

相比理想反馈网络下的闭环增益,实际反馈网络的闭环增益通过修正开环增益计算可以得到:

其中:
由于修正的开环增益符合输入输出的分压原则,通过修改原闭环电路,可以直接分析修正的开环增益,即将反馈网络同时纳入反馈输入端和反馈输出端,其中反馈输入端的反馈网络另一端需开路(),反馈输出端的反馈网络另一端需开路(
),得到修正后的开环电路


如上,对于非理想反馈网络,电流-电压放大电路的输入阻抗同样是修正后的开环电路输入阻抗的1+Aβ倍,输出阻抗是修正后的开环电路输出阻抗的1+Aβ倍,注意A是修正的开环增益
典型案例
左图是典型的电流-电压负反馈放大电路(电池充电电路),前馈网络通过运算放大器和共源极放大电路实现,反馈网络是简单的电流采集电路,在运算放大器的输入端实现差分,负反馈逻辑:运放反相端电压上升→M1栅极电压下降→M1源极电流上升→运放正相端电压上升。按照右图重构电路计算修正的开环增益,根据诺顿定理,M1可等效为电流源与输出阻抗并联,输出阻抗等于,由于负载与采样电阻串联,当
时,开环增益损失最小

3、电压-电流负反馈
前馈网络的输入信号是电流信号,输出信号是电压信号,反馈网络则相反,输入信号是电压信号,输出信号是电流信号,所以前馈网络使用Z模型,反馈网络使用Y模型,忽略放大电路的内部反馈,则

理想反馈网络的输入阻抗是无穷大(),输出阻抗也是无穷大(
),此时,负反馈放大电路的输入阻抗是原前馈网络输入阻抗的1/(1+Aβ),输出阻抗是原前馈网络输出阻抗的1/(1+Aβ),但实际反馈网络的输入输出阻抗是有限值,当输出开路时计算闭环增益:

相比理想反馈网络下的闭环增益,实际反馈网络的闭环增益通过修正开环增益计算可以得到:

其中:
由于修正的开环增益符合输入输出的分压原则,通过修改原闭环电路,可以直接分析修正的开环增益,即将反馈网络同时纳入反馈输入端和反馈输出端,其中反馈输入端的反馈网络另一端需接地(),反馈输出端的反馈网络另一端需接地(
),得到修正的开环电路

如上,对于非理想反馈网络,电流-电压放大电路的输入阻抗是修正的开环电路输入阻抗的1/(1+Aβ)倍,输出阻抗是修正的开环电路输出阻抗的1/(1+Aβ)倍,注意A是修正的开环增益
典型案例
中图是典型的电压-电流负反馈放大电路,前馈网络通过反馈电阻和共源极放大电路,实现跨阻放大,反馈网络通过反馈电阻
采样输出电压(确定
电流),负反馈逻辑:M1栅极电流上升(实际上栅极无电流,替换为三极管更易理解)→M1漏极电压下降→反馈电阻
电流上升→M1栅极电流下降。按照右图重构电路计算修正的开环增益,修正的开环电路输出阻抗是
,需确保
,避免输出阻抗和开环增益下降。令
,可以计算反馈增益

4、电流-电流负反馈
前馈网络的输入信号和输出信号是电流信号,同理反馈网络的输入信号和输出信号也是电流信号,所以前馈网络和反馈网络都使用H模型,忽略放大电路的内部反馈,则

理想反馈网络的输入阻抗是0(),输出阻抗是无穷大(
),此时,负反馈放大电路的输入阻抗是原前馈网络输入阻抗的1/(1+Aβ),输出阻抗是原前馈网络输出阻抗的1+Aβ倍,但实际反馈网络的输入输出阻抗是有限值,当输出短路时计算闭环增益:

相比理想反馈网络下的闭环增益,实际反馈网络的闭环增益通过修正开环增益计算可以得到:

其中:
由于修正的开环增益符合输入输出的分压原则,通过修改原闭环电路,可以直接分析修正的开环增益,即将反馈网络同时纳入反馈输入端和反馈输出端,其中反馈输入端的反馈网络另一端需接地(),反馈输出端的反馈网络另一端需开路(
),得到修正的开环电路

如上,对于非理想反馈网络,电流-电压放大电路的输入阻抗是修正的开环电路输入阻抗的1/(1+Aβ),输出阻抗是修正的开环电路输出阻抗的1+Aβ倍,注意A是修正的开环增益
典型案例
左图是典型的电流-电流负反馈放大电路,前馈网络通过反馈电阻、
,以及共源极放大电路+源极跟随器实现电流放大,反馈网络通过反馈电阻
、
采集输出电流,负反馈逻辑:M1栅极电流上升(实际上栅极无电流,替换为三极管更易理解)→M2源极电流下降→反馈电阻
电流上升→M1栅极电流下降。按照右图重构电路计算修正的开环增益,根据诺顿定理,M2可等效为电流源与输出阻抗并联,输出阻抗是
,需确保
,避免输出阻抗下降

参考文献:《analysis and design of analog integrated circuits, 4th edition》
1万+

被折叠的 条评论
为什么被折叠?



