一、直流充电桩介绍
1、直流充电桩介绍
电动汽车市场数量的不断激增,为缓解消费者对其里程焦虑与充电焦虑,配置双向OBC可以实现快速充电,还可将电动汽车当作分布式储能站回馈电网帮助消峰填谷,通过DCFC为电动汽车高效充电,是实现可再生能源转型的大趋势。超快充电桩集成了各种元器件,包括辅助电源、传感、电源管理、连接和通信器件,同时需要采⽤灵活的制造⽅法以满⾜各种电动汽车不断变化的充电需求,这给DCFC和超快速充电桩设计带来更多的复杂性

交流充电和直流充电之间的差异,对于交流充电(图2左侧),将OBC插⼊标准交流插座,OBC将交流电转换为适当的直流电为电池充电。对于直流充电(图2右侧),充电桩直接给电池充电。

直流充电桩分立设计提供了最⼤的灵活性,但需要更复杂的开发过程。⽽模块化提供了许多使⽤分立设计难以实现的性能优势。例如,模块在单个紧凑的封装中集成了多个功率器件,简化了机械装配,优化了热管理,提高了可靠性,并降低了电压尖峰和高频电磁干扰(EMI)。
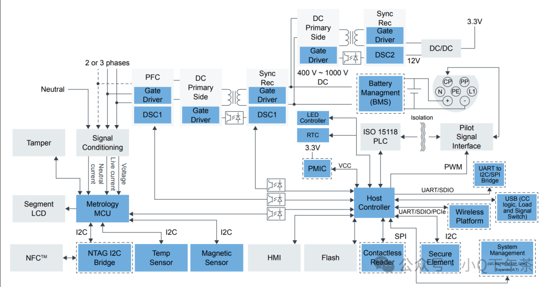
2、直流充电桩系统组成
(1)整机组成部分

(2)系统组成部分

(3)功能框图部分

(4)充电桩子系统
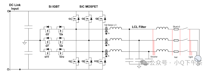
对于3 级直流快速充电器绕过电动汽车的车载充电器 (OBC),通过 EV 电池管理系统 (BMS) 直接为电池充电。旁路 OBC 可显著提高充电速率,充电器输出功率范围为 50 至 350 kW。常见的输出电压为 400–800V,较新的电动汽车倾向于使用 800V 电池。由于 3 级 (L3) 直流快速充电器必须将三相交流 (AC) 输入电压转换为直流,因此它们包括一个带有隔离式 DC-DC 转换器的 AC-DC 功率因数校正 (PFC) 前端,用于将 PFC 输出连接到电动汽车的电池。多个电源模块通常并联,以实现更高的输出功率。L3 直流快速充电器的主要优点是显着缩短了充电时间。

充电桩核心是一个基本的 AC-DC 转换器。它由 PFC 级、直流母线和 DC-DC 模块组成
PFC 级功能框图

DC-DC 模块功能框图

3、充电桩场景方案
(1)光储充电系统
针对电动汽车充电功率越来越大,站点配电容量不够的问题,基于直流母线的储能充电系统。储能充电系统采用锂电池作为储能装置,通过本地及远端EMS管理系统,完成电网,电池,电车三者之间的电能提供和电能需求的平衡和优化,并能方便接入光伏系统,在峰谷用电,配网增容等方面带来应用价值。

(2)V2G充电系统
V2G利用车载动力电池为电网储能,实现车网互动,减小大规模可再生能源并网及大批量电动汽车充电对电网的冲击,提高电网的稳定性。同时居民小区、办公园区大量电动汽车的聚集也可以通过统一的EMS管理来实现峰谷套利、动态增容、负荷侧响应以及应急供电等功能。对于家庭用户来说则可以利用V2H设备实现动力电池的家用储能

(3)有序充电系统
本方案多使用大功率快充桩,适用于城市公交、出租、物流车队等集中式车辆充电,可根据车辆类型设置充电形式,车辆可在电价波谷时段集中充电,降低运营成本,可提供智能管理系统,便于集中管理车辆。

4、未来发展趋势
(1)单一集中式充电场站向 集中式+分布式 相补充的多元化场景协同发展

目的地分布式充电场站将是完善充电网络的有效补充。如果说传统的集中式充电场站是“人找桩”,那么目的地分布式充电场站将是“桩等人”。充电用户在目的地停留的同时(通常>1小时以上)进行充电,对充电速度的时效性要求不高(一定程度的补电即可),即充电桩充电功率以20~30kW为主(乘用车为主)
(2)20kW较大份额市场向20/30/40/60kW多元化配置市场发展
主要原因是不同系统功率,不同充电枪功率分配需求的充电桩,需要不同的最合适功率颗粒度的充电模块。因此在充电模块的标准规格上,宜制定不同容量的系列化的充电模块。

(3)输出电压范围上限由750V向1000V高压发展
在电动汽车高压化演变的趋势下,迫切需要充电桩能够提升充电电压上限至1000V,以支持在未来普遍应用的高压车型。推动充电桩基础设施配套升级。1000V最高输出电压已形成充电模块行业的共识,各充电模块主要厂商已经逐步推出1000V高压充电模块规格

二、充电桩电源拓扑介绍
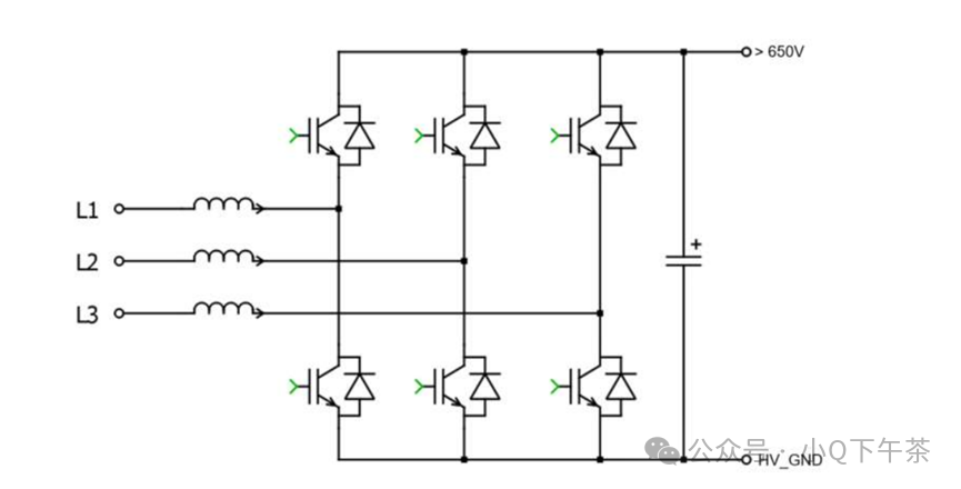
1、PFC 整流器拓扑
各个拓扑分为无源、混合和有源 PFC 整流器系统。随着半导体技术最近取得的进步,有源 PFC 广泛用于电动汽 车充电站。电动汽车充电站中使用单相和三相拓扑,具体取决于功率级别。单相拓扑通常用于低于 3.3kW 的功率级别,而三相拓扑则用于更高的功率级别。本文主要介绍三相 PFC 拓扑,即三相 PFC拓扑、Vienna PFC、中性点钳位 (NPC) 3 级 PFC 和 T 型 NPC PFC。
(1)三相 PFC拓扑
三相 PFC 的典型配置。六开关升压型整流器具有非常简单的电路拓扑和易于控制的特性。它有助于实现双向功率流,并可实现具有合理效率的高功率因数。后文将重点介绍工作原理

由于此拓扑是一种两级拓扑,因此需要高电压阻断开关来阻断整个直流链路电压。例如,在800V直流链路电压应用中,功率级需要 1200V 额定阻断容量的碳化硅 (SiC)。此拓扑的缺点之一是滤波电感器体积庞大,它需要将输入电流 THD 调节到较低的值。因此功率密度低。此外,器件上的峰值电压应力非常高,这会影响功率级中使用的半导体和其他无源器件的长期可靠性。与其他热门的多级 PFC 拓扑相比,转换器的电磁干扰 (EMI) 性能要低得多。
(2)Vienna PFC拓扑
Vienna 整流器电源拓扑用于高功率三相功率因数校正应用中。虽然用于有源三相功率因数转换的拓扑非常之多,但 Vienna 整流器仍然颇受青睐,因为它以连续导通模式 (CCM) 运行,具有固有的三级开关,并且可以降低功率器件上的电压应力。基于迟滞的控制器和基于正弦三角的控制器都用于 Vienna 整流器, 因此控制起来相对简单,因为此拓扑所需的 PWM 较少。此拓扑的缺点之一是它仅支持从电网到直流侧的单向模式功率传输。Vienna 整流器的特征是总体体积相对较小或功率密度较高,因为与两级整流器FPC相比,它只需要升压电感器电感的大约一半。输出电压的多级特征还可提供更好的THD 性能。与三相PFC不同, Vienna 整流器具有三级特性,因此可通过 Si MOSFET 或 600V 至 650V IGBT 和SiC肖特基二极管在更高的开关频率下实现高效率,并且无需使用高级 1200V SiC 功率FET来降低开关损耗

(3)中性点钳位 (NPC) 拓扑
中性点钳位转换器的基本拓扑已扩展到三个相位,在这三个相位中,该拓扑的所有开关只需阻断一半的总线电压即可。在所有拓扑中器件上的电压应力最低。因此,可以根据功率级别、成本和目标效率,在多个平台之间轻松扩展此拓扑,以便使用 SiC、GaN 和 Si MOSFET 实现。由于只需切换一半的电压,这也将 MOSFET 中的开关损耗减少了一半,因此可以使用 600V 元件而不是 1200V 类型。除此之外,在 600V 技术中,元件的可用速度比 1200V 快得多。这可进一步降低开关损耗。中性点钳位 拓 扑将具有较低的输出电流纹波和一半的输出电压瞬态。这将减少滤波电感器中的滤波和隔离工作。因此,我们可 以实现高功率密度,同时降低调节电流波形 THD 所需的电感。多级转换器不仅会产生干扰非常小的输出电压,还 可以更大限度地减小器件上的 dv/dt 应力,从而减少电磁干扰 (EMI) 问题。此外,由于开关损耗更小且效率更高, 此拓扑还提供双向功率传输,是高于 50kHz 开关频率的首选。

(4)T 型 NPC拓扑
T 型转换器的基本拓扑。传统的两级电压源转换器 (VSC) 拓扑通过有源双向开关扩展到直流链路中点。对于 800V 直流链路电压,每个相位上的高侧和低侧通常使用 1200V IGBT/二极管来实现,因为必须阻断全电压。不同的是,直流链路中点的双向开关只能阻断一半的电压。它可以通过具有较低额定电压的器件来实现,例如两个包含反向并联二极管的 600V IGBT。由于阻断电压降低,中间开关的开关损耗超低,而且传导损耗 可接受。对于 NPC 拓扑,通常省略从正 (P) 电平直接转换到负 (N) 直流链路电压电平,反之亦然,因为当两个串联的 FET 同时关断时,瞬态 情况下可能会阻止不均匀的电压份额。这种不良影响在 T 型拓扑中不会发生。没有必要实现可防止此类转换的低 级例程,也没有必要确保串联 IGBT 之间的瞬态电压平衡。使用单个 1200V 器件阻断完整直流链路电压的另一个 额外好处是减少了导通损耗。每当输出连接到 (P) 或 (N) 时,仅出现一个器件的正向压降,这与两个器件始终串联 的 NPC 拓扑相反。导通损耗显著降低,因此即使在低开关频率下,T 型也是一个很好的选择。

(5)总结
T 型 NPC拓扑与 NPC 相比,导通损耗要低得多,但由于器件阻止了完整的直流链路电压,因此开关损耗很高。与 NPC 拓扑相比,元件数量有限,并且与 Vienna 整流器和三相 PFC 相比,效率、功率密度和双向运行能力更好, 因此T型整流器非常适合频率高达50kHz(超过此频率时,NPC 性能更好)的应用。此拓扑的缺点之一是高电压阻断 FET 上的高峰值电压应力较高。最后,与其他拓扑类似,它也具有良好的 THD 性能,因此在输入端不需要 笨重的电感器。

2、DC/DC转换拓扑
目前市场上主流四种不同的高功率直流/直流转换器拓扑;即 LLC 谐振转换器、相移全桥 (PSFB)、单相双有源电桥 (DAB) 和 CLLC 模式下的双有源电桥 (DAB – CLLC)。
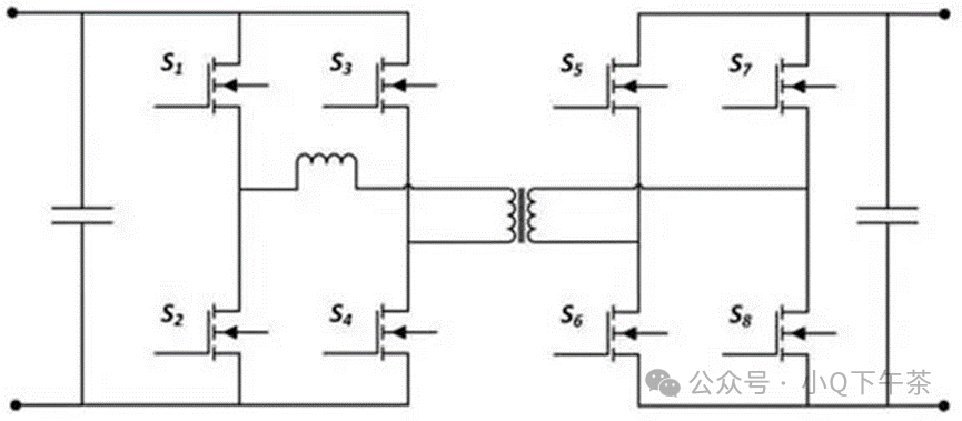
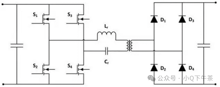
(1)单相双有源电桥 (DAB)
双有源桥转换器的基本拓扑。它由全桥组成,其中初级侧和次级侧的有源开关由高频变压器连接在一起。由于其中一个电桥中固有的滞后电流,电流使一个电桥(例如次级侧)和初级侧某些开关的输出电容放电,从而使 ZVS 导通。除此之外,这种无损电容缓冲器还可在开关上使用,以便减少关断损耗。该转换器的主要 优势在于其固有的双向功能,这是通过控制两个电桥之间的相位角实现的,并且其模块化允许其扩展到更高的功率级别.DAB 的控制范围从简单(或单相移调制)到复杂(扩展、双和三相移调制)。此拓扑可用于通过单相移调制覆盖广泛的电池电压变化,但变压器中的循环电流会增加,从而显著降低效率。但是,借助三相移等高级调制方案, 转换器理论上可以在整个工作范围内实现 ZVS。对于此拓扑,变压器 KVA 额定值的输出功率利用率很高。对于该转换器,处理纹波电流所需的输出电容也很低。该转换器具有相对较少的器件数量、软开关换向、低成本和高效率,适用于功率密度、成本、重量、隔离和可靠性是关键因素的应用。另一个限制特性是,转换器通常需要一个附加匀场电感器,这是 ZVS 运行所必需的,它会使转换器变得笨重并会影响功率密度

(2)LLC 谐振转换器
该转换器的增益是开关电桥增益、谐振回路增益和变压器匝数比的函数。通过改变运行的开关频率来实现输出电压调节。LLC 谐振转换器有三种运行模式/区域,即在谐振频率、高于谐振频率和低于谐振频率下运行。在低于谐振频率运行期间,谐振半周期电感器电流在开关周期内达到磁化电流的值,并导致次级整流器二极管之间的软开关,但另一方面,由于循环能量增加,会导致更多的传导损耗。高于谐振频率运行时,会导致次级整流器二极管的开关损耗增加和硬换向,但会由于循环能量减少而导致传导损耗降低。因此,当在接近谐振频率的情况下运行时,这些转换器可获得卓越性能,此时ZVS可导通,ZCS可关断。该转换器提供单向功率流,通常用于功率低于5kW 的应用。并行和同步多个 LLC 转换器模块以提高功率吞吐量非常困难,通常需要外部控制逻辑来实现安全实施。高输出电压设计(大于 400V)中的低 di/dt 使得在 LLC 转换器中实现同步整流变得非常复杂。有源和无源器件上的纹波电流和峰值电压应力明显较高,因此需要更高的输出电容来处理高纹波。此外,LLC 转换器的变压器的尺寸也略 高,因此这些无源器件可显著降低转换器的功率密度。由于此转换器在导通和关断期间具有软开关功能,EMI 性能更好

(3)相移全桥 (PSFB)
通过改变初级电桥开关桥臂之间的相位来控制初级和次级之间的功率传输。因此,一个桥臂可实现 ZVS导通,另一个桥臂可实现低电压导通,从而更大程度地降低损耗。次级上的无源二极管可能会经历硬开关,并导致更多的传导损耗,从而降低该转换器的效率。该转换器在轻负载条件下会出现非ZVS导通损耗,而在非ZVS关断时 会出现非ZVS 导通损耗。通常,突发运行模式用于在轻负载条件下维持ZVS。该转换器也是模块化的,可以并联 以在电动汽车充电站中获得更高的功率吞吐量。在PSFB 中,抖动可轻松实现以减少传导 EMI 信号。此拓扑需要 一个直流阻断电容器,来阻止在电压模式控制中使变压器饱和的直流电压偏移。该转换器通常需要一个额外的匀场电感器,这是 ZVS 运行所必需的,它会使转换器变得笨重并会影响功率密度。

(4)CLLC 模式
CLLC 包含前面所述的 LLC 的所有功能,但该拓扑的主要优势是,通过在次级侧使用有源开关,我们可以实现双向电源传输,该转换器的 ZVS/ZCS 运行可提高效率。当总线电压有 10% 的裕量变化时,该转换器可以满足宽变化电池电压,并具有良好的效率性能、但使用固定总线电压时,其工作范围非常有限。在变压器 初级侧和次级侧使用电容器的情况下,可以防止变压器磁芯饱和问题。该转换器主要适用于车载充电器应用,但可在高达 10kW 的更高功率水平下使用。但是,扩展到更高的功率水平和并联可能很困难,因为它需要高度对称的容器结构和多个模块的同步,这可能非常困难

(5)总结

备注:部分图片来源网络,仅供参考使用。
添加微信请备注:公司+姓名+职位

1496

被折叠的 条评论
为什么被折叠?



