1、RS-232/422/485协议描述
RS-232通讯的最大传输距离在不增加缓冲器的情况下可以达到15m左右,传输距离较短,所以RS-485与RS-422通讯方式就诞生了。
RS-232、RS-422与RS-485最初都是由电子工业协会订制并发布的,RS-422是由RS-232发展过来的,主要是解决RS-232传输距离短和速率低的缺点,RS-422定义了一种平衡通信接口,将传输速率提高到10Mbps,在速率低于100kbps时传输距离可以延长到4000英尺(大约1219米),并允许在一条平衡总线上连接到最多10个接收器。RS-422是一种单机发送、多机接收的单向、平衡传输规范。之后为了扩展应用范围,EIA又于1983年在RS-422基础上制定了RS-485标准,增加了多点、双向通信能力,即允许多个发送器连接到同一条总线上,同时增加了发送器的驱动能力和冲突保护特性,扩展了总线共模范围。
RS-232、RS-422与RS-485标准只对接口的电气特性做出规定,而不涉及接插件、电缆或协议。由于PC上的串行数据通讯是通过UART芯片来处理的,其通讯协议也规定了串行数据单元的格式(8-N-1格式):1位逻辑0的起始位,6/7/8位数据位,1位可选择的奇偶校验位,1/2位逻辑1的停止位。基于PC的RS-232、RS-422与RS-485标准均采用同样的通讯协议。
RS-232、RS-422与RS-485通讯方式的区别见表1.1。
| 标准 | RS-232 | RS-422 | RS-485 | |
| 工作方式 | 单端 | 差分 | 差分 | |
| 节点数 | 单对单 | 1发10收 | 1发32收 | |
| 最大传输电缆长度 | 15m | 1219m | 1219m | |
| 最大传输速率 | 20kbps | 10Mbps | 10Mbps | |
| 最大驱动输出电压 | +/-25V | -0.25V~+6V | -7V~+12V | |
| 发送器输出信号电平(负载最小值) | 负载 | +/-5V~+/-15V | ±2.0V | ±1.5V |
| 发送器输出信号电平(空载最大值) | 空载 | +/-25V | ±6V | ±6V |
| 发送器负载阻抗 | 3K~7K | 100 | 54 | |
| 摆率(最大值) | 30V/μs | N/A | N/A | |
| 接收器输入电压范围 | ±15V | -10V~+10V | -7V~+12V | |
| 接收器输入门限 | ±3V | ±200mV | ±200mV | |
| 接收器输入电阻(Ω | 3K~7K | 4K(最小) | ≥12K | |
| 发送器共模电压 | -- | -3V~+3V | -1V~+3V | |
| 接收器共模电压 | -- | -7V~+7V | -7V~+12V | |
2、RS-232标准
RS-232被定义为一种在低速率、近距离串行通讯的单端标准。RS-232采取不平衡传输方式,即所谓的单端通讯。
RS-232的电气标准:
(1)电平为逻辑“0”时:+3V~+15V;
(2)电平为逻辑“1”时:-3V~-15V;
未定义区:-3V~+3V。在此区域内的信号处理将由通讯接口的RS-232收发器决定。
3、RS-422/485标准
RS-422/485标准与RS-232标准不一样,数据信号采样差分传输方式,也称平衡传输。
由于RS-422/485标准在电气特性上非常相近,但是在传输方式上也有所区别。
(1)RS-485标准
电子工业协会(EIA)于1983年制定了 RS-485标准,之后经TIA修订后命名为TIA/EIA-485-A,习惯的称之为RS-485标准。
RS-485标准是为了弥补RS-232通信距离短、速率低等缺点而产生的,RS-485标准只规定了平衡发送器和接收器的电特性,而没有规定接插件、传输电缆和应用层通信协议。
RS-485标准与RS-232不一样,数据信号采用差分传输方式,也称平衡传输,它使用一对双绞线,将其中一线定义为A,另一线定义为B,如图1.1所示。

图1.1 RS-485发送器的示意图
通常情况下,发送发送器A、B之间的正电平在+2~+6V,是一个逻辑状态;负电平在-2~-6V,是另一个逻辑状态。另有一个信号地C。在RS-485器件中,一般还有一个“使能”控制信号。“使能”信号用于控制发送发送器与传输线的切断与连接,当“使能”端起作用时,发送发送器处于高阻状态,称作“第三态”,它是有别于逻辑“1”与“0”的第三种状态。
对于接收发送器,也作出与发送发送器相对的规定,收发端通过平衡双绞线将A-A、B-B对应相连,当在接收端A-B之间有大于+200mV的电平时,输出为正逻辑电平;小于 -200mV时,输出为负逻辑电平 。在接收发送器的接收平衡线上,电平范围通常在200mV至6V之间,具体见图1.2。

图1.2
定义逻辑1(正逻辑电平)为B>A的状态,逻辑0(负逻辑电平)为A>B的状态,A、B之间的压差不小于200mV.
RS-485标准的最大传输距离约为1219米,最大传输速率为10Mbps
通常RS-485网络采用平衡双绞线作为传输媒体,平衡双绞线的长度与传输速率成反比,只有在20kbps速率以下,才可能使用规定最长的电缆长度,只有在很短的距离下才能获得最高速率传输,一般来说,15米长双绞线最大传输速率仅为1Mbps。
注意:并不是所有的RS-485收发器都能够支持高达10Mbps的通讯速率,如果采用光电隔离方式,则通讯速率一般还会受到光电隔离器件响应速度的限制。
RS-485网络采用直线拓扑结构,需要安装2个终端匹配电阻,其阻值要求等于传输电缆的特性阻抗(一般取值为120Ω
),在短距离或低波特率数据传输时可不需终端匹配电阻,即一般在300米以下、19200bps不需终端匹配电阻,终端匹配电阻安装在RS-485传输网络的两个端点,并联连接在A-B引脚之间。
RS-485标准通常被用于作为一种相对经济、具有相同高噪声抑制、相对高的传输速率、传输距离远、宽共模范围的通信平台。
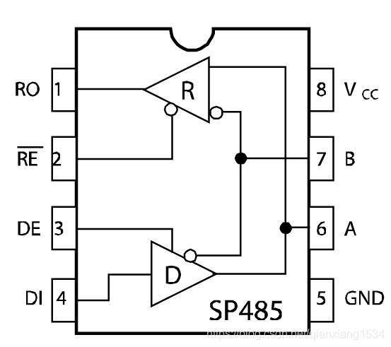
4、RS-485芯片引脚连接说明
(1)引脚说明
| 管脚 | 名称 | 描述 |
| 1 | RO | 接收器输出 |
| 2 | RE | 接收器输出使能(低电平有效) |
| 3 | DE | 发送器输出使能(高电平有效) |
| 4 | DI | 发送器输入 |
| 5 | GND | 地连接 |
| 6 | A | 发送器输出/接收器输入反相 |
| 7 | B | 发送器输出/接收器输入反相 |
| 8 | VCC | 正电源电压(+3.0V<VCC<+3.60V) |
(2)连接简图

5、SP3485芯片功能分析
发送器:SP3485的发送器输出是差分输出,满足RS-485和RS-422标准,空载时输出电压的大小为0V~+3.3V。即使在差分输出连接了54Ω
负载的条件下,发送器仍可保证输出电压大于1.5V。SP3485有一根使能控制线(高电平有效)。DE上的逻辑高电平将使能发送器的差分输出。如果DE为低,则发送器输出呈现三态。
接收器:SP3485接收器的输入是差分输入,输入灵敏度可低至±200mV。接收器的输入电阻通常为15KΩ
(最小为12KΩ
)。-7V~+12V的宽共模方式范围允许系统之间存在大的零电位偏位。SP3485的接收器有一个三态使能控制脚,如果RE
为低,接收器使能,反之接收器禁止。
6、RS-485接口电路
RS-485接口电路的主要功能是:将来自微处理器的发送信号TX通过“发送器”转换成通讯网络中的差分信号,也可以将通讯网络中的差分信号通过“接收器”转换成被微处理器接收的RX信号。任一时刻,RS-485收发器只能够工作在“接收”或“发送”两种模式之一,因此,必须为RS-485接口电路的附加保护措施也是必须重点考虑的环节。
基本的RS-485电路:微处理器的标准串行接口通过RXD直接连接SP3485芯片的RO引脚,通过TXD直接连接SP3485芯片的DI引脚。
由微处理器输出的 R/D 信号直接控制 SP485R 芯片的发送器/接收器使能:R/D 信号为“1”,则SP485R芯片的发送器有效,接收器禁止,此时微处理器可以向RS-485总线发送
数据字节;R/D 信号为“0”,则 SP485R 芯片的发送器禁止,接收器有效,此时微处理器
可以接收来自 RS-485 总线的数据字节。此电路中,任一时刻 SP485R 芯片中的“接收器”
和“发送器”只能够有1个处于工作状态。
连接至A引脚的上拉电阻R7、连接至B引脚的下拉电阻R8用于保证无连接的SP485R
芯片处于空闲状态,提供网络失效保护,以提高RS-485节点与网络的可靠性。
如果将 SP485R 连接至微处理器 80C51 芯片的 UART 串口,则 SP485R 芯片的 RO 引脚不需要上拉;否则,需要根据实际情况考虑是否在RO引脚增加1个大约10K的上拉电阻。

1万+

被折叠的 条评论
为什么被折叠?



