自定义博客皮肤VIP专享

*博客头图:

格式为PNG、JPG,宽度*高度大于1920*100像素,不超过2MB,主视觉建议放在右侧,请参照线上博客头图

请上传大于1920*100像素的图片!

博客底图:

图片格式为PNG、JPG,不超过1MB,可上下左右平铺至整个背景

栏目图:

图片格式为PNG、JPG,图片宽度*高度为300*38像素,不超过0.5MB

主标题颜色:

RGB颜色,例如:#AFAFAF

Hover:

RGB颜色,例如:#AFAFAF

副标题颜色:

RGB颜色,例如:#AFAFAF

自定义博客皮肤

-+

程高兴的博客

欢迎来到我的博客

  • 博客(243)
  • 收藏
  • 关注

原创 锂离子电池恒流恒压充电(CC-CV)Simulink仿真模型

锂离子电池恒流恒压充电(CC-CV)Simulink仿真模型

2025-10-29 22:43:27 566

原创 光储微电网离网+并网MATLAB仿真模型

光储微电网离网+并网MATLAB仿真模型

2025-10-24 20:59:27 332

原创 抽水蓄能电站的最佳调度方案研究Matlab仿真

抽水蓄能电站的最佳调度方案研究Matlab仿真

2025-10-23 18:57:13 244

原创 LCC-S型磁耦合谐振无线电传输系统实现恒压输出simulink

LCC-S型磁耦合谐振无线电传输系统实现恒压输出simulink

2025-10-22 21:38:10 327

原创 基于扰动观察法(P&O)的光伏最大跟踪策略Simulink

基于扰动观察法(P&O)的光伏最大跟踪策略Simulink

2025-09-06 17:46:26 242

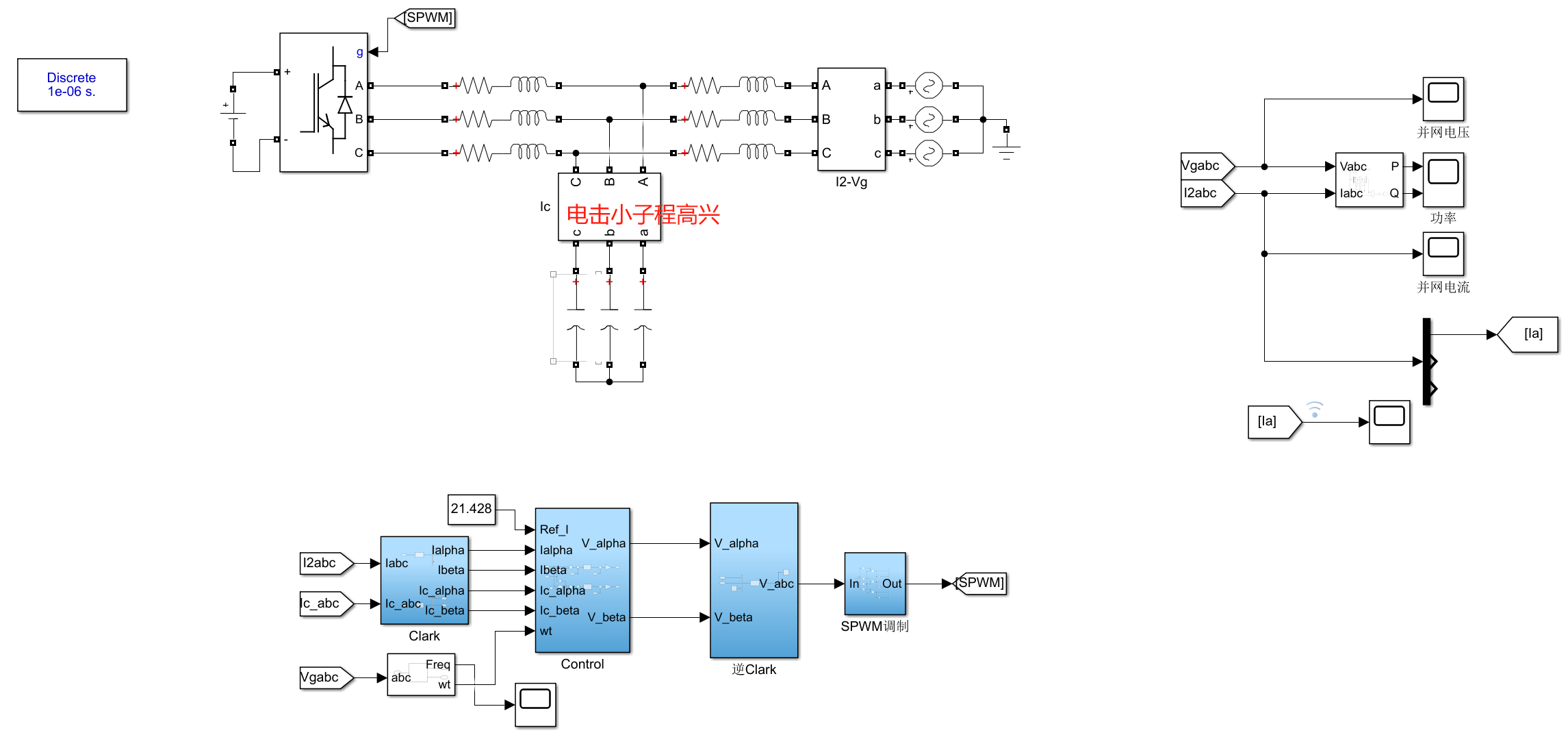
原创 补偿电流控制的APF并联型有源电力滤波器simulink

补偿电流控制的APF并联型有源电力滤波器simulink

2025-08-19 18:38:49 383

原创 雨流计数法(四点法)matlab程序

雨流计数法(四点法)matlab程序

2025-08-18 19:34:56 262

原创 遗传算法求解冷链路径优化问题matlab代码

遗传算法求解冷链路径优化问题matlab代码

2025-08-18 19:34:07 326

原创 永磁同步电机参数辨识MATLAB仿真

永磁同步电机参数辨识MATLAB仿真

2025-08-14 19:09:42 347

原创 VMD+皮尔逊+降噪+重构(送报告+PPT)Matlab程序

VMD+皮尔逊+降噪+重构(送报告+PPT)Matlab程序

2025-08-13 18:56:55 269

原创 基于Matlab的四旋翼无人机动力学PID控制仿真

基于Matlab的四旋翼无人机动力学PID控制仿真

2025-07-16 18:47:05 352

原创 pmsm无感activeflux基于电流误差补偿Simulink

pmsm无感activeflux基于电流误差补偿Simulink

2025-07-14 23:38:39 343

原创 基于模糊控制及BP神经网络开关磁阻电机的matlab仿真

基于模糊控制及BP神经网络开关磁阻电机的matlab仿真

2025-07-10 21:44:24 257

原创 PID与模糊PID系统设计——基于模糊PID的水下航行器运动控制研究Simulink仿真(包含设计报告)

PID与模糊PID系统设计——基于模糊PID的水下航行器运动控制研究Simulink仿真(包含设计报告)

2025-05-12 22:43:53 468

原创 高压直流输电MATLAB/simulink仿真模型+说明文档

高压直流输电MATLAB/simulink仿真模型+说明文档

2025-04-28 20:43:37 826

原创 单相交直交变频电路设计——matlab仿真+4500字word报告

单相交直交变频电路设计——matlab仿真+4500字word报告

2025-04-27 21:35:51 991 1

原创 单机无穷大系统暂态稳定性仿真Matlab模型

单机无穷大系统暂态稳定性仿真Matlab模型

2025-04-25 21:16:40 860

原创 基于Matlab的车牌识别系统

基于Matlab的车牌识别系统

2025-04-24 22:08:42 1502

原创 电流互感器的两相星形接线的建模与仿真

电流互感器的两相星形接线的建模与仿真

2025-04-12 21:56:20 892

原创 基于双闭环PID控制器的永磁同步电机控制系统匝间故障Simulink仿真

基于双闭环PID控制器的永磁同步电机控制系统匝间故障Simulink仿真

2025-04-12 21:54:42 899

原创 跟网型逆变器小干扰稳定性分析与控制策略优化simulink仿真模型和代码(包含完整仿真报告)

跟网型逆变器小干扰稳定性分析与控制策略优化simulink仿真模型和代码(包含完整仿真报告)

2025-03-13 21:13:07 792

原创 BLDC直流无刷电机转速电流双闭环调速MATLAB仿真

BLDC直流无刷电机转速电流双闭环调速MATLAB仿真

2025-03-12 22:14:01 967

原创 基于小波分析法的行波测距判断故障及定位故障Matlab仿真

基于小波分析法的行波测距判断故障及定位故障Matlab仿真

2025-03-12 22:12:24 729

原创 中性点直接接地电网接地故障Simulink仿真

中性点直接接地电网接地故障Simulink仿真

2025-03-08 20:41:17 1074

原创 中性点不接地系统单相接地故障Matlab仿真

中性点不接地系统单相接地故障Matlab仿真

2025-03-08 20:39:33 2005

原创 基于模糊PID控制的供热控制系统设计Simulink仿真

基于模糊PID控制的供热控制系统设计Simulink仿真

2025-03-04 21:16:10 722

原创 LLC谐振变换器恒压恒流双竞争闭环simulink仿真

LLC谐振变换器恒压恒流双竞争闭环simulink仿真

2025-02-26 23:37:21 616

原创 交流异步电动机PI双闭环SVPWM矢量控制Simulink

交流异步电动机PI双闭环SVPWM矢量控制Simulink

2025-02-23 23:08:03 463

原创 三相并网逆变器电流模型预测MPC控制matlab仿真模型

三相并网逆变器电流模型预测MPC控制matlab仿真模型

2025-02-06 22:05:17 831

原创 直流电动机三级串电阻启动MATLAB仿真模型

直流电动机三级串电阻启动MATLAB仿真模型

2025-02-03 20:26:36 907

原创 三相异步电机匝间短路故障仿真模型,基于MATLAB/SIMULINK的感应电机故障仿真模型

三相异步电机匝间短路故障仿真模型,基于MATLAB/SIMULINK的感应电机故障仿真模型

2025-02-03 08:09:42 828

原创 SMO+PLL滑膜观测器、MARS模型参考自适应观测器simulink仿真

SMO+PLL滑膜观测器、MARS模型参考自适应观测器simulink仿真

2024-11-12 22:40:15 521

原创 LCL三相并网逆变器simulink仿真+说明文档

LCL三相并网逆变器simulink仿真+说明文档

2024-11-06 22:57:30 747

原创 混合储能平抑光伏功率波动simulink

混合储能平抑光伏功率波动simulink

2024-11-04 21:03:40 1040

原创 基于matlab的SVPWM逆变器死区补偿算法仿真研究

基于matlab的SVPWM逆变器死区补偿算法仿真研究

2024-11-02 10:34:05 863

原创 Matlab数据预处理——最小二乘法消除多项式趋势项

Matlab数据预处理——最小二乘法消除多项式趋势项

2024-10-09 20:08:21 597

原创 matlab之数据处理:滑动平均滤波算法与五点三次平滑算法

matlab之数据处理:滑动平均滤波算法与五点三次平滑算法

2024-09-23 22:08:37 2376

原创 傻瓜式STATA 代码命令汇总,有详细讲解,保姆级适合小白!

傻瓜式STATA 代码命令汇总,有详细讲解,保姆级适合小白!

2024-09-18 18:34:51 804

原创 储能电站变流器设计与仿真研究(文章复现matlab)

储能电站变流器设计与仿真研究(文章复现matlab)PCS 储能变流器 双向 Buck Boost 电池 充放电 matlab仿真模型

2024-09-02 21:26:53 1579

原创 单相光伏并网逆变器+光伏发电+MPPT+扰动观察法+SPWM.matlab仿真

单相光伏并网逆变器+光伏发电+MPPT+扰动观察法+SPWM.matlab仿真

2024-07-29 21:27:51 749

电流互感器的两相星形接线的建模与仿真

电流互感器的两相星形接线的建模与仿真 本仿真模型基于MATLAB/Simulink(版本MATLAB 2016Rb)软件。建议采用matlab2016 Rb及以上版本打开。(若需要其他版本可联系代为转换)

2025-04-12

基于模糊PID控制的供热控制系统设计Simulink仿真

本仿真模型基于MATLAB/Simulink(版本MATLAB 2017Ra)软件。建议采用matlab2017 Ra及以上版本打开。(若需要其他版本可联系店主代为转换) 换热站干扰因素多导致传统PID控制无法满足控制要求的问题,提出利用模糊自适应PID控制对其进行优化控制,通过仿真对比验证了模糊自适应PID控制算法比常规PID控制具有更好的控制效果,调节时间更短、超调量更小,且具有较好的鲁棒性,干扰对其响应曲线影响不大。

2025-03-04

BLDC直流无刷电机转速电流双闭环调速MATLAB仿真

BLDC直流无刷电机转速电流双闭环调速MATLAB仿真 1.模型简介 本仿真模型基于MATLAB/Simulink(版本MATLAB 2017Ra)软件。建议采用matlab2017 Ra及以上版本打开。(若需要其他版本可联系代为转换) 2.仿真算法: 1)仿真模型主要由DC直流源、三相逆变桥、无刷直流电机、PI控制器、PWM发生器、霍尔位置解码模块、驱动信号控制等构成。 2)采用转速、电流 双闭环 控制算法; 3)速度环采用 PI比例积分控制; 4)电流环采用 PI比例积分控制; 5)各个模块功能分类明确,理解容易。

2025-03-12

跟网型逆变器小干扰稳定性分析与控制策略优化simulink仿真模型和代码.zip

本仿真模型基于MATLAB/Simulink(版本MATLAB 2016Rb)软件。建议采用matlab2016 Rb及以上版本打开。(若需要其他版本可联系代为转换) CSDN详情地址:https://blog.csdn.net/qq_50594161/article/details/146242453sharetype=blogdetail&sharerId=146242453&sharerefer=PC&sharesource=qq_50594161&spm=1011.2480.3001.8118

2025-03-13

基于小波分析法的行波测距判断故障及定位故障仿真.zip

1.模型简介 本仿真模型基于MATLAB/Simulink(版本MATLAB 2017Ra)软件。建议采用matlab2017 Ra及以上版本打开。(若需要其他版本可联系代为转换) 详细介绍链接:https://blog.csdn.net/qq_50594161/article/details/146216439?spm=1011.2415.3001.10575&sharefrom=mp_manage_link

2025-03-12

LLC谐振变换器恒压恒流双竞争闭环simulink仿真

本仿真模型基于MATLAB/Simulink(版本MATLAB 2017Ra)软件。建议采用matlab2017 Ra及以上版本打开。(若需要其他版本可联系代为转换)针对全桥LLC拓扑,利用Matlab软件搭建模型,分别对轻载,满载进行仿真实验,对比使用增益曲线,以及matlab siulink搭建LLC模型的相关工作频率和输出电压关系。

2025-02-26

交流异步电动机PI双闭环SVPWM矢量控制Simulink

1.模型简介 本仿真模型基于MATLAB/Simulink(版本MATLAB 2017Ra)软件。建议采用matlab2017 Ra及以上版本打开。(若需要其他版本可联系代为转换) 2.仿真算法: (1)涉及DC直流电源、三相两电平逆变桥、三相交流异步电机、park变换、clark变换、SVPWM、PI控制器、角度和磁链计算、信号测量等单元模块; (2)采用转速、电流双闭环控制; (3)转速环采用PI比例积分控制; (4)电流环采用PI比例积分控制; (5)采用SVPWM矢量调制策略; (6)跟踪性能良好,当转矩发生变化时能够快速稳定转速; (7)各个模块功能分类明确,容易理解。

2025-02-23

三相并网逆变器电流模型预测MPC控制matlab仿真模型

[1]采用电压外环PI+内环电流模型预测控制,单矢量。 [2]外环稳定并网输出电压311V,内环通过电流模型预测,比较八个矢量,直接发调制波。波形完美 [3]内含自己报告5页,涉及预测控制的数学模型,简单的设计思路等内容。

2025-02-06

三相异步电机匝间短路故障仿真模型,基于MATLAB/SIMULINK的感应电机故障仿真模型

1.模型中可以自己修改短路系数和阻值,模拟不同短路数来得到不同的定子电流波形,当定子的匝间短路数达到一定的程度,对应定子电流有效值明显变化,波形见图片。 2.定子匝间短路的存在也会使电机的输出扭矩波动,且下降程度与短路位置和短路匝数有关,见图片; 3.匝间短路时电机效率和功率因数会降低; 4.该仿真可以模拟不同短路程度下电机的电流异常、转矩异常和功率因数异常波形,适合做毕设或者写研究论文。

2025-02-03

直流电动机三级串电阻启动MATLAB仿真模型

模型包含以下核心模块: 直流电源:额定电压供电220V。 三级串联电阻模块:由三个电阻(R1、R2、R3)和开关(SW1、SW2、SW3)组成,分阶段控制电阻接入与切除。 直流电机模块:设置为他励直流电机,电枢与励磁绕组独立供电。 控制逻辑模块:根据时间或转速信号触发开关动作。 初始状态:所有电阻(R1+R2+R3)接入电枢回路,总电阻最大。 切换逻辑: t=0s:闭合SW1,切除R1,总电阻变为R2+R3。 t=T1:闭合SW2,切除R2,总电阻变为R3。 t=T2:闭合SW3,切除R3,电枢直接连接电源。 1. 电枢电流波形 启动阶段(0~T1):电流峰值约为45A,受总电阻限制。 电阻切换阶段(T1~T2):每切除一级电阻,电流短暂上升后回落,最终稳定在额定值。 稳态运行(T2后):电阻完全切除,电流由电枢电阻决定。 2. 电磁转矩波形 Te与Ia成正比波形趋势与电流一致。启动初期转矩较大,随着转速上升,反电动势增大,转矩逐步降低至稳态值。 3. 转速波形 初始阶段:加速度较小(因高电阻限制转矩)。 电阻切除后:加速度逐级增大,最终达到额定转速。

2025-02-03

SMO+PLL滑膜观测器、MARS模型参考自适应观测器simulink仿真

模型内容介绍: (1)SMO+PLL滑膜观测器通过SMO估计电机的转速和位置信息,并利用PLL技术对这些信息进行跟踪和校正,以实现高精度的电机控制; (2)MARS是一种基于模型参考自适应控制理论的观测器。它通过比较参考模型与实际系统输出之间的误差,并利用自适应算法调整观测器的参数,使得观测器的输出能够逼近实际系统的输出。 模型亮点: (1)SMO与MARS观测器模型二合一,方便对比学习

2024-11-12

基于线性死区补偿的PMSM矢量控制算法仿真:Foc电流双闭环 、电机控制器

仿真平台:matlab_simulink2017a 1.模块划分清晰,易于学习; 2.死区补偿算法的线性区区域可调; 3.自己总结的死区补偿算法笔记及精华资料;

2024-10-31

matlab数据处理-最小二乘法消除多项式趋势项

最小二乘法消除多项式趋势项

2024-09-29

matlab之数据处理:滑动平均滤波算法与五点三次平滑算法

一.滑动平均滤波算法 算数平均滤波需要多次采样后才能得出一个有效值,如果被检测量变化较快,多次采样后才输出一次有效值,表现就是系统反应迟钝。将当前采样值与之前连续的历史采样值进行平均,这样每次采样结束即可得出有效值。因为参与计算的历史值个数固定且内容不断前移覆盖更新,类似滑动的数据块窗口,因此成为滑动平均滤波算法。 假如采样6次,每次使用最近5个历史值与当前最新值求算数平均值,输出一个有效值;下次采样时再覆盖最早时间的点做同样操作。类似环形数组,求最近6个值的平均值。 滑动平均滤波,输出的结果与先前历史记录有关,假如故意突然改变物理量,需要几个采样周期,输出结果才逐渐接近真实值,实际一般情况下,越新的数据权重越大,历史记录权重应该减少,对滑动窗口中的数据分配不同的加权系数,进行加权平均值。 二.五点三次平滑算法 五点三次平滑算法是一种用于数据平滑处理的技术,常用于对数据序列进行平滑或降噪,特别是用于消除时间序列或实验数据中的随机波动。在该算法中,每个数据点用其附近的5个数据点的加权平均值来代替,以获得平滑效果。

2024-09-23

SVG静止无功补偿发生器MATLAB仿真模型

(1)SVG静止无功补偿发生器MATLAB仿真模型; (2)仿真模型主要由三相电网、感性负载、容性负载、SVG主电路、SVG控制模块、有功无功计算模块、波形显示模块组成; (3)SVG采用电压电流双闭环P1控制,电流环控制瞬时无功功率的无功电流为0; (4)调制方式为SVPWM空间矢量调制; (5)系统母线电压为三相380V(相电压220V),SVG直流侧电压750V; (6)感性负载时负载功率25kVA,功率因数0.82,补偿后系统母线功率因数0.9998; (7)容性负载时负载功率25kVA,功率因数0.80,补偿后系统母线功率因数0.9999; (8)0.1s时启动SVG补偿,补偿动态响应快; (9)模型可以直接运行,运行即能出图; (10)模型带说明文档和参考文献;

2024-09-19

振动信号处理代码模态分析频响生成参数识别预/后期处理

资源内容:振动信号处理代码模态分析频响生成参数识别预/后期处理 仿真平台:MATLAB

2024-09-19

瓜式STATA 代码命令汇总,有详细讲解,保姆级适合小白!

1.安装命令 2.数据预处理:全部案例+数据+代码 (1)数据导入 (2)剔除特殊值 (3)描述性统计 (4)多重共线性检验 (5)设置面板数据 3.基本回归:全部案例+数据+代码 (1)最小二乘法( OLS ) (2)随机效应( re ) (3)固定效应( fe ),其中固定效应包括个体固 定、时间固定、行业固定 (4)豪斯曼检验( hausman 检验) (5)双重差分模型( DID 模型) (6)倾向匹配法模型( psm 模型) (7) logit 模型 (8) probit 模型 (9)回归结果总体输出 4.中介效应:三步法检验中介效应 5.调节效应: (1)未去中心化的调节效应 (2)去中心化的调节效应 6.稳健性检验: (1) Tobit 模型检验 (2)去除异方差,稳健标准误 (3)核心解释变量和因变量滞后效应 7.内生性检验: (1)动态面板回归、系统 GMM 、动态广义矩估计 (2) Heckman 两阶段模型、 Heckman 两步法 (3)工具变量法2SLS 注: 1、目录上内容代码都有,你可以替换成自己的数据,都可以用 2、专门给您准备了数据,作为具体案例,

2024-09-18

Visio电气元器件模具、模板

电气类的visio模版

2024-09-06

储能电站变流器设计与仿真研究(文章复现matlab)

为了有效解决交流子网与直流子网间的功率传输, 降低电流谐波, 基于三相电压源型变流器及变流器的控制方法, 在 MATLAB R2018a 环境下搭建了储能变流器的整体仿真模型。 电路主要由三相电网、 三相 PWM 变流器、Buck/Boost 变换器和蓄电池构成。 三相 PWM 变流器控制中间电压为稳定在 700 V, 实现能量由电网与直流母线的双向变换;Buck/Boost 变换器实现双向 DC/DC 功能, 对电池进行恒功率充电或恒功率放电; 三相 PWM 变流器采用电压外环、电流内环双闭环 PI 控制, 电网电压和电容电流前馈, 电感电流解耦,SVPWM 空间矢量调制;Buck/Boost 变换器采用 PID 闭环控制。

2024-09-03

三相PWM整流器PI双闭环控制Simulink

(01)本仿真采用【q轴有功、d轴滞后无功】算法,和张兴的书介绍的一致。 (02)基于电压前馈+电流解耦(有功、无功解耦)。 (03)采用电压、电流双闭环控制来实现。电压调节器的输出作为有功电流的给定值。电流调节器用来独立调节系统的有功、无功电流,使系统的有功、无功电流实时跟踪指令电流值。 (04)外环电压环,采用PI控制。 (05)内环电流环,采用PI控制。 (06)电流控制,基于dq同步旋转坐标系。 (07)调制策略采用SPWM。 (08)畸变小,THD<5%。 (09)仿真模块涉及三相电网、滤波电感、三相整流桥、稳压电容、负载、PLL锁相环、基础坐标变换、PI控制、spwm调制模块、信号测量、信号显示等; (10)各个模块,功能分类明确,容易理解。

2024-08-01

锂离子电池恒流恒压充电(CC-CV)Simulink仿真模型

本仿真模型基于MATLAB/Simulink(版本MATLAB 2017Ra)软件。建议采用matlab2017 Ra及以上版本打开。(若需要其他版本可联系代为转换) CCCV方法是实践中应用最广泛的方法。CCCV充电过程是恒流充电(CC)和恒压充电(CV)的结合。在CC阶段对电池施加恒定电流,以获得更快的充电速度,此时电池电压持续升高,经过一段时间后达到预设的最大电压,但是由于极化的存在,充电过程中测量的电池电压要大于实际的电池电压,也就是说在结束充电,电流减小到0后,电池电压会出现回落;所以还需要进入CV阶段继续充电。当电池电压达到预设的最大充电电压时,恒流充电模式切换至恒压充电模式,电压保持恒定,电流呈指数级下降,极化电压逐渐降低,测量的电池电压更加接近于电池真实电压,当充电电流减小到一定值或SOC升高到一定值时,可以认为电池已经完全充电。 图1展示了充电中和充电结束后测量电压与真实电池电压的关系,可以发现,由于极化电压和欧姆电压的存在,充电过程中测量电压要大于真实电池电压。从CC阶段转换到CV阶段后,充电电流逐渐减小,极化电压和欧姆电压也随之逐渐减小,测量电压越来越接近真实电压,到CV阶段快要结束时,虽然还有很小的电流,但是基本可以认为测量电压等于电池真实电压,这时可以认为电池已经完全充电。

2025-10-29

抽水蓄能电站最佳调度方案研究matlab仿真

研究抽水蓄能机组调峰填谷的功能,目标是从电网的利益出发,结合抽水蓄能电站的运行环境及各类电源现有的调峰电价机制,以成本最低得到含抽水蓄能机组的混合发电系统的调峰经济调度模型。然后,用粒子群算法与含有抽水蓄能机组的混合发电系统的调峰经济调度模型相结合,得到系统日前调度问题具体解决步骤。 整个系统包含水电出力+火电出力+抽水蓄能出力。

2025-10-24

LCC-S型磁耦合谐振无线电传输系统实现恒压输出simulink

本仿真模型基于MATLAB/Simulink(版本MATLAB 2018Rb)软件。建议采用matlab2018 Rb及以上版本打开。(若需要其他版本可联系代为转换) LCC-S型无线电能传输系统的输出电压仅与输入电压,收、发线圈互感和发射侧补偿电感有关而收、发线圈互感和发射侧补偿电感是不变的,所以LCC-S型无线电能传输系统具有恒压输出的特点。

2025-10-22

基于扰动观察法(P&O)的光伏最大跟踪策略Simulink

本仿真模型基于MATLAB/Simulink(版本MATLAB 2016Ra)软件。建议采用matlab2016Ra及以上版本打开。 包含两个模型:1)基于小步长、大步长及变步长下的MPPT仿真模型;2)光伏电池仿真模型。

2025-09-06

遗传算法求解冷链路径优化问题matlab代码

1.模型介绍: 遗传算法求解冷链路径优化问题matlab代码。 2.程序解决问题介绍: (1)单车运载力大于单个客户需求量 (2)配送中心车辆数足够,可同时为多名顾客服务 (3)配送中心无缺货情况发生 (4)顾客的商品需求、地理位置已知 (5)顾客对配送到达时间有所要求,车辆未在指定时间内到达将产生惩罚成本 (6)每位顾客只有一辆车提供服务,且需求能够得到满足 (7)配送车辆为同一型号 (8)顾客有指定的时间窗,考虑软时间窗 (9)本文不考虑天气、路况等客观因素对配送时间的影响,车辆在配送过程中性能良好,不考虑突发情况。 (10)本文假设车厢内温度为定值且符合冷链产品所要求的温度。 (11)每位顾客都需要在指定时间范围内得到服务。 (12)由于本模型考虑“最后一公里的末端配送”,相较而言每位顾客所需货物量较少,即从车厢开门拿出客户所需货物时间较短,于是忽略由于车门开启,导致冷藏车内温度升高造成的货损成本

2025-08-19

补偿电流控制的APF并联型有源电力滤波器仿真模型.zip

本仿真模型基于MATLAB/Simulink(版本MATLAB 2018Rb)软件。建议采用matlab2018Rb及以上版本打开。 并联型有源电力滤波器(ShuntActivePowerFilter简称SAPF)系统结构如图所示,并联型有源电力滤波器以并联形式接入电网与谐波源之间,不可控整流负载接入电网会产生畸变率较大的谐波电流,故将不可控整流负载作为谐波源。SAPF直流侧元件为储能电容,交流侧输出经过电感滤波后接入电网,其通过向电网注入与谐波源相反极性的电流来治理谐波源产生的谐波电流,并入SAPF之后谐波源的并网电流达到正弦,实现了谐波治理的目的。

2025-08-19

雨流计数法(四点法)matlab程序

雨流计数法(四点法)matlab程序 计算电池放电深度,可用来计算电池寿命,或者多目标优化考虑寿命损耗模型,附赠电池放电数据。

2025-08-19

永磁同步电机参数辨识MATLAB仿真

1.模型版本 本仿真模型基于MATLAB/Simulink(版本MATLAB 2014Rb)软件。建议采用MATLAB 2014Rb及以上版本打开。 2.模型介绍: 永磁同步电机参数辨识仿真,基于递推最小二乘法RLS的永磁同步电机参数辨识,仿真程序加解析文档及参考文献。

2025-08-14

VMD+皮尔逊+降噪+重构(送报告+PPT)Matlab程序

1.程序介绍: 以含白噪声信号为例: 1.对信号进行VMD分解 2.通过皮尔逊进行相关性计算 3.通过设定阈值将噪声分量和非噪声分量分别提取出 4.对非噪声信号进行重构达到降噪效果 包含评价指标: % SNR:信噪比 % MSE:均方误差 % NCC:波形相似系数

2025-08-13

基于Matlab的四旋翼无人机动力学PID控制仿真.zip

1.模型版本 本仿真模型基于MATLAB/Simulink(版本MATLAB 2016Ra)软件。建议采用matlab2016Ra及以上版本打开。 2.模型介绍: 1)运用欧拉方程对地面坐标到机体坐标的转换矩阵进行了推导; 2)在无人机动力学模型基础上,采用经典PID控制算法对其内环姿态和外环位置进行控制; 3)说明文档: ①详细推导四旋翼飞行器的数学模型 ②PID控制器的设计、位置回路控制器设计、姿态回路控制器设计 ③PID参数调整

2025-07-16

基于模糊控制及BP神经网络开关磁阻电机的matlab仿真

1)采用转速、转矩双闭环控制算法; 2)外环是速度环,采用改进复合模糊控制,实现速度跟踪; 3)内环是转矩环,采用柔性BP神经网络PID+DITC直接瞬时转矩控制策略,实现转矩跟踪(部分内容采用S函数编写); 4)开关磁阻电机采用三相6/4 结构; 5)动态控制性能较好; 6)仿真模型主要涉及SRM开关磁阻电机、复合模糊控制器、神经网络控制器、直接瞬时转矩控制器、位置计算、速度计算、信号采集、示波器等。 7)各个模块功能明确,容易理解;

2025-07-10

PID与模糊PID系统设计-基于模糊PID的水下航行器运动控制研究Simulink仿真(包含设计报告)

本仿真模型基于MATLAB/Simulink(版本MATLAB 2016Rb)软件。建议采用matlab2016 Rb及以上版本打开。(若需要其他版本可联系代为转换) 针对水下航行器控制系统参数变化和海洋环境干扰等影响,研究水下航行器运动控制系统中的深度控制问题。依据水下航行器的构造特点和水动力特性,建立水下航行器在地球坐标系中的六自由度动力学模型,结合模糊控制理论和传统PID控制方法设计水下航行器模糊PID控制器,在保留传统PID控制器的优点的基础上易于在实际应用中进行微调。实现Simulink仿真环境中模糊PID控制与传统PID控制的深度控制仿真,并对仿真结果进行比较。仿真结果表明模糊PID控制系统相较于传统PID控制对水下航行器。

2025-05-12

高压直流输电MATLAB/simulink仿真模型+说明文档

1.模型简介 本仿真模型基于MATLAB/Simulink(版本MATLAB 2018Ra)软件。建议采用matlab2018 Ra及以上版本打开。(若需要其他版本可联系代为转换) 使用一个传输功率为1000MW(500 kV,2 kA)直流互连系统,将电能从500 kV,5000 MVA,60 Hz的系统传输到345 kV,10000 MVA,50 Hz的系统。整流器和逆变器是12脉冲换流器的平均模型,由两个串联的6脉冲晶闸管桥组成。整流器和逆变器通过一条300km的分布参数线和两个0.5 H的平波电抗器相连。 换流变压器的线性表示是平均模型块的一部分。变压器分接头未模拟,假设分接头的位置固定。整流器变比(一次/二次)为0.9 pu,逆变器变比为0.96 pu。换流器所需的无功功率由一组电容器组加上第11、13和高通滤波器提供,每侧总共为600 Mvar。注意,由于换流器的平均模型不产生谐波,无功可以完全由电容器组提供。 两个断路器用于对逆变器的交流侧和整流器的直流侧施加故障。注意,由于晶闸管阀不存在,平均模型不需要12脉冲触发角控制模块。 整流器和逆变器都有直流保护功能。整流器的直流故障保护模块将检测故障电流并强制延迟角进入逆变区域以消除故障电流。逆变器的换相失败预防控制模块将检测交流故障并降低最大延迟角的限制,从而减小换相失败的风险。注意,平均值模型中不存在换相失败现象。 为了帮助用户识别可能引起换相失败的条件,模型提供了一个指示(可从整流器和逆变器模型中的总线选择器获取的 CF_alarm 信号)。当低交流电压检测模块(LACVD)检测到交流电压下降时,将闭锁直流故障保护(DCPROT)。主控制块可以启动和停止换流器,并调整电流参考的值(上升或下降)。 控制器发出的触发角信号(alpha_ord)是平均值模型的输入。

2025-04-28

单相交直交变频电路-matlab仿真文件+4500字word报告

单相交直交变频电路,先整流再逆变 报告内含主电路,驱动电路,控制电路设计,即单相正弦波变频电源设计 可实现频率和电压的调整,即变频和调压 仿真文件+4500字word报告 包含simulink仿真模型和对应的仿真及技术报告 交直流变换电路为不可控整流电路,输入的交流电通过变压器和桥式整流电路转化为直流电,滤波电路用电感和电容滤波,逆变部分采用四只IGBT管组成单项桥式逆变电路,采用双极性调制方式,输出经LC低通滤波器滤波,滤除高次谐波,得到频率可调的交流电输出 电路采用SPWM正弦波脉宽调制,通过改变调制频率,实现交直交变频的目的。 设计电路由三部分组成:即主电路,驱动电路和控制电路。 交直流变换部分(AC/DC)为不可控整流电路;逆变部分(DC/AC)由四只IGBT管组成单相桥式逆变电路,采用双极性调制方式。输出经LC低通滤波器,滤除高次谐波,得到高频率的正弦波(基波)交流输出

2025-04-27

单机无穷大系统暂态稳定性仿真Matlab模型

1.模型简介 本仿真模型基于MATLAB/Simulink(版本MATLAB 2017Ra)软件。建议采用matlab2017 Ra及以上版本打开。(若需要其他低版本可联系代为转换) 电力系统是一个复杂的动态系统,系统一旦出现稳定性问题,可能会在较短的时间内发生严重后果。运用所学的电路知识和电力系统分析方面的相关知识,完成对单机无穷大电力系统网络运行参数、系统转移电抗、系统极限切除角和发电机摇摆曲线δ- t 等参数的计算。并通过 Matlab/Simulink 完成对单机无穷大系统的仿真模型图的搭建,完成对线路发生两相接地性短路故障时及时切除故障和未能及时切除故障时发电机转速变化的观察,通过仿真结果来验证电力系统暂态稳定方面的理论。 1.完成对单机无穷大电力系统网络运行参数、系统转移电抗、系统极限切除角和发电机摇摆曲线δ- t 等参数的计算; 2.通过 Matlab/Simulink 完成对单机无穷大系统的仿真模型图的搭建; 3.完成对线路发生两相接地性短路故障时及时切除故障和未能及时切除故障时发电机转速变化的观察,通过仿真结果来验证电力系统暂态稳定方面的理论。

2025-04-25

基于Matlab的车牌识别系统

1.程序简介 本模型基于MATLAB,通过编程创建GUI界面,基于Matlab的数字图像处理,对静止的车牌图像进行分割并识别,通过编写matlab程序对图像进行灰度处理、二值化、腐蚀膨胀和边缘化处理等,并定位车牌的文字,实现字符的分割,再通过模板和样板库进行字符的识别,最后再生成数据库管理系统,并对设计结果进行分析。 2.设计内容: 系统通过以打开文件的形式,选取要识别的车牌的图像,并且能够实现对车牌的自动识别和分割,再通过进行灰度处理、二值化、腐蚀膨胀、边缘锐化等对图片进行处理,对车牌文字进行定位、分割,再通过模板匹配法、建立样本库进行字符的识别,最后生成数据管理系统。并且能够通过GUI界面的“选择图片”“图片处理”“退出界面”三个按钮进行相应的的控制。

2025-04-24

VSG逆变器正负序阻抗建模MATLAB仿真

序阻抗建模 VSG并网逆变器 阻抗建模 扫频法 正负序阻抗建模 参考文献为:《虚拟同步发电机接入弱电网的序阻抗建模与稳定性分析》包括vsg仿真(只含功率环具体可看文献),阻抗建模程序,扫频法程序 程序附带注释 低频段有些许差异,中高频段基本完全对应。

2025-04-24

基于双闭环PID控制器的永磁同步电机控制系统匝间故障Simulink仿真

基于双闭环PID控制器的永磁同步电机控制系统匝间故障Simulink仿真 本仿真模型基于MATLAB/Simulink(版本MATLAB 2013Rb)软件。建议采用matlab2013 Rb及以上版本打开。(若需要其他版本可联系代为转换,高于该版本的matlab均可正常运行)

2025-04-12

电容式电压互感器的建模与暂态特性仿真

电容式电压互感器的建模与暂态特性仿真 本仿真模型基于MATLAB/Simulink(版本MATLAB 2016Rb)软件。建议采用matlab2016 Rb及以上版本打开。(若需要其他版本可联系代为转换)

2025-04-12

考虑电流互感器饱和特性时的建模与仿真

考虑电流互感器饱和特性时的建模与仿真 本仿真模型基于MATLAB/Simulink(版本MATLAB 2016Rb)软件。建议采用matlab2016 Rb及以上版本打开。(若需要其他版本可联系代为转换)

2025-04-12

空空如也

TA创建的收藏夹 TA关注的收藏夹

TA关注的人

提示
确定要删除当前文章?
取消 删除