在目前的谐振电路中,串联谐振(SRC)、并联谐振(PRC)和串并联谐振(SPRC)已经被业界所熟知,它们因能实现零电压开通而被广泛应用于开关电源中。但是,它们都不适合应用于开关频率高和效率高的场合。首先串联谐振,为了确保轻载时输出电压的稳定,往往需要开关频率上升到很高,而这种问题在并联谐振和串并联谐振中并不存在,但是并联谐振的关断电流比串联谐振大很多,这是并联谐振的最大问题;其二,在上面提到的所有这三个谐振电路中都有一个共同的缺点,那就是回送至输入端的能量都会随着输入电压的增加而增加。最后,这三种谐振电路的工作频率都会随着输入电压的增加而提高,并且随输入电压的增加,工作频率离谐振频率越远。
通过简单总结串联谐振、并联谐振和串并联谐振电路的优缺点,可以看出这三种谐振电路在实现软揩干的同时都必须牺牲其它方面的性能,因此都不是理想的软开关电路。尽管这三种谐振电路都有各自的缺点,但是通过它们仍可以得出总结:第一,谐振电路都有两个谐振频率,通常工作在较高的那个谐振频率电路的效率更高;第二,为了确保功率器件零电压开通,谐振电路工作需工作在直流特性的下降段。事实上,LLC半桥谐振电路克服了串联谐振电路轻载输出调整差的缺点,即使在没有任何负载的情况下也可实现软开关,这对DC/DC电路的效率提高做出很大贡献。接下来的文章中会具体讨论MOSFET在LLC拓扑中的性能和可靠性,同时详细介绍LLC谐振电路原理和技巧。
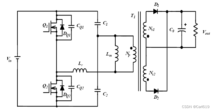
1 基本电路
LLC半桥谐振电路中,根据这个谐振电容的不同联结方式,典型LLC谐振电路有两种连接方式,如下图1所示。不同之处在于LLC谐振腔的连接,左图采用单谐振电容(Cr),其输入电流纹波和电流有效值较高,但布线简单,成本相对较低;右图采用分体谐振电容(C1, C2),其输入电流纹波和电流有效值较低,C1和C2上分别只流过一半的有效值电流,且电容量仅为左图单谐振电容的一半。

图1 典型电路
2 LLC半桥谐振电路基本原理
LLC谐振变换的直流特性分为零电压工作区和零电流工作区。这种变换有两个谐振频率。一个是Lr 和Cr的谐振点,另外一个谐振点由Lm, Cr以及负载条件决定。负载加重,谐振频率将会升高。这两个谐振点的计算公式如下:
公式1
公式2
考虑到尽可能提高效率,设计电路时需把工作频率设定在fr1附近。其中,fr1为Cr,Lr串联谐振腔的谐振频率。当输入电压下降时,可以通过降低工作频率获得较大的增益。通过选择合适的谐振参数,可以让LLC谐振变换无论是负载变化或是输入电压变化都能工作在零电压工作区。
总体来说LLC半桥谐振电路的开关动作和半桥电路无异,但是由于谐振腔的加入,LLC半桥谐振电路中的上下MOSFET工作情况大不一样,它能实现MOSFET零电压开通。其工作波形图如下:

图2-2 工作波形示意图
上图为理想半桥谐振电路工作波形图;图中,Vgs1和Vgs2分别是Q1、Q2的驱动波形,Ir为谐振电感Lr电感电流波形,Im为变压器漏感Lm电流波形,Id1和Id2分别是次级侧输出整流二级管波形,Ids1则为Q1导通电流。波形图根据不同工作状态被分成6个阶段,下面具体分析各个状态,LLC谐振电路工作情况:
- T0~ T1: Q1关断、Q2开通;这个时候谐振电感上的电流为负,方向流向Q2。在此阶段,变压器励磁感不参加谐振, Cr、Lr组成了谐振频率,输出能量来自于Cr和Lr。这个阶段随着Q2关断而结束。下图3为LLC半桥谐振电路在T0~ T1工作阶段各个元器件工作状态。

图3 T0~T1工作阶段
- T1~ T2:Q1关断、Q2关断;此时为半桥电路死区时间,谐振电感上的电流仍为负,谐振电流对Q1的输出电容(Coss)进行放电,并且对Q2的输出电容(Coss)进行充电,直到Q2的输出电容的电压等于输入电压(Vin),为Q1下次导统创造零电压开通的条件。由于Q1体二级管此是出于正向偏置,而Q2的体二级管示反相偏置,两个电感上的电流相等。输出电压比变压器二次侧电压高,因此D1、D2处于反偏状态,所以输出端与变压器脱离。此阶段,Lm和Lr、Cr一同参加谐振。随着Q1开通,T1~ T2阶段结束。下图4为LLC半桥谐振电路在T1~ T2工作阶段各个元器件工作状态。

图4 T1~T2工作阶段
- T2~ T3: Q1开通、Q2关断(一旦Q1的输出电容被放电放到零时)。此时谐振电感上的电流仍旧为负,电流经Q1流回输入端(Vin)。同时,输出整流二级管(D1)导通,为输出端提供能量。变压器励磁电感(Lm)在此阶段被持续充电。只有Lr和Cr参与谐振。一旦谐振电感Lr上的电流为零时,T2~ T3阶段结束。下图5为LLC半桥谐振电路在T2~ T3工作阶段各个元器件工作状态。

图5 T2~T3工作阶段
- T3~ T4:此阶段始于谐振电感Lr电流变负为正,Q1开通、Q2关断,和T2~ T3阶段一样。谐振电感电流开始从输入端经Q1流向地。变压器漏感Lm此时被此电流充电,因此参加谐振的器件只有Lr 和Cr。输出端仍由D1来传输能量。随着Q1关断,T3~ T4阶段结束。下图2-6为LLC半桥谐振电路在T3~ T4工作阶段各个元器件工作状态。

图6 T3~T4工作阶段
- T4~ T5: Q1关断,Q2关断;此时为半桥电路死区时间。此时,谐振电感电流对Q1的输出电容Coss进行充电,并对Q2的输出电容Coss进行放电直到Q2上输出电容电压为零,导通Q2的体二级管,为Q2零电压开通创造条件。在此期间,变压器二次侧跟T1~ T2阶段一样,脱离初级侧。在死去时间,变压器漏感Lm参与谐振。此阶段随着Q2开通而结束。下图7为LLC半桥谐振电路在T4~ T5工作阶段各个元器件工作状态。

图7 T4~T5工作阶段
- T5~ T6: Q1关断,Q2导通。由于T4~ T5阶段中Q2的输出电容已经被放电至零,因此T5~ T6阶段Q2以零电压开通。能量由谐振电感Lr经Q2续流,输出端由D2提供能量。此时,Lm不参与Lr和Cr的谐振。此阶段随着谐振电感Lr电流变为零而结束,重复T0~ T1状态。下图8为LLC半桥谐振电路在T5~ T6工作阶段各个元器件工作状态。

图8 T5~T6工作阶段
由以上工作状态可以看出,除了Q1、Q2死区时间外,绝大多数时间,电路都可以工作在由Lr和Cr构成的较高的谐振频率。这种情况下,变压器漏电感由于被输出电压所钳位,因此,它会作为Lr,Cr串联谐振腔的负载形式存在,而不参与整个谐振过程。由于这个被动负载,LLC谐振变换轻载稳压可以不再需要很高频率。而且,由于这个被动Lm负载,可以保证在任何负载情况下都能工作在零电压开关状态下。
1万+

被折叠的 条评论
为什么被折叠?



