黑蓝紫红
码龄2年
关注
提问 私信
  • 博客:25,041
    视频:27
    25,068
    总访问量
  • 6
    原创
  • 101,859
    排名
  • 55
    粉丝

个人简介:多多重复

IP属地以运营商信息为准,境内显示到省(区、市),境外显示到国家(地区)
IP 属地:陕西省
  • 加入CSDN时间: 2022-11-13
博客简介:

weixin_75174766的博客

查看详细资料
  • 原力等级
    当前等级
    2
    当前总分
    107
    当月
    0
个人成就
  • 获得136次点赞
  • 内容获得6次评论
  • 获得271次收藏
创作历程
  • 5篇
    2024年
  • 1篇
    2023年
成就勋章
TA的专栏
  • 题目
    1篇
兴趣领域 设置
  • Java
    javatomcatspringmavenjava-eespring bootspring cloudjvmjunitlog4jservlet
创作活动更多

超级创作者激励计划

万元现金补贴,高额收益分成,专属VIP内容创作者流量扶持,等你加入!

去参加
  • 最近
  • 文章
  • 代码仓
  • 资源
  • 问答
  • 帖子
  • 视频
  • 课程
  • 关注/订阅/互动
  • 收藏
搜TA的内容
搜索 取消

成语接龙 servlet+jsp+Tomcat

今天分享一下成语接龙的小游戏,用到的技术栈servlet+jsp+一点点json感兴趣的老铁可以看看
原创
发布博客 2024.10.23 ·
962 阅读 ·
27 点赞 ·
0 评论 ·
25 收藏

成语接龙 演示

发布视频 2024.10.23

数电实验: 利用74ls161和74ls00实现计数器

后来听老师的建议,先换了一个161芯片,发现十位数字按照秒表的变化变了,但是发现 秒表显示不良,最后终于发现了问题, 尽然是1HZ那个接线柱有问题,我不断尝试,不断改进,不断努力,从中我学习到了很多很多,有时候一次的失败可能是因为没有找对方法。熟悉时序逻辑电路的工作原理,熟悉74ls161的功能,利用74ls161实现计数系统,和相应门元件实现特定模值的计数器,数码显示管显示计数过程。RD’端为异步清零端,只要RD’= 0,触发器被清零,计数器输出全为0,不需要等CP的时钟信号即可实现清零功能。
原创
发布博客 2024.05.28 ·
6580 阅读 ·
31 点赞 ·
0 评论 ·
52 收藏

数电实验: 利用74ls138和74ls20实现译码器(全加器)

后来听老师的建议,先换了一个138芯片,发现进位输出S灯按照真值表的变化亮了,但是发现 进位输出C灯不亮了,最后在不断重新连接发现有一节线断了,终于发现了问题, 在连接138和20时,我不断尝试,不断改进,不断努力,从中我学习到了很多很多,有时候一次的失败可能是因为没有找对方法。Y0 - Y7 (Pin 9, 10, 11, 12, 13, 14, 5, 6): 输出引脚,共8个。在进行实验时,应先确认74LS20、74LS138的功能完好,而后仔细检查芯片的引脚连接,确保连接正确,以避免电路故障。
原创
发布博客 2024.05.27 ·
10318 阅读 ·
53 点赞 ·
5 评论 ·
126 收藏

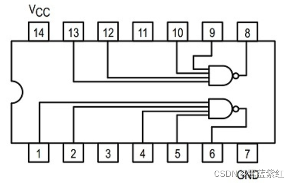
数电实验:利用74ls00和74ls86实现全加器

为了更好地理解电路的运作,我们可以尝试设计更复杂的电路或改进现有的设计。74ls86是由4 组 俩输入的异或门所构成,7 脚GND接地,14脚VCC接+5V,其中1,2为输入端,3为输出端,4,5输入端,6为输出端,等。74ls00是由4 组 俩输入的与非门所构成,7 脚GND接地,14脚VCC接+5V,其中1,2为输入端,3为输出端,4,5输入端,6为输出端,等。在进行实验时,应先确认74LS00、74LS86的功能完好,而后仔细检查芯片的引脚连接,确保连接正确,以避免电路故障。,搭建特定组合逻辑电路。
原创
发布博客 2024.05.26 ·
6807 阅读 ·
21 点赞 ·
0 评论 ·
64 收藏

显生-之宙

但是"可恶"的是白王子给的数字,有正有负,就给这道题赋予了难度;我们应该先排序,在有负数的前提下, 删掉最小的数,而且每个数都加了这个负数;那么最后得到的数就是最小的;如果规定输入的数全是正数,那么就是我们特喜欢的,全部相加,即就是结果;相信今天的讲解会使你学会这道题!看到这儿,老铁不来个 一键三连,支持支持。,看完题目,内心有想法了吗?
原创
发布博客 2024.04.01 ·
162 阅读 ·
3 点赞 ·
0 评论 ·
3 收藏

面试题(看看你会吗)

不管哪种方法,我们都要熟悉,取长补短,相信今天的讲解会使你学会这道题!!!(看到这儿,老铁不来个 一键三连,支持支持)
原创
发布博客 2023.06.05 ·
177 阅读 ·
1 点赞 ·
1 评论 ·
0 收藏