目录
一、实验目的
熟悉38译码器的工作原理,利用74ls138和相应门元件实现特定逻辑电路,掌握用逻辑门实现编码器的方法,能够利用译码器进行组合逻辑电路设计。
二、实验内容
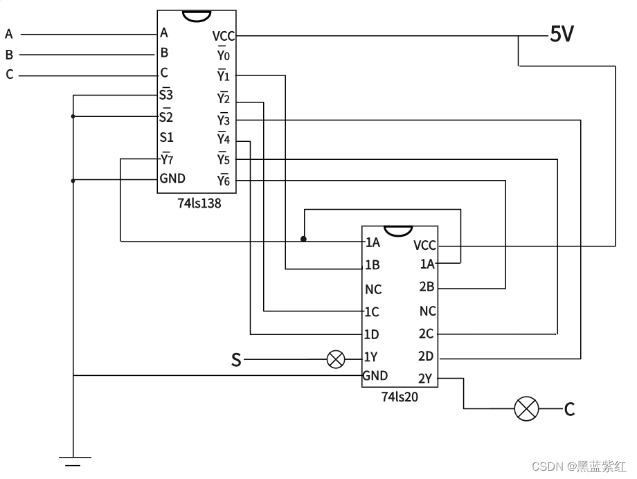
验证74ls138的功能,利用74ls138和74ls20,实现一位全加器或全减器。
三、实验步骤、数据记录及处理
1.实验仪器的引脚图
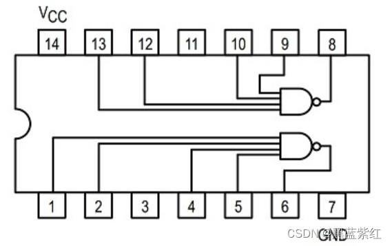
74ls20引脚图及功能

74LS20的功能表如下:输入:1A, 1B, 1C, 1D 和 2A, 2B, 2C, 2D 输出:1Y 和 2Y, 74LS20是一个双4输入与非门器件,它实现了四个输入的逻辑与非计算功能。它包含两个独立的4输入与非门,每个与非门有独立的输入和输出。在功能上,74LS20的每个与非门都实现了Y=ABCD的逻辑表达式,其中A、B、C、D是输入信号,而Y是输出信号。当所有输入信号中至少有一个为0(即非)时,输出为1(即非),否则输出为0(即非)。
74LS20的引脚图和功能表还显示了其内部结构,包括两组4与非门,每组有不同数量的输入和输出。第一组有1、2、4、5输入和6输出,而第二组有9、10、12、13输入和8输出。这表明74LS20不仅限于基本的与非逻辑,还具有更复杂的逻辑实现能力。
74ls138引脚图及功能

74LS138译码器具有16个引脚,每个引脚都有其特定的功能。以下是各个引脚的功能描述:
1.1 输入引脚 A0, A1, A2 (Pin 1, 2, 15): 输入地址引脚,用于接收二进制输入信号。 E1, E2 (Pin 3, 4): 使能引脚,控制译码器的工作模式和输出状态。
1.2输出引脚
1.3 地线与电源引脚
- GND (Pin 7): 接地引脚,连接至电路的地线。
- VCC (Pin 16): 电源引脚,连接至正电源(通常为5V)。
1.4 不使用的引脚
- NC (Pin 8): 不使用引脚。不需要连接到任何信号或电源。
- 设计全加器
在将三个多位二进制数相加时,除了最低位以外,每一位都考虑来自低位的进位,即将三个对应位的加数和来自低位的进位3个数相加。这种运算称为全加,所用的电路称为全加器。
用(74LS86)和4输入与非门(74LS00)组成全加器,并测试全加器的逻辑功能。
设计方法:
(1)根据二进制加法运算规则列出译码全加器的真值表。

(2)实验电路的设计图:译码全加器

四、实验心得
在进行实验时,应先确认74LS20、74LS138的功能完好,而后仔细检查芯片的引脚连接,确保连接正确,以避免电路故障。
在连接74LS20、74LS138时,连接了好几遍,发现不亮本位输出S灯不亮。后来听老师的建议,先换了一个138芯片,发现进位输出S灯按照真值表的变化亮了,但是发现 进位输出C灯不亮了,最后在不断重新连接发现有一节线断了,终于发现了问题, 在连接138和20时,我不断尝试,不断改进,不断努力,从中我学习到了很多很多,有时候一次的失败可能是因为没有找对方法。
( 看到这儿,老铁不来个 一键三连,支持支持)
多多重复,百炼成钢
4765

被折叠的 条评论
为什么被折叠?



