实验4-1 验证性实验——基本差动放大电路实验
1. 静态工作点的测试
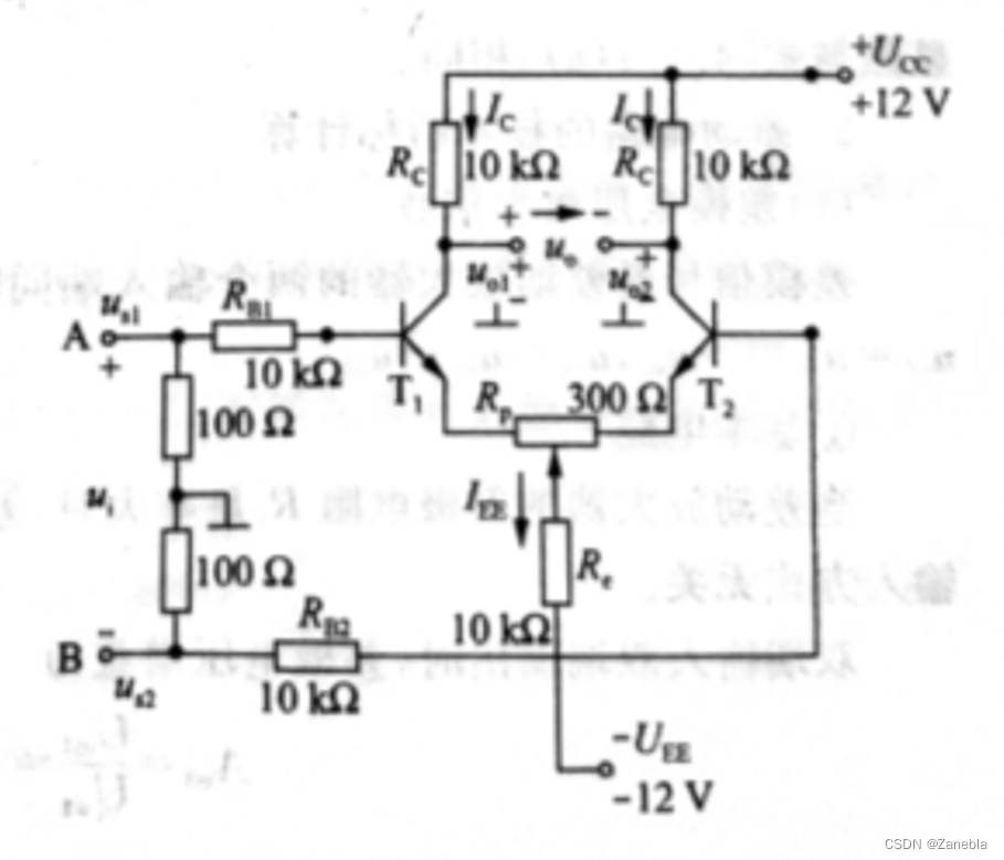
按照下图连接电路,检查无误后将A, B两端短接,接通电源12 V, 分别测量三极管各极对地的电压值,推算静态电流,记入下表,并与仿真结果,估算结果进行比较,得出结论

| UC1/VU_{C1}/VUC1/V | UC2/VU_{C2}/VUC2/V | UE/VU_{E}/VUE/V | UB1/VU_{B1}/VUB1/V | UB2/VU_{B2}/VUB2/V | IC/mAI_{C}/mAIC/mA | IB/μAI_{B}/\mu AIB/μA | IEE/mAI_{EE}/mAIEE/mA | |
|---|---|---|---|---|---|---|---|---|
| 仿真值 | 6.41 | 6.41 | -0.723 | -0.048 | -0.048 | 0.559 | -4.8 | 1.13 |
| 估算值 | 6.46 | 6.46 | -0.8 | -0.1 | -0.1 | 0.554 | 5.54 | 1.12 |
| 测量值 | 6.4151 | 6.4232 | -0.6241 | -0.2177 | -0.0216 | 0.03615 | -0.13 | 0.0723 |
估算值均以β=100,rbb′=300,UBE(on)=0.7\beta = 100, r_{bb'} = 300, U_{BE(on)} = 0.7β=100,rbb′=300,UBE(on)=0.7计算
仿真如下**(仿真可以保证两个三极管的β\betaβ值相等为278,所以没有使用调零电阻RpR_pRp)**:

实际测量如下:
调节滑动变阻器使得两个三极管的集电极电压大致相等




测量发射极电位:

测量基极电位:




2. 差模放大倍数的分析
关闭电源,将放大器B端接地,在A端加入Uim=50mV,f=1kHzU_{im} = 50mV, f = 1 kHzUim=50mV,f=1kHz的正弦输入信号,检查无误后接通电源,测量此时的UA=Ui1U_A = U_{i1}UA=Ui1 和 UB=Ui2U_B = U_{i2}UB=Ui2
用示波器和毫伏表测量输出端的不失真输出电压幅值
注意输入,输出信号间的相位关系,将结果记入下表,计算电路双端输出和单端输出情况下的差模放大倍数,并与估算结果,仿真结果进行比较
| Ui1/VU_{i1}/VUi1/V | Ui2/VU_{i2}/VUi2/V | Uid/VU_{id}/VUid/V | Uo1/VU_{o1}/VUo1/V | Uo2/VU_{o2}/VUo2/V | Uod/VU_{od}/VUod/V | Aud1A_{ud1}Aud1 | Aud2A_{ud2}Aud2 | AudA_{ud}Aud | 波形 | |
|---|---|---|---|---|---|---|---|---|---|---|
| 估算值 | 0.05 | 0 | 0.05 | 1.69 | 1.69 | 3.38 | -33.8 | 33.8 | -67.6 | 正弦 |
| 仿真值 | 0.05 | 0 | 0.05 | 1.89 | 1.87 | 3.76 | -37.8 | 37.8 | 75.6 | 正弦 |
| 实测值 | 0.016 | 0 | 0.016 | 0.94 | 0.93 | 0.87 | 58.75 | 58.75 | 117.5 | 正弦 |
仿真结果如下:

**输出电压的有效值 **(由于示波器无法正常显示幅值,所以只能使用台式万用表测有效值计算幅值)如下:


示波器大致波形如下:

3. 共模特性的分析
关闭电源,断开接地的B端, 将A, B两端短接口直接接入 Uim=50mV,f=1kHzU_{im} = 50mV, f = 1kHzUim=50mV,f=1kHz 的正弦输入信号,检查无误后接通电源, 用示波器和毫伏表测量输出端的不失真输出电压的幅值
计算电路双端输出和单端输出情况下的共模放大倍数和共模抑制比,与估算,仿真结果进行比较
| Uic/VU_{ic}/VUic/V | Uo1/VU_{o1}/VUo1/V | Uo2/VU_{o2}/VUo2/V | Uoc/VU_{oc}/VUoc/V | Auc1A_{uc1}Auc1 | Auc2A_{uc2}Auc2 | AucA_{uc}Auc | KCMR单K_{CMR单}KCMR单 | KCMR双K_CMR双KCMR双 | |
|---|---|---|---|---|---|---|---|---|---|
| 估算值 | 0.05 | 0.0245 | 0.0245 | 0 | -0.49 | -0.49 | 0 | 69 | ∞\infty∞ |
| 仿真值 | 0.05 | 0.0240 | 0.0240 | 0 | -0.48 | -0.48 | 0 | 34.8 | ∞\infty∞ |
| 实测值 | 0.023 | 0.044 | 0.040 | 0.004 | -1.91 | -1.74 | -0.174 | 13.8 | 300 |
共模特性分析波形如下:

4. 输出电阻的测量
- 双端输出情况下输出电阻的测量
关闭直流电源和信号源,在两个三极管的集电极间接入20kΩ的负载电阻,保持差模信号不变,测量两个集电极对地的电压,记入表中
将负载电阻断开,再次测量两个集电极对地的电压,计入表中
| Uo1/VU_{o1}/VUo1/V | Uo2/VU_{o2}/VUo2/V | Uo1L/VU_{o1L}/VUo1L/V | Uo2L/VU_{o2L}/VUo2L/V | Uod/VU_{od}/VUod/V | UodL/VU_{odL}/VUodL/V | Ro单R_{o单}Ro单 | Ro双R_{o双}Ro双 | |
|---|---|---|---|---|---|---|---|---|
| 估算值 | \ | \ | \ | \ | \ | \ | 10k | 20k |
| 实测值(单端输出) | 0.83 | \ | 0.55 | \ | \ | \ | 10.2k | \ |
| 实测值(双端输出) | 0.83 | 0.81 | 0.44 | 0.40 | 0.84 | 1.64 | \ | 19k |
- 单端输出情况下输出电阻的测量
关闭直流电源和信号源,在三极管T1的集电极对地接入20kΩ的负载电阻,保持差模信号不变,测量该集电极对地(负载两端)的电压,记入上表
5. 放大器输入电阻的测量
在A,B端分别串入与估算输入电阻值在同一数量级的电阻,分别测量A,B两点之间的电压和串联电阻右方的输入电压,将结果记入下表,计算输入电阻
| Us/mVU_s/mVUs/mV | Ui/mVU_i/mVUi/mV | Rs/kΩR_s/k \OmegaRs/kΩ | Ri/kΩR_i/k \OmegaRi/kΩ | |
|---|---|---|---|---|
| 估算值 | \ | \ | \ | 0.1 |
| 实测值 | 0.035 | 0.026 | 0.025 | 0.15 |
该博客围绕基本差动放大电路实验展开,包含静态工作点测试、差模放大倍数分析、共模特性分析、输出电阻测量和放大器输入电阻测量等内容。通过连接电路、加入信号,测量相关电压值,计算各项参数,并与估算和仿真结果对比。
1万+





