两个二进制数之间的算术运算无论是加、减、乘、除,目前在数字计算机中都是化作若干步加法运算进行的。加法器是构成算术运算器的基本单元。
【 1. 1位加法器】
若不考虑有来自低位的进位将两个1位二进制数相加,称为半加。
实现半加运算的电路称为半加器。
逻辑函数:
A、B表示两个加数,S是相加的和,CO是向高位的进位。

真值表:
输入:A、B
输出:高位:CO,低位:S

内部逻辑:

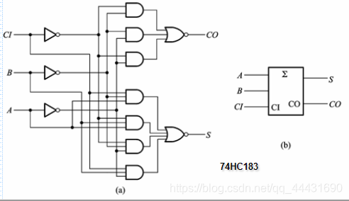
在将两个多位二进制数相加时,除了最低位以外,每一位都应考虑来自低位的进位,即:将两个对应位的加数和来自低位的进位这3个数相加,这种运算称为全加。
实现全加的运算器称为全加器。
逻辑函数:

真值表:
输入:A、B,进位:CI
输出:高位:CO,低位:S

内部逻辑:

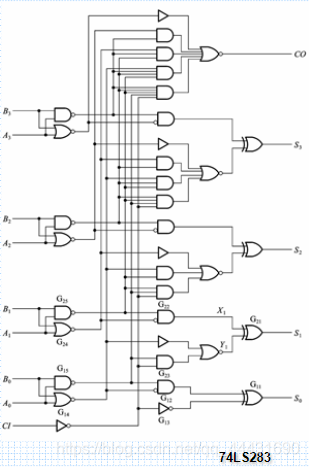
【 2. 多位加法器】
两个多位数相加时每一位都是带进位相加的,因而必须使用全加器。只要依次将低位全加器的进位输出端CO接到高位全加器的进位输入端CI,就可构成多位加法器了。
优点:简单。
缺点:慢。





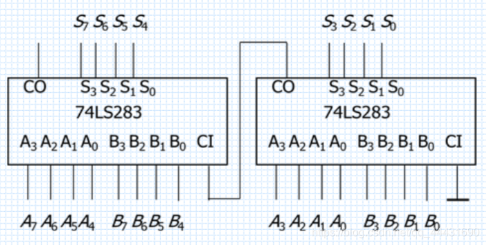
用74283构成8位加法器

用74283构成8421BCD码到余3码的转换电路

4477

被折叠的 条评论
为什么被折叠?



