目录
看完有收获给我点个赞这对我很重要🌹🌹🌹🌹
你的点赞让我的创作更有动力⭐⭐⭐⭐⭐
第1关:8位可控加减法电路设计
首先此实验是通过Sub来控制是加法电路还是减法电路,我们要知道在电路中没有直接的进行加法迅速的,所以我们可以想要使用补码进行计算,补码是被广泛用于计算机硬件中的计算因为补码可以很好的进行加减法计算。
第一步:我们需要了解是一位全加器是什么,工作的原理是什么样子的
全加器: 三个输入位(被加数、加数和来自低位的进位)相加的结果,并产生两个输出位(和数与进位)。
半加器: 两个输入端(A和B)和两个输出端(S和C)。其中,S表示两个输入位的和(0或1),C表示进位(如果有进位则为1,否则为0)。
第二步:计算机无法直接进行减法运算,故引入补码概念。至此计算机中可将加减法看作一类运算。
[A]补+[B]补=C
[A]补-[B]补=[A]补+[-B]补=[A]补+([B]补)全反+1=C
第三步:溢出判断,关于无符号数溢出判断较为容易,即最高位产生进位时运算结果溢出,故 Cout = 1 为溢出。而对有符号数溢出判断时则有一定难度,就结果而已,其溢出结果可通过符号位与最高位共同判断。
S符号位 ⊕ Z最高位 = 1 为溢出
S符号位⊕ Z最高位 = 0 无溢出
第四步:接下来就可以绘制电路图了,电路图如图2.1所示:

图2.1 8位可控加减法器
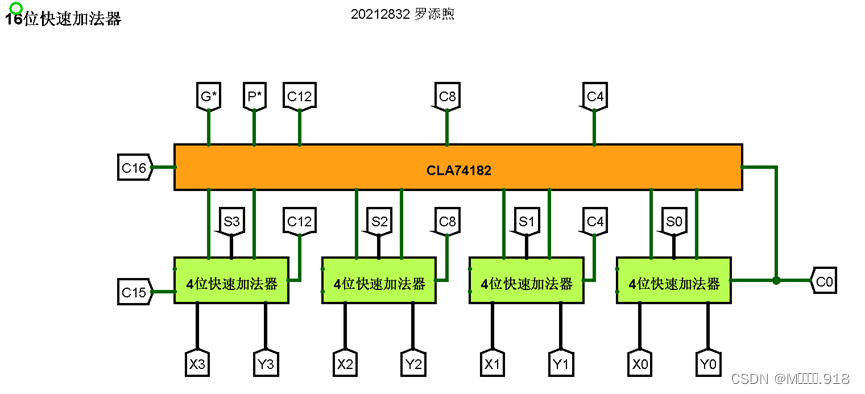
第2关:CLA182四位先行进位电路设计
全加器虽然弥补了半加器无法实现多位相加的缺陷,可从前面的实验不难看出,高位进行运算时必须等待低位的进位信号,导致延迟的增加。
所以在当机器数数位是确定的时候,我们可以用一种复制的计算算出每一位的进位,无需等待低位给出进位信号,因此出现了先行进位电路。
- 生成信号(Generate):Gi = Ai · Bi
- 传递信号(Propagate):Pi =Ai + Bi
此电路逻辑表达式:
P = P4 P3 P2 P1
G = P4 P3 P2 G1 + P4 P3 G2 + P4 G3 + G4
C1 = P1 Cin + G1
C2 = P2 P1 Cin + P2 G1 + G2
C3 = P3 P2 P1 Cin + P3 P2 G1 + P3 G2 + G3
C4 = P4 P3 P2 P1 Cin + P4 P3 P2 G1 + P4 P3 G2 + P4 G3 + G4
电路图如图2.2所示:

最低0.47元/天 解锁文章
4万+

被折叠的 条评论
为什么被折叠?



