
目录
总体预览

实验目的
1.熟悉常用电子仪器的使用方法
2.掌握放大器静态工作点的调试方法及其对放大电路性能的影响
3.掌握放大器动态性能参数的测试方法
实验仪器和材料
示波器,信号发生器,数字万用表,交流毫伏表,直流稳压电源。
实验原理
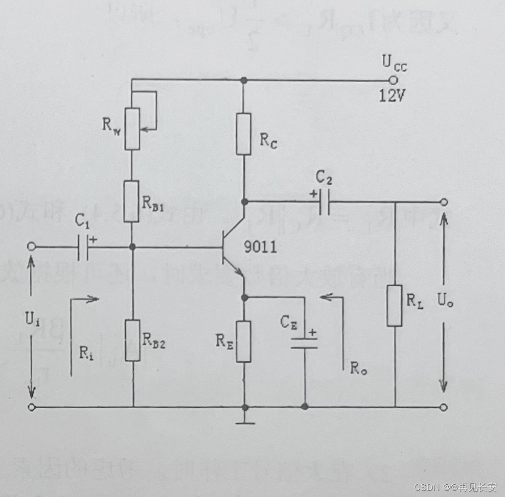
单管交流电压放大电路的最典型电路是共发射极分压偏置式交流电压放大电路,原理图如下。在原理图中,晶体管为非线性元件,要使放大器不产生非线性失真,就必须建立一个合适的静态工作点,使晶体管工作在放大区。若Q点过低(IB小,则IC小,UCE大),晶体管进入截止区,产生截止失真;Q点过高(IB、IC大,UCE小),晶体管将进入饱和区,产生饱和失真。调节基极电阻RP即可调整静态工作点。电压放大倍数为:
当输入信号通过耦合电容或变压器等元件进入晶体管的基极时,晶体管会根据输入信号的变化情况调整其输出电流。晶体管的输出电流经过负载电阻后产生输出电压,输出电压的幅度将比输入信号的幅度大很多倍,实现了电压的放大。
在单管交流电压放大电路中,晶体管的工作点需要经过适当的偏置设置,以确保其在放大信号时能够正常工作。这通常通过添加适当的偏置电路来实现。
实验电路

输入电阻
可采用串联电阻法来进行。测试原理图如图所示,在信号源与放大电路输入端串接已知电阻 RS 1kΩ ,则
Ri=0.651/(0.702-0.651)*Rs=12.76kΩ
输出电阻
用示波器观察输入信号的电压波形和输出信号的电压波形,在输出波形基本不失真的情况下使输出波形基本不失真,测量负载电阻5.1kΩ的输出电压为58uV,当取掉负载电阻5.1kΩ,测量电路空载时的输出电压值3mV,输出电阻值为5.0014kΩ。
Ro=5.0014kΩ
装接电路
按图所示连接电路(注意接线前先测量+12V 电源,关断电源后再接线),将 RP 调到电阻最大位置。接线后仔细检查,确认电路无误后接通电源。
调整静态工作点
| Ubq | 1.9977V |
| Ueq | 1.3808V |
| Ucq | 5.394V |
| Ubeq | 0.6213V |
| Uceq | 4.013V |
| Ibq | 2.69uA |
| Icq | 0.7360mA |
在放大器的输入端加入频率 f=1kHz,幅值约为 10mV 的正弦信号,用示波器观察输入信号,同时,用示波器的另一通道监视放大器输出电压 UO 的波形。调整 RP 的阻值,使静态工作点处于合适位置,此时,输出波形最大且不失真。如图所示,黄色为输入曲线,蓝色曲线为放大后的曲线。

测量放大电路的电压放大倍数
调节输入信号幅度,使输出波形基本不失真。用交流毫伏表或示波器分别测量放大电路的输入、输出电压值并记录。重复改变输入正弦信号的频率和幅值,将测量的输入、输出电压值记录,按定义式计算并取平均值即可得电路的电压放大倍数。
| 频率 | 幅值 | 输入峰值 | 输出峰值 |
| 1k | 30mv | 60mv | 4.16V |
| 1k | 20mv | 40mv | 4V |
| 2k | 30mv | 60mv | 3.28V |
放大电路的静态工作点设置合理后,在电路的输入端加入频率f=1kHz,幅值约为 10mV正弦信号,用示波器来观察输入信号的电压波形,用示波器另一通道观察放大电路的输出电压波形。调节输入信号幅度,使输出波形基本不失真。在放大电路的输入端串接一个1kΩ电阻,测量该电阻上的电压及放大电路的输入电压值,按照输入电阻定义式即可得到电路输入电阻。
该电阻上的电压值为1.05mV,放大电路的输入电压值7.45mV。
Ri=7.45/1.05*1k=7.09KΩ
测量放大电路的输出电阻
放大电路的静态工作点设置合理后,在电路的输入端加入频率 f=1kHz,幅值 约为 10mV 正弦信号,用示波器来观察输入信号的电压波形,用示波器另一通道 观察放大电路的输出电压波形。调节输入信号幅度,使输出波形基本不失真,测 量负载电阻 5.1kΩ的输出电压值,然后取掉负载电阻 5.1kΩ,测量电路空载时 的输出电压值,按照求输出电阻的方法即可得到输出电阻值:测量负载电阻 5.1kΩ的输出电压值299.56mV,测量电路空载时输出电压值1.1123V
Ro=(1.1V-0.3V)/0.3V*5.1k=13.6kΩ
- 将实验数据与理论估算值做比较,并分析产生误差的原因

对于电路上同一测量点来说,或是任意的其他测量中,实测值和理论值产生都会产生偏差,度这个偏差与测量设备的精度有关系,也就是存在固有误回差。在单管放大电路中,输出信号的理论值与实测值偏差主要是由晶体管的非线性特性和频率响应能力来决定。
1.温度影响实验器材的阻值
2.在测量时没有去掉输入信号,导致测量存在误差。
3.静态工作点选择不适合。
附件:
电路连线方式

电箱图

电路图

实验数据可能有所偏差,具体按照实验要求为准,仅供参考。
本文介绍了单管交流电压放大电路的实验,包括实验目的、所需仪器、原理、电路设计(输入和输出电阻测量)、静态工作点调整以及动态性能参数(如电压放大倍数)的测定。同时讨论了测量误差可能产生的原因,如温度影响、测量方法和静态工作点选择。

1923

被折叠的 条评论
为什么被折叠?



