【STM32G431RBTx】备战蓝桥杯嵌入式→基本模块→TIM→IC捕获

前言

定时器具有
1.Base
2.PWM
3.IC
4.OC
这四种功能,前面我们以及讲完了Base(按键部分),PWM功能,接下来我们要学习的是定时器的IC(输入捕获)功能。

IC

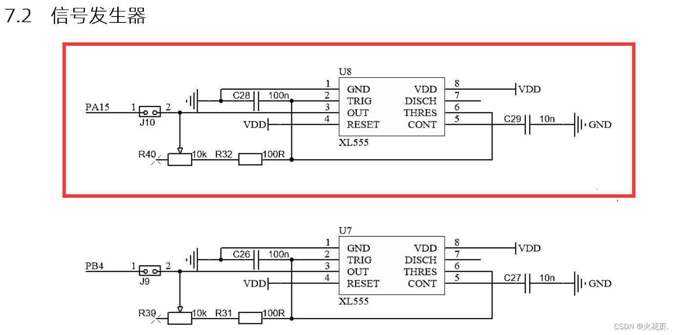
1.原理图以及配置元素

在这里插入图片描述
由图可知PA15为输入捕获接口与一个XL555信号发生器连在了一起。

2.CubeMx的配置步骤

在这里插入图片描述
在这里插入图片描述
在这里插入图片描述

3.生成工程

点击GENERATE CODE生成代码后点击Open Project即可。
在这里插入图片描述

4.测试代码

interrupt.h

#ifndef __INTERRUPT_H__
#define __INTERRUPT_H__

#include "main.h"

void HAL_TIM_IC_CaptureCallback(TIM_HandleTypeDef *htim);

#endif

interrupt.c

#include "interrupt.h"

unsigned int Period = 0;
unsigned int HighTime = 0;

void HAL_TIM_IC_CaptureCallback(TIM_HandleTypeDef *htim)
{
	if(htim->Instance == TIM2)
	{
		if(htim->Channel == HAL_TIM_ACTIVE_CHANNEL_1)
		{
			Period = HAL_TIM_ReadCapturedValue(htim, TIM_CHANNEL_1); //读取直接通道
			HighTime = HAL_TIM_ReadCapturedValue(htim, TIM_CHANNEL_2); //读取间接通道
			__HAL_TIM_SetCounter(htim, 0);
			HAL_TIM_IC_Start_IT(htim, TIM_CHANNEL_1); //开启中断以便于下次采值
			HAL_TIM_IC_Start_IT(htim, TIM_CHANNEL_2);
		}
	}
}

main.c

/* USER CODE BEGIN Header */
/**
  ******************************************************************************
  * @file           : main.c
  * @brief          : Main program body
  ******************************************************************************
  * @attention
  *
  * <h2><center>&copy; Copyright (c) 2023 STMicroelectronics.
  * All rights reserved.</center></h2>
  *
  * This software component is licensed by ST under BSD 3-Clause license,
  * the "License"; You may not use this file except in compliance with the
  * License. You may obtain a copy of the License at:
  *                        opensource.org/licenses/BSD-3-Clause
  *
  ******************************************************************************
  */
/* USER CODE END Header */
/* Includes ------------------------------------------------------------------*/
#include "main.h"
#include "tim.h"
#include "gpio.h"

/* Private includes ----------------------------------------------------------*/
/* USER CODE BEGIN Includes */
#include "lcd.h"
#include "stdio.h"
/* USER CODE END Includes */

/* Private typedef -----------------------------------------------------------*/
/* USER CODE BEGIN PTD */

/* USER CODE END PTD */

/* Private define ------------------------------------------------------------*/
/* USER CODE BEGIN PD */
/* USER CODE END PD */

/* Private macro -------------------------------------------------------------*/
/* USER CODE BEGIN PM */

/* USER CODE END PM */

/* Private variables ---------------------------------------------------------*/

/* USER CODE BEGIN PV */
extern unsigned int Period;
extern unsigned int HighTime;
char text[30];
/* USER CODE END PV */

/* Private function prototypes -----------------------------------------------*/
void SystemClock_Config(void);
/* USER CODE BEGIN PFP */

/* USER CODE END PFP */

/* Private user code ---------------------------------------------------------*/
/* USER CODE BEGIN 0 */

/* USER CODE END 0 */

/**
  * @brief  The application entry point.
  * @retval int
  */
int main(void)
{
  /* USER CODE BEGIN 1 */

  /* USER CODE END 1 */

  /* MCU Configuration--------------------------------------------------------*/

  /* Reset of all peripherals, Initializes the Flash interface and the Systick. */
  HAL_Init();

  /* USER CODE BEGIN Init */

  /* USER CODE END Init */

  /* Configure the system clock */
  SystemClock_Config();

  /* USER CODE BEGIN SysInit */

  /* USER CODE END SysInit */

  /* Initialize all configured peripherals */
  MX_GPIO_Init();
  MX_TIM2_Init();
  /* USER CODE BEGIN 2 */
	HAL_TIM_IC_Start_IT(&htim2, TIM_CHANNEL_1);
	HAL_TIM_IC_Start_IT(&htim2, TIM_CHANNEL_2);
	LCD_Init();
	LCD_Clear(Black);
	LCD_SetBackColor(Black);
	LCD_SetTextColor(White);
  /* USER CODE END 2 */

  /* Infinite loop */
  /* USER CODE BEGIN WHILE */
  while (1)
  {
    /* USER CODE END WHILE */

    /* USER CODE BEGIN 3 */
		sprintf(text, "frq:%.2f", 1000000.0 / Period); //分频成1MHz所以这里1000000.0作为被除数
		LCD_DisplayStringLine(Line0,  text);
		sprintf(text, "Duty:%.2f", HighTime / (float)Period * 100); //占空比为高电平时间 / 周期 * 100%
		LCD_DisplayStringLine(Line1,  text);
  }
  /* USER CODE END 3 */
}

/**
  * @brief System Clock Configuration
  * @retval None
  */
void SystemClock_Config(void)
{
  RCC_OscInitTypeDef RCC_OscInitStruct = {0};
  RCC_ClkInitTypeDef RCC_ClkInitStruct = {0};

  /** Configure the main internal regulator output voltage
  */
  HAL_PWREx_ControlVoltageScaling(PWR_REGULATOR_VOLTAGE_SCALE1);
  /** Initializes the RCC Oscillators according to the specified parameters
  * in the RCC_OscInitTypeDef structure.
  */
  RCC_OscInitStruct.OscillatorType = RCC_OSCILLATORTYPE_HSE;
  RCC_OscInitStruct.HSEState = RCC_HSE_ON;
  RCC_OscInitStruct.PLL.PLLState = RCC_PLL_ON;
  RCC_OscInitStruct.PLL.PLLSource = RCC_PLLSOURCE_HSE;
  RCC_OscInitStruct.PLL.PLLM = RCC_PLLM_DIV3;
  RCC_OscInitStruct.PLL.PLLN = 20;
  RCC_OscInitStruct.PLL.PLLP = RCC_PLLP_DIV2;
  RCC_OscInitStruct.PLL.PLLQ = RCC_PLLQ_DIV2;
  RCC_OscInitStruct.PLL.PLLR = RCC_PLLR_DIV2;
  if (HAL_RCC_OscConfig(&RCC_OscInitStruct) != HAL_OK)
  {
    Error_Handler();
  }
  /** Initializes the CPU, AHB and APB buses clocks
  */
  RCC_ClkInitStruct.ClockType = RCC_CLOCKTYPE_HCLK|RCC_CLOCKTYPE_SYSCLK
                              |RCC_CLOCKTYPE_PCLK1|RCC_CLOCKTYPE_PCLK2;
  RCC_ClkInitStruct.SYSCLKSource = RCC_SYSCLKSOURCE_PLLCLK;
  RCC_ClkInitStruct.AHBCLKDivider = RCC_SYSCLK_DIV1;
  RCC_ClkInitStruct.APB1CLKDivider = RCC_HCLK_DIV1;
  RCC_ClkInitStruct.APB2CLKDivider = RCC_HCLK_DIV1;

  if (HAL_RCC_ClockConfig(&RCC_ClkInitStruct, FLASH_LATENCY_2) != HAL_OK)
  {
    Error_Handler();
  }
}

/* USER CODE BEGIN 4 */

/* USER CODE END 4 */

/**
  * @brief  This function is executed in case of error occurrence.
  * @retval None
  */
void Error_Handler(void)
{
  /* USER CODE BEGIN Error_Handler_Debug */
  /* User can add his own implementation to report the HAL error return state */
  __disable_irq();
  while (1)
  {
  }
  /* USER CODE END Error_Handler_Debug */
}

#ifdef  USE_FULL_ASSERT
/**
  * @brief  Reports the name of the source file and the source line number
  *         where the assert_param error has occurred.
  * @param  file: pointer to the source file name
  * @param  line: assert_param error line source number
  * @retval None
  */
void assert_failed(uint8_t *file, uint32_t line)
{
  /* USER CODE BEGIN 6 */
  /* User can add his own implementation to report the file name and line number,
     ex: printf("Wrong parameters value: file %s on line %d\r\n", file, line) */
  /* USER CODE END 6 */
}
#endif /* USE_FULL_ASSERT */

/************************ (C) COPYRIGHT STMicroelectronics *****END OF FILE****/

5.演示效果

在这里插入图片描述

总结

以上就是IC的配置过程,测试代码以及测试效果
参考的学习视频:【2023蓝桥杯 嵌入式组适用】CT117E-M4 新款开发板 3小时省赛模块 速成总结
之前的模块配置方法及测试:
【STM32G431RBTx】备战蓝桥杯嵌入式→基本模块→LED
【STM32G431RBTx】备战蓝桥杯嵌入式→基本模块→LCD
【STM32G431RBTx】备战蓝桥杯嵌入式→基本模块→KEY→单击
【STM32G431RBTx】备战蓝桥杯嵌入式→基本模块→KEY→长按(持续响应)以及双击
【STM32G431RBTx】备战蓝桥杯嵌入式→基本模块→TIM→PWM
【STM32G431RBTx】备战蓝桥杯嵌入式→基本模块→ADC
【STM32G431RBTx】备战蓝桥杯嵌入式→基本模块→I2C→M24C02
【STM32G431RBTx】备战蓝桥杯嵌入式→基本模块→UART

2023年5月6日更新:

扩展模块写完之后,我在考虑双路IC采集占空比和本篇文章的采集算法哪个比较好,所以做了如下实验,实验步骤就是分别烧录两个工程改编的代码(改编就是把定时器和通道还有Cube配置一下),以R40为信号发生源和以示波器为标准采集比较两者采集的误差,现象如下六图:

低频(上图为本篇文章算法,下图为双路采集算法中的一路):
在这里插入图片描述
在这里插入图片描述
中频(上图为本篇文章算法,下图为双路采集算法中的一路):
在这里插入图片描述

在这里插入图片描述
高频(上图为本篇文章算法,下图为双路采集算法中的一路):
在这里插入图片描述
在这里插入图片描述
(CSDN好像插不了五列表格…)

频率单路采集频率误差双路中其中一路采集频率误差单路采集占空比误差和双路中其中一路采集占空比误差
低频基本没有误差基本没有误差基本没有误差和基本没有误差
中频300hz100hz1.1%和1.1%
高频1400hz500hz1.4%和1.2%(跳动比较快观察的可能有些不对)

比较下来还是双路采集的写法比较有优势,尤其是在高频时最能体现,所以如果参加省赛的话,两种方法选一种方法就可以,如果参加国赛还是推荐用双路写法。
双路IC采集占空比

评论 3
添加红包

请填写红包祝福语或标题

红包个数最小为10个

红包金额最低5元

当前余额3.43前往充值 >
需支付:10.00
成就一亿技术人!
领取后你会自动成为博主和红包主的粉丝 规则
hope_wisdom
发出的红包
实付
使用余额支付
点击重新获取
扫码支付
钱包余额 0

抵扣说明:

1.余额是钱包充值的虚拟货币,按照1:1的比例进行支付金额的抵扣。
2.余额无法直接购买下载,可以购买VIP、付费专栏及课程。

余额充值