一、多级放大电路:在实际的应用中,常常要求对放大电路的性能提出多方面的要求,比如要求一个放大电路输入阻抗大于2M欧姆,电压放大倍数大于2000,输出阻抗小于100欧姆等。因此仅靠单级放大电路都不可能满足上面的要求,必须采用多级放大电路,以满足性能要求的指标。
二、多级放大电路耦合方式:直接耦合、阻容耦合、变压器耦合、光电耦合。
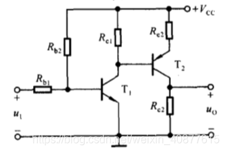
(1)、直接耦合:将前一级的输出端直接连到后一级的输入端,称为直接耦合。直接耦合方式是最常用的一种耦合方式,一般采用NPN管和PNP管交替耦合的方式,如果都采用NPN型管进行耦合,这样集电极的电位会逐级升高,以至于接近电源电压,势必造成后级静态工作点不合适,因此采用NPN管和PNP管复合形式更为合适。
直接耦合方式缺点:直流通路相连,静态工作点互相影响。
直接耦合方式优点:没有耦合电容,具有良好的低频特性,可以放大变化缓慢的信号;而且容易构成集成IC。

(2)、阻容耦合:将放大电路的前级输出端通过电容接到后级输入端,称为阻容耦合方式。
阻容耦合方式的缺点:具有耦合电容,低频特性较差,不能放大变化缓慢的信号;而且不容易集成化。
阻容耦合方式的优点:直流通路不相连,各级的静态工作点互相独立。

(3)、变压器耦合:将放大电路前级的输出信号通过变压器接到后级的输入端或负载电阻上,称为变压器耦合。变压器耦合方式的最大特点是可以实现阻抗变换,因而在分立元件功率放大电路中得到广泛应用。
变压器耦合方式的缺点:低频特性较差,不能放大变化缓慢的信号;而且笨重体积大,不易集成化。
变压器耦合方式的优点:前后级靠磁路耦合,各级的静态工作点互相独立。

(4)、光电耦合:以光信号为媒介来实现电信号的耦合和传递的方式,称为光电耦合。光电耦合方式使用的主要元器件就是线性光耦。
光电耦合方式的缺点:电流传输比CTR较小,放大能力较弱。
光电耦合方式的优点:输入输出电气隔离良好,抗干扰能力强。

三、多级放大电路的动态分析:

(1)、多级放大电路的放大倍数:多级放大电路的电压放大倍数等于组成它的各级电压放大倍数之积。
(2)、多级放大电路的输入/输出阻抗:多级放大电路的输入阻抗就是第一级的输入阻抗;多级放大电路的输出阻抗就是最后一级的输出阻抗。但是需要注意的是,当共集放大电路作为输入级时,它的输入阻抗与第二级的输入阻抗有关;而当共集放大电路作为输出级时,它的输出阻抗与倒数第二级的输出阻抗有关。
(3)、饱和失真与截止失真:当多级放大电路的输出波形产生失真时,应首先确定是在哪一级先出现的失真,然后再判断产生了饱和失真还是截止失真。
四、直接耦合放大电路:
(1)、零点漂移现象:电源电压波动、元件的老化、半导体器件参数随温度变化而变化,都将产生输出电压的漂移。在阻容耦合多级放大电路中,这种缓慢的变化能够被电容进行隔离,不会传递到下一级放大电路中;但是在直接耦合放大电路中,这种缓慢的变化影响极大,并逐级传递和逐级放大,导致输出噪声分量较大。
对于电源电压波动,采用高质量的稳压电源且经过良好的滤波处理。
对于元件的老化,使用经过老化实验的高可靠性元件即可。
对于温漂问题,引入直流负反馈;采用温度补偿措施(热敏元件抵消放大管的变化);采用差分放大电路。
本文详细介绍了多级放大电路的基本概念、耦合方式及其优缺点,并深入探讨了直接耦合放大电路中的零点漂移现象及解决方法。
1874

被折叠的 条评论
为什么被折叠?



