Turbo码(Turbo Codes)

本文详细介绍Turbo码的基本原理及其组成部分,包括分量码、交织器、归零处理和删余处理等内容,并以LTE协议中的Turbo码为例进行具体说明。

Turbo码(Turbo Codes)

作者:途次客

      ============================================================== 

      目录结构:

      1、分量码

      2、交织器

      3、归零处理

      4、删余处理

      5LTE协议中的Turbo码编码器

      6、总结

      ============================================================== 

       Turbo码由Berrou,Glavieux和Thitimajshima在1993年提出,是一种并行级联卷积码。Turbo码将分量码和随机交织器巧妙结合起来,采用并行级联的结构,实现了随机编码的思想,采用软输入软输出的迭代译码方法,达到了接近香农限的性能。在Turbo码的发明之后,有学者重新发现60年代提出的LDPC码有更接近香农限的性能,这是后来的事,本文主要结合LTE系统介绍Turbo码。

1、分量码

      在Turbo码中,分量码编码器是重要的组成部分,该部分产生系统信息和校验信息。在Turbo码最先提出时有分组码和卷积码两种类型,在后来研究中发现,卷积码性能更优。而卷积码的类型多样,如非递归卷积码(NRC)、非系统卷积码(NSC)、递归系统卷积码(RSC)。在实际的系统中,由于递归系统卷积码(RSC)有突出的优点而被广泛采用。

      RSC码在具有良好的译码性能,且存在较高的交织增益,译码性能也会随着交织长度增加而提高。影响译码性能的因素很多,如卷积码的约束长度、生成多项式以及生成多项式的顺序等,所以,在实际中具有种类不同的分量码构造的Turbo码,这需要根据不同的场景,根据用户的需求,经过仿真和验证才能得出。

2、交织器

      交织器也是Turbo码的重要组成部分。通信系统的交织器是为了对抗信道的突发错误而设计的。Turbo码的交织器更主要的功能是使码重分布合理,降低数据序列的相关性,增大输出码字的最小汉明距,实现随机编码。

      交织器即将原始数据顺序按照给定的规则重新排序输出。解交织即是交织的逆过程。交织器的选择对Turbo码的性能具有重大影响。根据香农理论,码长越长,编码增益越大。所以交织器的长度越长,Turbo码的码长越长,性能越好。另外,交织器的交织规则也是影响因素。最简单的交织器即行列交织器,数据按行写入,按列读出。

      在选用交织器时需要根据交织器长度、交织规则、系统复杂度等因素综合考虑。

3、归零处理

      在数据序列编码完成后,归零处理使分量编码器RSC中的移位寄存器恢复成编码前的零状态,从而使编译码变得简单易于控制。

Turbo码的归零处理如下:

      (1)输入所有的编码序列,完成编码

      (2)分量码开关切换至虚线处,各个寄存器中的遗留状态值和反馈结构生成某些编码序列的尾部比特,这些尾比特与自身异或,使新进入寄存器的值为0。尾比特添加至编码序列系统部位,RSC计算出的比特添加到校验序列后。

      (3)该过程直到所有移位寄存器中值全部为0。如寄存器有K个,则经过K次后寄存器将全为0。

4、删余处理

      现代通信系统中,为了实现高速数据传输,系统对频带利用率要求较高,一般Turbo码的码率只有1/3,所以,频带利用率不高,为了解决这一问题,在编码器中加入了删余处理。

      删余处理的具体操作即在编码完成后,将分量码输出的两路校验信息输入删余器,按照一定的规则删除一部分校验信息,减小信息的冗余度,从而提高编码效率。删余处理根据各系统自定。

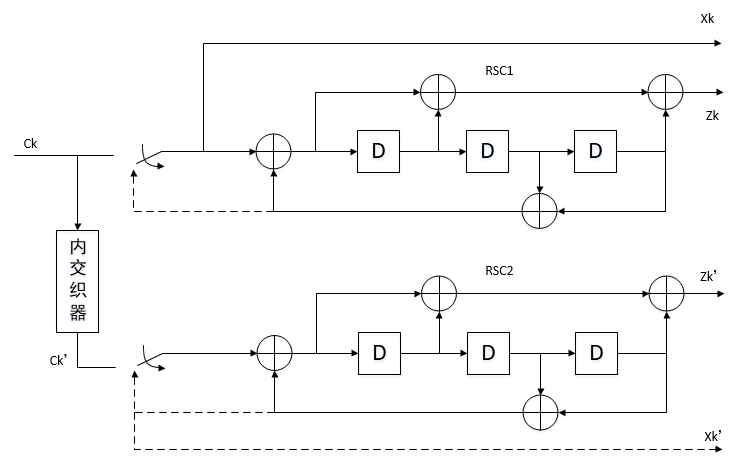
5、LTE协议中的Turbo码编码器

      以LTE协议中的Turbo码编码器为例,介绍Turbo码的几个重要部件。该Turbo码的编码器实现框图如下图所示。


图1. LTE中Turbo码编码器实现框图

      图中参数如下:

      ck:输入待编码数据序列

      ck’:ck经过内交织器处理后的数据序列

      xk:经过分量编码器1后的系统信息序列

      zk:经过分量编码器1后的校验信息序列

      zk’:经过分量编码器2后的校验信息序列

      该编码器,码率为1/3,输出dk如下:

      分量码1和分量码2均为循环递归卷积码(RSC)。其生成多项式为

G(D) = [1, g1(D)/g0(D)]

      其中g0(D) = 1+ D^2 + D^3,g1(D) = 1 + D + D^3。

      LTE中的交织器为二次置换多项式交织器(Quadratic Permutation Polynomial, QPP),长度为K的QPP交织器定义为


      其中,i为交织前序列的地址;f1为一次系数,在LTE中为奇数;f2为二次系数,在LTE中为偶数;K为交织器长度。

LTE支持188种不同的K值,最小的40,最大的6144。这些块的f1和f2值参考文件Evolved Universal Terrestrial Radio Acess (E-UTRA); Multiplexing andchannel coding (release 9)" 2009-12.或者matlab函数getf1f2,[f1, f2] = getf1f2(K),可根据交织长度K得到f1和f2。

6、总结

       本文主要简介了Turbo码的基本原理以及各个编码部件,以LTE协议中的Turbo码为例,介绍了其编码框图,分量码和交织器。

### Turbo简介 Turbo作为一种高效的纠错编方法,在通信领域具有重要意义。这种编方式能够显著提高数据传输的可靠性,尤其适用于信道环境恶劣的情况[^2]。 #### 基本原理 Turbo的核心在于其独特的编解码结构: - **并行级联卷积编(PCCC)**:通过两个或多个递归系统卷积编器以及一个交织器来实现。输入序列被分成两路分别送入不同的编器处理,其中一路经过交织打乱顺序后再进入第二个编器。最终输出由原始信息比特加上各编器产生的冗余校验位组成[^1]。 - **迭代软判决译算法**:接收端采用最大后验概率(MAP)准则进行多次循环反馈式的译操作,每次利用前一次的结果改进当前估计值直至收敛于最优解。这种方式可以有效逼近香农极限,即理论上最小误率所对应的信噪比水平。 ```cpp // C++ 实现简单的Turbo框架示意 #include <vector> using namespace std; class TurboEncoder { public: vector<int> encode(const vector<int>& inputBits); private: void convolutionalEncode(vector<int>& bits); // 卷积编函数 void interleave(vector<int>& bits); // 交织函数 }; void TurboEncoder::convolutionalEncode(vector<int>& bits){ // ...具体实现... } void TurboEncoder::interleave(vector<int>& bits){ // ...具体实现... } ``` #### 应用场景 由于具备强大的抗干扰能力和较低复杂度的特点,Turbo广泛应用于各种无线通讯标准之中,比如LTE(Long Term Evolution),WiMAX(Worldwide Interoperability for Microwave Access)等移动宽带网络协议里都有涉及。 #### 性能优势对比 相较于传统BCH/RS类代数表方案而言,Turbo不仅拥有更好的错误纠正能力而且硬件成本更低;而相对于Viterbi这类单次决策机制,则体现出更佳的近似理论极限表现和更强鲁棒性的特点。
评论 8
添加红包

请填写红包祝福语或标题

红包个数最小为10个

红包金额最低5元

当前余额3.43前往充值 >
需支付:10.00
成就一亿技术人!
领取后你会自动成为博主和红包主的粉丝 规则
hope_wisdom
发出的红包
实付
使用余额支付
点击重新获取
扫码支付
钱包余额 0

抵扣说明:

1.余额是钱包充值的虚拟货币,按照1:1的比例进行支付金额的抵扣。
2.余额无法直接购买下载,可以购买VIP、付费专栏及课程。

余额充值