同时性要求在PC-DMIS软件中如何实现?

同时性要求(Simultaneous Requirements)

当两个或多个由基本尺寸定位的要素或要素阵列参照同一个基准参考系,并且基准的优先顺序及修饰符都相同时,它们应作为一个整体同时满足要求;满足同时性要求的所有几何公差必须在同一基准座标系内评定。

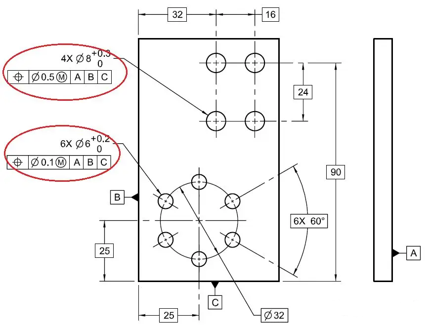
美标ASME Y14.5-2009默认同时性要求,如上图两处红色标注的4个孔的位置度和全周的轮廓度满足相同的基准系、相同的基准修饰符,因此两处几何公差要满足同时性要求;用检具的思路更容易理解,即该零件要想合格,必须位置度公差和轮廓度公差放在同一个检具下检测合格才能保证二者满足同时性要求合格,检具示意图如下:

其中检具定位销直径MMB=⌀7.7mm,4个位置度检测销直径VC=11.8mm,轮廓度检具边缘要相对理论轮廓加大0.5mm,为防止轮廓度下公差(往材料内方向)超差,应用⌀1的检测销(止销)验证(通过则不合格,不通过则合格,满足止规止);

美标下如果不需要使用同时性要求,则需要在几何公差框格下,注明SEP REQT;

在PC-DMIS软件中如何实现?

测量好基准要素、被评价要素,分别评价好位置度和轮廓度:

然后在菜单栏点击“插入-尺寸-同时评价”,打开“同时评价”对话框;选择轮廓度和位置度,点击添加,点击创建:

编辑窗口中位置度和轮廓度变为未标记状态,但是同时评价项 “SIMUL1=同时/FCF位置度1,FCF轮廓度1,,”呈标记状态,表示执行的是二者同时评价,查看报告会发现单独评价和同时评价,值是不同的;

ISO 标准的同时性要求

默认独立,如果要使用同时性要求,需要使用SIMi符号表示,如下图,L端面3个槽与M端面的3个槽要满足同时性要求,都标注上SIM1;L端面三个圆与M端面三个圆要满足同时性要求用,都标注上SIM2;

应用举例:

如下图,如果轴上的两个键槽功能上需要对齐,则需要使用同时性来控制;

基准不同,同时性几种常见情况:

(1)对于基准是非尺寸要素(如面、面、面建基准系),如下图A/B/C基准系,实际上A/B/C建的基准系是唯一的,基准对于两个位置度评价不会产生任何补偿(即基准不会产生任何偏移),这种情况下每个孔的位置度都是基本尺寸定义的,因此单独评价每个孔相对于A/B/C的位置度和整体评价都是一样的,且这种情况下这两组位置度分开评价和同时评价也是一样的。

(2)基准要素是尺寸要素且在RMB状态、基准能约束所有的自由度情况下,如下图B基准虽然是尺寸要素,但B基准是RMB状态,不会产生偏移,因此这种情况下,位置度和轮廓度分开评价和同时评价是一样的;

(3)基准要素是尺寸要素且在MMB状态,如下图,基准B/C是尺寸要素且在MMB状态,分开评价时为了让每一组孔合格,基准会分别产生偏移,当同时评价时,基准会为了使两组孔同时满足要求,把他们作为一个整体来产生基准偏移,因此两组孔分开评价和整体同时评价得到的值肯定是不同的,什么时候用同时性要求取决于工件的装配与功能;

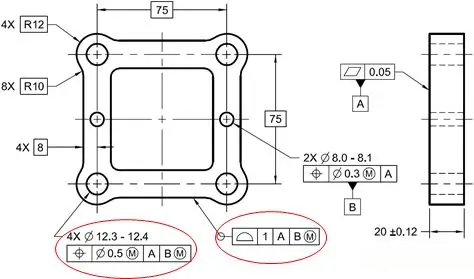
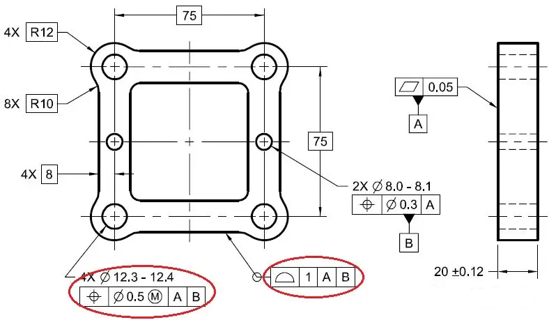
注:对于复合位置度、复合轮廓度公差,同时性要求默认不能应用到公差框格的下格(第2、3、4格)。

评论
添加红包

请填写红包祝福语或标题

红包个数最小为10个

红包金额最低5元

当前余额3.43前往充值 >
需支付:10.00
成就一亿技术人!
领取后你会自动成为博主和红包主的粉丝 规则
hope_wisdom
发出的红包
实付
使用余额支付
点击重新获取
扫码支付
钱包余额 0

抵扣说明:

1.余额是钱包充值的虚拟货币,按照1:1的比例进行支付金额的抵扣。
2.余额无法直接购买下载,可以购买VIP、付费专栏及课程。

余额充值