漏电流测试:对地漏电流、接触(外壳)漏电流
正常我们在漏电流测试仪器上设定的电压值为:额定电压+额定电压的10%
220+220x10%=242V
1、对地漏电流:

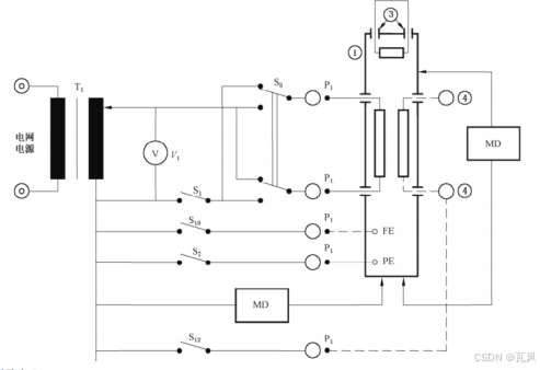
按上图电路将,网电--漏电流测试仪--产品仪器,进行一个连接(不会连线先学电路图)。
因为漏电流测试仪自带接地保护,所以需要将产品仪器的地线单独拆出来,只接火零线,通过把地线连接到MD(hi)测试组件进行接地。
注意:若不经过MD组件进行接地,无法测试出漏电流数值
根据仪器技术需求,这里未接S10和S12的线路。
需要在加权和无频率加权各测试一次正常状态和单一故障状态的漏电流值,记录电流数据(漏电流测试仪有加权无权切换按钮)
一般 无权漏电流>加权漏电流的值。
(1)正常状态:
将开关S1闭合连通,电流设置在指定范围<5mA,点击测试按钮,测试60秒,记录电流值。
(2)单一故障状态:
将开关S1断开,电流设置在指定范围<10mA,点击测试按钮,测试60秒,记录电流值。
将S5(换相按钮)进行换向,再次点击测试按钮,测试60秒,记录电流值
根据GB9706.1-2020的对地漏电流接受标准:
正常状态:≤5mA
单一故障状态:≤10mA
无频率加权状态:≤10mA
2、外壳(接触)漏电流:

按上图电路将,网电--漏电流测试仪--产品仪器,进行连接。这里未接S10和S12线路。
MD(hi)连接仪器外壳的铜箔,仪器地线与PE S7开关连接。
需要在加权和无频率加权各测试一次正常状态和单一故障状态的漏电流值,记录电流数据(漏电流测试仪有加权无权切换按钮)
一般 无权漏电流>加权漏电流的值。
(1)正常状态:
将开关S1闭合连通,S7闭合连通(短路MD),电流设置在指定范围<2mA,点击测试按钮,测试60秒,记录电流值(一般为0mA)。
(2)单一故障状态:
断开地线:S1闭合连通,S7断开,电流设置在指定范围<2mA,点击测试按钮,测试60秒,记录电流值。
将S5(换相按钮)进行换向,再次点击测试按钮,测试60秒,记录电流值
断开火零线:S1断开,S7闭合连通,电流设置在指定范围<2mA,点击测试按钮,测试60秒,记录电流值。
将S5(换相按钮)进行换向,再次点击测试按钮,测试60秒,记录电流值
注意:选择最大的电流记录值作为单一故障状态的漏电流测试结果
根据GB9706.1-2020的接触漏电流接受标准:
正常状态:≤0.1mA
单一故障状态:≤0.5mA
无频率加权状态:≤10mA
如下图,通过国标绘制漏电流检测结果表:

2万+





