内容主要系chapter 8 全差分放大器
1.对于全差分放大器,输出共模点会随着输入共模的变化而变化,因此需要共模负反馈来确定输出的共模。
2.共模为什么需要比差模更大的GBW?更大的GBW意味着更大的带宽,更快的速度,也就是说共模信号较差模建立得更快。
但实际当中,如果我共模反馈的开环增益足够高,那么共模点“漂”得就不会太多,所以即使共模的GBW比差模小,也是可以用的。
3.确立共模输出点电平的第一种方法:参考支路复制。

上图中,MN3和3A管与左边接地的NMOS匹配,Vbias4管匹配。Vbias1保证这两组cascode管流过等比例的电流,从而使Vout维持在0电平附近。假使输入Vin的共模发生变化,只要差分对流过的电流不变,Vout共模就不会变。那么哪里在变呢?是Vin的共源节点,这个耦合点的共模点会变。但它下方的cascode电流镜会shield漏端的变化,保证折叠级和共栅级的电流匹配。
Vbias4管相当于共源共栅管,所以它的尺寸尽量大一些,来保证有足够的增益去抵抗漏端不匹配的MOS管阻抗带来的电压变化。
MN3、3A和左边的接地NMOS工作在线性区。线性区可以节约电压裕度,提高Vout的输出摆幅,另一方面MN3和3A的漏端是互联的,用来把差分抵消,把共模提取。这就要求两个管子尽量线性,所以选择线性区。线性区的增益很低,所以就进一步要求Vbias4的共源共栅管有足够的增益。

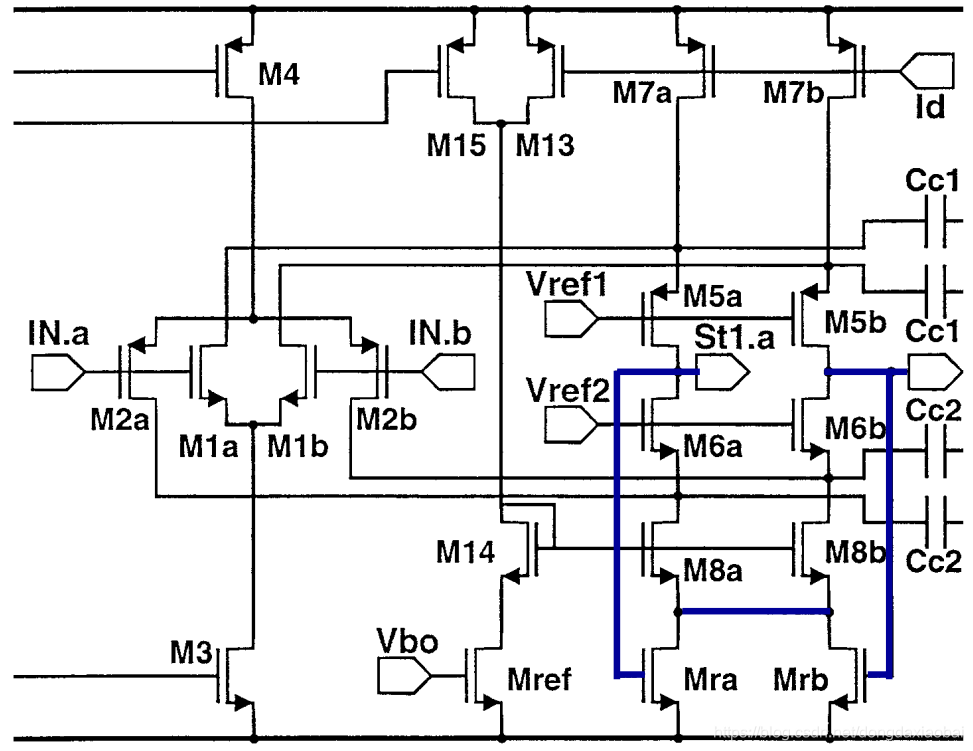
这里建立的技巧和上一张是一样的。M14 M8a M8b共源共栅提供增益,Mra Mrb参考Mref。M15 M13和M7a M7b匹配
4、输入共模电平确定的第二种方法:源极跟随器+误差反馈电路
第一种方法主要的优点是不增加额外的电路,不产生功耗。但缺点在于如果考虑输出的负载电容,共模看到的电容是差模的两倍,GBW就下来了。而且共模放大器的第一级输入管在线性区,跨导很小,所以共模的GBW是比差模小很多的。高频下的CMRR就会很差。
源极跟随器+误差反馈电路牺牲功耗解决了上面的缺点。

结构很清楚,最左侧是一个看起来增益不怎么大的误差放大器,因为它的输出采用了二极管连接。
为什么误差放大器器增益不需要很大呢?对于共模电路,bias3的共源共栅极已经为它提供了足够的增益。所以它只需要实现电流匹配就行。如果没有bias3这一级,共模电路依然有增益,只是效果会变差。
这张PPT里面的极点和零点计算是一个很有意思的地方,应该说所有PPT里面的计算都很有意思。涉及到一个三元件pi网络的基本型,后面整理后补一次笔记。
5、第三种是把源随去掉,直接接误差放大器

MC12和MC2是一对,MC11和MC1是一对,这两对构成一组差分对,M6 M7 M16 M7是有源电流镜负载,较之二极管负载可以多一倍电流节省功耗。电路设计得非常对称,利于版图上做匹配。
6

0833的这个放大器,输出点的共模电平确定非常硬核:没错就是Vcm强行电阻耦合到输出。
这个电路的共模反馈很有意思,设想输入共模的改变引起微弱的电流变化,由M7、M8提取共模,再经M12、M13第二级放大会产生电流补偿,从而保证尾电流管Q1 Q2的电流不变,使第一级的输出共模稳定。当然第一级输出共模的具体电平值是会随PVT变化的,所以第二级才引入了一个硬核的输出共模点
1万+





