无刷电机介绍

图中U,V,W为无刷直流电机的三相线圈,转子为永磁体
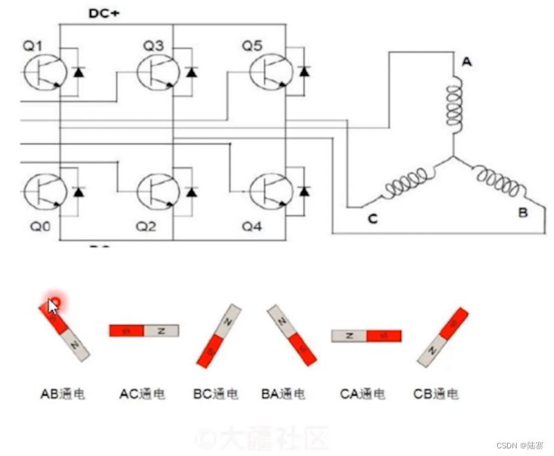
无刷电机控制主要通过控制mos管,带动控制电机

通过改变电压形式以输入电压(主要以矢量控制和方波控制)来控制电机运行
方波控制(PWM调制):

优点:成本低,控制算法简单
缺点:发热量大,损耗大,转矩脉动,精度低
矢量控制(磁场定向控制Field-Oriented Contrl FOC)

优点:转矩稳定,精度高
缺点:设计复杂,体积大
矢量控制原理

电机抽象图
其实就是改变电磁场来控制转子旋转,交替开关各个mos的状态

当mos管的开关速度变慢转子转动速度就会减慢, 当mos管的开关速度变快转子转动速度就会变快,周期在更短时间完成转子转动速度就会变快,同时控制磁场就可以控制力矩,而FOC想要达到的就是产生想要的力矩和速度
本文介绍了无刷直流电机的基本结构,包括三相线圈和永磁体,并对比了方波控制(PWM)和矢量控制(FOC)的优缺点。方波控制成本低但精度低,发热量大;矢量控制能提供转矩稳定和高精度,但设计复杂且体积较大。

7703





