同步D触发器
电路结构:
工作原理:
(1)当CLK = 0时,触发器不受D端输入信号的控制。保持原状态不变。
(2)当CLK = 1时,触发器可接受D端输入的信号,其状态翻到和D的状态相同。
真值表为:
卡诺图(CLK = 1时):
画卡诺圈化简得:
图形符号:
例题:
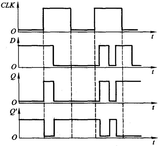
若图所示电平触发D触发器的CLK和输入端D的电压波形如图所给出,试画出Q和Q’端的电压波形。假定触发器的初始状态为Q=0。

同步D触发器的特点
1、时钟电平控制,输入无约束问题,优于同步RS触发器。
2、CLK =1时跟随,下降沿到来时才锁存。
3、仍然存在空翻现象,限制了同步触发器的应用。
边沿D触发器
边沿触发器(Edge-Triggered Flip-Flop):只在时钟脉冲CLK的上升沿或下降沿接收输入信号,而在CLK = 1及CLK = 0期间以及CLK非约定边沿,触发器不接收数据,保持原态不变。
上升沿触发
电路组成

工作原理:
主触发器受CLK1控制,从触发器受CLK2控制。其中CLK2 = CLK’1 = CLK
(1)CLK = 1时,从触发器FF1不工作,主触发器FF2工作,从触发器的状态取决于主触发器,输入信号D不起作用。
(2)CLK = 0时,主触发器FF2不工作,从触发器FF1工作,主触发器的状态随输入信号D的变化而变化,即:QFFT1 = D。
(3)当CLK的上升沿到来时,封锁FF1,打开FF2,主触发器锁存CLK = 0时刻的值,使得QFF1 = D,在上升沿到来时将该值送入从触发器,使得Q = D,Q‾\overline{Q}Q = D‾\overline{D}D
真值表为:

图形符号:

维持阻塞边沿触发器(集成芯片推荐74LS74)


下降沿触发
电路结构

工作原理:
主触发器受CLK1控制,从触发器受CLK2控制。其中CLK1 = CLK’2 = CLK
(1)CLK = 0时,从触发器FF1不工作,主触发器FF2工作,从触发器的状态取决于主触发器,输入信号D不起作用。
(2)CLK = 1时,主触发器FF2不工作,从触发器FF1工作,主触发器的状态随输入信号D的变化而变化,即:QFFT1 = D。
(3)当CLK的下升沿到来时,封锁FF1,打开FF2,主触发器锁存CLK = 1时刻的值,使得QFF1 = D,在下降沿到来时将该值送入从触发器,使得Q = D,Q‾\overline{Q}Q = D‾\overline{D}D
真值表为:

图形符号:

边沿D触发器的特点
1、CP的上升沿(正边沿)或下降沿(负边沿)触发。
2、抗干扰能力极强,解决了同步触发器的“空翻”
现象。
3、功能太少,只有置1、置0功能。
D触发器:同步与边沿触发原理详解
D触发器分为同步和边沿触发两种类型。同步D触发器在时钟CLK为1时更新状态,与D输入一致;边沿D触发器则仅在时钟脉冲的上升沿或下降沿改变状态,避免了空翻现象,提高了抗干扰能力。边沿触发器进一步分为上升沿和下降沿触发,提供更稳定的信号处理。
5895

被折叠的 条评论
为什么被折叠?



