Arduino IDE for Raspberry Pi Pico初探教程
- 📌相关篇《Arduino IDE for Raspberry Pi Pico开发固件本地化安装教程》
- 📍Github:
https://github.com/earlephilhower/arduino-pico - 🍁RP2040 Pico引脚文档:
https://datasheets.raspberrypi.com/pico/Pico-R3-A4-Pinout.pdf

🔖当前版本:
2.7.3,不是Arduino IDE里面搜索到的默认RP2040 SDK版本的,相比自带的版本,该版本可供选择的开发板类型更丰富。
- ✨需要注意的是,这个版本也需要按照上面的参考安装教程进行离线搭建安装。直接安装,也会出现安装esp32/esp8266那种情况。

- ✅直接可以选择YD-RP2040版(源地YD-RP2040)

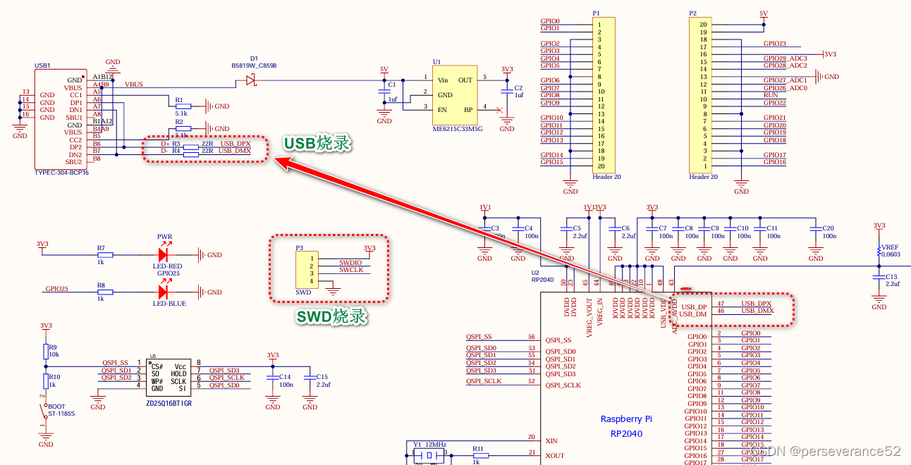
🔨RP2040程序烧录方式
- 🔖可以通过SWD烧录,例如CMSIS-DAP烧录器,或者直接USB烧录。

🛠USB烧录方式
- 参数配置:

- 按住Boot按键,插入USB到电脑,会出现一个64MB的虚拟U盘。
- 在IDE里面,编译上传即可。
- 烧录成功后,会自动生成一个
Raspberry Pi Pico虚拟串口端口,后面调试的时候可以通过这个虚拟串口进行调试信息打印。无需初始化串口语句(Serial.begin(9600);),串口监视器波特率任意都可以正常显示。后面烧录就可以不需要在烧录去进入Boot模式,直接编译即可上传。

📘SWD烧录方式
- 🔧配置如下:

- 🔖这里使用的是合宙的Air32f103的daplink V2固件版本,烧录信息:

📗debug调试信息输出接口说明
- 📜debug调试信息输出接口,可以选择USB CDC接口(也就是上传程序的接口),只不过下载程序的时候,MCU进入了DFU模式,程序烧录完后,运行用户程序时候,切换到了USB CDC虚拟串口模式。另外可以选择硬件串口1(GPIO0,GPIO1).

📑硬件相关接口定义引脚
// LEDs
#define PIN_LED (25u)
// Serial
#define PIN_SERIAL1_TX (0u)
#define PIN_SERIAL1_RX (1u)
#define PIN_SERIAL2_TX (8u)
#define PIN_SERIAL2_RX (9u)
// SPI
#define PIN_SPI0_MISO (16u)
#define PIN_SPI0_MOSI (19u)
#define PIN_SPI0_SCK (18u)
#define PIN_SPI0_SS (17u)
#define PIN_SPI1_MISO (12u)
#define PIN_SPI1_MOSI (15u)
#define PIN_SPI1_SCK (14u)
#define PIN_SPI1_SS (13u)
// Wire
#define PIN_WIRE0_SDA (4u)
#define PIN_WIRE0_SCL (5u)
#define PIN_WIRE1_SDA (26u)
#define PIN_WIRE1_SCL (27u)
#define SERIAL_HOWMANY (3u)
#define SPI_HOWMANY (2u)
#define WIRE_HOWMANY (2u)
📘点灯程序
// the setup function runs once when you press reset or power the board
void setup() {
// initialize digital pin LED_BUILTIN as an output.
pinMode(LED_BUILTIN, OUTPUT);//板载led灯在GPIO25引脚上
Serial.begin(115200);
}
// the loop function runs over and over again forever
void loop() {
digitalWrite(LED_BUILTIN, HIGH); // turn the LED on (HIGH is the voltage level)
delay(1000); // wait for a second
digitalWrite(LED_BUILTIN, LOW); // turn the LED off by making the voltage LOW
delay(1000); // wait for a second
Serial.println("RP2040 hello \n\r ");
}

1083

被折叠的 条评论
为什么被折叠?



