目录
声明:本专栏是本人跟着B站江科大的视频的学习过程中记录下来的笔记,我之所以记录下来是为了方便自己日后复习。如果你也是跟着江科大的视频学习的,可以配套本专栏食用,如有问题可以QQ交流群:963138186
本节我们来学习DMA,直接存储器存取。
DMA是一个数据转运小助手,它主要是用来协助CPU完成数据转运的工作。
DMA的简介
DMA(Direct Memory Access)直接存储器存取,或者叫直接存储器访问;
从这个DMA名字的意思来看,DMA这个外设是可以直接访问STM32内部的存储器的,包括运行内存SRAM、程序存储器flash和寄存器等等,DMA都有权限访问它们,所以DMA才能完成数据转运的工作。
DMA可以提供外设和存储器或者存储器和存储器之间的高速数据传输,无须CPU干预,节省了CPU的资源
这里外设指的就是外设寄存器,一般是外设的数据寄存器DR、Data、 Register。比如ADC的数据寄存器、串口的数据寄存器等等。
这里存储器指的就是运行内存SRAM和程序存储器flash,是我们存储变量数组和程序代码的地方,在外设和存储器或者存储器和存储器之间进行数据转运,就可以使用DMA来完成。并且在转运的过程中,无需CPU的参与,节省了CPU的资源,CPU省下时间就可以干一些其它的更加专业的事情,搬运数据这种杂活交给DMA就行了。
12个独立可配置的通道: DMA1(7个通道), DMA2(5个通道)
这个通道就是数据转运的路径,从一个地方移动到另一个地方,就需要占用一个通道。如果有多个通道进行转运,那它们之间可以各转各的互不干扰,这就是DMA的通道。
每个通道都支持软件触发和特定的硬件触发
如果DMA进行的是存储器到存储器的数据转运。比如我们想把flash里的一批数据转运到SRAM里去,那就需要软件触发了。
使用软件触发之后,DMA就会一股脑地把这批数据以最快的速度全部转运完成。这也是我们想要的效果。
那如果DMA进行的是外设到存储器的数据转运,就不能一股脑地转运了。因为外设的数据是有一定时机的。所以这时我们就需要用硬件触发,比如转运ADC的数据。那就得ADC每个通道AD转换完成后,硬件触发一次DMA,之后DMA再转运,触发一次,转运一次,这样数据才是正确的,才是我们想要的效果。
所以存储器到存储器的数据转运,我们一般使用软件触发,外设到存储器的数据转运,我们一般使用硬件触发。
特定的硬件触发意思就是每个DMA的通道,它的硬件触发源是不一样的。你要使用某个外设的硬件触发源,就得使用它连接的那个通道,而不能任意选择通道
STM32F103C8T6 DMA资源:DMA1(7个通道)
我们这个芯片只有DMA1的七个通道,没有DMA2。
存储器映像
既然DMA是在存储器之间进行数据转运的,那我们就应该要了解一下STM32中都有哪些存储器,这些存储器又是被安排到了哪些地址上,这就是存储器映像的内容。
计算机系统的五大组成部分是运算器、控制器、存储器、输入设备和输出设备。其中运算器和控制器一般会合在一起,叫做CPU。
所以计算机的核心关键部分就是CPU和存储器。存储器又有两个重要知识点,一个是存储器的内容,另一个就是存储器的地址。那STM32也不例外,这个表就是STM32中所有类型的存储器和它们所被安排的地址。

在这个表里,无论是flash还是SRAM,还是外设寄存器,它们都是存储器的一种。外设寄存器实际上也是存储器。我们前面这里说的是外设到存储器、存储器到存储器本质上其实都是存储器之间的数据转运。说成外设的存储器,只不过是STM32特别指令可以转运外设的存储器而已。
在上表里,存储器总共分成两大类ROM和RAM。
ROM 就是只读存储器,是一种非易失性、掉电不丢失的存储器;
RAM就是随机存储器,是一种易失性、掉电丢失的存储器。
其中ROM分为了三块:
第一块是程序存储器flash,也就是主闪存。它的用途就是存储C语言编译后的程序代码,也就是我们下载程序的位置,运行程序一般也是从主闪存里面开始运行的。这一块存储器STM32给它分配的起始地址是0x0800 0000。然后剩余字节的地址依次增长,每个字节都分配一个独一无二的地址。终止地址取决于它的容量编到哪里,哪里就是终止地址,这就是主闪存的地址范围。之后如果在软件里看到某个数据的地址是0x0800开头的,那就可以确定它是属于主闪存的数据。
接着下面两块系统存储器和选项字节,这两块存储器也是ROM的一种,掉电不丢失。实际上它们的存储介质也是flash,只不过是我们一般说flash指的是主闪存flash,而不是指系统存储器和选项字节。它们的地址都是0x1FFF开头的,紧跟着0x2000开头的就是RAM区。

所以可以看出系统存储器和选项字节这两块存储器的位置是在ROM区的最后面。
系统存储器的用途是存储BootLoader,用于串口下载,程序存储的位置就被分配到BootLoader。BootLoader程序是芯片出厂自动写入的,一般也不允许我们修改。
选项字节是用于存储一些独立于程序代码的配置参数。它的位置是在ROM区的最后面。下载程序可以不刷新选项字节的内容,这样选项字节的配置就可以保持不变。选项字节里存的主要是flash的读保护,写保护,还有看门狗等等的配置。
然后我们看一下RAM区。
首先是运行内存SRAM分配的地址是0x2000 0000,用途是存储运行过程中的临时变量,也就是我们在程序中定义变量、数组、结构体的地方。你可以试一下定义一个变量,再取它的地址显示出来。那这个地址肯定就是0x2000开头的。类比于电脑的话,运行内存就是内存条。
然后RAM区剩下的还有外设寄存器,它的地址是0x4000 0000这块区域,用途是存储各个外设的配置参数,也就是我们初始化各个外设最终所读写的东西。
刚才我们说了,外设寄存器也是存储器的一种。它的存储介质其实也是SRAM,只不过我们一般习惯把运行内存叫SRAM,外设寄存器就直接叫寄存器。
内核外设寄存器,地址是0xE000 0000这片区域,用途是存储内核各个外设的配置,参数内核外设就是NVIC和SysTick。因为内核外设和其它外设不是一个厂家设计的,所以它们的地址也是被分开了。内核外设是0xE000,其它外设是0x4000 。
以上这些就是STM32里的存储器和它们被安排的地址。
接下来我们看一下数据手册中的这张图(对应上面的表格)
在STM32中所有的存储器都被安排到了0~0xFFFF FFFF这个地址范围内


因为CPU是32位的,所以寻址范围就是32位的范围。32位的寻址范围是非常大的,最大可以支持4GB容量的存储器。而我们STM32的存储器都是KB级别的。所以这个4GB的寻址空间会有大量的地址都是空的,算一下地址的使用率还不到百分之一。
在这个图里,灰色填充的就是reserve的区域,也就是保留区域,没有使用到。

0地址实际上也是没有存储器的,它这里写的是别名到flash或者系统存储器取决于boot引脚。

因为程序是从0地址开始运行的,所以这里需要把我们想要执行的程序映射到零地址来。如果映射在flash区,就是从flash执行。

如果映射在系统存储器区,就是从系统存储器运行BootLoader。

如果映射到SRAM,就是从SRAM启动。

怎么选择由BOOT0和BOOT1两个引脚来决定,这就是0地址里的别名区。
剩下的0x0800开始的flash区,用于存储程序代码。

0x1FFF开始的系统存储器和选项字节是在ROM区的最后面。

0x2000开始的是SRAM区,0x4000开始的是外设寄存器

这里面可以展开,就是右边这些东西

每个外设又有它们自己的起始地址,比如TIM2的地址是0x4000 0000。

然后外设地址里面又可以具体细分到每个寄存器的地址、寄存器里每个字节的地址,最终所有字节的地址就都可以算出来了。
最后上面这里0xE000开始的区域存放在就是内核里面的外设寄存器。

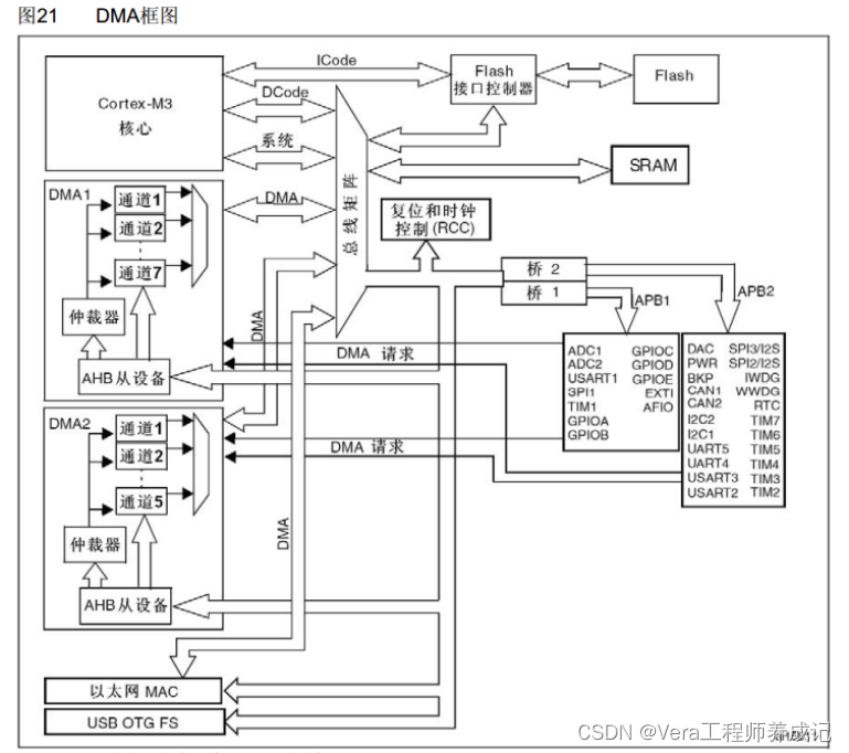
接下来我们来看一下DMA的框图。
DMA框图
这个框图我们在第一节STM32的系统结构里也见过一个类似的。

左上角这里是Cortex-M3内核里面包含了CPU和内核外设等等。
剩下的所有东西都可以把它看成是存储器。
所以这个框图总共就是CPU和存储器两个东西。
flash是主闪存,SRAM是运行内存,各个外设都可以看成是寄存器,也是一种SRAM存储器,因为寄存器是一种特殊的存储器。
一方面,CPU可以对寄存器进行读写,就像读写运行内存一样。另一方面,寄存器的每一位背后都连接了一根导线,这些导线可以用于控制外设电路的状态,比如置引脚的高低电平、导通和断开开关、切换数据选择器或者多位结合起来,当做计数器,数据寄存器等等。

所以寄存器是连接软件和硬件的桥梁。软件读写寄存器,就相当于在控制硬件的执行,所以我们可以把外设抽象成一个个寄存器,CPU控制外设本质上就是读写寄存器。
既然外设就是寄存器,寄存器就是存储器,那使用DMA进行数据转运,就都可以归为一类问题了,就是从某个地址取内容再放到另一个地址去。
我们看向上面的框图,为了高效有条理的访问存储器,这里设计了一个总线矩阵。总线矩阵的左端是主动单元,也就是拥有存储器的访问权。右边这些是被动单元,它们的存储器只能被左边的主动单元读写。

主动单元这块,内核有DCode和系统总线,可以访问右边的存储器,其中DCode的总线是专门访问flash的,系统总线是访问其它东西的。

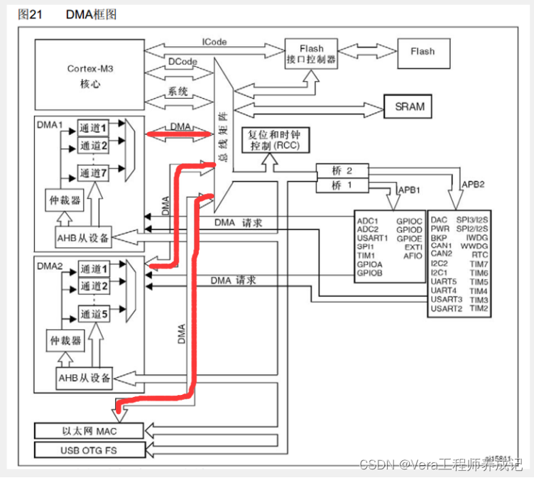
另外,由于DMA要转运数据,所以DMA也必须要有访问的主动权。那主动单元除了内核CPU,剩下的就是DMA总线了。这里DMA1有一条DMA总线,DMA2也有一条DMA总线。下面还有一条是以太网外设自己私有的DMA总线,这个可以不用管。

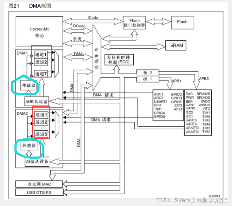
在DMA1和DMA2里面可以看到DMA1有七个通道,,DMA2有五个通道,各个通道可以分别设置它们转移数据的原地址和目的地址。这样它们就可以各自独立的工作了。
接着下面这里有个仲裁器。这个是因为虽然多个通道可以独立转运数据,但是最终DMA总线只有一条。所以所有的通道都只能分时复用这一条DMA总线,如果产生了冲突,那就会由仲裁器根据通道的优先级决定谁先用谁后用。

另外在总线矩阵里也会有个仲裁器,如果DMA和CPU都要访问同一个目标,那么DMA就会暂停CPU的访问,以防止冲突。不过总线仲裁器仍然会保证CPU得到一半的总线带宽,使CPU也能正常的工作。这就是仲裁器的作用。

然后继续看下面这里是AHB从设备,也就是DMA自身的寄存器。因为DMA作为一个外设,它自己也会有相应的配置寄存器。这里连接在了总线右边的AHB总线上。所以,DMA既是总线矩阵的主动单元,可以读写各种存储器,也是AHB总线上的被动单元。

CPU通过这一条线路就可以对DMA进行配置了。

接着继续看,这里是DMA请求,请求就是触发的意思。这条线路右边的触发源是各个外设,所以这个DMA请求就是DMA的硬件触发源。

比如ADC转换完成,串口接收到数据,需要触发DMA转运数据的时候,就会通过这条线路向DMA发出硬件触发信号。之后DMA就可以执行数据转运的工作了,这就是DMA请求的作用。

到这里,有关DMA的结构就讲的差不多了。
总结DMA的结构其中包括:
用于访问各个存储器的DMA总线;
内部的多个通道可以进行独立的数据转运;
仲裁器用于调度各个通道,防止产冲突;
AHB从设备用于配置DMA参数;
DMA请求用于硬件触发DMA的数据转移。
这就是这个DMA的各个部分和作用。
最后再额外说一个问题,就是这里的flash它是ROM只读存储器的一种,如果通过总线直接访问的话,无论是CPU还是DMA,都是只读的,只能读取数据,而不能写入。如果你DMA的目的地址填写在flash的区域,那转运时就会出错。这个注意一下。
当然flash也不是绝对的不可写入,我们可以配置这个flash接口控制器对flash进行写入,这个流程就比较麻烦了,要先对flash按页进行擦除,再写入数据。不过这是另一个课题了,这里就不再讨论。

总之就是CPU或者DMA直接访问flash的话,是只可以读而不可以写的。
SRAM是运行内存,可以任意读写。
外设寄存器得看参考手册里面的描述,有的寄存器是只读的,有的寄存器是只写的。不过我们主要用的是数据寄存器,数据寄存器都是可以正常读写的。

DMA基本结构图
刚才的框图只是一个笼统的结构图,对于DMA内部的执行细节,它还是没体现出来。如果想编写代码,实际去控制DMA的话,就按下图来。

图中这两部分就是数据转运的两大站点,左边是外设寄存器站点,右边是存储器站点包括flash和SRAM。

在STM32手册里所说的存储器,一般是特指flash和SRAM,不包含外设寄存器。外设寄存器一般直接被称作外设,所以就是外设到存储器,存储器到存储器这样来描述。虽然我们刚才说了,寄存器也是存储器的一种,但是STM32还是使用了外设和存储器来作为区分,注意一下描述方法的不同。
看图中的箭头方向就知道DMA的数据转运可以是从外设到存储器,也是可以从存储器到外设,具体是向左还是向右,有一个方向的参数可以进行控制。
另外还有一种转运方式,就是存储器到存储器,比如flash到SRAM或者SRAM到SRAM这两种方式。
由于flash是只读的,所以DMA不可以进行SRAM到flash或者flash到flash的转移操作。
然后我们继续看这两边的参数,既然要进行数据转运,那肯定就要指定从哪里转到哪里,具体怎么转,所以外设和存储器两个站点就都有三个参数。

第一个是起始地址,有外设端的起始地址和存储器端的起始地址,这两个参数决定了数据是从哪里来到哪里去的。
第二个参数是数据宽度,这个参数的作用是指定一次转运要按多大的数据宽度来进行。它可以选择字节Byte、半字HalfWord和字word。字节就是八位,也就是一次转用一个uint8_t这么大的数据;半字是十六位,就是一次转用一个uint16_t;字是32位,就是一次转用uint32_t。比如转运ADC的数据,ADC的结果是uint16_t这么大,所以这个参数就要选择半字一次转运。
第三个参数是地址是否自增,这个参数的作用是指定一次转运完成后,下一次转运是不是要把地址移动到下一个位置去,这就相当于是指针p++这个意思,比如ADC扫描模式,用DMA进行数据转运。外设地址是ADC_DR寄存器,寄存器这边显然地址是不用自增的,如果自增,那下一次转运就跑到别的寄存器那里去了。存储器这边地址就需要指针,每转运一个数据后,就往后挪个坑,要不然下次再转,就把上次的覆盖掉了,这就是地址是否自增的作用,就是指定是不是叫转运一次挪个坑这个意思。
如果要进行存储器到存储器的数据转运,那我们就需要把其中一个存储器的地址放在外设的这个站点,这样就能进行存储器到存储器的转运了。
只要在外设起始地址里写flash或者SRAM的地址,那它就会去flash或SRAM找数据。

这个站点虽然叫外设存储器,但是它就只是个名字而已。并不是说这个地址只能写寄存器的地址。如果写flash的地址,那它就会去flash里,找写SRAM,它就会去SRAM里找,这个没有限制。甚至你可以在外设站点写存储器的地址,存储器站点写外设的地址,然后方向参数给反过来,这样也是可以的,只是ST公司给它起的这样的名字而已。你也可以把它叫做站点A,站点B,不必拘泥于它写的外设站点和存储器站点这个名字。
接着往下面看,这里有个东西叫做传输计数器,这个东西就是用来指定我总共需要转运几次的。这个传输计数器是一个自减计数器,比如给它写个5,那DMA就只能进行5次数据转运。转运过程中,每转运一次,计数器的数就会减1。当传输计数器减到零之后,DMA就不会再进行数据转运了。
另外它减到0之后,之前自增的地址也会恢复到起始地址的位置,以方便之后DMA开始新一轮的转换。

在传输计数器的右边有一个自动重装器,这个自动重装器的作用就是传输计数器减到零之后,是否要自动恢复到最初的值,比如最初传输计数器给5,如果不使用自动重装器,那转用5次后DMA就结束了。如果使用自动重装器,那转运5次计数器减到0后,就会立即重装到初始值5。
自动重装器决定了转运的模式,如果不重装,就是正常的单次模式,如果重装就是循环模式,比如如果想转运一个数组,那一般就是单次模式,转运一轮就结束了。如果是ADC扫描模式加连续转换,那为了配合ADC,DMA也需要使用循环模式。所以这个循环模式和ADC的连续模式差不多,都是指定一轮工作完成后,是不是立即开始下一轮工作。
然后继续往下看,这一块就是DMA的触发控制。

触发就是决定DMA需要在什么时机进行转运的。触发源有硬件触发和软件触发,具体选择哪个由M2M这个参数决定。M2M就是memory to memory,存储器到存储器的意思。
当我们给M2M位1时,DMA就会选择软件触发,应用在存储器到存储器转运的情况。
这个软件触发并不是调用某个函数一次触发一次,这个软件触发的执行逻辑是以最快的速度连续不断的触发DMA争取早日把传输计数器清零,完成这一轮的转换。所以这里的软件触发和我们之前外部中断和ADC的软件触发可能不太一样,可以把它理解成连续触发。
注意:这个软件触发和循环模式不能同时用,因为软件触发就是想把传输计数器清零,循环模式是清零后自动重装。如果同时用的话,那DMA就停不下来了。
软件触发一般适用于存储器到存储器的转运。因为存储器到存储器的转运是软件启动,不需要时机,并且想尽快完成的任务。
当M2M位给0,就是硬件触发。硬件触发源可以选择ADC、串口、定时器等等。使用硬件触发的转运,一般都是与外设有关的转运。这些转运需要一定的时机,比如ADC转换完成、串口收到数据、定时时间到等等,所以需要使用硬件触发,在硬件达到这些时机时,传个信号过来触发DMA进行转运。
最后就是开关控制,也就是DMA_Cmd函数,当DMA使能后,DMA就准备就绪可以进行转运了。

DMA进行转运有几个条件:
第一就是开关控制,DMA_Cmd必须使能;
第二就是传输计数器必须大于零;
第三就是触发源必须有触发信号,触发一次转运一次,传输计数器自减一次,当传输计数器等于0且没有自动重装时,这时无论是否触发,DMA都不会再进行转运,此时就需要DMA_Cmd给disable关闭DMA。当传输计数器写一个大于零的时候,DMA_Cmd给ENable开启DMA,DMA才能继续工作。
注意:写传输计数器时,必须要先关闭DMA再进行,不能在DMA开启时写传输计数器,这是手册里的规定。
接下来我们再看几个细节的问题:
DMA请求
这张图是DMA1的请求映象

这张图表示的就是结构图中这部分结构,DMA触发的部分:

请求映像图中可以看到DMA的七个通道,每个通道都有一个数据选择器,可以选择硬件触发或软件触发。EN决定这个数据选择器要不要工作,EN等于0数据选择器不工作,EN等于1数据选择器工作,然后软件触发后面跟个M2M的意思应该是当M2M等于1时选择软件触发。

图中左边的硬件触发源,是外设请求信号,可以看到每个通道的硬件触发源都是不同的。如果需要用ADC1来触发的话,那就必须选择通道1。如果需要定时器二的更新事件来触发的话,那就必须选择通道二,剩下的也是同理。因为每个通道的硬件触发源都不同,所以如果想使用某个硬件触发源的话,就必须使用它所在的通道,这就是硬件触发的注意事项。
而如果使用软件触发的话,通道就可以任意选择。因为每个通道的软件触发都是一样的。这就是最开始DMA的简介那部分所讲的每个通道都支持软件触发和特定的硬件触发,这就是特定的意思,即选择硬件触发是要看通道的。
再看,比如通道1的硬件触发是ADC1、定时器2是通道3,定时器4是通道1,那到底是选择哪个触发源?
这个是对应的外设是否开启了DMA输出来决定的。比如要使用ADC1,会有个库函数ADC_DMACmd,必须使用这个库函数开启ADC1的这一路输出,它才有效。如果想选择定时器二的通道三,那也会有个TIM_DMACmd函数用来进行DMA输出控制。
所以这三个触发源具体使用哪个,取决于把哪个外设的DMA输出开启了,如果三个都开启了,那这边是一个或门,理论上三个硬件都可以进行触发,不过一般情况下,我们都是开启其中一个。

七个触发源进入到仲裁器,经优先级判断,最终产生内部的DMA1请求。这个优先级的判断,类似于中断的优先级,默认优先级是通道号越小,优先级越高。当然也可以在程序中配置优先级,这个其实影响并不是很大,大家了解一下就行了。

数据宽度与对齐
如果数据宽度都一样,那就是正常的一个个转运。如果数据宽度不一样,那会怎么处理?
这个表就是来说明这个问题的:

第一列是源端宽度,第二列是目标宽度,第三列是传输数目。
当源端和目标宽度都是八位时,转运第一步是在源端的0位置读数据B0,在目标的零位置写数据B0,就是把这个B0从左边挪到右边。之后的步骤就是把B1从左边挪到右边,接着B2,B3,这是源端和目标都是八位的情况。

当源端是8位,目标是16位,那它的操作就是在源端读B0,在目标写00B0。之后读B1写00B1。这个意思就是如果你目标的数据宽度比源端的数据宽度大,那就在目标数据前面多出来的空位补零。

八位转运到32位也是一样的处理,前面空出来的都补零。

而当目标数据宽度比源端数据宽度小时,比如由十六位转到八位,就是读B1、B0只写入B0。读B3、B2只写入B2,也就是把多出来的高位舍弃掉。
之后那些也都是类似的操作。
总之这个表的意思就是如果把小的数据转到大的里面去,高位就会补零。如果把大的数据转到小的里面去,高位就会舍弃掉。如果数据宽度一样,那就没事。就是跟uint8_t uint16_t和uint32_t变量之间相互赋值一样。不够就补零,超了就舍弃高位。
最后我们再来看两个例子,看看在这些实际的任务下,DMA是如何工作的。
实例
第一个例子就是数据转运+DMA,第二个例子是ADC扫描模式+DMA。这两个例子将和我们演示的两个程序是对应的。
数据转运+DMA
先看第一个例子,这个例子的任务是将SRAM里的数组DataA转运到另一个数组DataB中。我们看一下这种情况下,这个基本结构里的各个参数,该如何配置。

首先是外设站点和存储器站点的起始地址、数据宽度、地址是否自增这三个参数。
在这个任务里,外设地址显然应该填DataA数组的首地址,存储器地址给DataB数组的首地址,然后数据宽度两个数组的类型都是uint8_t,所以数据宽度都是按八位的字节传输。关于地址是否自增,我们想要的效果是DataA[0]转到DataB[0],DataA[1]转到DataB[1]等等,两个数组的位置一一对应。所以转运完DataA[0]和DataB[0]之后,两个站点的地址都应该自增,都移动到下一个数据的位置,继续转运DataA[1]和DataB[1]这样来进行。如果左边不自增,右边自增,效果就是这样的,转运完成后,DataB的所有数据都会等于DataA[0]

如果左边自增,右边不自增,那效果就是这样的,转运完成后DataB[0]等于DataA的最后一个数DataB,其它的数不变。

如果左右都不自增,那就一直是DataA[0]转到DataB[0],其它的数据不变,这就是地址是否自增的效果。

方向参数显然就是外设站点转运到存储机站点。如果想把DataB的数据转运到DataA,那可以把方向参数换过来,这样就是反向转运。
然后是传输计数器和是否要自动重装,在这里显然要转运7次,所以传输计数器给7,自动重装暂时不需要。
触发选择部分这里我们要使用软件触发,因为这是存储器到存储器的数据转运,是不需要等待硬件时机的,尽快转运完成就行了。
最后调用DMA_Cmd给DMA使能,这样数据就会从DataA转运到DataB了。
转运7次之后,传输计数器自减到0,DMA停止,转运完成。
这里的数据转运是一种复制转运。转运完成后,DataA的数据并不会消失。这个过程相当于是把DataA的数据复制到了DataB的位置。这就是第一个任务,存储器到存储器的数据转移。
ADC扫描模式+DMA
接着看第二个任务ADC扫描模式+DMA

左边是ADC扫描模式的执行流程,在这里有七个通道,触发一次后七个通道依次进行AD转换,然后转换结果都放到ADC_DR数据寄存器里面。
那我们要做的就是在每个单独的通道转换完成后,进行一次DMA数据转运,并且目的地址进行自增,这样数据就不会被覆盖了。所以在这里,DMA的配置就是外设地址写入ADC_DR这个寄存器的地址,存储器的地址可以在SRAM中定一个数组ADvalue,然后把ADvalue的地址当做存储器的地址。
之后数据宽度,因为ADC_DR和SRAM数组我们要的都是uint16_t的数据,所以数据宽度都是十六位的半字传输。
地址是否自增,从这个图里显然是外设地址不自增,存储器地址自增。
传输方向是外设站点到存储器站点。
传输计数器,这里通道有七个,所以计数七次。
计数器是否自动重装,ADC如果是单次扫描,那DMA的传输计数器可以不自动重装,转换一轮就停止。如果ADC是连续扫描,那DMA就可以使用自动重装,在ADC启动下一轮转换的时候,DMA也启动下一轮的转运,ADC和DMA同步工作。
触发选择,这里ADC_DR的值是在ADC单个通道转换完成后才会有效,所以DMA转运的时机需要和ADC单个通道转换完成同步,因此DMA的触发要选择ADC的硬件触发。
注意:ADC扫描模式在每个单独的通道转换完成后,没有任何标志位也不会触发中断。所以我们程序不太好判断某一个通道转换完成的时机是什么时候。但是,虽然单个通道转换完成后,不产生任何标志位和中断,但是它应该会产生DMA请求去触发DMA转运。这部分内容手册里并没有详细描述,根据实际实验,单个通道的DMA请求肯定是有的。
一般来说,DMA最常见的用途就是配合ADC的扫描模式。因为ADC扫描模式有个数据覆盖的特征,或者可以说这个数据覆盖的问题是ADC固有的缺陷。这个缺陷使ADC和DMA成了最常见的伙伴。ADC对DMA的需求是非常强烈的,而其它的一些外设使用DMAA可以提高效率是锦上添花的操作,但是不使用也是可以的,顶多是损失一些性能。但是这个ADC的扫描模式如果不使用DMA功能都会受到很大的限制。所以ADC和DMA的结合最为常见。
最后补充一下手册中的一个知识点,详情可以去手册上看看。
位段

存储器包含两个位段区域,这两个位段区映射的外设寄存器和SRAM中全部的位。这个位段区就相当于是位寻址,它把外设寄存器和SRAM中所有的位都分配了地址,你操作这个新的地址就相当于操作其中某一个位。因为32位的地址有99%都是空的,所以地址空间很充足,即使把每一位都单独编码,那也毫无压力。所以就存在了这样一个位段,用于单独操作寄存器或SRAM的某一位,位段区是另早那一个地方开辟了一段地址区域。其中SRAM位段区是2200开头的区域,外设寄存器的位段区是4200开头的区域。
嵌入式闪存
闪存被分为了很多页,它们的地址都是0800开头的。在闪存区的最后就是系统存储器和选项字节,这两个区域统称为信息块。下面这是闪存接口寄存器,这是外设的一部分,这个外设可以对闪存进行读写。

启动配置
配置BOOT0和BOOT1两个引脚来来选择程序从哪里启动

本节的内容到这里就结束了,下节来开始写代码。
QQ交流群:963138186
本篇就到这里,下篇继续!欢迎点击下方订阅本专栏↓↓↓
&spm=1001.2101.3001.5002&articleId=140095023&d=1&t=3&u=934dabfd07f944f7813845349708c8ba)
2441

被折叠的 条评论
为什么被折叠?



