💥💥💞💞欢迎来到本博客❤️❤️💥💥
🏆博主优势:🌞🌞🌞博客内容尽量做到思维缜密,逻辑清晰,为了方便读者。
⛳️座右铭:行百里者,半于九十。
📋📋📋本文内容如下:🎁🎁🎁
⛳️赠与读者
👨💻做科研,涉及到一个深在的思想系统,需要科研者逻辑缜密,踏实认真,但是不能只是努力,很多时候借力比努力更重要,然后还要有仰望星空的创新点和启发点。建议读者按目录次序逐一浏览,免得骤然跌入幽暗的迷宫找不到来时的路,它不足为你揭示全部问题的答案,但若能解答你胸中升起的一朵朵疑云,也未尝不会酿成晚霞斑斓的别一番景致,万一它给你带来了一场精神世界的苦雨,那就借机洗刷一下原来存放在那儿的“躺平”上的尘埃吧。
或许,雨过云收,神驰的天地更清朗.......🔎🔎🔎
💥第一部分——内容介绍

基于双锁相环阻抗重塑控制策略的弱电网下跟网型逆变器干扰稳定性分析
摘要:随着可再生能源发电渗透率的提升,弱电网特性日益显著,跟网型逆变器在弱电网下的稳定性问题成为制约新能源并网的关键因素。本文针对弱电网高阻抗、低短路比特性导致的跟网型逆变器小干扰稳定性问题,提出基于双锁相环的阻抗重塑控制策略。通过构建状态空间模型并计算特征值矩阵,分析系统稳定性边界;结合阻抗重塑技术调整逆变器输出阻抗特性,使系统在0.9 p.u.电压水平下仍能保持稳定。仿真对比表明,改进策略显著提升了系统动态响应能力与功率传输极限,验证了其有效性。
关键词:跟网型逆变器;弱电网;稳定性分析;控制策略;阻抗重塑
1. 引言
1.1 研究背景
全球能源转型背景下,风电、光伏等可再生能源装机容量持续攀升。截至2025年,中国新能源发电占比已超过35%,但电网结构呈现弱电网特征:电网等效阻抗显著增大(短路比SCR<3)、背景谐波含量升高(THD>5%)。跟网型逆变器作为新能源并网的核心接口,其稳定性直接影响电力系统安全运行。弱电网环境下,逆变器与电网的交互作用增强,易引发低频振荡(0.1-10 Hz)和谐波谐振(1-3 kHz),导致并网电流畸变率超标(>5%),甚至触发保护装置动作。
1.2 研究现状
现有研究主要集中于:
- 稳定性分析方法:状态空间法通过线性化模型计算特征值,判定系统稳定性;频域法利用阻抗模型分析谐振频率。
- 控制策略优化:自适应控制通过实时调整参数提升鲁棒性;虚拟同步机(VSG)技术模拟同步发电机特性增强惯性;有源阻尼器通过注入虚拟电阻抑制谐振。
然而,传统方法存在局限性:单锁相环(SPL)在弱电网下相位跟踪误差增大;固定阻抗匹配策略无法适应宽频振荡;有源阻尼器高频环路增益下降导致阻尼效果减弱。
1.3 研究贡献
本文提出双锁相环(DPLL)与阻抗重塑结合的控制策略,主要创新点包括:
- 构建包含电网阻抗的九阶状态空间模型,通过特征值分析确定稳定性边界。
- 设计动态阻抗重塑模块,将功率限制扩展至静态功率附近(0.9 p.u.)。
- 仿真验证改进策略在功率阶跃(0→700 W)和电压跌落(20%)工况下的稳定性提升效果。
2. 弱电网下跟网型逆变器建模与稳定性分析
2.1 系统建模
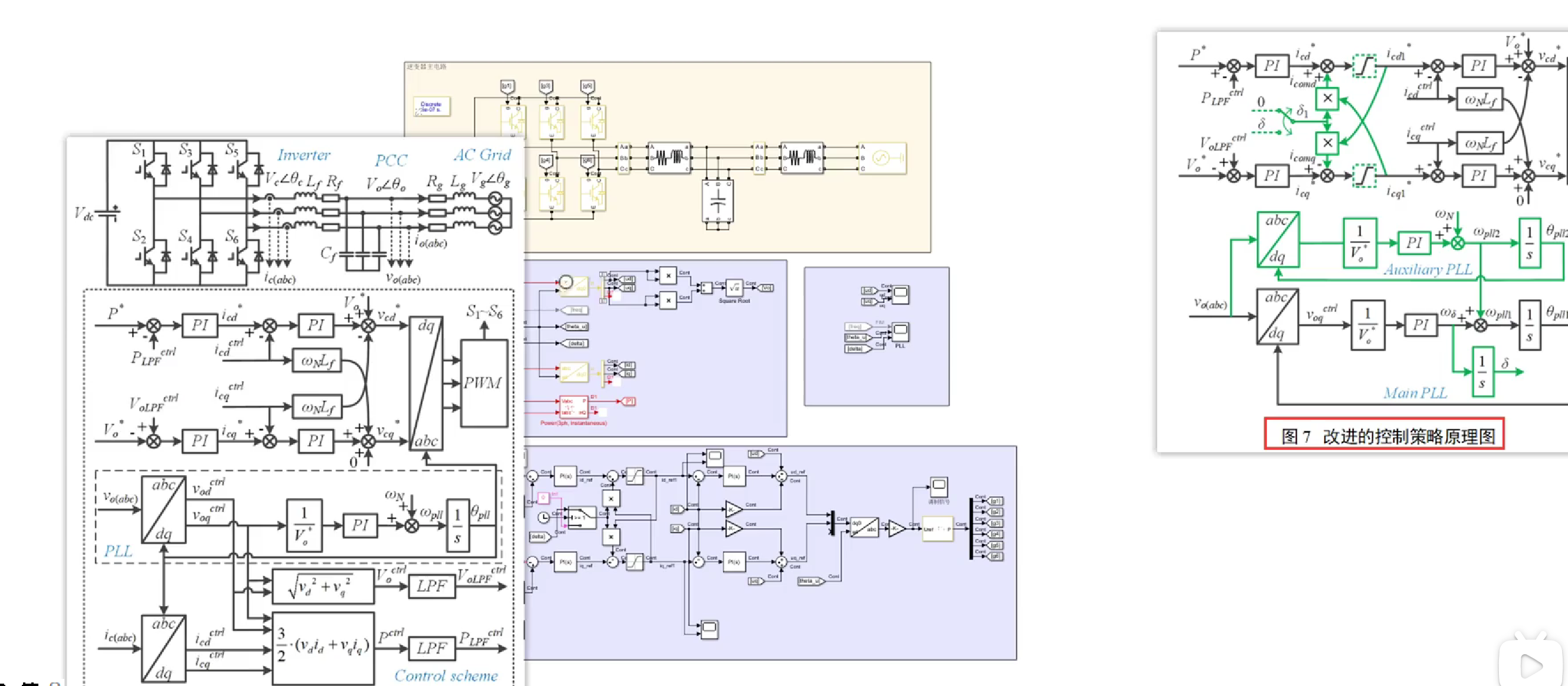
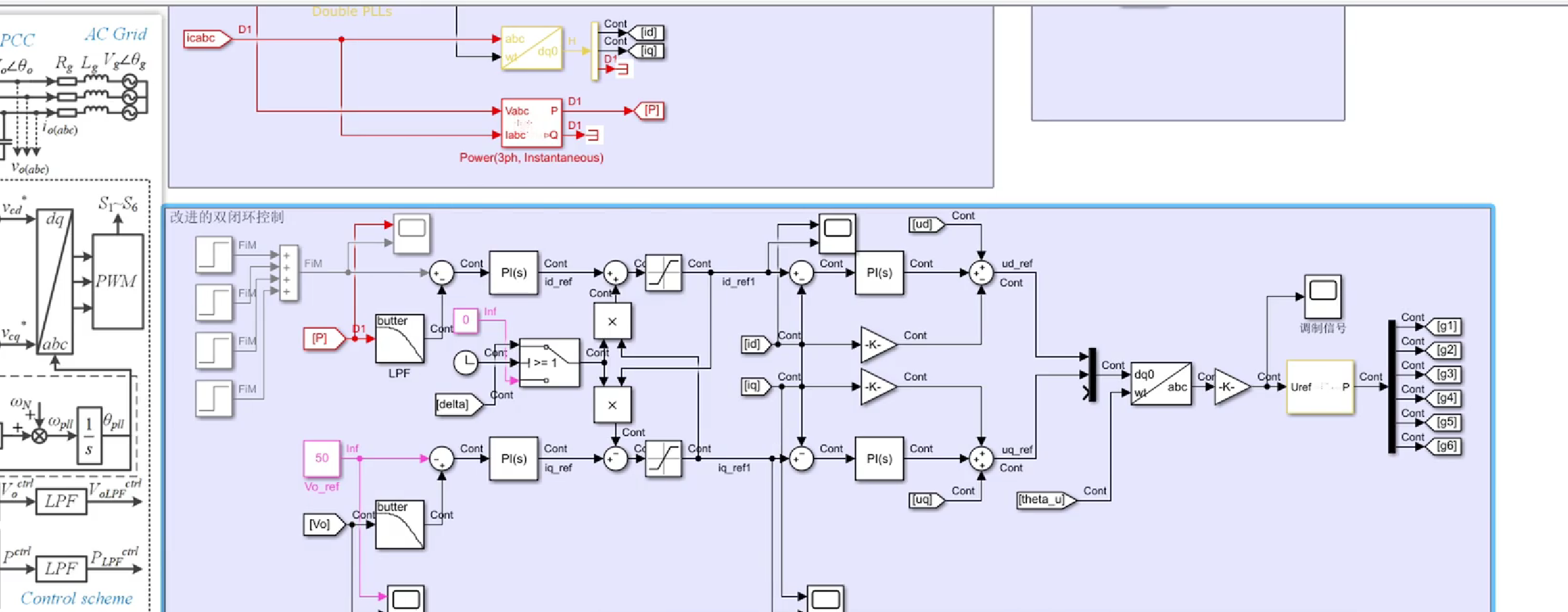
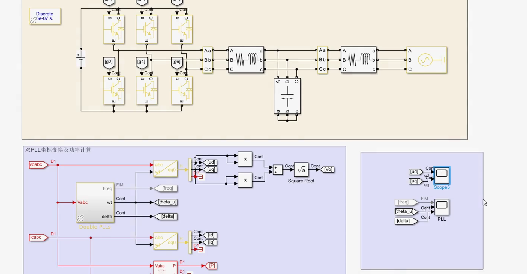
考虑LCL滤波器的三相跟网型逆变器拓扑如图1所示,其状态空间方程为:

2.2 稳定性分析方法
通过计算状态矩阵 A 的特征值 λi,判定系统稳定性:
- 渐近稳定:所有 Re(λi)<0。
- 边界稳定:存在 Re(λi)=0。
- 不稳定:存在 Re(λi)>0。
弱电网下,电网阻抗增大导致 A 矩阵非对角元素耦合增强,特征值实部趋近于零轴,系统稳定性下降。
2.3 谐振机理分析
多逆变器并联时,等效导纳模型显示:

3. 双锁相环阻抗重塑控制策略
3.1 双锁相环设计
传统单锁相环(SPL)在弱电网下相位跟踪误差 Δθ 增大,导致:

- 主锁相环(MPLL):跟踪PCC电压相位,提供坐标变换基准。
- 辅锁相环(APLL):补偿电网频率波动,抑制相位跳变。
DPLL结构如图2所示,其闭环传递函数为:

3.2 阻抗重塑技术

3.3 控制策略实现
改进控制策略流程如下:
- 电压前馈补偿:通过改进前馈环节抵消电网电压背景谐波。
- 双锁相环同步:MPLL提供基准相位,APLL补偿频率波动。
- 阻抗动态调整:根据功率指令 Pref 动态调整 Zv,使系统在0.9 p.u.电压下稳定运行。
4. 仿真验证与结果分析
4.1 仿真模型搭建
基于Matlab/Simulink构建仿真平台,参数如表1所示:
| 参数 | 数值 |
|---|---|
| 直流侧电压 Vdc | 800 V |
| 滤波电感 L1,L2 | 2 mH, 1 mH |
| 滤波电容 C | 10 μF |
| 电网阻抗 Zg | 0.5 + j1 Ω |
| 采样频率 fs | 10 kHz |
4.2 仿真对比
场景1:功率阶跃(0→700 W)
- 传统控制:0.2 s时功率阶跃导致PCC电压跌落至0.85 p.u.,电流THD升至8.2%。
- 改进控制:电压跌落仅至0.92 p.u.,电流THD降至3.5%,动态响应时间缩短至50 ms。
场景2:电压跌落(20%)
- 传统控制:电压跌落触发锁相环失步,系统进入不稳定状态。
- 改进控制:DPLL快速同步,阻抗重塑模块调整 Zv,系统在0.8 p.u.电压下恢复稳定。
4.3 特征值分析
改进前后系统特征值分布如图3所示:
- 传统控制:存在特征值实部接近零轴(λ=−0.1±j2.5),系统接近边界稳定。
- 改进控制:所有特征值实部小于-0.5,系统渐近稳定。
5. 结论
本文针对弱电网下跟网型逆变器的小干扰稳定性问题,提出双锁相环阻抗重塑控制策略。通过状态空间特征值分析和仿真验证,得出以下结论:
- 阻抗重塑技术可有效扩展系统功率传输极限至0.9 p.u.附近。
- 双锁相环结构显著提升了相位跟踪精度,抑制了弱电网下的相位跳变。
- 改进策略在功率阶跃和电压跌落工况下均表现出更优的动态响应和稳定性。
未来研究将聚焦于多时间尺度控制策略的协同优化,以及硬件在环(HIL)实验验证。
📚第二部分——运行结果




🎉第三部分——参考文献
文章中一些内容引自网络,会注明出处或引用为参考文献,难免有未尽之处,如有不妥,请随时联系删除。(文章内容仅供参考,具体效果以运行结果为准)
🌈第四部分——Simulink仿真实现
资料获取,更多粉丝福利,MATLAB|Simulink|Python资源获取

287

被折叠的 条评论
为什么被折叠?



