0.前言
工程源自GitHub,实现了从sd卡读取图像然后通过HDMI显示的功能GJigar/HDMI-display
https://github.com/GJigar/HDMI-display本文只是根据自己的理解做一些工程分析
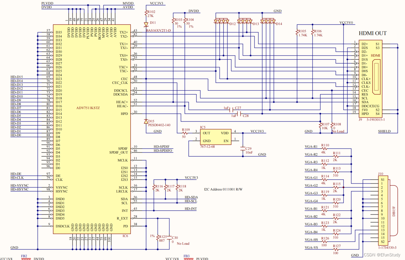
1.硬件电路
先看一下zedboard的硬件电路,zedboard中因为HDMI输出接口接了一个ADV7511芯片,对向HDMI接口发送的数据进行了编码,所以无法直接自己编写时序控制每个像素位的输出,需要通过一个专用的HDMI输出IP核进行数据的输出控制

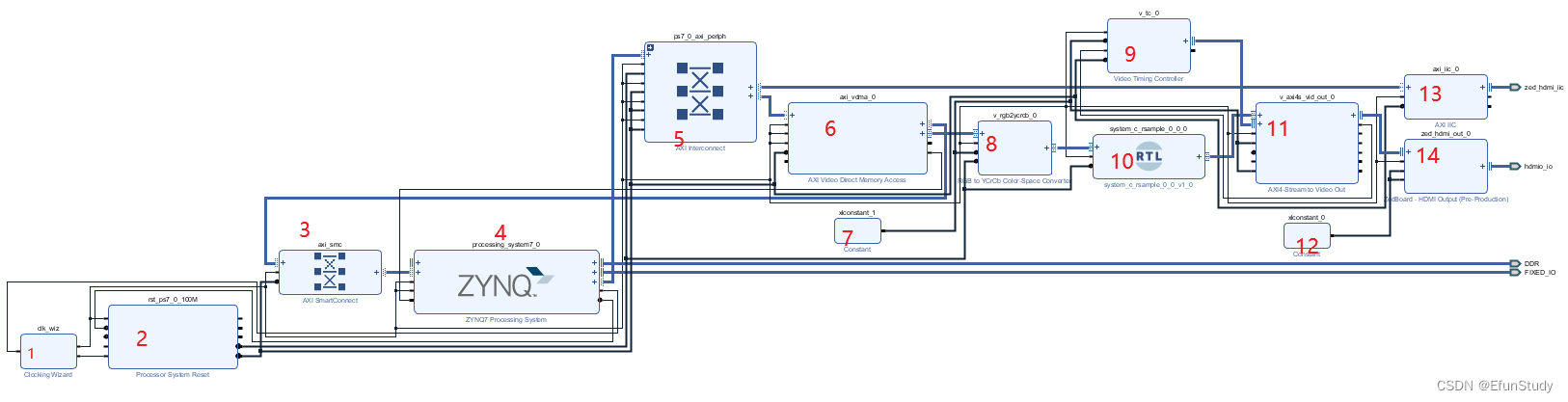
2.bd设计
整体bd框图如下,我会按照标号顺序简要介绍

1. clocking wizard
主要用于输出不同频率的时钟,在本工程中,输入了50MHz时钟,输出了一个148.5MHz的时钟。输入的时钟频率取决于板上晶振频率,通常FPGA板载晶振为50MHz,具体还请查看相应文件。输出时钟频率是通过显示图像的分辨率以及帧数计算出来的。本实验输出1080p的图像进行60帧显示,需要的时钟频率即为148.5MHz。
计算公式为:宽度像素点数x长度像素点数x帧数,如本实验为2200x1125x60=14850000=148.5MHz。其中长宽包含了消隐期的时钟数。


2. processor system reset
处理器复位用IP核,连接bd时自动生成,用于管理、生成复位信号

3. AXI smartconnect
AXI连接用的IP,用于连接zynq核和其他使用了AXI端口的IP,连接bd时自动生成

4.zynq7 processing system
zynq处理器,没什么好说的,任何工程的唯一必需品

本文介绍了如何在ZEDBoard上实现从SD卡读取图像并通过HDMI接口显示的过程,涉及硬件电路、BD设计(包括时钟生成、处理器复位、数据搬移等IP核)、以及SDK设计中如何配置I/O和读取SD卡内容。
最低0.47元/天 解锁文章
5304

被折叠的 条评论
为什么被折叠?



