红外遥控(外部中断)
本篇文章是根据B站UP主江科大自化协的教学视频51单片机入门教程-2020版 程序全程纯手打 从零开始入门,在了解、学习与实操后整理的学习笔记,通过已有的不同晶振(11.0592KHz)的开发板对代码进行了部分优化,同时自行整理了较为详细的实例思路。内容较为详细,部分内容涉及了前面的知识点,可以观看UP主的视频或接下来的一些文章进行了解。
希望大家都能早日掌握单片机。
1、红外遥控介绍
(1)基本介绍
红外遥控是利用红外光进行通信的设备,由红外LED将调制后的信号发出,由专用的红外接收头进行解调输出。
-
通信方式:单工,异步;
-
红外LED波长:940nm;
-
通信协议标准:NEC标准。
(2)硬件电路
Ⅰ、红外发送电路(调制)
①输入38KHz方波调制
51单片机并没有发送红外的功能,只接受遥控器发出的红外信号。
-
R1所在电路输入端为38KHZ的方波,R2所在电路(IN口)为输入波形;
-
两个三极管开关(PHP型)为低电平导通(高电平不导通);
-
利用两个三极管,将38KHZ的方波和输入波形组合(抗干扰),对应控制红外LED的闪烁。
②自行调制

- 删去了输入38KHZ的方波,为了抗干扰,输入信号需自行产生一定的抖动。
Ⅱ、红外接收电路(解调)
红外接收头能将接收到的经调制的波形进行解调,使得其恢复原来的波形。


-
利用一体化红外接收头(集成有解调电路),就可以直接帮助解调,无需自行处理。
-
因为产生的波形抖动速度快、时间短,因此不能利用if语句进行判断,需要引入外部中断进行接收OUT产生的波形数据,P3^2即为外部中断的接口。
Ⅲ、基本发送与接收
-
空闲状态:红外LED不亮,接收头输出高电平;
-
发送低电平:红外LED以38KHz频率闪烁发光,接收头输出低电平;
-
发送高电平:红外LED不亮,接收头输出高电平。

2、NEC编码
(1)红外NEC协议编码说明

-
地址码反码对地址取反,用于对地址码进行验证;命令反码同理。
-
数据红外接收部分,560us的下降沿与560us的上升沿组成数据0;560us的下降沿与1690us的上升沿组成数据1;
-
一帧数据时间长度为110ms;
-
后面的Repeat部分为按住按键不放时,连续发送数据的波形。
(2)对应红外接收键码实例波形


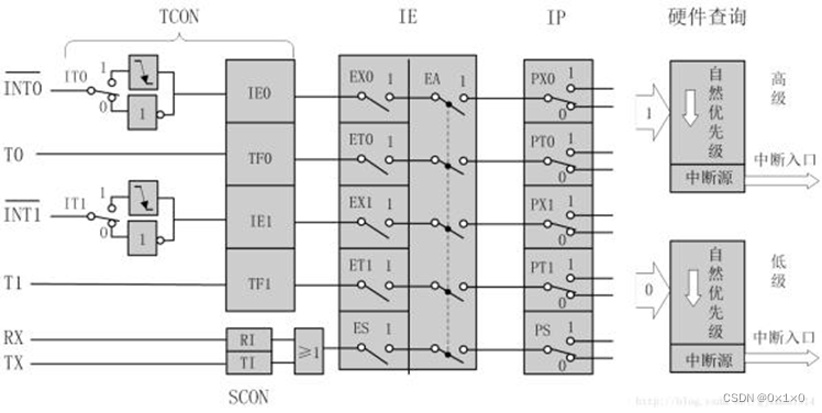
3、外部中断
STC89C52有4个外部中断,STC89C52的外部中断有两种触发方式: 下降沿触发和低电平触发。



-
外部中断INT0与INT1直接连接I/O口(区别于T0之类的定时器中断);
-
IT0与IT1:外部中断触发方式选择位,为1下降沿触发,为0低电平触发;
-
IE0与IE1:中断请求标志位;
-
PX0与PX1:外部中断优先级控制位。
4、实例
(1)红外遥控
Ⅰ、实际效果
- 在LCD1602液晶屏上显示遥控器的地址码和控制码(即键码);
- 当按下VOL+与VOL-时,分别对数字进行加减,且长按能一直进行。
Ⅱ、思路

①详细思路说明
该实例的主要难点在于编写解码部分的函数,首先,从NEC协议编码说明中可看出:解码部分对时间测量有一定要求,数据位的判断是微妙级的,因此我们需要一个用于计时的工具,这里我们使用定时器Timer0,但不启用中断将其改写为一个计时器;其次是对计时范围的选定,我们需要对每个方波周期计时,进行判断然后清0,这里我们引入外部中断Int0,使用下降沿触发,通过两次中断就能读出一个对应方波周期的时间;最后是对方波信号类型的判断与解码,包括三种状态:空闲状态0、等待信号状态1(等待Start和Repeat信号)、读取数据状态2。以上的内容我们通过**建立三个不同的库(Timer0.c、Int0.c和IR.c)**并在其中编写对应功能函数,便可基本实现前两个效果,其余效果只需在主函数中进行逻辑编写即可完成。
②前期准备
时间:(第一个是12.0000KHz时,第二个是11.0592KHz时)
- Start信号:(9+4.5)ms=13.5ms=13500us;*0.9216=12442us。
- Repeat信号:(9+2.25)ms=11.25ms=11250us;*0.9216=10368us。
- "0"信号:(560+560)us=1120us;*0.9216=1032us。
- "1"信号:(560+1690)us=2250us;*0.9216=2074us。
③定时器改计时器。
对原有的定时器中断初始化函数Timer0_Init() 进行修改:
- 因为不需要进行中断,因此把中断允许位EA、ET0和优先级控制位PT0删除;
- 因为用于计时,则不需要对TH0和TL0赋初值,将TH0和TL0置0;
- 因为我们要控制计时的开始与结束,所以在初始化中将定时器运行控制位TR0先置0;
添加函数(计时器控制函数Timer0_Run()、计时器设置函数Timer0_SetCounter()和计时器取值函数Timer0_GetCounter()):
- Timer0_Run():带参数,参数为标志位Flag,通过标志位控制计时器的启动与停止;
- Timer0_SetCounter():带16位参数,参数为初值Value,高八位存于TH0,低八位存于TL0;此处可用于置0;
- Timer0_GetCounter():有16位返回值,返回计时器的值。
先用Timer0_SetCounter()将初值置0,再通过Timer0_Run()启动定时器,中间放入程序,最后使用Timer0_GetCounter()取出计时器的值即可计算程序运行的时间。
④引入外部中断
对与外部中断有关的寄存器进行设置:
- 外部中断0请求标志IE0:置0(详解看手册);
- 外部中断0触发方式选择位IT0:置1,下降沿触发中断;
- 全局中断允许位EA:置1,允许;
- 外部中断允许位EX0:置1,允许;
- 外部中断0中断优先级控制位PX0:置1,高优先级。
中断函数的设置:因为每次中断就会读取方波信号周期时间,因此我们将方波信号类型的判断与解码放在外部中断函数中。
⑤方波信号类型的判断与解码
定义变量:
-
存储时间的变量IR_Time:用于存储每次计时器取出的时间值,便于判断信号类型;
-
控制状态的变量IR_State:0为空闲状态、1为等待信号状态(等待Start和Repeat信号)、2为读取数据状态;
-
存储数据的数组IR_Data[4]:数据共有4个字节共32位;
-
指向数据位数的指针IR_pData
-
数据解码标志位IR_DataFlag:为0表示数据解码未完成,为1表示数据解码已完成;
-
数据重写标志位IR_RepeatFlag:为0表示数据不重写,为1表示数据重写;
-
地址存储变量IR_Address:存储数据中的地址,便于调用与显示;
-
命令存储变量IR_Command:存储数据中的命令,便于调用与显示。
判断与解码(中断函数内):
-
空闲状态0:若处于空闲状态,则开启计时,进入等待信号状态;
-
等待信号状态1:取出计时器数据后清0,判断信号为Start信号还是Repeat信号,若为Start信号,则进入读取数据状态;若为Repeat信号,则将IR_RepeatFlag置1,停止计时,回到空闲状态;
-
读取数据状态:取出计时器数据后清0,判断信号为"0"信号还是"1"信号,对应位赋值(难点),然后IR_pData+1;若IR_pData加至32,则已完成数据读取,然后将IR_pData清0,检验数据是否正确(反码取反),若正确,将地址和命令分别存至IR_Address和IR_Command,随后计时器停止,返回空闲周期;
-
误差:由于程序运行等原因,计时器的时间是有一定误差的,因此我们在判断时要对准确时间前后留有余量;若超出这个范围(出现错误),则返回等待信号状态;
-
重写的使用在主函数中体现。
其他函数:
- 调用:因为IR_Address和IR_Command是对应库中的变量,主函数不能直接调用,为了取出其值,我们再定义两个有返回值的函数IR_GetAddress()和IR_GetCommand(),专门用来返回IR_Address和IR_Command的值;
- 显示:IR_DataFlag和IR_RepeatFlag原因同上,它们在主函数中的作用是作为标志位决定是否调用显示,不过在对他们定义的两个有返回值的函数IR_GetDataFlag()和IR_GetRepeatFlag中,需要将它们置0,便于下次数据读取判断。
⑥主函数逻辑
- 对数据解码标志位和数据重写标志位进行判断,只要其中一个为1就显示数据;
- 对命令进行判断,若命令的值为"VOL+"的键码,则数字+1;为"VOL-"则-1;
- 为了便于调用,可以对所有的键码值进行宏定义。
Ⅲ、实际代码
①Timer0.c
#include <REGX52.H>
/**
* @brief 定时器0初始化
* @param 无
* @retval 无
*/
void Timer0_Init(void)
{
TMOD &= 0xF0; //设置定时器模式
TMOD |= 0x01; //设置定时器模式
TL0 = 0; //设置定时初值
TH0 = 0; //设置定时初值
TF0 = 0; //清除TF0标志
TR0 = 0; //定时器0不计时
}
/**
* @brief 定时器0设置计数器值
* @param Value,要设置的计数器值,范围:0~65535
* @retval 无
*/
void Timer0_SetCounter(unsigned int Value)
{
TH0=Value/256;
TL0=Value%256;
}
/**
* @brief 定时器0获取计数器值
* @param 无
* @retval 计数器值,范围:0~65535
*/
unsigned int Timer0_GetCounter(void)
{
return (TH0<<8)|TL0;
}
/**
* @brief 定时器0启动停止控制
* @param Flag 启动停止标志,1为启动,0为停止
* @retval 无
*/
void Timer0_Run(unsigned char Flag)
{
TR0=Flag;
}
②Int0.c
#include <REGX52.H>
/**
* @brief 外部中断0初始化
* @param 无
* @retval 无
*/
void Int0_Init(void)
{
IT0=1;
IE0=0;
EX0=1;
EA=1;
PX0=1;
}
/*外部中断0中断函数模板
void Int0_Routine(void) interrupt 0
{
}
*/
③IR.c
#include <REGX52.H>
#include "Timer0.h"
#include "Int0.h"
unsigned int IR_Time; //计时
unsigned char IR_State; //状态(0——空闲状态;1——等待读取;2——开始解码)
unsigned char IR_Data[4]; //存放四个8位数据(地址码、地址码反码、命令码、命令码反码)
unsigned char IR_pData; //用于指向当前数据位置
unsigned char IR_DataFlag; //数据标志位
unsigned char IR_RepeatFlag; //重发标志位
unsigned char IR_Address; //存储最终地址
unsigned char IR_Command; //存储命令码
/**
* @brief 红外遥控初始化
* @param 无
* @retval 无
*/
void IR_Init(void)
{
Timer0_Init();
Int0_Init();
}
/**
* @brief 红外遥控获取收到数据帧标志位
* @param 无
* @retval 是否收到数据帧,1为收到,0为未收到
*/
unsigned char IR_GetDataFlag(void)
{
if(IR_DataFlag)
{
IR_DataFlag=0;
return 1;
}
return 0;
}
/**
* @brief 红外遥控获取收到连发帧标志位
* @param 无
* @retval 是否收到连发帧,1为收到,0为未收到
*/
unsigned char IR_GetRepeatFlag(void)
{
if(IR_RepeatFlag)
{
IR_RepeatFlag=0;
return 1;
}
return 0;
}
/**
* @brief 红外遥控获取收到的地址数据
* @param 无
* @retval 收到的地址数据
*/
unsigned char IR_GetAddress(void)
{
return IR_Address;
}
/**
* @brief 红外遥控获取收到的命令数据
* @param 无
* @retval 收到的命令数据
*/
unsigned char IR_GetCommand(void)
{
return IR_Command;
}
//外部中断0中断函数,下降沿触发执行
void Int0_Routine(void) interrupt 0
{
if(IR_State==0) //状态0,空闲状态
{
Timer0_SetCounter(0); //定时计数器清0
Timer0_Run(1); //定时器启动
IR_State=1; //置状态为1
}
else if(IR_State==1) //状态1,等待Start信号或Repeat信号
{
IR_Time=Timer0_GetCounter(); //获取上一次中断到此次中断的时间
Timer0_SetCounter(0); //定时计数器清0
//如果计时为13.5ms,则接收到了Start信号(判定值在12MHz晶振下为13500,在11.0592MHz晶振下为12442)
if(IR_Time>12442-500 && IR_Time<12442+500)
{
IR_State=2; //置状态为2
}
//如果计时为11.25ms,则接收到了Repeat信号(判定值在12MHz晶振下为11250,在11.0592MHz晶振下为10368)
else if(IR_Time>10368-500 && IR_Time<10368+500)
{
IR_RepeatFlag=1; //置收到连发帧标志位为1
Timer0_Run(0); //定时器停止
IR_State=0; //置状态为0
}
else //接收出错
{
IR_State=1; //置状态为1
}
}
else if(IR_State==2) //状态2,接收数据
{
IR_Time=Timer0_GetCounter(); //获取上一次中断到此次中断的时间
Timer0_SetCounter(0); //定时计数器清0
//如果计时为1120us,则接收到了数据0(判定值在12MHz晶振下为1120,在11.0592MHz晶振下为1032)
if(IR_Time>1032-500 && IR_Time<1032+500)
{
IR_Data[IR_pData/8]&=~(0x01<<(IR_pData%8)); //数据对应位清0
IR_pData++; //数据位置指针自增
}
//如果计时为2250us,则接收到了数据1(判定值在12MHz晶振下为2250,在11.0592MHz晶振下为2074)
else if(IR_Time>2074-500 && IR_Time<2074+500)
{
IR_Data[IR_pData/8]|=(0x01<<(IR_pData%8)); //数据对应位置1
IR_pData++; //数据位置指针自增
}
else //接收出错
{
IR_pData=0; //数据位置指针清0
IR_State=1; //置状态为1
}
if(IR_pData>=32) //如果接收到了32位数据
{
IR_pData=0; //数据位置指针清0
if((IR_Data[0]==~IR_Data[1]) && (IR_Data[2]==~IR_Data[3])) //数据验证
{
IR_Address=IR_Data[0]; //转存数据
IR_Command=IR_Data[2];
IR_DataFlag=1; //置收到连发帧标志位为1
}
Timer0_Run(0); //定时器停止
IR_State=0; //置状态为0
}
}
}
- 注意对应变量的类型(IR_Time为int型);
- 注意总共有两处用到了“~”取反;
- 注意运算符的优先级(在三处逻辑判断中需要额外加括号)。
④main.c
#include <REGX52.H>
#include "Delay.h"
#include "LCD1602.h"
#include "IR.h"
unsigned char Num;
unsigned char Address;
unsigned char Command;
void main()
{
LCD_Init();
LCD_ShowString(1,1,"ADDR CMD NUM");
LCD_ShowString(2,1,"00 00 000");
IR_Init();
while(1)
{
if(IR_GetDataFlag() || IR_GetRepeatFlag())
{
Address = IR_GetAddress();
Command = IR_GetCommand();
LCD_ShowHexNum(2,1,Address,2);
LCD_ShowHexNum(2,7,Command,2);
if(Command==IR_VOL_ADD)
{
Num++;
}
if(Command==IR_VOL_MINUS)
{
Num--;
}
LCD_ShowNum(2,12,Num,3);
}
}
}
(2)红外遥控电机调速
Ⅰ、实际效果
- 利用遥控器的0~3按键控制直流电机的转速并在数码管上显示。
Ⅱ、思路
在前面独立按键控制直流电机调速的基础上进行修改:
- 红外部分和电机调速部分的代码都用到了定时器0,所以我们将电机调速部分的定时器改为定时器1,将原先TMOD的高低八位反置;
- 为了方便代码块的移植和调用、让主函数更简洁,我们将电机部分的代码模块化Motor.c;
- 调用上个实例中的Int0.c和IR.c,然后在主函数中进行逻辑判断。
Ⅲ、实际代码
①Timer1.c
#include <REGX52.H>
/**
* @brief 定时器1初始化,100微秒@11.0592MHz
* @param 无
* @retval 无
*/
void Timer1_Init() //100微秒@11.0592MHz
{
TMOD &= 0x0F; //设置定时器模式
TMOD |= 0x10; //设置定时器模式
TL1 = 0xA4; //设置定时初始值
TH1 = 0xFF; //设置定时初始值
TF1 = 0; //清除TF1标志
TR1 = 1; //定时器1开始计时
ET1=1;
EA=1;
PT1=0;
}
/* 定时器中断函数模板
void Timer1_Routine() interrupt 3
{
static unsigned int T1Count;
TH1 = 0xFF; //设置定时初值
TL1 = 0xA4; //设置定时初值
T1Count++;
if(T1Count>=1000)
{
T1Count=0;
}
}
*/
②Motor.c
#include <REGX52.H>
#include "Timer1.h"
//引脚定义
sbit Motor=P1^0;
unsigned char Counter,Compare;
/**
* @brief 电机初始化
* @param 无
* @retval 无
*/
void Motor_Init(void)
{
Timer1_Init();
}
/**
* @brief 电机设置速度
* @param Speed 要设置的速度,范围0~100
* @retval 无
*/
void Motor_SetSpeed(unsigned char Speed)
{
Compare=Speed;
}
//定时器1中断函数
void Timer1_Routine() interrupt 3
{
TL1 = 0x9C; //设置定时初值
TH1 = 0xFF; //设置定时初值
Counter++;
Counter%=100; //计数值变化范围限制在0~99
if(Counter<Compare) //计数值小于比较值
{
Motor=1; //输出1
}
else //计数值大于比较值
{
Motor=0; //输出0
}
}
③main.c
#include <REGX52.H>
#include "Delay.h"
#include "Nixie.h"
#include "Motor.h"
#include "IR.h"
unsigned char Command,Speed;
void main()
{
Motor_Init();
IR_Init();
while(1)
{
if(IR_GetDataFlag()) //如果收到数据帧
{
Command=IR_GetCommand(); //获取遥控器命令码
if(Command==IR_0){Speed=0;} //根据遥控器命令码设置速度
if(Command==IR_1){Speed=1;}
if(Command==IR_2){Speed=2;}
if(Command==IR_3){Speed=3;}
if(Speed==0){Motor_SetSpeed(0);} //速度输出
if(Speed==1){Motor_SetSpeed(50);}
if(Speed==2){Motor_SetSpeed(75);}
if(Speed==3){Motor_SetSpeed(100);}
}
Nixie(1,Speed); //数码管显示速度
}
}
2277

被折叠的 条评论
为什么被折叠?



